Sunday, January 13th, 2019 AT 6:01 AM
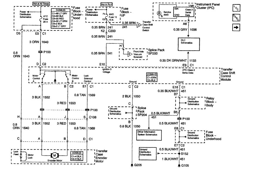
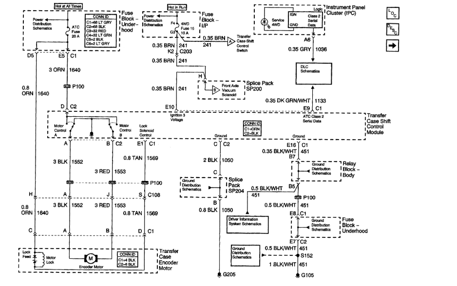
When I want to switch to four wheel drive, I but it in neutral, press the four wheel drive button, which should flash for at least 20-30, which does not, I believe its not in four wheel because I don't hear it engage. If I do it in the 4 low drive switch, I can hear it bang and engage. I cannot know if its it four wheel. I tried it in the 2-4 inches of snow we had today and I was slipping and sliding all over the place and the rear tires where spinning. Do I need a new four wheel drive switch? I am stuck on this issue.



