HOME
ASK A QUESTION
REPAIR GUIDES
BECOME A MEMBER
LOG IN
Login with Facebook
OR
Remember me
NOT A MEMBER?
FORGOT PASSWORD?
CONTACT US
PRIVACY POLICY
TERMS AND CONDITIONS
☰
Home
Nissan
Pathfinder
Electrical
Fuse Panel
3 relays behind kick panel
BALLYHOOO
MEMBER
1995 NISSAN PATHFINDER
3.0L
6 CYL
2WD
AUTOMATIC
180,000 MILES
Need to know what the 3 relays are above fuse box drivers side?
Friday, January 25th, 2019 AT 7:48 AM
11 Replies
ASEMASTER6371
MECHANIC
52,796 POSTS
Good morning
Can you post a picture of the relay panel?
Roy
Was this
answer
helpful?
Yes
No
-1
Friday, January 25th, 2019 AT 8:00 AM
BALLYHOOO
MEMBER
7 POSTS
Did you get the pics?
Was this
answer
helpful?
Yes
No
+1
Friday, January 25th, 2019 AT 2:03 PM
BALLYHOOO
MEMBER
7 POSTS
Here they are again
Images (Click to make bigger)
Was this
answer
helpful?
Yes
No
+2
Friday, January 25th, 2019 AT 2:05 PM
ASEMASTER6371
MECHANIC
52,796 POSTS
I attached a diagram for you that identifies the 3 relays.
Roy
Images (Click to make bigger)
Was this
answer
helpful?
Yes
No
+1
Friday, January 25th, 2019 AT 2:11 PM
BALLYHOOO
MEMBER
7 POSTS
Good morning! Still have a no crank issue. The relays checked out good. Is there a way to bypass the park/neutral switch on the transmission?
Was this
answer
helpful?
Yes
No
Saturday, February 2nd, 2019 AT 5:22 AM
ASEMASTER6371
MECHANIC
52,796 POSTS
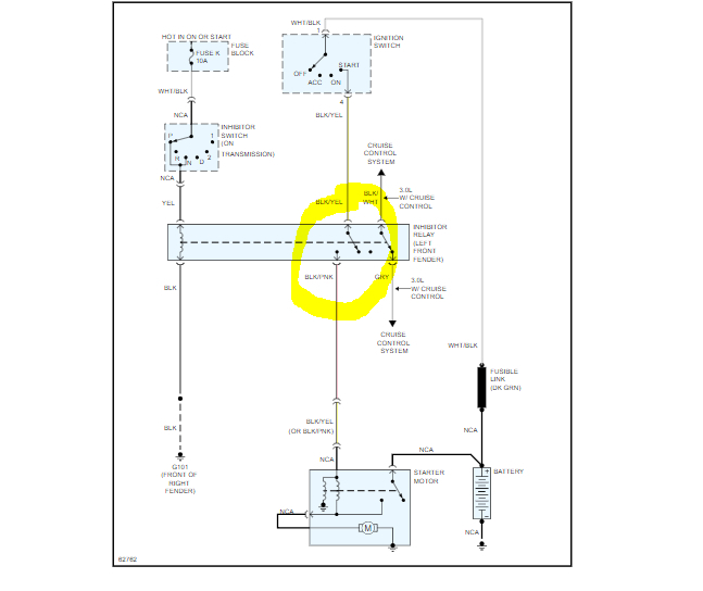
I attached a diagram for you to view. The terminals I circled are where you need to jump at the relay.
Roy
Image (Click to make bigger)
Was this
answer
helpful?
Yes
No
-1
Saturday, February 2nd, 2019 AT 5:26 AM
BALLYHOOO
MEMBER
7 POSTS
I've already replaced the (gray) inhibitor relay with new one. Do I still need to jump it?
Was this
answer
helpful?
Yes
No
Saturday, February 2nd, 2019 AT 5:42 AM
BALLYHOOO
MEMBER
7 POSTS
Okay, I jumped the relay across #6 and #7 and it started right up. Let it run awhile, shut it off and no crank! Any other items I can check?
So far this is what I've replaced:
Battery, ignition switch, inhibitor relay, starter (two years old).
Was this
answer
helpful?
Yes
No
Saturday, February 2nd, 2019 AT 7:59 AM
ASEMASTER6371
MECHANIC
52,796 POSTS
Okay, when you are at the relay, is the one terminal from the ignition switch have power with the key in the start position?
If it does, you may have a bad ground for the relay.
If it does not, then you have a wiring issue between the switch and the relay.
Roy
Was this
answer
helpful?
Yes
No
Saturday, February 2nd, 2019 AT 8:03 AM
BALLYHOOO
MEMBER
7 POSTS
It does have power from switch. So where is the relay grounded?
Was this
answer
helpful?
Yes
No
Saturday, February 2nd, 2019 AT 8:51 AM
ASEMASTER6371
MECHANIC
52,796 POSTS
It is grounded to the body itself.
Use a test light on the relay as a ground when someone turns the key to start.
Roy
Was this
answer
helpful?
Yes
No
Saturday, February 2nd, 2019 AT 12:58 PM
Please
login
or
register
to post a reply.
Related Fuse Panel Content
I Can't Figure Out Which Fuse Covers Them.
Hey, The Dash Lights That Come On When The Head Lights Are Turned On Went Off. I Can't See The Speedometer Or Rpm Dials. I Can't...
Asked by
kjd3
·
1 ANSWER
7 IMAGES
1996
NISSAN PATHFINDER
GUIDE
Fuse
The design of a car fuse is to limit the amount of amperage being pulled through a particular circuit. When an electrical circuit has a problem such as a short to ground...
Bacward Jump
Hello Everyone, I Made A Rather Large Mistake When I Jumped My Girlfriends 95 Nissan Pathfinder Backwards. I Smelled A Burning Toxic Smell...
Asked by
boomer
·
1 ANSWER
NISSAN PATHFINDER
Electrical Problem
Every Since I Replaced The Main Relay It Has Caused My Car To Cut Out, Lose Power, The Heater Does Not Blow And The Windows Will Not Open...
Asked by
Troydirt
·
2 ANSWERS
8 IMAGES
1995
NISSAN PATHFINDER
Charging System
Engine Stopped Battery 12.2 Volts Start Engine 14.2 Volts Fully Loaded Lights, A/c Everything Reading The Same Soon As Engine Revs 2000...
Asked by
Ann Edwards
·
3 ANSWERS
2010
NISSAN PATHFINDER
No Electrical ?
My Radio Loses The Presets Then When It Rains The Radio Will Quit Entirely. Then A Few Days Later The Car Itself Will Not Start. Jumpstart...
Asked by
davecoff
·
3 ANSWERS
2003
NISSAN PATHFINDER
VIEW MORE
Ask a Car Question. It's Free!
Fuse Test and Replacement
How to Use a Test Light
Spark Plugs and Wires Replacement GMC Sierra