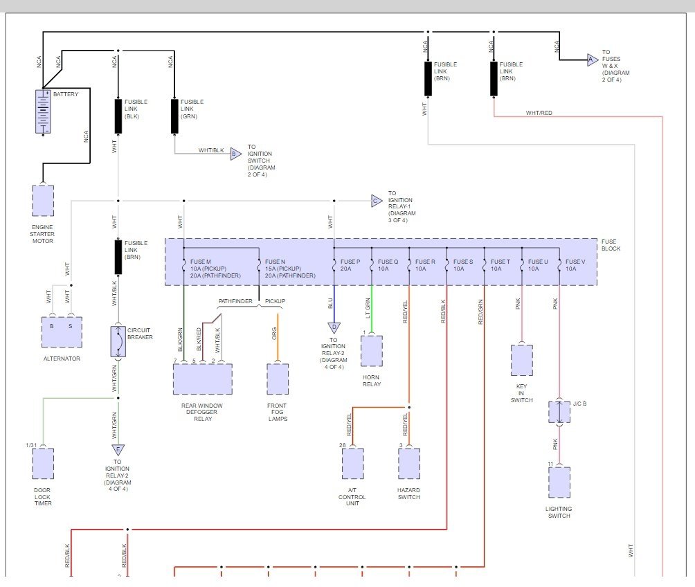
Saturday, February 11th, 2017 AT 7:33 PM
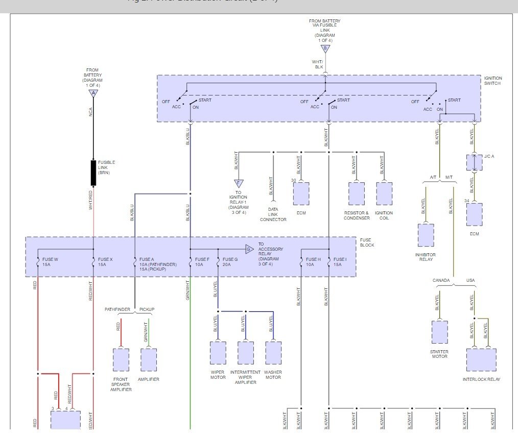
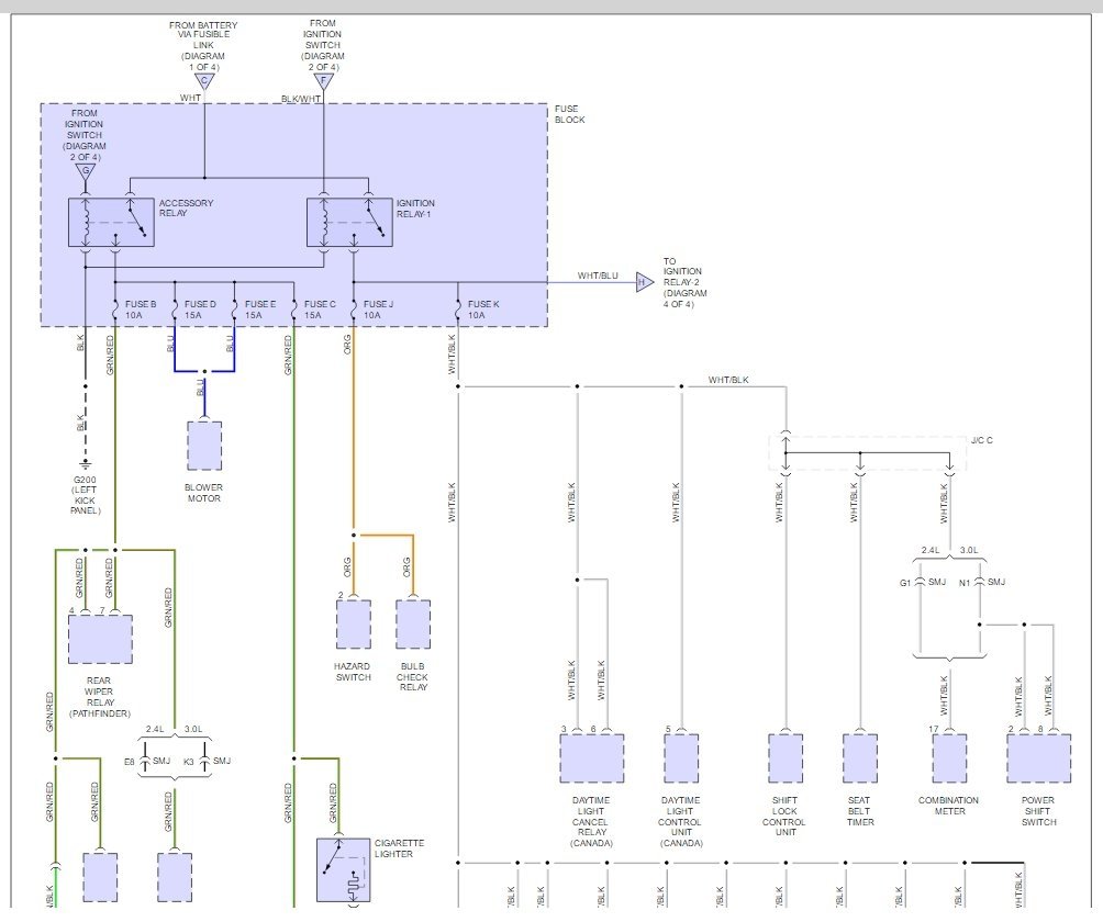
Every since I replaced the main relay it has caused my car to cut out, lose power, the heater does not blow and the windows will not open. I still have the problem of it clicking. If I keep trying it will finally turnover and starts. What could be the cause of this?










