22R engine will not idle after warming up and then stalls and shuts while driving

Tiny
TNEMMO
  • MEMBER
  • 1987 TOYOTA PICKUP
  • 2.4L
  • 4 CYL
  • 2WD
  • MANUAL
  • 362,000 MILES
After replacing the fuel filter, fuel pump, carburetor, coil, distributor cap, rotor, sparkplugs, sparkplug wires, gas cap and checking all vacuum lines. This still has not been fixed.
Thursday, June 16th, 2022 AT 9:28 AM

45 Replies

Tiny
BORIS K
  • MECHANIC
  • 836 POSTS
Hello,

The carburetor on your engine will use the automatic choke circuit to start when cold. This in turn will increase the cold idle speed, overriding the normal idle circuit. Once reaching close to operating temperature the automatic choke circuit will then shut off. This will leave the idle control to the normal idle circuit of the carburetor.
The idle circuit has a fuel cut off valve built into it. This is there to prevent running on the engine, also known as dieseling, when the ignition is turned off. See picture below for the location.

Suggest tracing the short wire back to the connector, usually green in color. See picture 2 below
Disconnect the plug. Next switch the ignition on, do not start the engine.
Plug the connector back in and listen for an audible click from the solenoid.
If no click can be heard this would mean, we either have no 12V supply at the connector or the solenoid has become faulty.
Next check for 12V supply at the green connector using a test light or voltmeter.

How to use either:
https://www.2carpros.com/articles/how-to-use-a-test-light-circuit-tester
and
https://www.2carpros.com/articles/how-to-use-a-voltmeter

If 12V is present and no click can be heard next I would suggest replacing the solenoid.
If no 12V is present, then next check for a possible blown fuse.

Hope this helps.

Cheers, Boris
Was this
answer
helpful?
Yes
No
+1
Friday, June 17th, 2022 AT 6:10 AM
Tiny
TNEMMO
  • MEMBER
  • 24 POSTS
Thank you so much for this info! With the replaced (aftermarket or rebuilt carburetor since these are no longer manufactured), I suppose the fuel cut-off solenoid (or valve) could be defective, but we will see.

Due to the high miles on the engine, I plan on also going ahead and replacing the oxy / fuel sensor, signal generator, engine temperature sensor, and temperature send switch.

What is the specific name of that part shown in picture #2 with the green wire?
Was this
answer
helpful?
Yes
No
Friday, June 17th, 2022 AT 10:13 AM
Tiny
JACOBANDNICKOLAS
  • MECHANIC
  • 110,194 POSTS
Hi,

I noticed you haven't been contacted for a couple of days. Have you been able to make any progress? I'm interested in knowing.

Also, the second pic above is the fuel shut-off valve.

Let me know.

Joe
Was this
answer
helpful?
Yes
No
+1
Sunday, June 19th, 2022 AT 8:14 PM
Tiny
TNEMMO
  • MEMBER
  • 24 POSTS
Hello again. I appreciate and have replied to your first response to my situation, but am still waiting on some of the parts I ordered to come in. A mechanic will be doing most of the work based on your recommendation from June 24th until he is done. So, I will respond as soon as I have an update on what is going on. Thanks again.
Was this
answer
helpful?
Yes
No
-1
Monday, June 20th, 2022 AT 9:38 AM
Tiny
TNEMMO
  • MEMBER
  • 24 POSTS
What is the specific name of that part shown in picture #2 with the green wire?
Was this
answer
helpful?
Yes
No
Monday, June 20th, 2022 AT 9:39 AM
Tiny
JACOBANDNICKOLAS
  • MECHANIC
  • 110,194 POSTS
Hi,

The component with a green connector is an idle solenoid.

I hope that helps. Let me know if we can help.

Take care,

Joe
Was this
answer
helpful?
Yes
No
+1
Monday, June 20th, 2022 AT 10:27 PM
Tiny
TNEMMO
  • MEMBER
  • 24 POSTS
Thank you for that information. Is this on a 1987 Toyota Pickup 22R engine? The auto parts store did not name this part when I asked for all idle parts. :(
Was this
answer
helpful?
Yes
No
Monday, June 20th, 2022 AT 10:53 PM
Tiny
BORIS K
  • MECHANIC
  • 836 POSTS
Hello,

It is quite easy to check if your carburetors is equipped with the fuel cut off solenoid.
Just have a look at the carburetor, look underneath the automatic choke mechanism.
The fuel cut off solenoid will be located there.

Cheers, Boris
Was this
answer
helpful?
Yes
No
Tuesday, June 21st, 2022 AT 9:38 AM
Tiny
TNEMMO
  • MEMBER
  • 24 POSTS
In my original question, I mentioned that I had the carburetor replaced. So, I am assuming that the carburetor had a new idle solenoid on it.

So, this means that there might be a blown fuse. Where is this fuse located?

One other question. What does the other end of this idle solenoid plug into? Is it one of the other temperature sensors in the engine?

Again, I thank you for your kind, considerate assistance.
Was this
answer
helpful?
Yes
No
+1
Tuesday, June 21st, 2022 AT 10:13 AM
Tiny
JACOBANDNICKOLAS
  • MECHANIC
  • 110,194 POSTS
Hi,

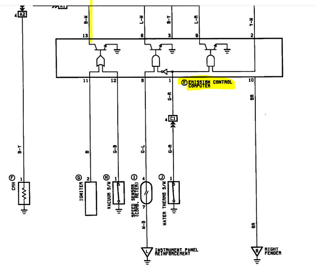
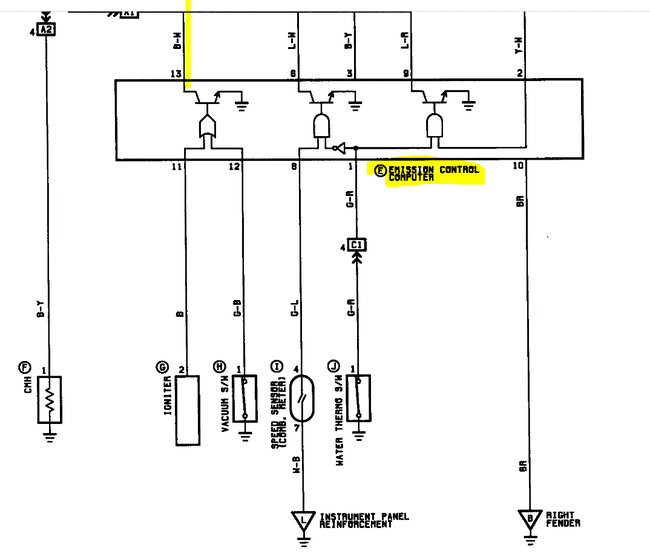
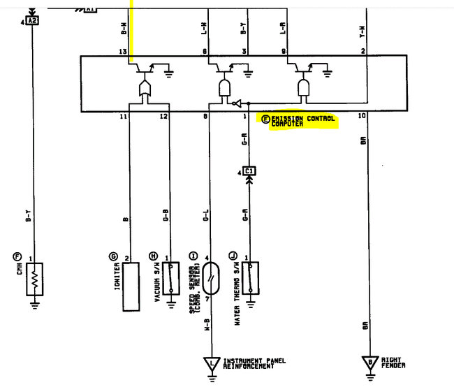
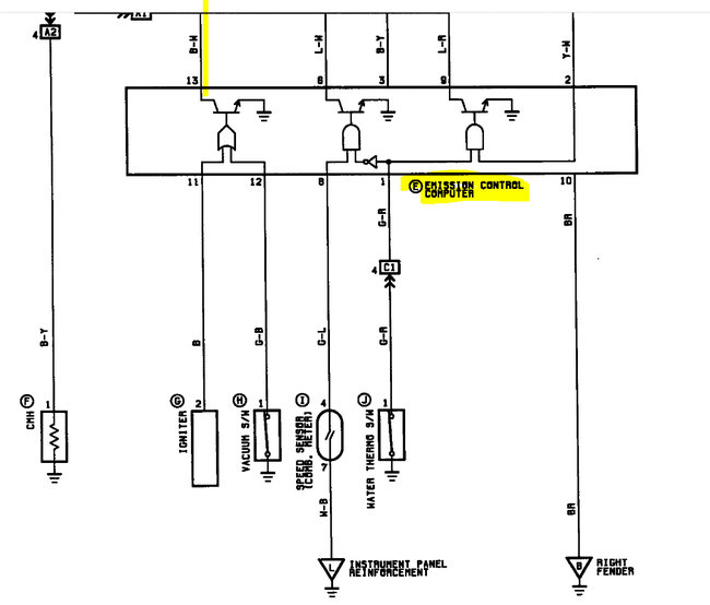
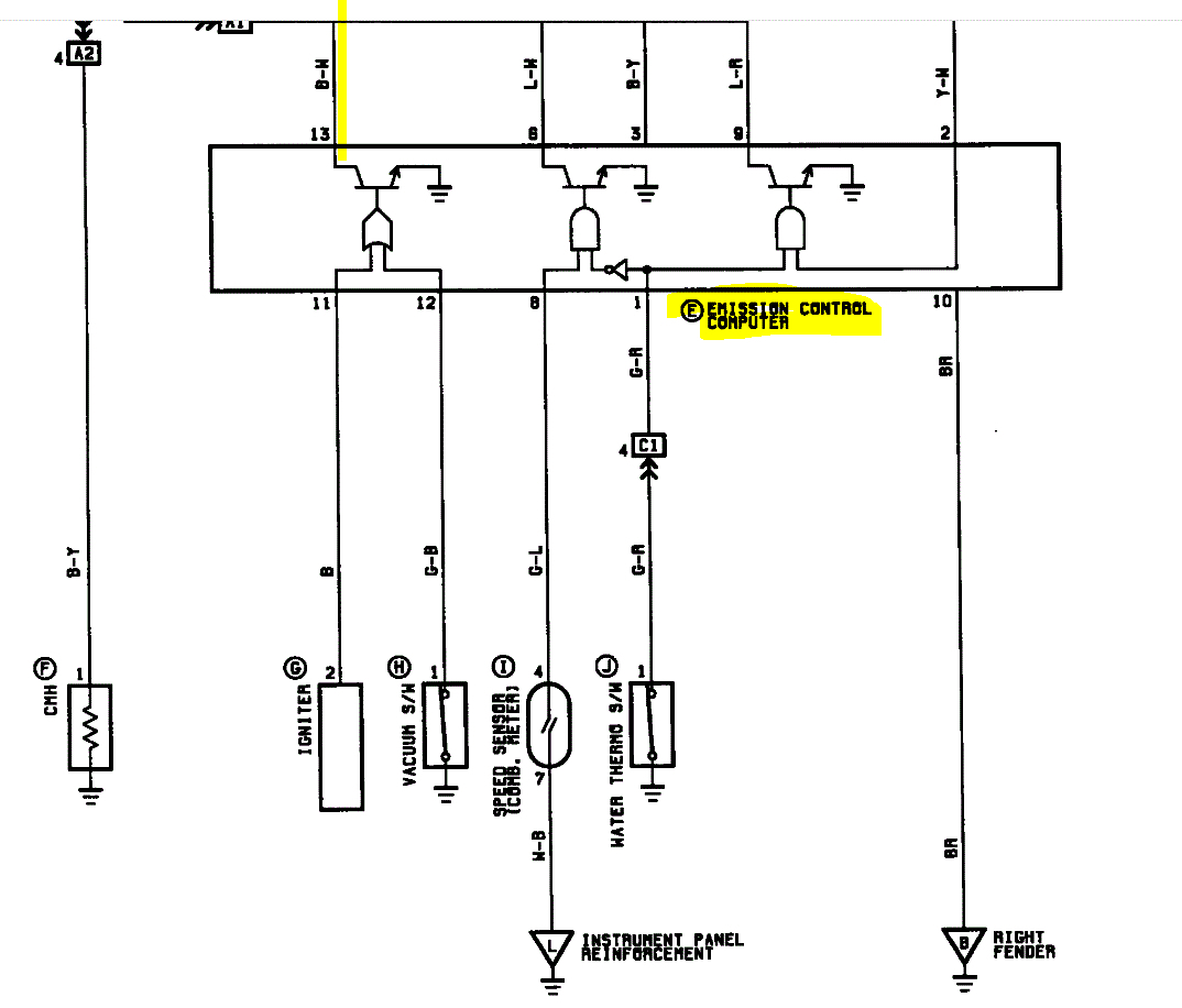
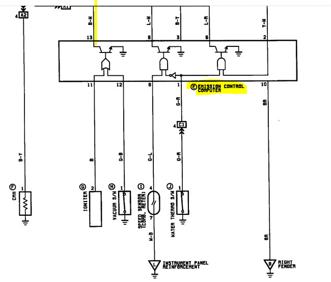
First, because of the year, I'm having trouble finding good schematics. However, I attached one below. If I'm reading it correctly, there is a 7.5-amp ignition fuse that powers it.

On the opposite side, the emissions computer provides a ground path to complete the circuit.

Take a look at the pics below. Note: I had to cut it in half to make it readable. I did overlap them so you can follow from one to the next.

Let me know if this helps.

Take care,

Joe

See pics below.
Was this
answer
helpful?
Yes
No
+1
Wednesday, June 22nd, 2022 AT 6:10 PM
Tiny
TNEMMO
  • MEMBER
  • 24 POSTS
Thank you again for the info. I will be dropping off my truck today to the mechanic with your info and will provide a follow-up with the attempted repair(s).

I have attached a pic of my truck you have been helping me with.
Was this
answer
helpful?
Yes
No
Thursday, June 23rd, 2022 AT 11:58 AM
Tiny
JACOBANDNICKOLAS
  • MECHANIC
  • 110,194 POSTS
Hi,

The truck looks great. That is one of my favorite body styles.

If you have a chance, let me know what is found. I'm interested in knowing.

Take care,

Joe
Was this
answer
helpful?
Yes
No
+1
Thursday, June 23rd, 2022 AT 8:43 PM
Tiny
TNEMMO
  • MEMBER
  • 24 POSTS
Well, I got my truck back today and am still disappointed as it is not fixed. It's like he ignored the printouts of your advice. Here is what he wrote:

>>> "Customer states that engine dies and runs rough. Started off by looking over previous repairs and didn’t seem to find anything there. I then started with spraying brake cleaner to check for a vacuum leak. Found the RPMs change when sprayed under air cleaner housing. Took off air cleaner and blocked off vacuum lines to air cleaner and resprayed and found EGR system leaking vacuum. I blocked off EGR system and retested using smoke machine and also found a loose fitting vacuum line on carb. After those leakers test to not leak anymore I reassembled and test drove to find that it doesn’t die like it did and run smoother than it was. I’m sure there is more wrong but is now drivable." "Replaced the EGR gasket with a "home-made" gasket because one was not available at the auto parts, and plugged off a loose vacuum line"
Was this
answer
helpful?
Yes
No
Monday, June 27th, 2022 AT 9:03 PM
Tiny
JACOBANDNICKOLAS
  • MECHANIC
  • 110,194 POSTS
Hi,

Is it running any better for you? Also, any idea which vacuum hose was blocked off?

Let me know.

Joe
Was this
answer
helpful?
Yes
No
+1
Tuesday, June 28th, 2022 AT 1:39 PM
Tiny
TNEMMO
  • MEMBER
  • 24 POSTS
Here is a picture of what was plugged off. They seem to be pretty important vacuums to me. I do not know if a single vacuum line connects these two together or what.

If possible, in your reply could you furnish the name of the part on the left and where the vacuum lines are supposed to go for me or the next mechanic? Pictures and diagrams sure would help, as I doubt, I will be able to figure this out. Thanks again.
Was this
answer
helpful?
Yes
No
Thursday, June 30th, 2022 AT 3:21 PM
Tiny
JACOBANDNICKOLAS
  • MECHANIC
  • 110,194 POSTS
Hi,

I see both of them. The one with the vertical arrow is difficult for me to tell where it is going. The other appears to be a vacuum pull-off for the choke. Is that component on the carb? And yes, that is important. If the choke doesn't fully open, it will cause the engine to run rich, rough, and so on.

The vacuum to the choke pull-off should go to an intake vacuum so it's constant. If the other one you indicated goes to the intake manifold, you could connect the two.

I attached vacuum schematics below. The first one is for federal emissions and the second pic is for CA emissions. I'm not sure where you're located.

Pic 3 is an exploded view of the carburetor. I highlighted what I believe the part is in your pic.

Let me know if this helps.

Take care,

Joe

See pics below.
Was this
answer
helpful?
Yes
No
Thursday, June 30th, 2022 AT 8:29 PM
Tiny
TNEMMO
  • MEMBER
  • 24 POSTS
I hope this doesn't post twice. There was an error posting it the first time.

These vacuum line schematics are impossible to read. I guess I see why no one is able to figure this out. It is impossible to sort out everything and find exactly where each connection goes in the tiny spaces covered by vacuum lines routed to valves, sensors, etc.

Yes, the "choke opener" is attached to the carburetor.

I am located in Minnesota but bought the truck in New Mexico. According to the emissions control sticker, my 1987 Toyota IS NOT California emissions rated, it is Federal rated.

The plugged metal vacuum line with the vertical yellow arrow #2 (from my new attached picture) is connected to a small group of metal tubes that branch out going to other areas of the engine with rubber vacuum line connections.

The FED schematic you furnished appears to show a vacuum line coming from the plugged choke opener going to the other plugged tube, but then splits off somewhere else as best as I can tell.

Here is another surprise: I found another plugged off vacuum connection on the carburetor directly above the plugged metal tube (arrow #2) next to the adjustment screws, arrow #3 (see attached picture). Arrows #1 and #2 are the ones we have previously been discussing. Arrow #3 is a new discovery.

So, now there are three plugged vacuum lines! What a mess! The problem has to be found somewhere in these vacuum lines. How to figure out where they go?
Was this
answer
helpful?
Yes
No
Friday, July 1st, 2022 AT 9:29 AM
Tiny
JACOBANDNICKOLAS
  • MECHANIC
  • 110,194 POSTS
Hi,

I do see the vacuum hose (number 3). Please keep in mind, there are ports that may or may not have ever been required. That one appears at the bottom of the carb. That would be what is called a ported vacuum supply. That type of vacuum supply normally would run to a vacuum advance on a distributor. Do you have one going there already?

Also, try running a hose between 1 and 2 to see if it allows the vehicle to run better.

Let me know what you find. Also, I hope you have a nice 4th.

Take care,

Joe
Was this
answer
helpful?
Yes
No
+1
Saturday, July 2nd, 2022 AT 9:08 PM
Tiny
TNEMMO
  • MEMBER
  • 24 POSTS
I will try a couple of things such as running a hose between 1 and 2 leaving 3 plugged as you suggest. Then try running a hose between 1 and 2 with a splitter and hose going to number 3 and see how it runs with each set-up.

I will do my best to try and backtrace the distributor vacuum line back to its original destination. This should be fun. :)

I hope you have a nice 4th as well.
Was this
answer
helpful?
Yes
No
Saturday, July 2nd, 2022 AT 11:41 PM
Tiny
JACOBANDNICKOLAS
  • MECHANIC
  • 110,194 POSTS
Hi,

I understand it can be frustrating. As far as the vacuum advance to the distributor, if they ran it straight to the intake, that won't work. LOL That will provide full advance anytime the engine is running.

Take care and let me know if I can help.

Joe
Was this
answer
helpful?
Yes
No
+1
Sunday, July 3rd, 2022 AT 12:16 AM

Please login or register to post a reply.