Engine will not crank over - Starter not working?

Tiny
DRJ232002
  • MEMBER
  • 4 POSTS
I have checked before. Wiring seems to be OK. I am not sure which of the 4 is the main relay though. It has 3 that are supposed to be radiator fan. There are 3 on one side and one alone in the corner on other side. I know the one alone in the corner is a fan relay. Hit it with the test light and the fan started up. They aren't the bigger square ones, they are the smaller rectangular relays.
Was this
answer
helpful?
Yes
No
Wednesday, December 30th, 2020 AT 5:48 PM (Merged)
Tiny
SATURNTECH9
  • MECHANIC
  • 30,869 POSTS
In the totally integrated power module number 18 40amp is ASD relay contact power feed. Number 23 is 15 amp engine ASD relay feed number 3. Number 26 is 15amp engine ASD relay feed. Number 32 is 30 amp engine ASD control feed 1.
Was this
answer
helpful?
Yes
No
+2
Wednesday, December 30th, 2020 AT 5:48 PM (Merged)
Tiny
DRJ232002
  • MEMBER
  • 4 POSTS
I got a new TIPM for $233.00 and installed it everything is working as it should thanks for your help I love this site.
Was this
answer
helpful?
Yes
No
Wednesday, December 30th, 2020 AT 5:48 PM (Merged)
Tiny
SATURNTECH9
  • MECHANIC
  • 30,869 POSTS
Nice work, we are here to help, please use 2CarPros anytime
Was this
answer
helpful?
Yes
No
-1
Wednesday, December 30th, 2020 AT 5:48 PM (Merged)
Tiny
KEN L
  • MASTER CERTIFIED MECHANIC
  • 55,281 POSTS
Can I ask if the security light is flashing when you try to crank the engine over? If so here is a guide to help reset the system.

https://www.2carpros.com/articles/how-to-reset-a-security-system

If not this guide will help walk us through how to test the starter system

https://www.2carpros.com/articles/starter-not-working-repair

Please run down these guides and report back.
Was this
answer
helpful?
Yes
No
+1
Wednesday, December 30th, 2020 AT 5:48 PM (Merged)
Tiny
NELSONKENN
  • MEMBER
  • 2 POSTS
Thanks for your detailed explanation. From our finds and your suggestion, the starter is okay with the solenoid, but we are thinking about a fault from the starter wiring circuit as u said. So how can you help to resolve this problem
Thanks,
Nelson.
Was this
answer
helpful?
Yes
No
Wednesday, December 30th, 2020 AT 5:48 PM (Merged)
Tiny
KEN L
  • MASTER CERTIFIED MECHANIC
  • 55,281 POSTS
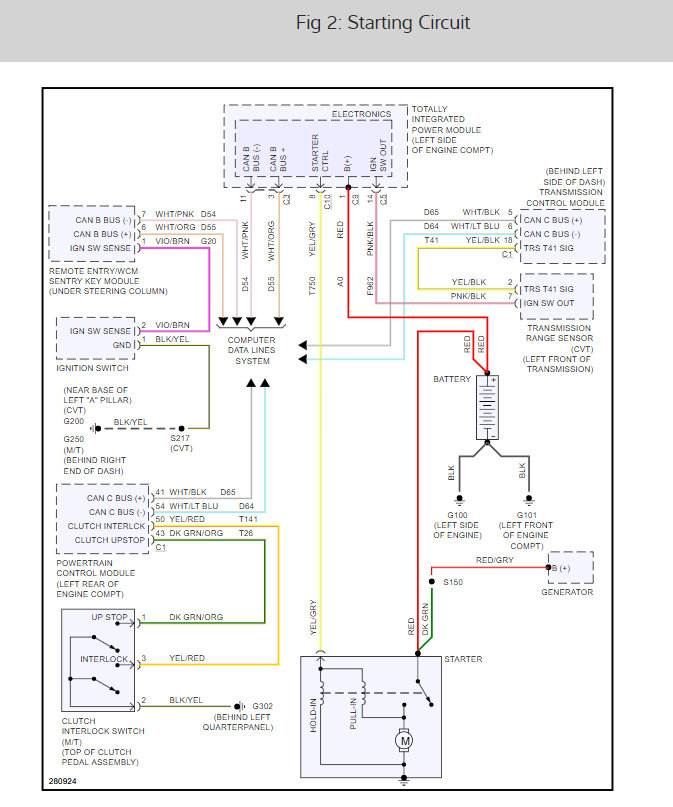
Can I ask if the security light is flashing? If so here is a guide to help fix it. Here is the starting wiring diagrams so you can see how the system works:

https://www.2carpros.com/articles/how-to-reset-a-security-system

Check out the diagrams (below). Please let us know what you find. We are interested to see what it is.
Was this
answer
helpful?
Yes
No
Wednesday, December 30th, 2020 AT 5:48 PM (Merged)
Tiny
NELSONKENN
  • MEMBER
  • 2 POSTS
Have tried it not working. Again if I enter the car try to start the head lamps come on steady. I will turn them on but still no crank no start. Have done reset but still not working pls help.
Was this
answer
helpful?
Yes
No
Wednesday, December 30th, 2020 AT 5:48 PM (Merged)
Tiny
KEN L
  • MASTER CERTIFIED MECHANIC
  • 55,281 POSTS
It sounds like you have a bad starter. To be sure here is a guide to help us be sure to check the starter wiring and to see if it is getting power to confirm the failure:

https://www.2carpros.com/articles/starter-not-working-repair

Please run down this guide and report back.
Was this
answer
helpful?
Yes
No
Wednesday, December 30th, 2020 AT 5:48 PM (Merged)

Please login or register to post a reply.