Idle and check engine light

Tiny
ANNE1971
  • MEMBER
  • 2010 CHEVROLET HHR
  • 2.2L
  • 4 CYL
  • FWD
  • AUTOMATIC
Sitting in my car today while it was running and in park, it began to idle really rough. Almost to the point I thought it was going to cut out. My check engine light came on about 5 minutes later. Not losing any power when driving, that is fine.
Tuesday, February 18th, 2014 AT 4:54 PM

35 Replies

Tiny
CADIEMAN
  • MECHANIC
  • 3,544 POSTS
Hello,

It sounds like you need to do a tune up with fresh spark plugs but to be sure here is a guide to help read the codes and a guide to walk you through the tune up as well.

https://www.2carpros.com/articles/checking-a-service-engine-soon-or-check-engine-light-on-or-flashing

and

https://www.2carpros.com/articles/how-to-tune-up-a-car-engine

Please run down these guides and report back.
Was this
answer
helpful?
Yes
No
+1
Tuesday, February 18th, 2014 AT 7:25 PM
Tiny
PLBULLA
  • MEMBER
  • 1 POST
Had to tune the engine up used all AC Delco parts runs great!
Was this
answer
helpful?
Yes
No
+1
Friday, January 25th, 2019 AT 5:00 PM
Tiny
ANNECOOPER
  • MEMBER
  • 5 POSTS
  • 2010 CHEVROLET HHR
  • 2.4L
  • 4 CYL
  • 2WD
  • AUTOMATIC
  • 65,000 MILES
Ok, I had the codes read when my check engine light came on.
I had been having problems with it running/lagging behind, especially when sitting still.

It idle low and rough and then starting lurching forward like its going to die, I have had to put it in park and give it a little gas for fear it was going to die.
The code read was for a camshaft sensor, I took it in to a guy I know and he pulled the sensor and it was covered in oil, he told me oil should not be getting in this area at all. He cleaned the sensor put it back in and it drove fine for a few days, now back to the problems starting again.
My friend said you have an internal oil leak somewhere, and he hoped it was not from a cracked head or a valve gasket, so where do I go from here? I am still making payments on this damn thing.
Was this
answer
helpful?
Yes
No
+1
Friday, January 25th, 2019 AT 5:01 PM (Merged)
Tiny
HMAC300
  • MECHANIC
  • 48,601 POSTS
What was the code and that may have not been it there are two cam sensors and it may also have a phazer in it. And tha tmay be your problem
Was this
answer
helpful?
Yes
No
-2
Friday, January 25th, 2019 AT 5:01 PM (Merged)
Tiny
ANNECOOPER
  • MEMBER
  • 5 POSTS
The codes were p0011 and p0012
Was this
answer
helpful?
Yes
No
+1
Friday, January 25th, 2019 AT 5:01 PM (Merged)
Tiny
HMAC300
  • MECHANIC
  • 48,601 POSTS
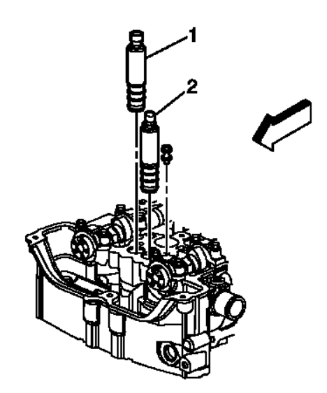
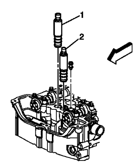
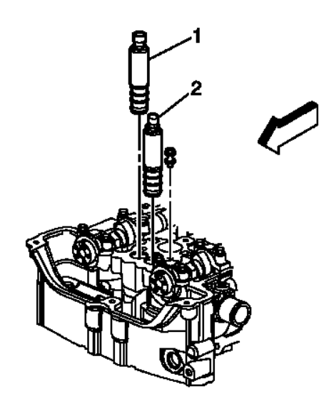
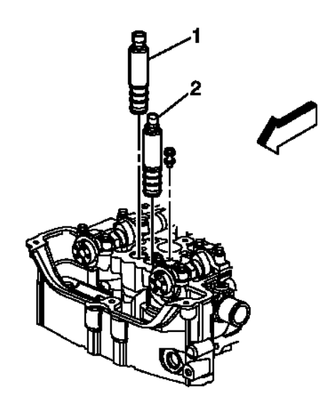
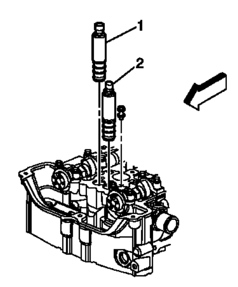
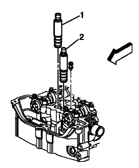
Ok it has to be code p011 and p013 there is no 12. First ws the oil level checked? Low oil and low oil pressure will cause this code to set. These codes are camshaft actuator solenoid not the sensor so it needs to be tested by a pro as they have to have certain resistance in them if not they are bad. The picture shows what the actuators are and a pro should replace these. But check your oil level first as that may be the problem.
Was this
answer
helpful?
Yes
No
+1
Friday, January 25th, 2019 AT 5:01 PM (Merged)
Tiny
ANNECOOPER
  • MEMBER
  • 5 POSTS
Low oil was the problem, my brother had borrowed my car to go out of state and I told him I needed to get the oil changed before he left.
He told me he would get it done for me since I was letting him take my car, well it never got changed and by the time he got back it was 1000 miles past due. It has been over a week since the oil was changed and my check engine light is still going on/off. It has had a rough idle only once since then.
My light is off as of right now, but it has only been one day.
Was this
answer
helpful?
Yes
No
Friday, January 25th, 2019 AT 5:01 PM (Merged)
Tiny
FLYGIRLBREE
  • MEMBER
  • 2 POSTS
  • 2007 CHEVROLET HHR
  • 70,300 MILES
Check Engine light on. Started months ago. It would come on and last for 2 days, then go off more a few weeks, then start to come on more and more often and would turn off for a few days. Now Engine light remains on and has been for four weeks. Will not go off.

When this light is on, it shifts hard, idles rough, eats gas like crazy.
Have tried 91 Oct. Gas even though it says 87 in the manual. Tried tightening the gas cap several time. This car has had its regular maint. It needs to be smogged now and I know it will not pass with the light on.

Help please anyone.
Was this
answer
helpful?
Yes
No
Friday, January 25th, 2019 AT 5:01 PM (Merged)
Tiny
CARADIODOC
  • MECHANIC
  • 34,491 POSTS
The first thing is to have the diagnostic fault codes read. When the Check Engine light turns on in a Chrysler product there WILL be a fault code to indicate the problem. With GM products it is fairly common to not have a code so you don't know what caused the light to turn on. If you do get a code it's important to understand they never say parts are bad or to replace a certain part. They only indicate the circuit or system that needs further diagnosis.

The high fuel consumption is likely related to the fault code(s). The Engine Computer detected a problem is has been trying to tell you about it. Don't keep on ignoring it unless you don't mind buying more gas than necessary.

Higher octane gas is definitely not the solution. That higher octane means the fuel is harder to ignite. That allows engineers to design an engine to produce more power. The fuel does not produce more power on its own.
Was this
answer
helpful?
Yes
No
+1
Friday, January 25th, 2019 AT 5:01 PM (Merged)
Tiny
FLYGIRLBREE
  • MEMBER
  • 2 POSTS
Thank you for the info. I tried the higher octane for three weeks. I am no longer using 91. I have been using 87 for several weeks. I have had it tested for a good which read misfire.
Was this
answer
helpful?
Yes
No
Friday, January 25th, 2019 AT 5:01 PM (Merged)
Tiny
CARADIODOC
  • MECHANIC
  • 34,491 POSTS
Do you mean it had a misfire fault code? '96 and newer models will tell you which cylinder is misfiring by the number of the code. The cause can be as simple as bad spark plugs, and bad spark plug wires on engines that still use them. Less common causes are a bad ignition coil and a plugged or shorted injector. GM also has a lot of injector trouble. They can cause misfires that the Engine Computer will detect but you can't really feel.

Once you know which cylinder is setting the code you can switch parts between that and other cylinders, then see which cylinder sets the next misfire code. Instead, if it's been a long time since the spark plugs were replaced, it's just as easy to start with them. Replace the spark plugs, have the fault codes erased, then drive the car to see if a new code sets. Most cars since the mid '90s can get 100,000 miles on a set of spark plugs, but it is not unreasonable to find them causing a problem at the mileage you listed.
Was this
answer
helpful?
Yes
No
+1
Friday, January 25th, 2019 AT 5:01 PM (Merged)
Tiny
BAKCLEM
  • MEMBER
  • 1 POST
  • 2006 CHEVROLET HHR
  • 100,000 MILES
My wife and I were riding and we stopped at a stoplight. A rough idle started as we were stopped at the light. The check engine light came on. I took it to Autozone and had codes ran on it. The codes came back misfire and muti misfire. Our car has 100,000 miles on it. Everyone I asked said replace the plugs. I took the car to Pepboys and had the plugs replaced. They said that they reset the system after replacing the plugs. The check engine light was still on and the check tire light was on now. As we pulled out of the lot we noticed that the transmission was shifting very hard. I called back and talked to the service manager and he said that it would take a couple of days for the system to reset itself. After 3 days the check engine light was still on as well as the check tire light. The hard shifting was still there but not as bad. My wife was very worried so I took the battery cble off to see if it would make the lights go out. Well after I did that ; the lights are still on and after we rode about five miles the ruff idle is back. Can you please give me some clue to what is going on?
Was this
answer
helpful?
Yes
No
Friday, January 25th, 2019 AT 5:01 PM (Merged)
Tiny
HMAC300
  • MECHANIC
  • 48,601 POSTS
What service manager? From auto zone? Have your fuel pressure checked first low fp causes misfires. Put air in tire that monitor says is low. Then drive it and see how trans reacts. Poor running engines effect transmissions.
Was this
answer
helpful?
Yes
No
-2
Friday, January 25th, 2019 AT 5:01 PM (Merged)
Tiny
KIMCRISTILLO1
  • MEMBER
  • 1 POST
  • 2007 CHEVROLET HHR
  • 4 CYL
  • 2WD
  • AUTOMATIC
  • 80,000 MILES
My check engine light came on. Its a steady light. And also when I start the car, iit takes 2-3 times to turn it over. Can u tell me whats wrong and if I can continue to drive it until I get it fixed
Was this
answer
helpful?
Yes
No
Friday, January 25th, 2019 AT 5:01 PM (Merged)
Tiny
HMAC300
  • MECHANIC
  • 48,601 POSTS
Yes you can drive with the service engine light on, but your fuel mileage will be for crap. Most auto parts stores can scan to get the code to see what is wrong.
Was this
answer
helpful?
Yes
No
+1
Friday, January 25th, 2019 AT 5:01 PM (Merged)
Tiny
BRADAMS05
  • MEMBER
  • 1 POST
  • 2006 CHEVROLET HHR
  • 4 CYL
  • FWD
  • AUTOMATIC
  • 85,000 MILES
Evaporative Emissions System - Large leak detected
I have already replaced the gas cap with a factory replacment
Was this
answer
helpful?
Yes
No
+1
Friday, January 25th, 2019 AT 5:01 PM (Merged)
Tiny
SATURNTECH9
  • MECHANIC
  • 30,869 POSTS
To diagnose that problem your going to need a smoke/nitrogen cart possibly a ultra sonic leak detector and a tech2 with the correct software to start. Also the knowledge to use all that stuff your best bet would be to take it in somewhere those tool's are very expensive. Otherwise there is no way of telling if you have a leak somewhere or a bad sensor wiring etc.
Was this
answer
helpful?
Yes
No
Friday, January 25th, 2019 AT 5:01 PM (Merged)
Tiny
SATURNTECH9
  • MECHANIC
  • 30,869 POSTS
Depending on which engine you have I have seen some canister purge solenoid's stuck open all the time causing that code. The one on the driver's side facing the engine right by the valve cover. It should be closed with the key off and engine cold. If you can blow thru it with the hose's off it it's stuck open.
Was this
answer
helpful?
Yes
No
-1
Friday, January 25th, 2019 AT 5:01 PM (Merged)
Tiny
2CP-ARCHIVES
  • MEMBER
  • 4,540 POSTS
  • 2009 CHEVROLET HHR
  • 67,000 MILES
Had check engine light come on code was 0013 and 0010 for camshaft sensor. Replaced it and cleared the code engine light went off but on second start light came back on and it is reading same to codes why?
Was this
answer
helpful?
Yes
No
-1
Friday, January 25th, 2019 AT 5:01 PM (Merged)
Tiny
HMAC300
  • MECHANIC
  • 48,601 POSTS
That codes I not cam sensor it is cam shaft actuator solenoid. For intake and exaust. A pro shold check these out as it cold be a short in wires or actuators. I'm sending a pic of what they are
Was this
answer
helpful?
Yes
No
+1
Friday, January 25th, 2019 AT 5:01 PM (Merged)

Please login or register to post a reply.