Engine wont crank over

Tiny
GUSCLUES
  • MEMBER
  • 2010 CHEVROLET CAMARO
  • 6.2L
  • V8
  • RWD
  • AUTOMATIC
  • 110,000 MILES
Car had jumper cables install on the wrong side, make a spark. Now wont crank. All fuses ok. Got a code uo100 no ecm communication. Fuse # 5 ( ecm fuse ) has no voltage to any side.I dont have diagrams. . Wonder if you have any diagrams to troubleshot this code. Thank you.
Thursday, August 6th, 2015 AT 6:09 AM

37 Replies

Tiny
RIVERMIKERAT
  • MECHANIC
  • 6,110 POSTS
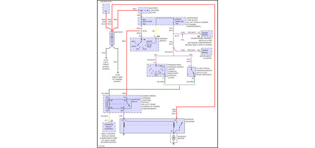
Here's what I've got that shows the power circuit for the ECM. Check the fuse also. I think the battery may have been fried, too.
Was this
answer
helpful?
Yes
No
Monday, August 10th, 2015 AT 7:57 AM
Tiny
GUSCLUES
  • MEMBER
  • 2 POSTS
Thanks. Good pic. But I can see anything. Even if I download file.
Was this
answer
helpful?
Yes
No
Monday, August 10th, 2015 AT 1:10 PM
Tiny
RIVERMIKERAT
  • MECHANIC
  • 6,110 POSTS
You need to click on it to make it larger

This guide will help you change it out.

https://www.2carpros.com/articles/how-to-replace-a-starter-motor

Please run down this guide and report back.
Was this
answer
helpful?
Yes
No
Monday, August 10th, 2015 AT 1:31 PM
Tiny
AMBER FRUGE
  • MEMBER
  • 12 POSTS
  • 2001 CHEVROLET CAMARO
  • V6
  • MANUAL
  • 120,000 MILES
Recently replaced the clutch. Drove it home one day and has not started since. Put a new battery, new. Switch, new starter, checked the fuses, the battery terminals, and alternator they were good. Still wont do anything more than click and lights come on.
Was this
answer
helpful?
Yes
No
Tuesday, April 7th, 2020 AT 11:51 AM (Merged)
Tiny
AL514
  • MECHANIC
  • 5,595 POSTS
There are two wires on the starter. One has power all the time from the battery, the other is from the ignition switch. Check both for power. One power all the time, and one with power when cranking the engine over. Let us know the results.
Was this
answer
helpful?
Yes
No
+1
Tuesday, April 7th, 2020 AT 11:51 AM (Merged)
Tiny
AMBER FRUGE
  • MEMBER
  • 12 POSTS
Tried that yesterday, when we turn the ignition starter loses all power. Got the starter tested at auto parts store it came back good. Put a new switch still nothing. Tried bypassing vats nothing.
Was this
answer
helpful?
Yes
No
Tuesday, April 7th, 2020 AT 11:51 AM (Merged)
Tiny
AL514
  • MECHANIC
  • 5,595 POSTS
What do you mean it loses power? You are losing power on the wire from the battery? Or just do not have power on the ignition switch wire?
Was this
answer
helpful?
Yes
No
Tuesday, April 7th, 2020 AT 11:51 AM (Merged)
Tiny
AMBER FRUGE
  • MEMBER
  • 12 POSTS
The starter loses all power. We just finished rechecking all the fuses, tried to reset this system with this guide worked great.

https://www.2carpros.com/articles/how-to-reset-a-security-system

Was this
answer
helpful?
Yes
No
Tuesday, April 7th, 2020 AT 11:51 AM (Merged)
Tiny
AL514
  • MECHANIC
  • 5,595 POSTS
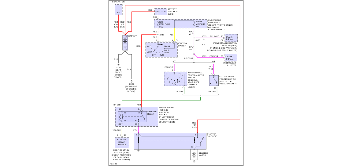
Here is a wiring diagram of the starter circuits. Does this car have a starter solenoid separate from the starter itself? Or is it built into the starter? Sorry didn't see you reponce.
Was this
answer
helpful?
Yes
No
+2
Tuesday, April 7th, 2020 AT 11:51 AM (Merged)
Tiny
AL514
  • MECHANIC
  • 5,595 POSTS
Nice work, we are here to help, please use 2CarPros anytime.
Was this
answer
helpful?
Yes
No
Tuesday, April 7th, 2020 AT 11:51 AM (Merged)
Tiny
EIKERMANN94
  • MEMBER
  • 1 POST
  • 2002 CHEVROLET CAMARO
  • 3.8L
  • V6
  • RWD
  • AUTOMATIC
  • 115,000 MILES
Alright, so here's the deal. Before I left for basic training in October I drove the car daily, minor problems like oil pressure that's it. I came back home around Christmas and the car started up fine, put it in drive and about 4 feet down the driveway the car started smoking out the engine, stopped the car popped the hood let it cool down and it started leaking engine coolant, replaced the water pump, still leaking. Then had to leave for my schooling a week after I got home just threw a car cover on top of it and waited till I got home, got back home in May, took off my water pump and found the leak was coming from the plastic coolant elbows, notorious for cracking, replaced them good to go, then needed a new battery for my car, got that installed and now the car wont crank. So now I don't know what to do. The starter, alternator, battery, and the ground are all fine, I have a strong feeling it has to do with the aftermarket security system in the car that was already in it when I purchased the vehicle, cause the security light sometimes stays on the dash and sometimes doesn't, I don't know if the new battery restarted the security system or what but it won't let me start. Please let me know if anyone has heard of this issue or has a solution thanks a lot!
Was this
answer
helpful?
Yes
No
Tuesday, April 7th, 2020 AT 11:51 AM (Merged)
Tiny
HMAC300
  • MECHANIC
  • 48,601 POSTS
Reset the security system anytime you disconnect a battery you have ot reset it even factory units. Look on line on how to do it as it's a n aftermarket one long as you know what kind it is. If not call a place that installs them
Was this
answer
helpful?
Yes
No
Tuesday, April 7th, 2020 AT 11:51 AM (Merged)
Tiny
AL514
  • MECHANIC
  • 5,595 POSTS
Or I guess my question is, is there only one wire going to the starter?
Was this
answer
helpful?
Yes
No
Tuesday, April 7th, 2020 AT 11:51 AM (Merged)
Tiny
AL514
  • MECHANIC
  • 5,595 POSTS
If it is just clicking more than likely it is a bad starter solenoid.
Was this
answer
helpful?
Yes
No
Tuesday, April 7th, 2020 AT 11:51 AM (Merged)
Tiny
AMBER FRUGE
  • MEMBER
  • 12 POSTS
Had the starter teated it came back good.
Was this
answer
helpful?
Yes
No
Tuesday, April 7th, 2020 AT 11:51 AM (Merged)
Tiny
CJ MEDEVAC
  • MECHANIC
  • 11,005 POSTS
Different Feller,

I have sort of been following along.

This kind of works better if you answer questions, even a "I do not know", might aid in getting help with a what to check or test.

We do try to help!

The Medic
Was this
answer
helpful?
Yes
No
Tuesday, April 7th, 2020 AT 11:51 AM (Merged)
Tiny
AL514
  • MECHANIC
  • 5,595 POSTS
Test with a multimeter at the starter and see if you are getting a full twelve volts down there. And if the car has been sitting now for while, the battery is getting weak.
Was this
answer
helpful?
Yes
No
+2
Tuesday, April 7th, 2020 AT 11:51 AM (Merged)
Tiny
AMBER FRUGE
  • MEMBER
  • 12 POSTS
Okay. First thing we did was buy a new starter, did not work. Then we bought a new battery. Still did not work. So we tested the solenoid, it is good. Load tested the battery, its good. Tested the starter, it turned over.
Was this
answer
helpful?
Yes
No
Tuesday, April 7th, 2020 AT 11:51 AM (Merged)
Tiny
JJAX50
  • MEMBER
  • 1 POST
  • 2001 CHEVROLET CAMARO
  • 78,000 MILES
I have a 2001 Camaro V6-3800 3.8L that I purchased used with 70000 miles odometer. The car was in good shape and ran well for 8000 miles. I started having starter problems and the local shop tested the starter. They said it looked new but tested bad and replaced it. The starter still had issues so they replaced the ignition switch. As it is now they don't know what is wrong, but it still doesn't work right. The car starts fine many times, but then will not start. During the times it is not starting the key is turned and nothing happens. After the key is tried over and over the starter sometimes makes an intermittent grinding noise and the car starts. The key has a chip in it and I only got one when I bought the car so I haven't been able to try another key.
Was this
answer
helpful?
Yes
No
Tuesday, April 7th, 2020 AT 11:51 AM (Merged)
Tiny
BMRFIXIT
  • MECHANIC
  • 19,053 POSTS
Next time it fail to start
check if security light on and or blinking and if so
its the security system at fault
you can look up on youtube as they have many ways to bypass the system
Was this
answer
helpful?
Yes
No
-2
Tuesday, April 7th, 2020 AT 11:51 AM (Merged)

Please login or register to post a reply.