Sunday, December 19th, 2010 AT 7:35 PM
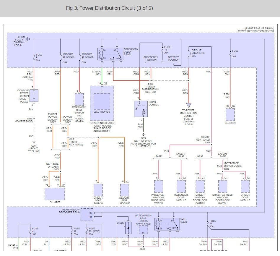
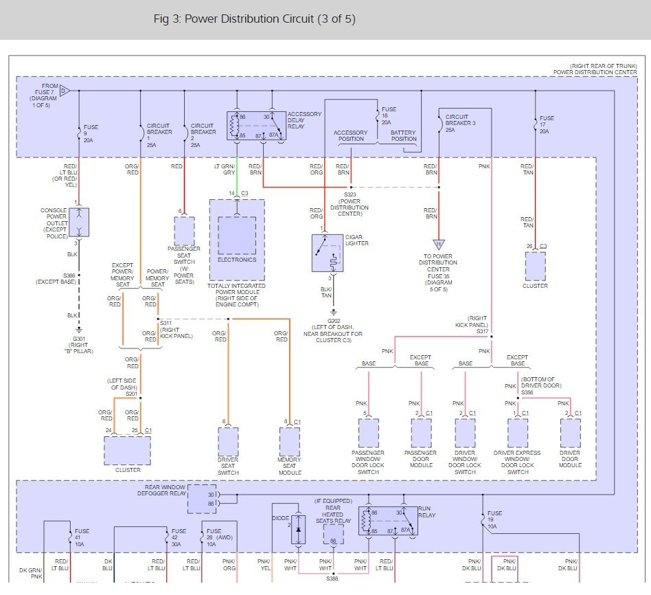
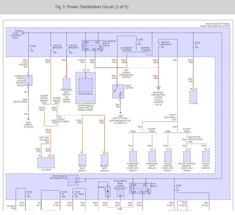
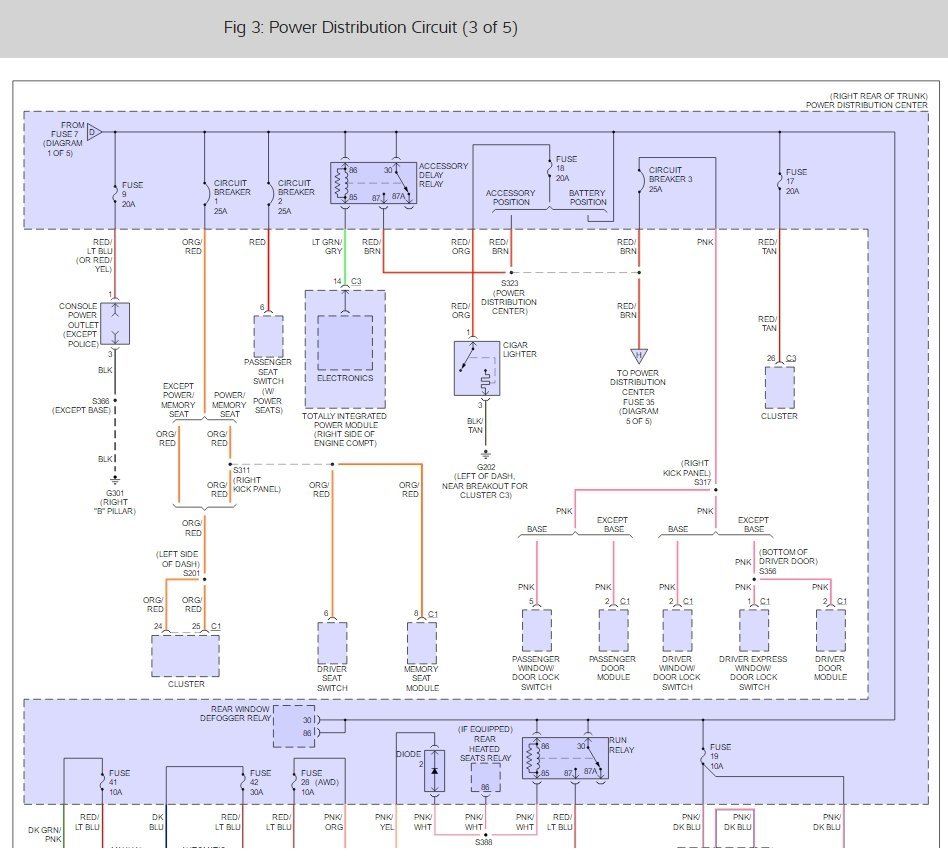
I have a 2009 dodge charger, the problem is, when I put my key in nothing happens. The car wont start. The instrument panel don't work either. I get nothing. But I can lock, and unlock the doors, and even pop the trunk from the key. I don't think its a fuse, last night I got stuck at the store. I didn't know what to do so I just turned the key on and off, over and over again and after about 50 flips of the switch, it started. When I got home it wouldn't start. But i'm having all fuses checked now.




