Headlights not working - low beams?

Tiny
SIRJR
  • MEMBER
  • 2008 CHEVROLET TRAILBLAZER
  • 53,000 MILES
In the Spring, while I was driving the vehicle, the headlights (both) cut out. The next day they worked fine. Since that time, this has happened about two additional times. Yesterday, the headlights have stopped working. This is the base SS model with the dashboard headlamp control settings of: OFF, AUTOMATIC DRL/AHS, PARKING LAMPS, HEADLAMPS. The low beam headlamps do not work in any of the settings. All the other lights work on the vehicle including the high beams and fog/driving lights.
Help! Please direct me on how I go about resolving this problem. Thank you.
Friday, September 27th, 2013 AT 6:27 PM

30 Replies

Tiny
SATURNTECH9
  • MECHANIC
  • 30,869 POSTS
The headlights are controlled by the BCM which is sounds like it is going out but to be sure lets do a CAN scan which is the future of automotive repair you can get a CAN scanner from Amazon for about $50.00 here is a video to show you how.

https://youtu.be/InIlnsjOVFA

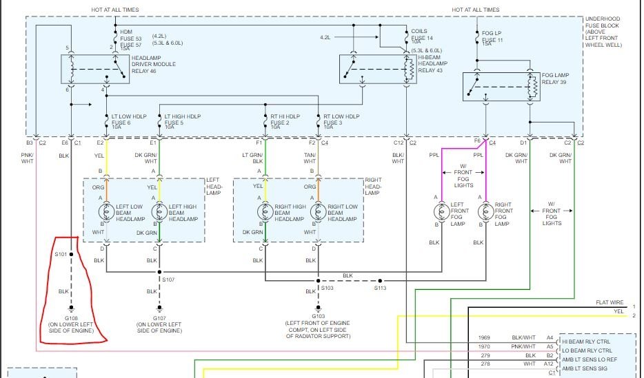
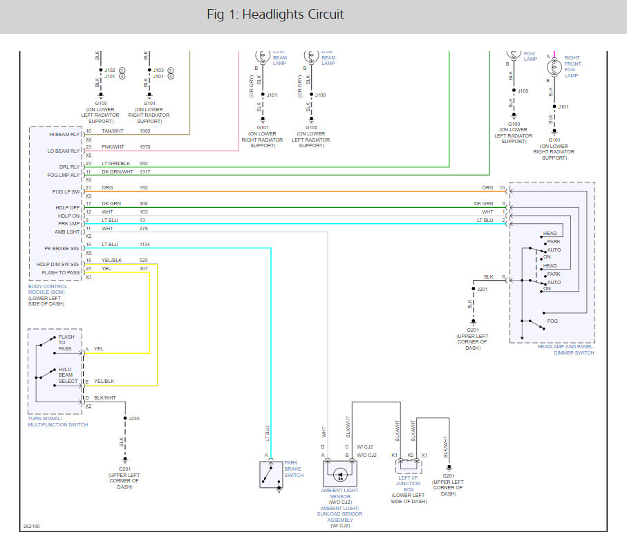
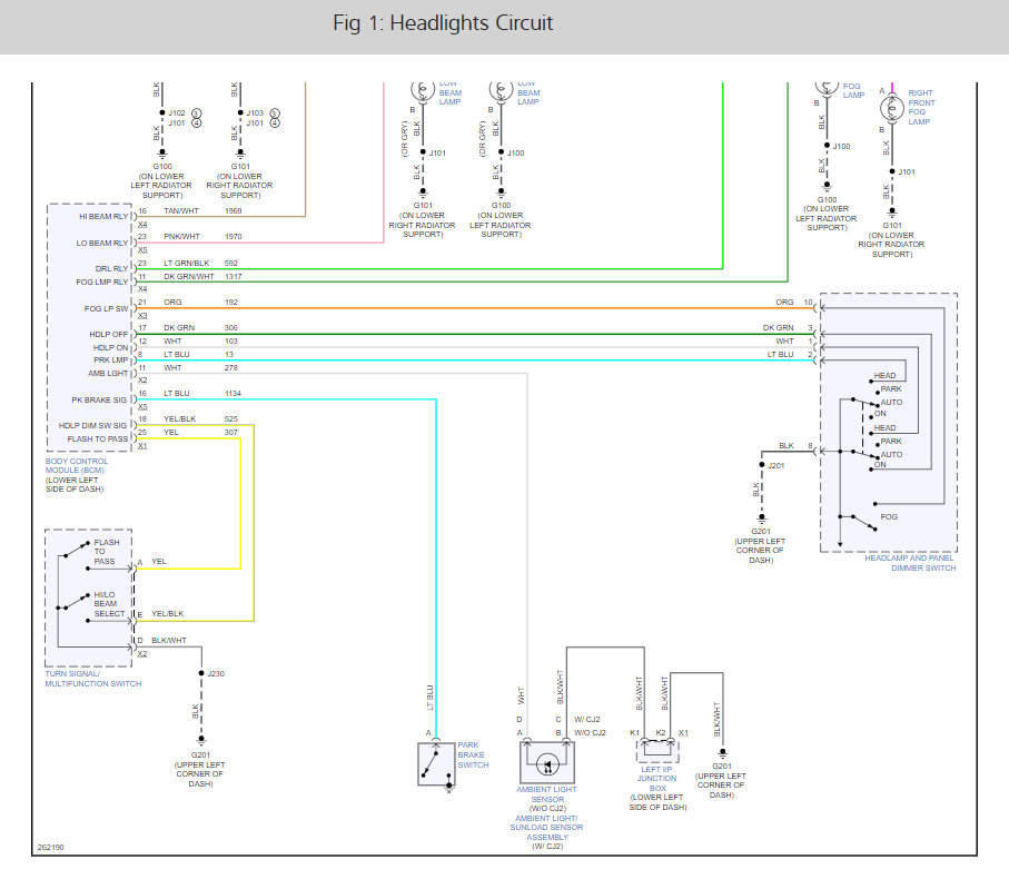
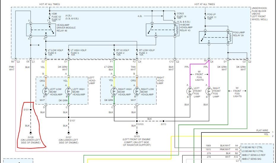
Also here is a guide to help check the wiring with the headlight wiring diagrams below so you can see how the system works.

https://www.2carpros.com/articles/how-to-use-a-test-light-circuit-tester

Also let me know all the exact code numbers you have not code descriptions. Check out the diagrams (Below). Let us know what happens and please upload pictures or videos of the problem.
Was this
answer
helpful?
Yes
No
-2
Friday, September 27th, 2013 AT 6:49 PM
Tiny
SIRJR
  • MEMBER
  • 86 POSTS
I have a multi-meter. I also have a Actron AutoScanner. Although it is not a professional model, it is a scanner and code reader. I will scan/read the vehicle today to see if any codes are listed. There are no indicators that have illuminated on the dash.
Thanks for the response.
Was this
answer
helpful?
Yes
No
Saturday, September 28th, 2013 AT 6:46 AM
Tiny
SATURNTECH9
  • MECHANIC
  • 30,869 POSTS
Your scanner will only read engine codes and some of the transmission codes. You need a scan tool that can reqd the body control and all the other computer's in your vechile. Unfornately the newer the vechile the more computers you have. They have codes for everything on the newer cars turn signals etc. That's why I say get a professional scan tool to scan all the computers in your car. Also sometimes it takes those scan tools to diagnose the problem even. Make sure you get the exact code numbers. Makes it more difficult to diagnose also.
Was this
answer
helpful?
Yes
No
Saturday, September 28th, 2013 AT 7:29 AM
Tiny
SIRJR
  • MEMBER
  • 86 POSTS
My unit is a Actron CP9145. It did not show any issues.

By a professional scan, am I able to get this done at a auto parts store or do I have to go to a mechanic/dealer?
Was this
answer
helpful?
Yes
No
Saturday, September 28th, 2013 AT 8:50 AM
Tiny
SATURNTECH9
  • MECHANIC
  • 30,869 POSTS
Your scan tool can only read engine and transmissioncodes also the same with the auto parts store.A ddealer or shop would have the real expensive scan tool that can read all the different computers codes. Let's start with the multi meter and see share it leads. Let's start by turning on the low beams and see what were missing at the low beam bulb connector power or ground?
Was this
answer
helpful?
Yes
No
-1
Saturday, September 28th, 2013 AT 1:15 PM
Tiny
SIRJR
  • MEMBER
  • 86 POSTS
Another bit of strange information for you. I was told by a neighbor to take out the relay and put it back in regarding a possible contact issue. In the engine compartment, I removed the cover from the fuse/relay box. The schematic on the underside of the cover stated the relay for the low beam lights & wipers should be in position #37; however, there was no relay in that slot. The windshield wipers work fine. Does this make any sense to you?

As soon as I can do the diagnostics on the low beams I will get back to you. We're supposed to get a lot of rain shortly, so I do not know when I can start.

Thank you.
Was this
answer
helpful?
Yes
No
Saturday, September 28th, 2013 AT 2:06 PM
Tiny
SATURNTECH9
  • MECHANIC
  • 30,869 POSTS
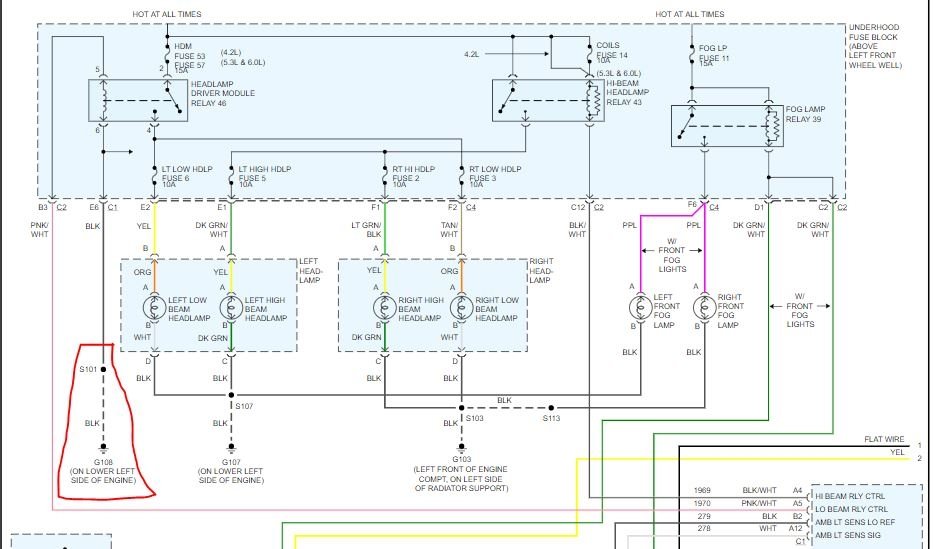
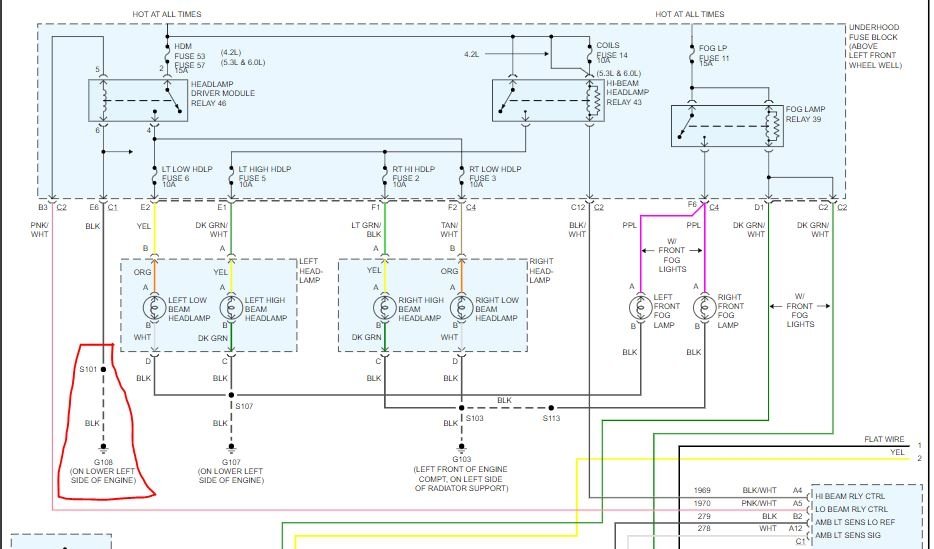
Relay number 46 labeled HDM RELAY also fuse number 6 and fuse number 3 feeds power to the low beam bulbs. This is all in the under hood fuse box.
Was this
answer
helpful?
Yes
No
+2
Saturday, September 28th, 2013 AT 3:48 PM
Tiny
SATURNTECH9
  • MECHANIC
  • 30,869 POSTS
Also fuse number 57 feeds power to the the bcm relay.
Was this
answer
helpful?
Yes
No
+1
Saturday, September 28th, 2013 AT 3:49 PM
Tiny
SIRJR
  • MEMBER
  • 86 POSTS
Thank you for the additional information. What does "bcm" stand for?

Update: In order to access the bulbs and connections, by removing the headlight housing, the grill has to be removed. I was able to remove all this and put the headlight housings back on the vehicle before dark. I did not have any time to do testing. When I did a head light check, now the high beams do not work either except in the flash mode. They did work prior to the removal and re installation of the headlight housings. Does this give you any additional clues?
Was this
answer
helpful?
Yes
No
Saturday, September 28th, 2013 AT 4:43 PM
Tiny
SATURNTECH9
  • MECHANIC
  • 30,869 POSTS
Sorry about the bcm that was a mistake I ment to say hdm relay feed for the number 57 fuse. Also what don't you have to the bulbs power or ground?You may have a loose connection if the high beams don't work now that you moved the wires around.
Was this
answer
helpful?
Yes
No
Saturday, September 28th, 2013 AT 4:53 PM
Tiny
SIRJR
  • MEMBER
  • 86 POSTS
Replaced relay # 46 HDM.

Problem solved.
Was this
answer
helpful?
Yes
No
+2
Thursday, October 3rd, 2013 AT 7:50 PM
Tiny
SATURNTECH9
  • MECHANIC
  • 30,869 POSTS
Glad to hear you got it fixed that's what we like to. Hear
Was this
answer
helpful?
Yes
No
Thursday, October 3rd, 2013 AT 8:36 PM
Tiny
TYLER CLARK
  • MEMBER
  • 6 POSTS
  • 2007 CHEVROLET TRAILBLAZER
  • 4.2L
  • 6 CYL
  • 4WD
  • AUTOMATIC
  • 165,000 MILES
My low beams are intermittently working. I have replaced the HDM relays and every applicable fuse related to the low beams. Nothing has resolved the issue. I am unsure if they is a ground issue or something else. If anyone has had to go past the fuse and relay solution, please let me know.

Thank you,

Tyler
Was this
answer
helpful?
Yes
No
Thursday, January 7th, 2021 AT 12:11 PM (Merged)
Tiny
JACOBANDNICKOLAS
  • MECHANIC
  • 110,182 POSTS
Hi,

It won't be a ground issue because the low and high beam have a common ground. Since the high works, the low should too.

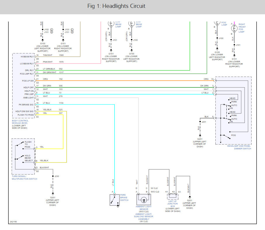
I attached a pic below of the headlamp schematic. Check all of the fuses I indicated as well as relay 46.

Here are a few links you may find helpful:

https://www.2carpros.com/articles/how-to-check-a-car-fuse

https://www.2carpros.com/articles/how-to-check-an-electrical-relay-and-wiring-control-circuit

https://www.2carpros.com/articles/how-to-check-wiring

Let me know what you find.
'
Joe
Was this
answer
helpful?
Yes
No
Thursday, January 7th, 2021 AT 12:11 PM (Merged)
Tiny
TYLER CLARK
  • MEMBER
  • 6 POSTS
All of the fuses and relays are good. I am stumped.
Was this
answer
helpful?
Yes
No
Thursday, January 7th, 2021 AT 12:11 PM (Merged)
Tiny
JACOBANDNICKOLAS
  • MECHANIC
  • 110,182 POSTS
Have you checked if there is power to the socket?
Was this
answer
helpful?
Yes
No
Thursday, January 7th, 2021 AT 12:11 PM (Merged)
Tiny
TYLER CLARK
  • MEMBER
  • 6 POSTS
Yes, do you think the headlight control in the dash or the dimmer/cruise control switch could be an issue?
Was this
answer
helpful?
Yes
No
Thursday, January 7th, 2021 AT 12:11 PM (Merged)
Tiny
JACOBANDNICKOLAS
  • MECHANIC
  • 110,182 POSTS
Do you mean there is power to the light socket? If not, there is one other thing I need you to check. The lamps are grounded at the same point. However, when looking at the wiring schematic, I'm questioning the HDM relay ground. Take a look at the schematic below and if possible, check the ground for the relay and the splice.

Let me know what you find.

Joe
Was this
answer
helpful?
Yes
No
Thursday, January 7th, 2021 AT 12:11 PM (Merged)
Tiny
ESTRELLA7491
  • MEMBER
  • 1 POST
  • 2007 CHEVROLET TRAILBLAZER
  • 4.2L
  • 6 CYL
  • 4WD
  • AUTOMATIC
  • 133,000 MILES
Hello I have a 07 chevy trailblazer with the 4.2L inline six 4wd. I have a problem with the low beam (Both Low Beams) going off at the same time and stay off for 2 secs or longer
Was this
answer
helpful?
Yes
No
Thursday, January 7th, 2021 AT 12:11 PM (Merged)
Tiny
HMAC300
  • MECHANIC
  • 48,601 POSTS
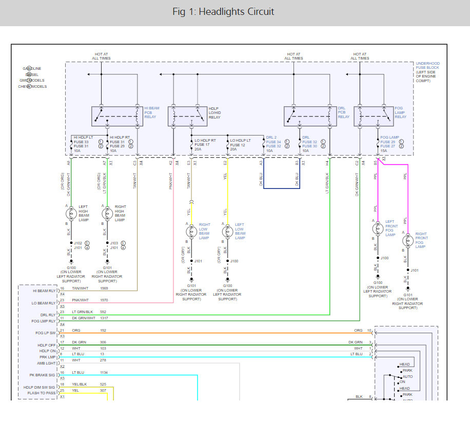
Check item in pic for a bad relay or corrosion on it use dielectric compound on the prongs. If not that then have it scanned for a body module problem. Check out the diagrams (Below). Please let us know if you need anything else to get the problem fixed.
Was this
answer
helpful?
Yes
No
Thursday, January 7th, 2021 AT 12:11 PM (Merged)

Please login or register to post a reply.