Engine wiring diagrams please?

Tiny
TIMOTHY J RADA
  • MEMBER
  • 21 POSTS
One more question. Could you give me a game plan for removing the 3 spark plugs under the intake manifold? You are the man!
Was this
answer
helpful?
Yes
No
Monday, January 4th, 2021 AT 9:05 AM (Merged)
Tiny
TIMOTHY J RADA
  • MEMBER
  • 21 POSTS
  • 1989 TOYOTA CAMRY
  • 2.5L
  • V6
  • 2WD
  • AUTOMATIC
  • 130,000 MILES
The last hurdle I have to overcome is the two plugs going into the back of the fuse box. One is orange in color the other one is black with four Spades coming out on one side and 2 on the other both plugs separated 2G and to 2J are in question. If I can understand plugs G and J the orientation of the wires and the color I could figure it out they both have spaces for 6 wires going into the plug itself. There's only five in each I believe that two wires are missing and that's the problem why won't it wont run. I believe one wire might be the am-2 red and white wire coming from the fusible link. Any information would greatly be appreciated. Thank you and have a good night.
Was this
answer
helpful?
Yes
No
Monday, January 4th, 2021 AT 9:05 AM (Merged)
Tiny
TIMOTHY J RADA
  • MEMBER
  • 21 POSTS
One more thing I have not tried to turn the car on yet but there's two switches they go from the EGR valve tubing to the block and it's almost like a brass plug with two outlets for small breather tube. I guess can the car run with those not functioning properly the problem is one's almost $100.00 and the other was about $75.00. I can't really afford it right now. I don't know if those switches has to function properly for the car to run. Thank you and that will be it for now.
Was this
answer
helpful?
Yes
No
Monday, January 4th, 2021 AT 9:05 AM (Merged)
Tiny
SCGRANTURISMO
  • MECHANIC
  • 4,897 POSTS
Hello,

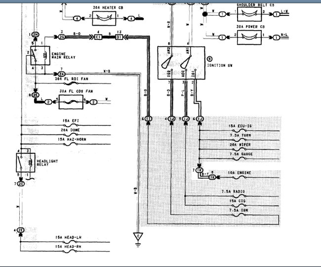
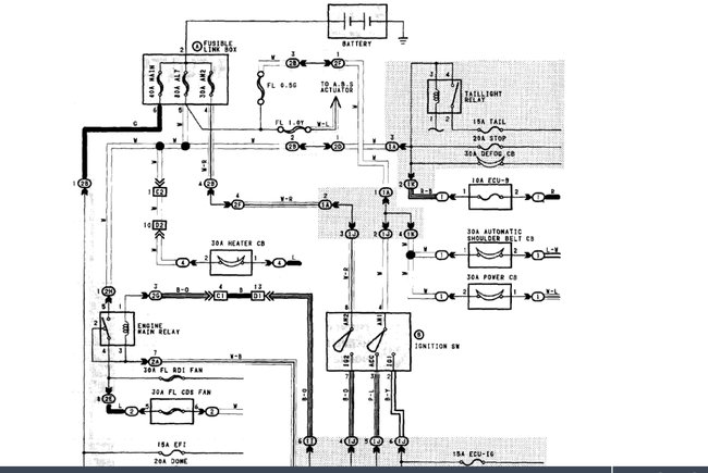
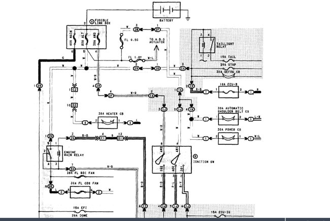
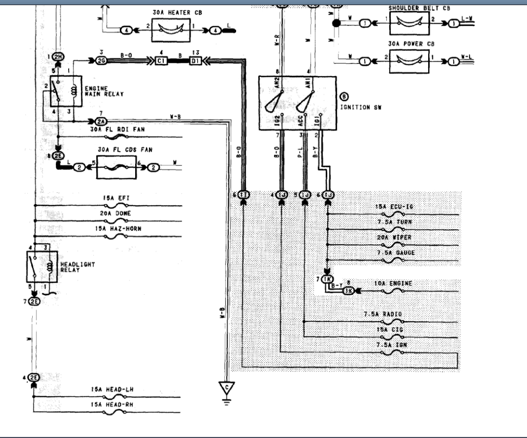
I have included the Junction Box 2[J/B 2] wiring diagram, and a diagram of the layout of the J/B with callout, as well as a diagrams of your vehicle's electrical connectors and a power distribution wiring diagram for your vehicle as well. I hope that this helps, and please get back to us with how everything turns out.

Thanks,
Alex
2CarPros
Was this
answer
helpful?
Yes
No
Monday, January 4th, 2021 AT 9:05 AM (Merged)
Tiny
TIMOTHY J RADA
  • MEMBER
  • 21 POSTS
I forgot about the last question what is the meaning of life?
Was this
answer
helpful?
Yes
No
Monday, January 4th, 2021 AT 9:05 AM (Merged)
Tiny
KEN L
  • MASTER CERTIFIED MECHANIC
  • 55,411 POSTS
To live! :) We only handle one question per thread so please start new question for the out of subject problems.
Was this
answer
helpful?
Yes
No
+1
Monday, January 4th, 2021 AT 9:05 AM (Merged)
Tiny
TIMOTHY J RADA
  • MEMBER
  • 21 POSTS
Okay, I have a red wire coming from underneath the alternator on a 2.5 V6 and I believe that it's connected in series to maybe two other sensors. I'm wondering if it was ran across the top of the engine to the fuse box and they put the wire into a air condition relay. I was wondering where that particular wire it's supposed to go to. I believe that it comes from the crankshaft positioning sensor the other wire is black and it's grounded to both the frame and the engine. Thank you so much for your help.
Was this
answer
helpful?
Yes
No
Monday, January 4th, 2021 AT 9:05 AM (Merged)
Tiny
KEN L
  • MASTER CERTIFIED MECHANIC
  • 55,411 POSTS
Can you take a picture of what you are talking about? Also check the fusible links near the battery.
Was this
answer
helpful?
Yes
No
+1
Monday, January 4th, 2021 AT 9:05 AM (Merged)
Tiny
TIMOTHY J RADA
  • MEMBER
  • 21 POSTS
Can I get a picture of the plugs that go into the back of the fuse box? They're different colors and different sized. I need to see the wires that go into that including the fuse box with the relays.
Was this
answer
helpful?
Yes
No
Monday, January 4th, 2021 AT 9:05 AM (Merged)
Tiny
SCGRANTURISMO
  • MECHANIC
  • 4,897 POSTS
Hello again,

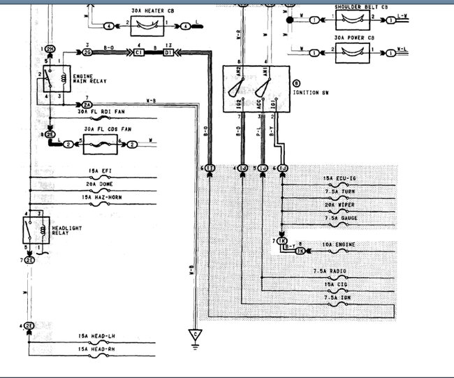
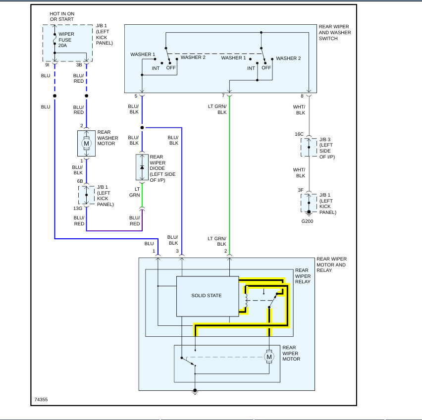
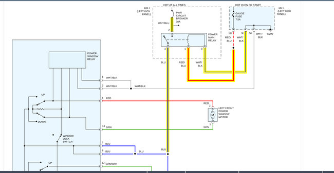
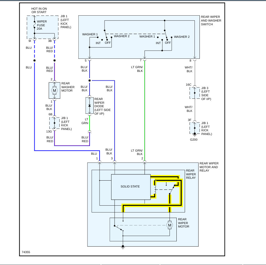
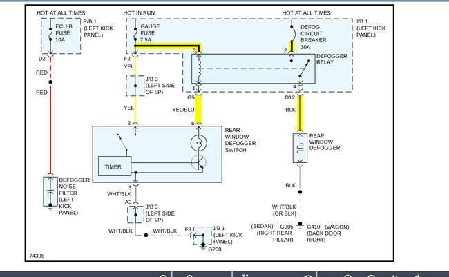
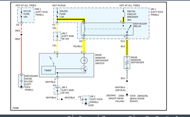
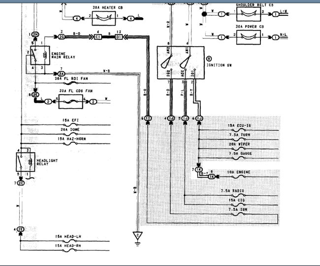
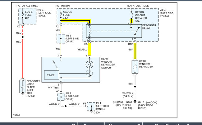
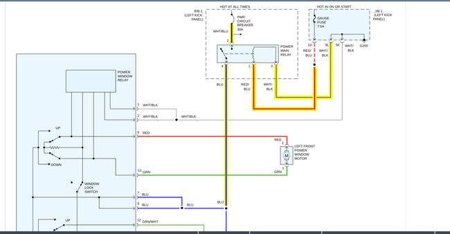
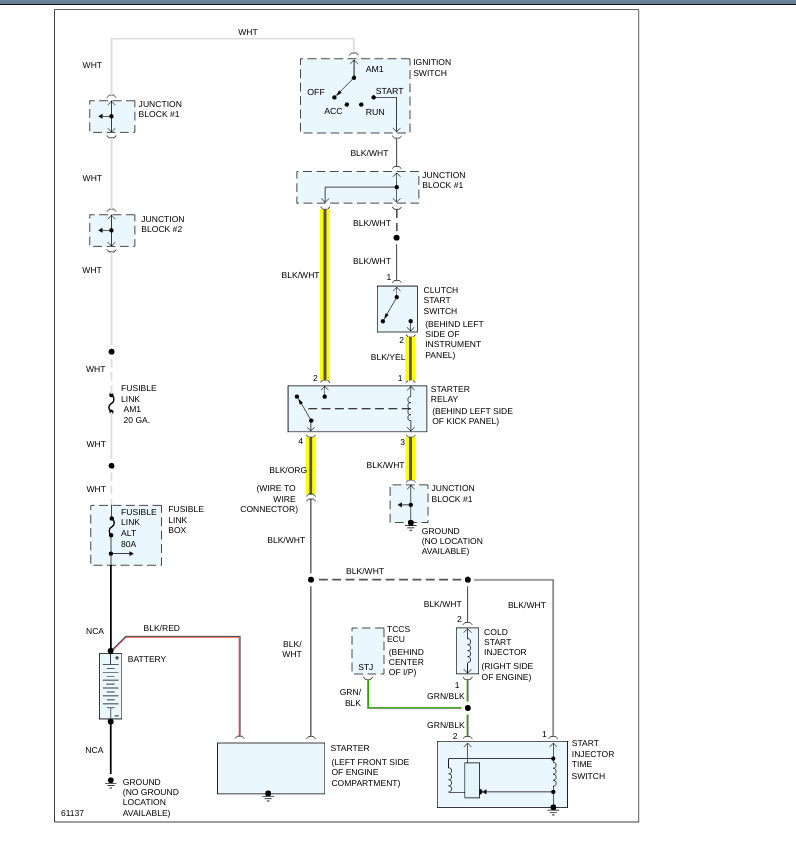
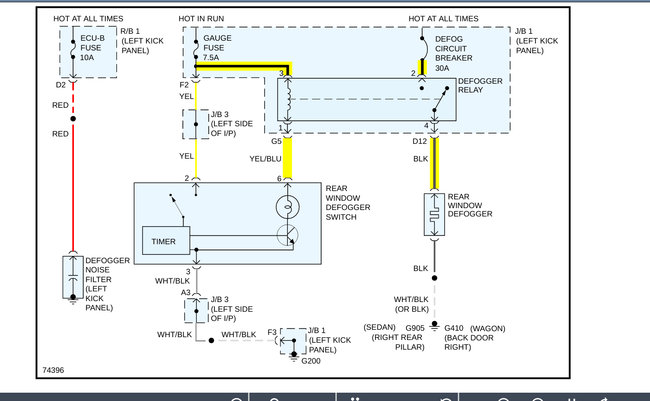
Okay, in the diagrams down below I have included all the wiring diagrams for your vehicle that include a relay and I have highlighted all of the wires that go to the relay. If you look at the wiring diagram there will be a box around the relay and on the side of the box it will tell you what the relay is and it's location on the vehicle. I have also included a diagram of a typical 4 pin automotive relay with where the wires will be coming from for your reference, as well. Please go through these guides and get back to us with how everything turns out. I hope that this helps.

Thanks,
Alex
2CarPros
Was this
answer
helpful?
Yes
No
+1
Monday, January 4th, 2021 AT 9:05 AM (Merged)
Tiny
JTEMPLE58
  • MEMBER
  • 2 POSTS
  • 1993 TOYOTA CAMRY
  • 4 CYL
  • FWD
  • AUTOMATIC
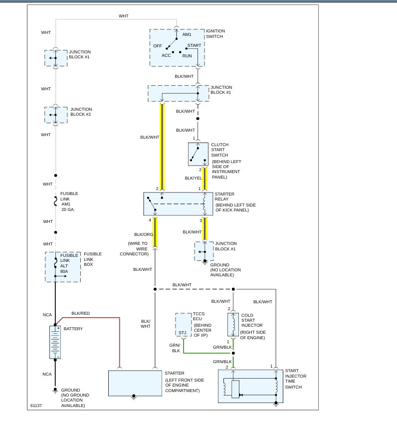
Have a 1993 toyota camry 4cyl and the problem is only 7.1v to the fuel pump connector and therefore the fuel pump isn't working. Need a fuel pump wiring schematic to figure out next step. I have verified all fuses are good and volts are good, replaced plugs, wire, dist cap, rotor, ignition coil (which is inside dist), fuel filter, and even the circuit opening relay (which is above the glove box) and still not getting enough juice to the pump. Any ideas?
Was this
answer
helpful?
Yes
No
Wednesday, January 27th, 2021 AT 10:30 AM (Merged)
Tiny
RASMATAZ
  • MECHANIC
  • 75,992 POSTS
Hello,

Here is a guide to help you test the wiring of the fuel pump and relay below the fuel pump relay is the EFI relay.

https://www.2carpros.com/articles/how-to-check-an-electrical-relay-and-wiring-control-circuit

and

https://www.2carpros.com/articles/how-to-check-wiring

Check out the diagrams (Below). Please run this test and get back to us.
Was this
answer
helpful?
Yes
No
Wednesday, January 27th, 2021 AT 10:30 AM (Merged)
Tiny
JTEMPLE58
  • MEMBER
  • 2 POSTS
Thanks the relay was bad. I love this site.
Was this
answer
helpful?
Yes
No
Wednesday, January 27th, 2021 AT 10:30 AM (Merged)
Tiny
RASMATAZ
  • MECHANIC
  • 75,992 POSTS
Good to hear, please use 2CarPros anytime we are here to help.
Was this
answer
helpful?
Yes
No
-1
Wednesday, January 27th, 2021 AT 10:30 AM (Merged)

Please login or register to post a reply.