Blower fan not working?

Tiny
ERIC VISSER
  • MEMBER
  • 2007 SATURN ION
  • 60,000 MILES
It seems like the fan doesn't have any power to it. Is there a fuse to check or relay or is it the switch. I would't think so because the rear defrost light still comes on maybe not not really a car guy
Wednesday, December 28th, 2011 AT 10:47 PM

23 Replies

Tiny
RASMATAZ
  • MECHANIC
  • 75,992 POSTS
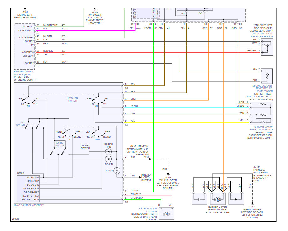
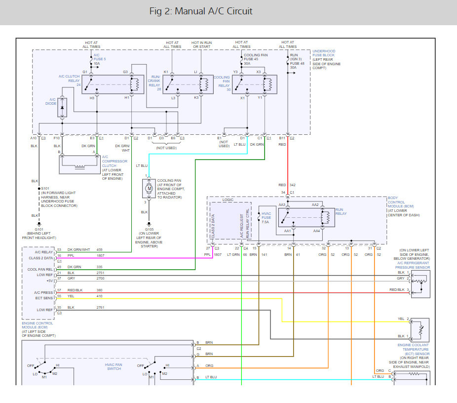
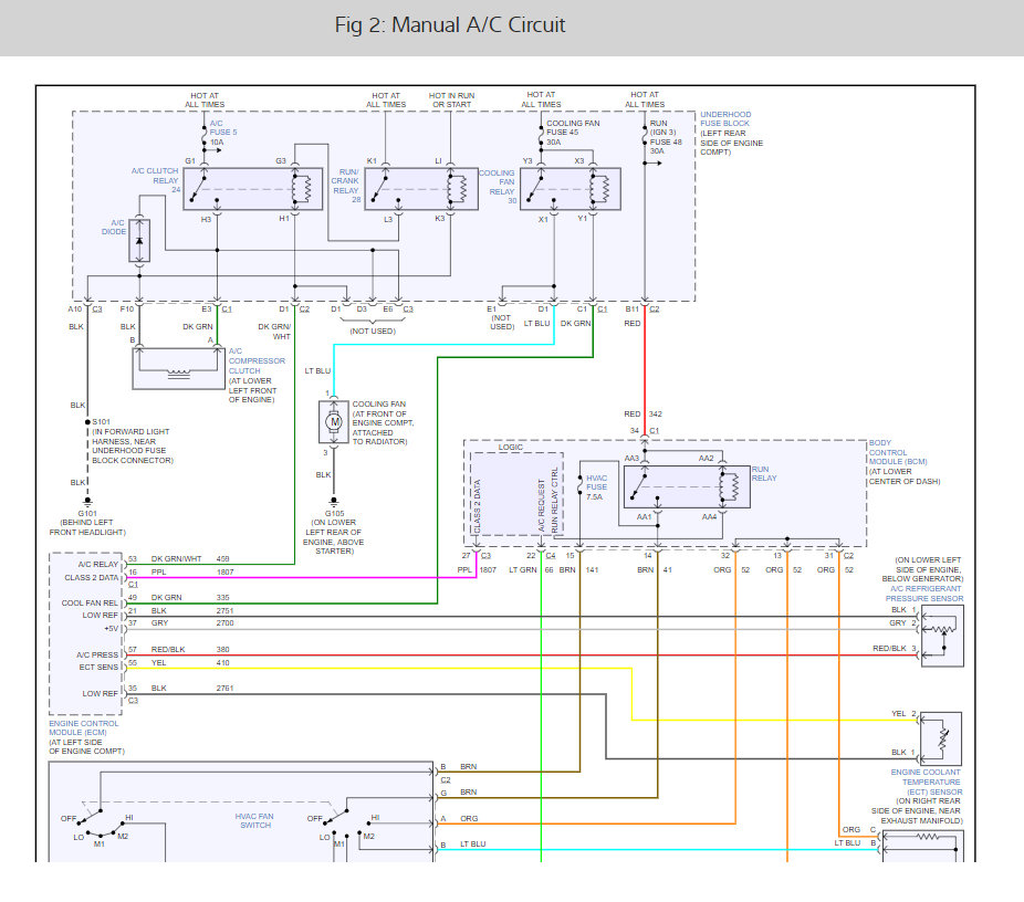
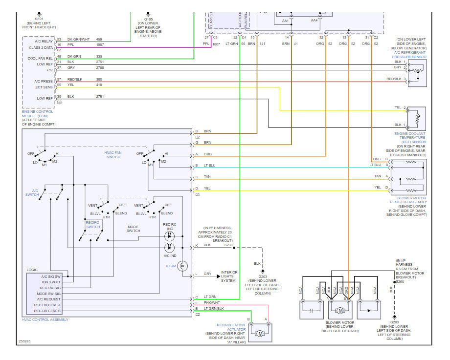
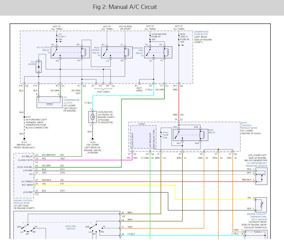
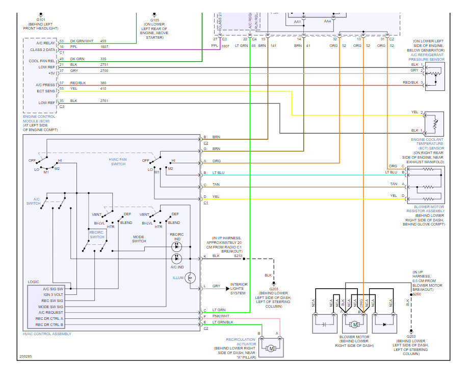
It sound sliek the blower motor is out but to be sure these guides will help us fix it. plus I have added the blower motor wiring so you can see how the system works below.

https://www.2carpros.com/articles/blower-fan-motor-works-on-high-speed-only

and

https://www.2carpros.com/articles/how-to-use-a-test-light-circuit-tester

Check out the diagrams (Below). Please let us know what you find.

Was this
answer
helpful?
Yes
No
+1
Wednesday, December 28th, 2011 AT 10:53 PM
Tiny
SATURNTECH9
  • MECHANIC
  • 30,869 POSTS
Just to add to this one do you have a multimeter to do some testing? If so I can help you here is the location and how to change out the blower motor. Check out the diagrams (Below). Please let us know what happens.
Was this
answer
helpful?
Yes
No
+4
Thursday, December 29th, 2011 AT 12:40 AM
Tiny
JACOBSORENSEN
  • MEMBER
  • 1 POST
Most likely the transister chip, especially if it works in one speed but not the other.

1) If it doesnt work at all use a test light (much cheaper and easier to use than a multimeter) just clip the ground to a bare bolt under the dash

2) take the connector out of the transistor chip (this is behind the cylinder hanging down under the passanger side dash and looks like a long oval)

3) after you have the test light grounded on a bolt, put the metal spike to touch one of the 4 slots within the connector

4) slowly turn the fan control from 1, 2, 3, 4.

5) If the test light doesn't light up at all try a different ground site and repeat step 4

6) after you get the tester to light up move to the next slot over and repeat step 4 with all speed setting on the fan control. This is to ensure that the switch is not the piece of equipment at fault. The connector you are dealing with is set up that the connectors you are testing are sequential (from 1 to 4) going from one side of the connector to the other so obviously you may start from the other side and get it to test 4, 3, 2, 1.

7) if you get the tester to light up from each of the four slots from the different speed settings then you know the control switch is fine, reconnect to the transistor chip.

8) pull the 2-prong connector from the blower motor that is the cylindrical plastic piece that was in your way when looking at the transistor chip. If this shows signs of melting your transistor chip might have burned up the motor which then burned up the "pig tail" connector

9) if the connector into the blower motor looks fine take it out and put the light tester against one of the two prongs (most likely there is a black and white wire feeding into this connector, touch it to the prong aligned with the white wire as this is the hot wire)

10) run through a similar test (speed settings 1-4) with the tester touching the "hot" prong in the connector if the light tester lights up on every setting when connected to the "hot" prong that is to lead into the blower motor then your blower motor is bad. If it doesnt light up at all then likely your transistor chip is bad. The transistor chip is about $20-$35 and the blower motor is about $60.

The tansistor chip pulls out pretty easy to replace yourself (it just snaps out of and back into the dash) while if you want to avoid mechanic charges should you have to replace the blower motor then you are in for a task. For what ever reason Saturn/GM decided that the Ions dont need an easily removable blower motor. To fix this you will have to cut into the blower motor casing (that's right I typed CUT) under the passanger side dash between the two circle ribs at the bottom of this casing and are around two small golden bolts sticking out of the very bottom. After you make this cut (being careful not to cut too deep) then remove the aforementioned gold bolts and the blower motor should be visable then. Remove the remaining bolts holding the original fan in and then take the fan you bought at an auto shop and the use the self-sinking screws that line up to little circular spots around the whole you cut (they should line up perfectly with the replacement motor mount) and reconnect everything. If all is right you have a working HVAC blower motor
Was this
answer
helpful?
Yes
No
+3
Saturday, January 26th, 2013 AT 1:21 AM
Tiny
WALKERJE
  • MEMBER
  • 1 POST
  • 2007 SATURN ION
  • 85,000 MILES
Replace blower motor and resistor. No power to blower motor. Is there a relay or fuse?
Was this
answer
helpful?
Yes
No
+1
Wednesday, December 2nd, 2020 AT 9:24 AM (Merged)
Tiny
KEN L
  • MASTER CERTIFIED MECHANIC
  • 54,247 POSTS
Hello,

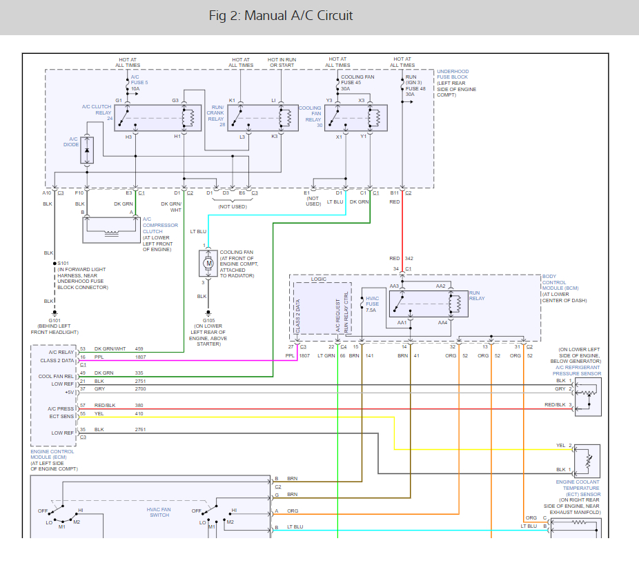
You need to check fuse # 48, HVAC fuse, and the run relay. Here are two guides to help you check the fuse and relay and the fuse and relay locations below along with the blower motor wiring diagrams so you can see how the system works:

https://www.2carpros.com/articles/how-to-check-a-car-fuse

and

https://www.2carpros.com/articles/how-to-check-an-electrical-relay-and-wiring-control-circuit

Check out the diagrams (below). Please let us know what you find. We are interested to see what it is.

Cheers, Ken

Was this
answer
helpful?
Yes
No
+2
Wednesday, December 2nd, 2020 AT 9:24 AM (Merged)
Tiny
STANAND300
  • MEMBER
  • 6 POSTS
  • 2007 SATURN ION
  • 2.2L
  • 6 CYL
  • FWD
  • AUTOMATIC
  • 55,000 MILES
The fan on my air conditioner/heater is not working on any speed. I would like to solve the problem and if there is more than one cause of the trouble. How to I test each possible part?
Was this
answer
helpful?
Yes
No
Wednesday, December 2nd, 2020 AT 9:24 AM (Merged)
Tiny
JOHNNY G.JR
  • MECHANIC
  • 320 POSTS
Check the fuse first, more than likely it the variable resister in heater box is fried.
Was this
answer
helpful?
Yes
No
Wednesday, December 2nd, 2020 AT 9:24 AM (Merged)
Tiny
SATURNTECH9
  • MECHANIC
  • 30,869 POSTS
Most of the cars high runs around the resistor it needs full battery voltage. Those blower do go bad sometimes you can check the fuse. Do you have a multi-meter to do some testing?
Was this
answer
helpful?
Yes
No
+1
Wednesday, December 2nd, 2020 AT 9:24 AM (Merged)
Tiny
STANAND300
  • MEMBER
  • 6 POSTS
Is that a Volt meter? If so I do !
Was this
answer
helpful?
Yes
No
+1
Wednesday, December 2nd, 2020 AT 9:24 AM (Merged)
Tiny
SATURNTECH9
  • MECHANIC
  • 30,869 POSTS
Yes, unplug the blower fan and put the fan on high and measure the voltage across two terminals of the connector?
Was this
answer
helpful?
Yes
No
+1
Wednesday, December 2nd, 2020 AT 9:24 AM (Merged)
Tiny
STANAND300
  • MEMBER
  • 6 POSTS
Where do I find the terminals?
As you can tell I am not a season professional. Do I have to take the dashboard a part?
Was this
answer
helpful?
Yes
No
Wednesday, December 2nd, 2020 AT 9:24 AM (Merged)
Tiny
ARTHOUGHTON
  • MEMBER
  • 2 POSTS
  • 2007 SATURN ION
  • 20,000 MILES
This car was built with no A/C. The blower motor just stopped working, I checked the fuses but there is not one for the blower motor unless it has a different name. I have not checked the resisted yet and was hoping for some advice before I pull the glove box apart. The blower was working just fine when I stopped at the store then nothing.
Was this
answer
helpful?
Yes
No
Wednesday, December 2nd, 2020 AT 9:24 AM (Merged)
Tiny
SATURNTECH9
  • MECHANIC
  • 30,869 POSTS
Under the passenger side of the dash you will find the blower motor. Unplug and check the connector. I posted a picture of it
Was this
answer
helpful?
Yes
No
Wednesday, December 2nd, 2020 AT 9:24 AM (Merged)
Tiny
SATURNTECH9
  • MECHANIC
  • 30,869 POSTS
The blower motor is controlled and circuit protected through the body control module. Do you have a multi-meter to do some testing?
Was this
answer
helpful?
Yes
No
Wednesday, December 2nd, 2020 AT 9:24 AM (Merged)
Tiny
STANAND300
  • MEMBER
  • 6 POSTS
So whatever the voltage that will tell if the resistor is fried?
Was this
answer
helpful?
Yes
No
Wednesday, December 2nd, 2020 AT 9:24 AM (Merged)
Tiny
ARTHOUGHTON
  • MEMBER
  • 2 POSTS
I checked the connector with a twelve volt tester. I got nothing so I am going to try replacing that first.
Was this
answer
helpful?
Yes
No
Wednesday, December 2nd, 2020 AT 9:24 AM (Merged)
Tiny
RIVERMIKERAT
  • MECHANIC
  • 6,110 POSTS
No voltage usually means the resistor is fried. Low voltage could mean a bad switch or the resistor is running too high of a resistance.
Was this
answer
helpful?
Yes
No
+1
Wednesday, December 2nd, 2020 AT 9:24 AM (Merged)
Tiny
SATURNTECH9
  • MECHANIC
  • 30,869 POSTS
Your going to try replacing the body control module first?I wouldn't do that I just had a 2007 where the blower motor didn't work at all. The blower motor switch had melted.I unplugged the switch and you could see it was all melted. Plus I had power to the switch with the key in the run position. So you should check that first the switch isn't sold separately it's part of the vent control unit I bought a uses one on ebay for that car now the blower motor works great on that car.
Was this
answer
helpful?
Yes
No
Wednesday, December 2nd, 2020 AT 9:24 AM (Merged)
Tiny
STANAND300
  • MEMBER
  • 6 POSTS
Thank you.
Was this
answer
helpful?
Yes
No
Wednesday, December 2nd, 2020 AT 9:24 AM (Merged)
Tiny
SATURNTECH9
  • MECHANIC
  • 30,869 POSTS
It was a 2007 saturn ion I worked on with that same issue.
Was this
answer
helpful?
Yes
No
Wednesday, December 2nd, 2020 AT 9:24 AM (Merged)

Please login or register to post a reply.