Replace the heater core?

Tiny
JANESADLER
  • MEMBER
  • 2007 PONTIAC GRAND PRIX
Do you have to remove the dashboard to replace the heater core
Saturday, November 10th, 2012 AT 8:06 PM

13 Replies

Tiny
ASEMASTER6371
  • MECHANIC
  • 52,796 POSTS
According to the instructions the dash does not have to be removed, please check the diagrams below to help you do the job. You will need to vacuum down the AC system and drain the coolant while disconnecting the battery before you begin. Remove all dash mounting bolts and screws this will allow you to get at the heater core housing. Check out the diagrams (Below). Please let us know if you need anything else to get the problem fixed.
Was this
answer
helpful?
Yes
No
+1
Friday, November 17th, 2017 AT 2:09 PM
Tiny
MANIACBILLY
  • MEMBER
  • 5 POSTS
  • 2006 PONTIAC GRAND PRIX
  • 61,200 MILES
I started to notice a leak coming from under my car and also with a weird smell coming from my heater, and I also notice liquid on my passenger side floor mat. So I asked my dad and he told me that my heater core is leaking. He told me to bypass the heater core. How do you bypass the heater core
Was this
answer
helpful?
Yes
No
Tuesday, December 22nd, 2020 AT 8:27 AM (Merged)
Tiny
JDL
  • MECHANIC
  • 16,098 POSTS
You take the supply line loose from heater core, route the hose to the return line fitting on the engine block. It might be easier to take both lines loose from heater core, use a hose splice and a couple of hose clamps, splice the two hoses together. Your local autostore should have a splice fitting. Make sure hose clamps are tight on the fitting and check your coolant level.
Was this
answer
helpful?
Yes
No
Tuesday, December 22nd, 2020 AT 8:27 AM (Merged)
Tiny
MANIACBILLY
  • MEMBER
  • 5 POSTS
Are you talking about taking the hoses that go from the water pump to the firewall connection off and the splice those together?
Was this
answer
helpful?
Yes
No
Tuesday, December 22nd, 2020 AT 8:27 AM (Merged)
Tiny
JDL
  • MECHANIC
  • 16,098 POSTS
Your heater core should have two hoses, yes, take them loose from heater core, splice them together. If one hose is long enough, you can take one loose from heater core, route it back to the engine fitting for the other hose. Whatever is easiest for you. On some makes and models, the hose may not be exactly the same size, but, should be close enough, make sure the hose clamp is tight enough. Check for coolant leaks with engine running.
Was this
answer
helpful?
Yes
No
Tuesday, December 22nd, 2020 AT 8:27 AM (Merged)
Tiny
REDNECK0819
  • MEMBER
  • 8 POSTS
  • 2005 PONTIAC GRAND PRIX
  • 3.1L
  • 6 CYL
  • 2WD
  • AUTOMATIC
  • 131,000 MILES
How do I replace the heater core?
Was this
answer
helpful?
Yes
No
Tuesday, December 22nd, 2020 AT 8:27 AM (Merged)
Tiny
ASEMASTER6371
  • MECHANIC
  • 52,796 POSTS
Good morning,

I attached a YouTube video of the replacement for you. It is a 2 part series for the replacement since it requires removal of the dashboard to access the heater case itself.

https://www.2carpros.com/articles/replace-heater-core

https://www.2carpros.com/articles/coolant-flush-and-refill-all-cars

Roy

https://www.youtube.com/watch?v=6kf6dgqcJV8

https://www.youtube.com/watch?v=x4tDI_v_vsI
Was this
answer
helpful?
Yes
No
Tuesday, December 22nd, 2020 AT 8:27 AM (Merged)
Tiny
BOSSDODJ
  • MEMBER
  • 1 POST
  • 2002 PONTIAC GRAND PRIX
2002 Pontiac Grand Prix 6 cyl Two Wheel Drive

how do I replace the heater core in 2002 grand prix and unhook the passenger side air bag
Was this
answer
helpful?
Yes
No
Tuesday, December 22nd, 2020 AT 8:28 AM (Merged)
Tiny
AIMLADY
  • MEMBER
  • 2 POSTS
Yeah, this is a good question. I have the same problem. I have the $40.00 heater core part in hand, but cannot find anyone to do the extensive labor without charging an arm and a leg or being afraid to disconnect all the electrical and air bags in order to take out the entire dash board to get the heater core. Someone please help us! Thank you!
Was this
answer
helpful?
Yes
No
+3
Tuesday, December 22nd, 2020 AT 8:28 AM (Merged)
Tiny
BABYEYES85
  • MEMBER
  • 1 POST
  • 2001 PONTIAC GRAND PRIX
GT 6 cyl Front Wheel Drive Automatic - My heater core is bad in my 2001 Pontiac Grand AM GT.I have another one to replace it with. But everyone is telling me that it is REALLY HARD to change. I dont have the money to put it is the shop so I was going to let my brother do it. How hard is it to change it? I love this site
Was this
answer
helpful?
Yes
No
Wednesday, January 6th, 2021 AT 12:24 PM (Merged)
Tiny
KEN L
  • MASTER CERTIFIED MECHANIC
  • 55,266 POSTS
It's not too bad to do in this car here is a guide and some diagrams so you can get the job done. This guide will give you an idea of what you are in for when doing the job.

https://www.2carpros.com/articles/replace-heater-core

You will need to vacuum down and recharge the air conditioner system

https://www.2carpros.com/articles/re-charge-an-air-conditioner-system

Here are step by step diagrams (below)

Please let us know if you need anything else to get the problem fixed.

Cheers, Ken
Was this
answer
helpful?
Yes
No
Wednesday, January 6th, 2021 AT 12:24 PM (Merged)
Tiny
RACERMARK1978
  • MEMBER
  • 1 POST
  • 2000 PONTIAC GRAND PRIX
  • 6 CYL
  • 2WD
  • AUTOMATIC
  • 110,000 MILES
Would welcome detailed advice on how to replace heater core in above car which has 3.8 motor. I am a good home mechanic
thank you
Was this
answer
helpful?
Yes
No
Wednesday, January 6th, 2021 AT 12:24 PM (Merged)
Tiny
BLUELIGHTNIN6
  • MECHANIC
  • 16,542 POSTS
1. Disconnect the negative battery cable.
2. Remove the cosmetic/acoustic engine cover, as equipped.
3. Remove the air cleaner and duct assembly.
4. Drain the engine coolant into a suitable container.
5. On the 3.4L (VIN X) engine, remove the throttle body and the throttle body tube to which it mounts.
6. Disconnect both heater hoses from the heater core. On some vehicles, accessing the firewall side heater hoses can be a challenge due to limited working space. In addition, some vehicles equipped with the 3.1L engine may have quick-connect fittings on the hose, requiring special tool J 38723 Heater Line Quick Connect Separator, or equivalent.
7. Remove the lower center console, if equipped. Additional information may be found in the Control Panel service instructions, found in this section.
8. Remove both left and right underdash sound insulator panels.
9. Disconnect the lower heater duct.
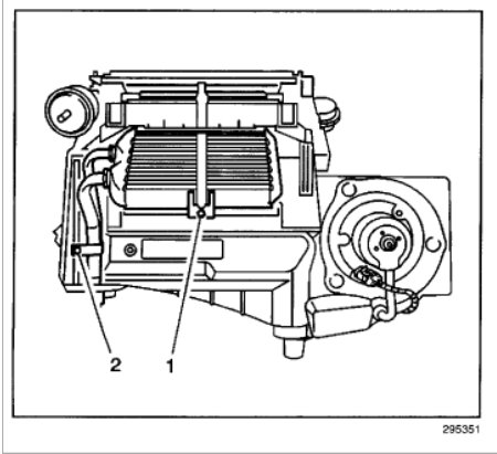
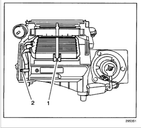
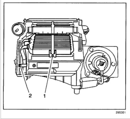
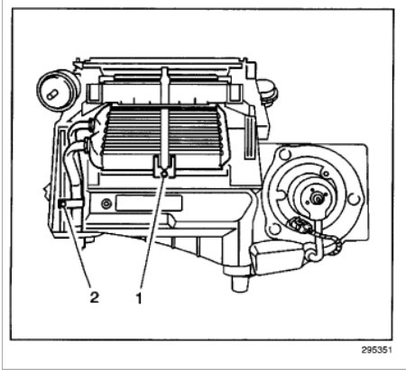
10. Remove the heater core cover. The sealer usually should be discarded and replaced with new sealer. Evaluate the condition of the existing sealer and the availability of new sealer.
11. Locate and remove the heater core mounting clip and bracket and remove the heater core from the vehicle. Use care as it will likely have coolant inside and could drip onto the rugs or seats.
12. Installation is the reverse of the removal process. After refilling the cooling system, bleed out the air and check for leaks as outlined in of this guide.
13. Connect the negative battery cable.
Was this
answer
helpful?
Yes
No
+4
Wednesday, January 6th, 2021 AT 12:24 PM (Merged)

Please login or register to post a reply.