Need to make my front interior lights work

Tiny
ANONYMOUS
  • MEMBER
  • 2007 MAZDA 5
  • 65,000 MILES
Need to make my front interior lights work when the door opens
Wednesday, December 26th, 2012 AT 11:51 PM

1 Reply

Tiny
JACOBANDNICKOLAS
  • MECHANIC
  • 110,192 POSTS
Hi,

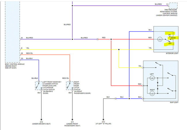
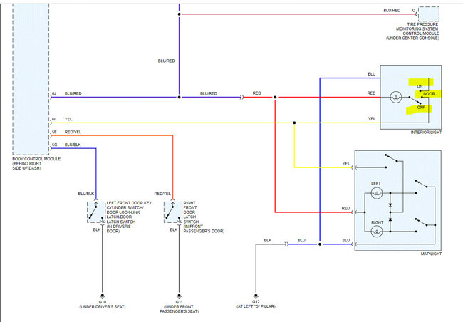
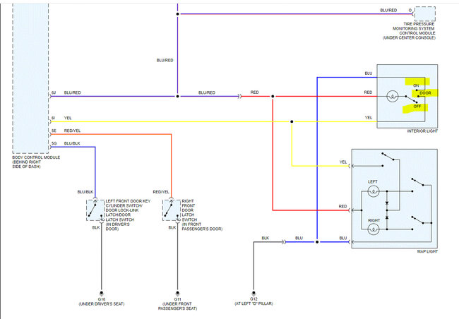
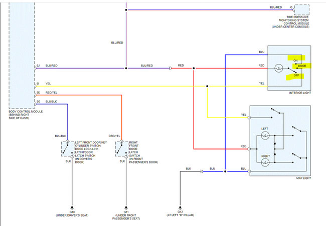
I attached two pics from the interior wiring schematic. First, I highlighted the fuse which powers the interior lights. Confirm it's good. In addition to checking the fuse, make sure there is power to it.

Here is a link you may find helpful:

https://www.2carpros.com/articles/how-to-check-a-car-fuse

Next, and don't laugh, make sure the switch on the light itself is turned on to the "door" setting. If it isn't, try that.

If that is good, we need to confirm there is power to the red wire at the light assembly. It should have 12v.

Here is a link you may find helpful with checking wiring:

https://www.2carpros.com/articles/how-to-check-wiring

Start with this and let me know what you find.

Take care,

Joe

See pics below. Note: I had to cut the schematic in half to make it readable. I did overlap the two pics so you can follow from one to the next.

Was this
answer
helpful?
Yes
No
Wednesday, October 6th, 2021 AT 7:52 PM

Please login or register to post a reply.