Power door locks not working?

Tiny
LINCOLN T
  • MEMBER
  • 3 POSTS
Well, happy to report the entire situation has finally been resolved! I took the aftermarket key fobs back to the company that installed them to inquire about reprogramming, and they stated if the automatic locks, trunk latch, etc. Weren't working when using the buttons located on the door, that reprogramming the fobs wouldn't correct that situation. So I took the car to a guy who specializes in auto electronics, and he did diagnostic work. About twenty minutes into the job, he said "I'm going to have to take the driver side door panel off", which he did. At that point he said, "this is your lucky day." He pointed out to me what had happened was the clip containing the wiring had slipped out of the driver's door module. It was just partially out at a slight angle, which would explain why some things worked for a while and then quit working a few days later. I also then had the aftermarket company reprogram the key fobs because the trunk latch wasn't working when using them. Reprogramming corrected that trunk latch situation, but also uncovered that during the original installation of the aftermarket auto starter they had not properly grounded the wiring. It actually had a 12V wire going to the trunk latch, which would explain why I received a shock on a couple occasions when using the trunk button located on the car door. The automatic trunk latch now only works from the key fobs so they think that wiring might have fried the actual button/switch located on the driver's door. But the good new is all items are working once again, and I appreciate all of the advice shared. Thank you!
Was this
answer
helpful?
Yes
No
+1
Tuesday, April 6th, 2021 AT 6:57 PM (Merged)
Tiny
KEN L
  • MASTER CERTIFIED MECHANIC
  • 55,322 POSTS
You are so welcome! Please use 2Carpros. Com anytime and tell a friend :-)
Was this
answer
helpful?
Yes
No
Tuesday, April 6th, 2021 AT 6:57 PM (Merged)
Tiny
JRBDSERVANT
  • MEMBER
  • 2 POSTS
  • 1996 LINCOLN TOWN CAR
  • 72,000 MILES
I just replaced the window regulator (drivers side front) with an aftermarket motor. Even though the vehicle has auto drop feature for the window, I realized after the fact the new motor does not.
The window operates correctly including auto drop.
The problem now is the door locks, outside mirrors, power seats and trunk closer do not function.
I checked all connections including DDM. I also re connected old window motor which still runs hoping to clear up problem.
I checked visually the fuses under hood and inside compartment.
Realizing there are also circuit breakers involved, I am at a complete loss how to proceed.
Please help !
Was this
answer
helpful?
Yes
No
Tuesday, April 6th, 2021 AT 6:57 PM (Merged)
Tiny
HMAC300
  • MECHANIC
  • 48,601 POSTS
The installers of the aftermarket alarm are sometimes not too good which proves the fact due to the problems you had at least it's fixed.
Was this
answer
helpful?
Yes
No
Tuesday, April 6th, 2021 AT 6:57 PM (Merged)
Tiny
KASEKENNY
  • MECHANIC
  • 18,907 POSTS
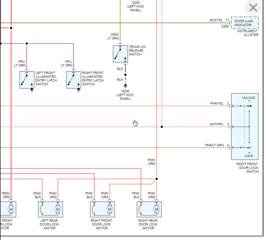
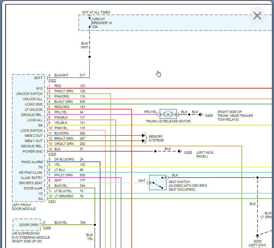
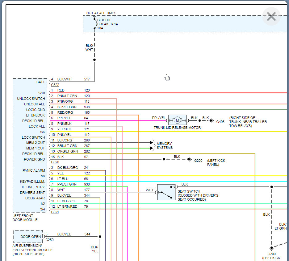
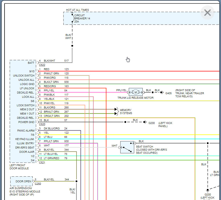
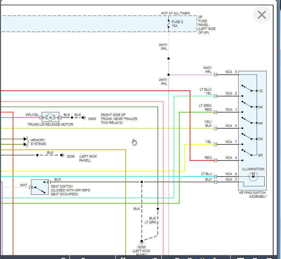
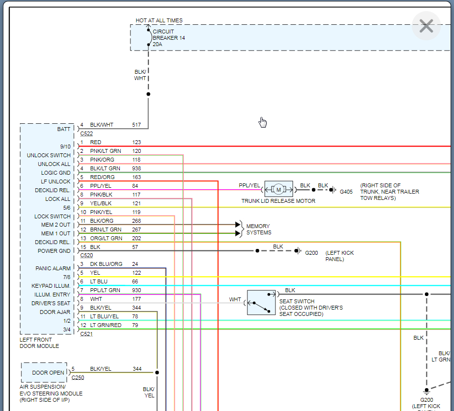
I think you are correct in looking at the DDM. Each of these components is run through this module so I suspect the issue is the module or more likely the circuit breaker 14 has failed. The windows are run off a different circuit breaker F, so I would suggest replacing this and seeing what happens. They may look okay but that may not be the case so swapping it out is the best way to find out.

Let us know what happens with this and we can go from there. Next step is to take that wiring diagram and test power on the trunk switch or something else that is not working and see where we are losing power.
Was this
answer
helpful?
Yes
No
+1
Tuesday, April 6th, 2021 AT 6:57 PM (Merged)
Tiny
JRBDSERVANT
  • MEMBER
  • 2 POSTS
Thank you very much for the detailed explanation. This service is excellent! After reading your response I decided to check number 8 -15 amp fuse by removing it completely.
I observed only from the side was I able to see the fuse was blown.
My guess that the damaged window motor created the resistance to overload the fuse.
If the problem resurfaces I will definitely replace 14 circuit breaker. Everything works as it should.
Again thank you!
Was this
answer
helpful?
Yes
No
Tuesday, April 6th, 2021 AT 6:57 PM (Merged)
Tiny
KASEKENNY
  • MECHANIC
  • 18,907 POSTS
That is great! You are more then welcome. Thank you for providing the update. We are not only here to help you but you just hep others that will visit this site with the same or similar issue.

Thanks for using 2CarPros. Please come back in the future. Thanks
Was this
answer
helpful?
Yes
No
+1
Tuesday, April 6th, 2021 AT 6:57 PM (Merged)

Please login or register to post a reply.