The front passenger door does not unlock with either the key or the keyless remote

Tiny
ANONYMOUS
  • MEMBER
  • 2007 KIA SPORTAGE
  • 74,400 MILES
All other doors unlock. If driver's side door is open and I hit the unlock button on driver's side door, the locks start to lock and unlock about 3 times. Do I need to reprogram my keyless remote or is this a more serious issue that needs to be handled by mechanic?
Monday, December 31st, 2012 AT 9:11 PM

1 Reply

Tiny
KASEKENNY
  • MECHANIC
  • 18,907 POSTS
This is most likely a door lock actuator issue.

You need to start with unlocking the door with the key to open the door.

Then remove the door panel and start checking the voltage when pressing the unlock button.

Here are a couple guides that will help with this:

https://www.2carpros.com/articles/door-panel-removal

https://www.2carpros.com/articles/test-or-change-electric-power-door-locks

Basically we need to see if there is voltage coming from the junction block for this actuator. If it is then the actuator needs to be replaced.

https://www.2carpros.com/articles/how-to-check-wiring

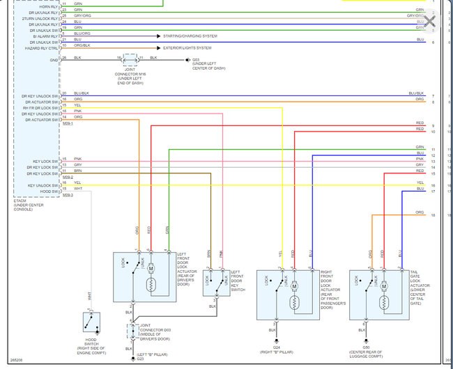
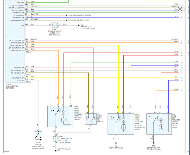
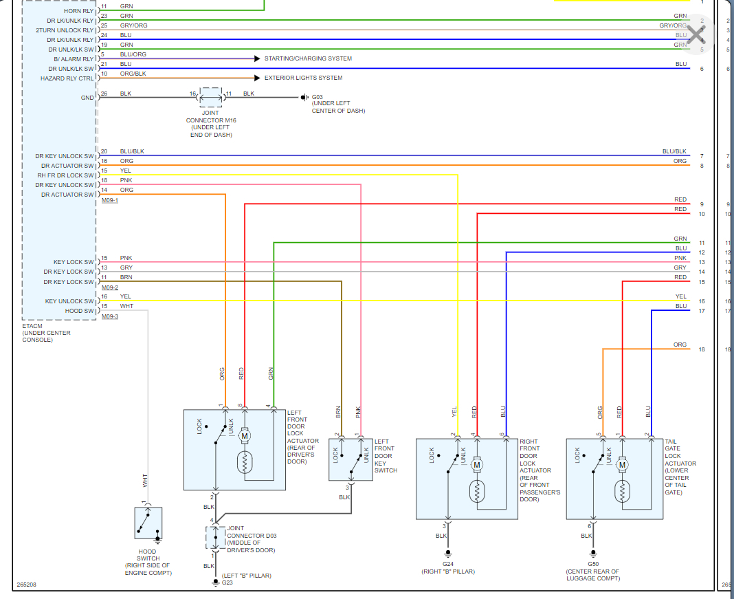
I also attached the info from the manual that takes you through the testing for the actuator.

Please run through this info and let us know what questions you have. Thanks
Was this
answer
helpful?
Yes
No
Wednesday, September 8th, 2021 AT 2:09 PM

Please login or register to post a reply.