Car was running, started to stumble, now crank/no start

Tiny
HAMFIST
  • MEMBER
  • 2007 FORD FIVE HUNDRED
  • 3.0L
  • V6
  • 4WD
  • AUTOMATIC
  • 83,000 MILES
Rebuilding an auction car, on last few steps to finish. It was complaining about low fuel, stumbled into the shop. Now getting no spark.

Now won't start. Added 5gallons of gas, reading good fuel pressure at rail, both on scanner and a mech gauge and plugs are wet with fuel. Fuel pump putting out 44 PSI, and above 60 on cranking.

Did have codes for TPS. Replaced with known good throttle assembly and ran through calibration. Codes gone, still no start

Checked ohms at CKP, 290ohms, and ran sync through Forscan. Sync says yes, so cam and crank sensors both in sync and reading.

The car has a factory remote start, (no remotes, just factory 4 button ford remote, no remote start button) but in the past I have found a bypass button. I can't seem to locate one on this car. Have hit lock and unlock, no PATS errors.

I'm at a loss. Its reading cam and crank, has fuel, and fuel pressure, was running, now no spark.
Monday, September 27th, 2021 AT 9:01 AM

6 Replies

Tiny
JACOBANDNICKOLAS
  • MECHANIC
  • 110,194 POSTS
Hi,

Are there any diagnostic trouble codes stored? If so, let me know what they are.

Now, since you lost spark, check to see if there is an RPM signal. If you have a live data scan tool, use that. If you don't, pay attention if the tachometer is moving at all when cranking the engine.

https://www.2carpros.com/articles/symptoms-of-a-bad-crankshaft-sensor

Let me know what you find and if present, the codes retrieved. Also, if you haven't already, disconnect the PCM and check the condition of the connector pins.

Take care,

Joe

Was this
answer
helpful?
Yes
No
Monday, September 27th, 2021 AT 8:21 PM
Tiny
HAMFIST
  • MEMBER
  • 64 POSTS
I ohmed out the CKP, crank pos sensor, it passed and Forscan lets you check if the cam and crank sensor are in sync. That test passed as well.
Was this
answer
helpful?
Yes
No
Tuesday, September 28th, 2021 AT 3:02 AM
Tiny
HAMFIST
  • MEMBER
  • 64 POSTS
No new codes, also. Today I will remove the wiper cowl and inspect the PCM.
Was this
answer
helpful?
Yes
No
Tuesday, September 28th, 2021 AT 3:13 AM
Tiny
HAMFIST
  • MEMBER
  • 64 POSTS
Removed cowl and the ECM. All the pins straight and plugs in good shape.
Was this
answer
helpful?
Yes
No
Tuesday, September 28th, 2021 AT 6:21 AM
Tiny
HAMFIST
  • MEMBER
  • 64 POSTS
Little back story don't know if it will help. It was hit in the right front. We replaced the subframe and all associated steering suspension parts. It has been running and driving around the yard perfectly while we wait for it to be ready for final assembly.

Don't know if it matters but the exhaust past tye manifold cats has been off.

But it has been running, perfectly. Ran out of gas, and hasn't started since, cranks very strong. Not voltage, cam or crank sensors (as noted above). Added gas, 10gal. 45+ PSI at the rail, above that on crank.

Thats about it. I'm about to rip out the remote start next.
Was this
answer
helpful?
Yes
No
Tuesday, September 28th, 2021 AT 8:08 AM
Tiny
JACOBANDNICKOLAS
  • MECHANIC
  • 110,194 POSTS
Hi,

The fuel pressure, if anything, is a bit high. The manufacturer indicates 39 PSI. But that isn't enough to cause issues. As far as the exhaust, that shouldn't prevent it from starting.

The idea that you have no spark could take us in a couple of different directions. If the sensors are good, have you checked fuses related to the injectors and coils? Do this. At each ignition coil, there will be a red wire. With the key in the run position, each wire should get power. For the coil to actuate, the PCM provides a ground path at a specific time for each coil/cylinder.

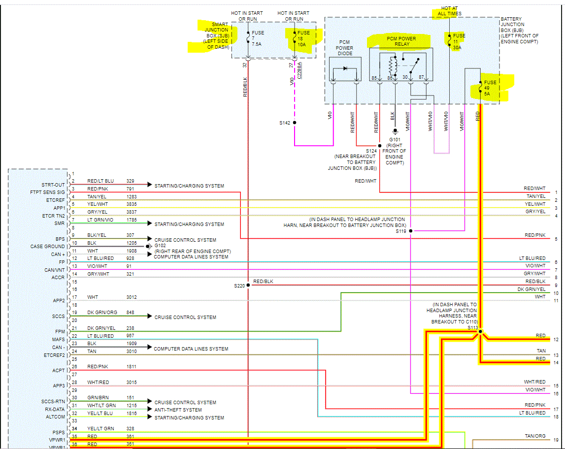
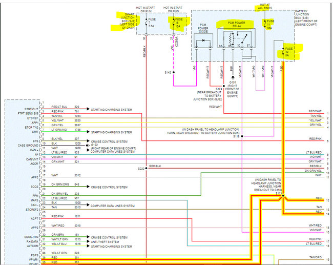
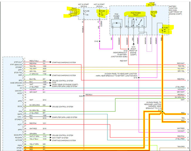
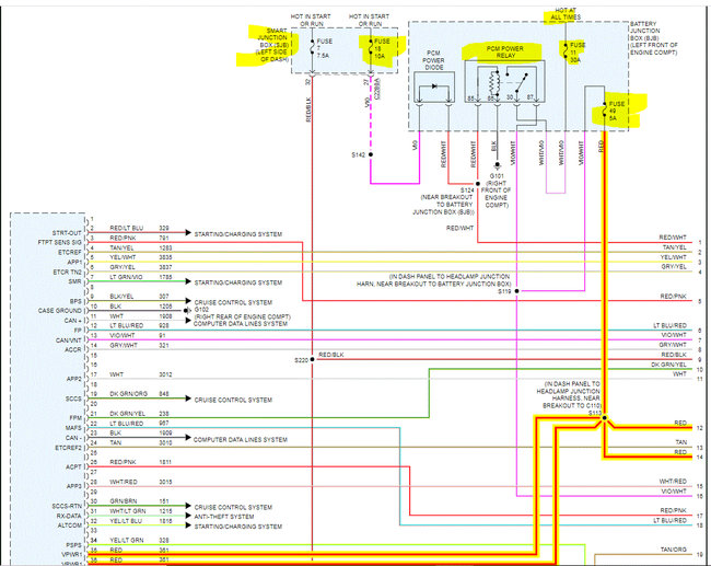
If you look below, I provided the entire wiring schematic for the powertrain management. There was a total of six pages, but I had to cut them in half to make them readable for you. I did overlap them so you can follow from one to the next. Also, I highlighted the power supply to the fuel injectors and the ignition coils.

First, confirm the fuses are good in pic 1 (highlighted) If you look at the last two pics, I highlighted the fuses and the PCM power relay. Confirm fuses are good, there is power to and from them and then check the relay. Here are a couple of links you may find helpful:

https://www.2carpros.com/articles/how-to-check-wiring

https://www.2carpros.com/articles/how-to-check-an-electrical-relay-and-wiring-control-circuit

https://www.2carpros.com/articles/how-to-check-a-car-fuse

Next, if they all check good, confirm there is power to the red wires on the coils. If there is, we either have a CKP issue or PCM issue.

If they check good, try resetting the inertia switch to see if something caused it to trip. Since you were in an accident, it may have finally shut down. Pic 13 shows its location.

Also, I realize you checked the crank sensor. However, is it sending an RPM signal?

Let me know what you find or if you have other questions.

Take care,

Joe

See pics below.

Was this
answer
helpful?
Yes
No
Tuesday, September 28th, 2021 AT 6:59 PM

Please login or register to post a reply.