Horn not working?

Tiny
JZAPOR
  • MEMBER
  • 2007 DODGE CALIBER
  • 4 CYL
  • FWD
  • AUTOMATIC
  • 54,000 MILES
Just bought a uses 07 Caliber SXT and forgot to check if the Horn worked. Well it does not work from steering wheel, but works fine for the Alarm system. Does not appear to be the physical horn, but uncertain. Also fuse in slot 23 is fine.
Need Help! Thx.
Saturday, March 5th, 2011 AT 4:53 PM

7 Replies

Tiny
KEN L
  • MASTER CERTIFIED MECHANIC
  • 54,884 POSTS
Hello,

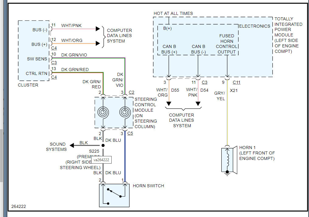
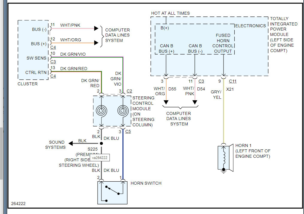
The horn relay is located in the TIPM under the hood behind the front bumper on the driver side the tipm is where the fuses are. Here are some guides and fuse panel diagrams so you can do some quick tests if everything tests ok check the horn itself they go bad all the time.

https://www.2carpros.com/articles/how-to-check-a-car-fuse

and

https://www.2carpros.com/articles/how-to-check-an-electrical-relay-and-wiring-control-circuit

Check out the diagrams (Below)

Please let us know what you find.

Cheers, Ken
Was this
answer
helpful?
Yes
No
+1
Thursday, November 30th, 2017 AT 5:36 PM
Tiny
HSTARNS
  • MEMBER
  • 1 POST
  • 2007 DODGE CALIBER
  • 63,000 MILES
My car horn does not work and I can't find any information in the owners manual regarding the horn. I am not sure which fuse is for my horn and can't find it under the hood either. Could it be the fuse needs to be replaced?
Was this
answer
helpful?
Yes
No
+1
Thursday, November 30th, 2017 AT 5:37 PM (Merged)
Tiny
RASMATAZ
  • MECHANIC
  • 75,992 POSTS
Could be the fuse, horn button on the steering, horn relay or horn itself
Was this
answer
helpful?
Yes
No
+1
Thursday, November 30th, 2017 AT 5:37 PM (Merged)
Tiny
FIXITMR
  • MECHANIC
  • 9,990 POSTS
The horn itself go out all the time
Was this
answer
helpful?
Yes
No
+4
Thursday, November 30th, 2017 AT 5:37 PM (Merged)
Tiny
KASEKENNY
  • MECHANIC
  • 18,907 POSTS
This could be a horn issue but the way to check the entire system is to go to the horn and check for 12 volts on the single wire when the horn is being pressed.

https://www.2carpros.com/articles/how-to-check-wiring

If there is no voltage there, then you have a wiring issue or the TIPM has failed.

Both the horn and TIPM are common failures on this. However, to confirm this we need to monitor the cluster data with a scan tool and find out if it is picking up the button being pressed.

If this is then the button and the clock spring is okay.

Please see the wiring diagram for more information on this testing.

Let us know what questions you have. Thanks
Was this
answer
helpful?
Yes
No
-1
Tuesday, October 5th, 2021 AT 5:22 PM
Tiny
ROB ERT
  • MEMBER
  • 1 POST
Did you ever figure it out? I’m having the same problem on my 2010 model
Was this
answer
helpful?
Yes
No
Sunday, August 27th, 2023 AT 10:45 AM
Tiny
KEN L
  • MASTER CERTIFIED MECHANIC
  • 54,884 POSTS
I would use a test light at the horn itself to see if the horn has failed. This guide can help, have a helper hit the horn for you. Use the wiring diagrams above to see what color wire it is, there is only one going to the horn.

https://www.2carpros.com/articles/how-to-use-a-test-light-circuit-tester

Please go over this guide and get back to us.
Was this
answer
helpful?
Yes
No
Monday, August 28th, 2023 AT 9:45 AM

Please login or register to post a reply.