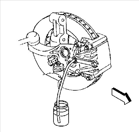
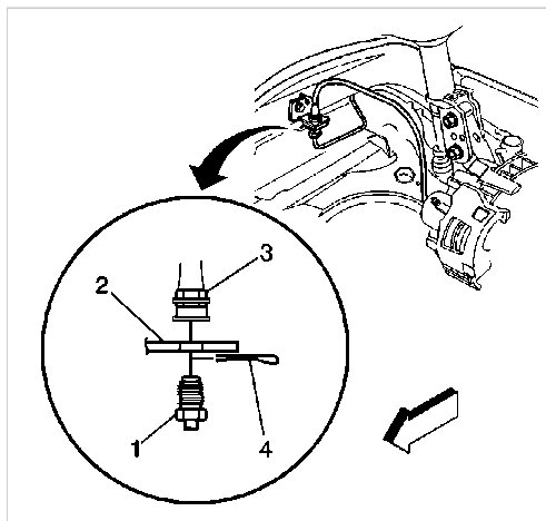
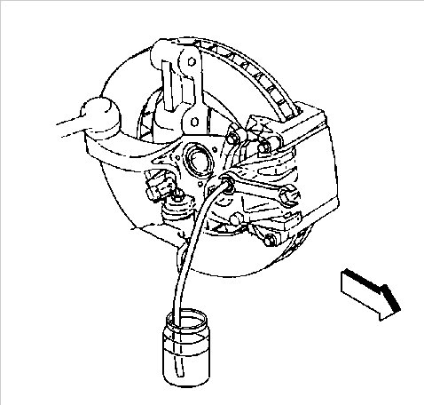
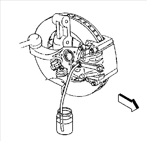
Replace the right front brake Flex hoses

Tiny
KRE
  • MEMBER
  • 2007 CHEVROLET UPLANDER
  • 3.9L
  • V6
  • FWD
  • AUTOMATIC
  • 49,450 MILES
Plan on keeping it until it crumbles around me due to the cost. I would like to replace the right front brake flex hoses
Tuesday, October 14th, 2014 AT 6:42 PM

1 Reply

Tiny
DANNY L
  • MECHANIC
  • 5,648 POSTS
Hello, I'm Danny.

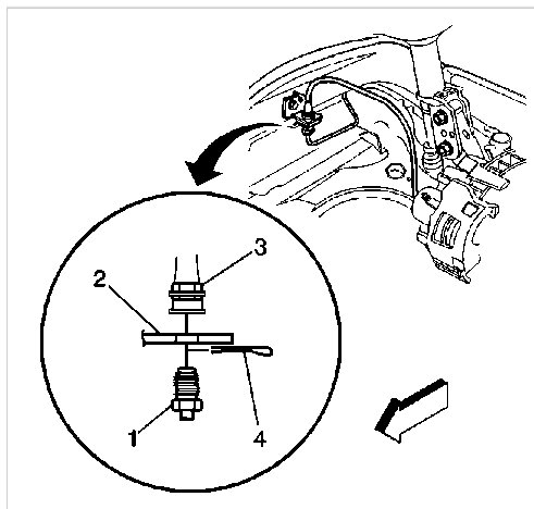
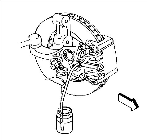
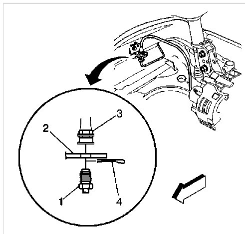
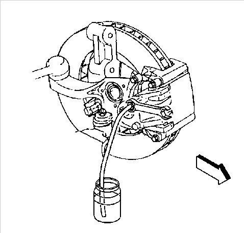
Here is the information you requested for brake line flex hose replacement. After replacing the line you will have to bleed the system to remove the air from opening the system. Here is a tutorial showing how to bleed the brake system after repair:

https://www.2carpros.com/articles/how-to-bleed-or-flush-a-car-brake-system

I've attached picture steps below on how to change the brake hose on your truck. Hope this helps and thanks for using 2CarPros.
Was this
answer
helpful?
Yes
No
Thursday, April 8th, 2021 AT 8:50 PM

Please login or register to post a reply.