Driver's window at times stops working, won't go up or down

Tiny
CBRASSO
  • MEMBER
  • 43 POSTS
  • 1996 TOYOTA CAMRY
  • 2.2L
  • 4 CYL
  • 2WD
  • AUTOMATIC
  • 196,000 MILES
Okay, 30 amp fuse under steering wheel was blown so I replaced it. All windows and locks work except for driver window. Now I checked voltage at the plug that goes into the switches and I have 3 wires having 12v. I’m assuming I should have 4? I used multi-meter and found to have continuity from the kick panel to the Sam plug in the door on all but the red and I believe blue which are the colors of the wires that go into window motor. Is it possible both those wires happen to be cut in between the kick panel and plug are am I missing something?
Was this
answer
helpful?
Yes
No
Friday, February 19th, 2021 AT 6:53 PM (Merged)
Tiny
JACOBANDNICKOLAS
  • MECHANIC
  • 110,192 POSTS
Welcome to 2CarPros.

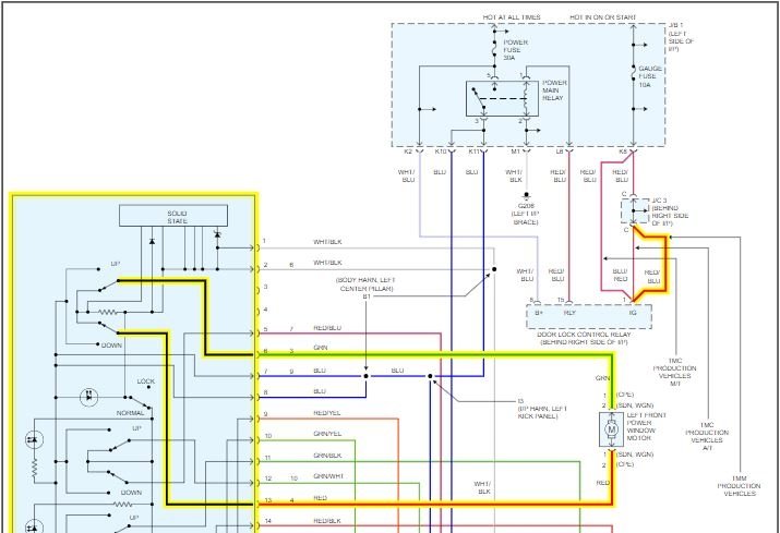
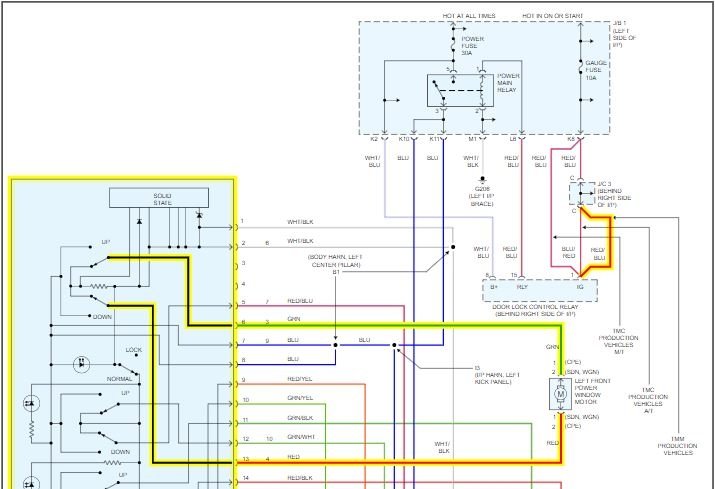
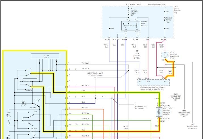
First, the green and red wires going to the left front (driver's) window will only have power based on the direction selected. See picture 1. Red is for down, and the green is up.

What I have done is attach the entire wiring schematic for you to review. I had to break it into two different pics for it to fit, but you will see all the wires and colors to help guide you. Also, I did overlap the pics so you can follow one to the next.

Take a look through it and let me know exactly which wires you are checking and what you are finding.

Take care,
Joe
Was this
answer
helpful?
Yes
No
+1
Friday, February 19th, 2021 AT 6:53 PM (Merged)
Tiny
CBRASSO
  • MEMBER
  • 43 POSTS
Joe that was really helpful! I’ll save this for future reference! Turns out the motor is bad I was a bit confused on the wiring. Thanks a bunch!
Was this
answer
helpful?
Yes
No
Friday, February 19th, 2021 AT 6:53 PM (Merged)
Tiny
JACOBANDNICKOLAS
  • MECHANIC
  • 110,192 POSTS
Welcome back:

You are very welcome. Let me know if you have questions in the future.

Take care,
Joe
Was this
answer
helpful?
Yes
No
+1
Friday, February 19th, 2021 AT 6:53 PM (Merged)
Tiny
TIFFANYWILDE
  • MEMBER
  • 3 POSTS
  • 1996 TOYOTA CAMRY
  • 230,000 MILES
Replaced the power window/power lock fuse under driver side kick panel and tried two different master power window/lock switches. Power locks work on front passenger side door. Locks and unlocks all four doors. None of the window switches work. Every time I close the driver side door I hear click-click click-click.
Was this
answer
helpful?
Yes
No
Friday, February 19th, 2021 AT 6:55 PM (Merged)
Tiny
ASEMASTER6371
  • MECHANIC
  • 52,796 POSTS
You need to start with basics. Check for power to the master switch and all other window switches. It sounds light you have a power supply issue and you need to find out where.

Roy
Was this
answer
helpful?
Yes
No
+3
Friday, February 19th, 2021 AT 6:55 PM (Merged)
Tiny
TIFFANYWILDE
  • MEMBER
  • 3 POSTS
Pretty sure the switch is not getting power. Where does the power for this switch come from?
Was this
answer
helpful?
Yes
No
+2
Friday, February 19th, 2021 AT 6:55 PM (Merged)
Tiny
CADIEMAN
  • MECHANIC
  • 3,544 POSTS
First was the fuse blown
?With a testlight test that u have power to the locks and windows switchs this has to be a wiring or a relay. Try to explain your problom better
Was this
answer
helpful?
Yes
No
+1
Friday, February 19th, 2021 AT 6:55 PM (Merged)
Tiny
TIFFANYWILDE
  • MEMBER
  • 3 POSTS
Fuse appeared to be fine. Replaced it anyway. Trying to inspect the wires between the door and the body but I cant figure out how t remove the grommet. It extends into the door about 3". Any ideas about that. After inspecting wires I will try the main power relay.
Was this
answer
helpful?
Yes
No
+1
Friday, February 19th, 2021 AT 6:55 PM (Merged)
Tiny
MHPAUTOS
  • MECHANIC
  • 31,937 POSTS
That grommet will peel out it can be a bit hard but it will come out. Take the door trim of and check from that side if you cant move it.
Was this
answer
helpful?
Yes
No
Friday, February 19th, 2021 AT 6:55 PM (Merged)
Tiny
CADIEMAN
  • MECHANIC
  • 3,544 POSTS
Dont go there yet. Remove the switchs and check voltage to all the switchs and that power is their.
Was this
answer
helpful?
Yes
No
+2
Friday, February 19th, 2021 AT 6:55 PM (Merged)

Please login or register to post a reply.