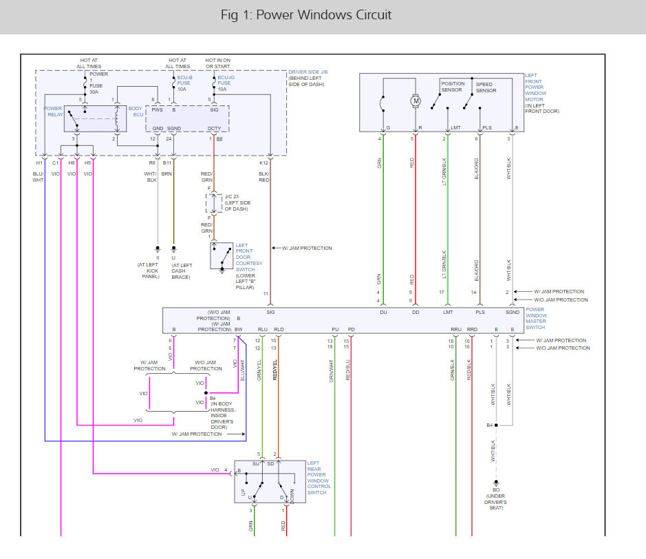
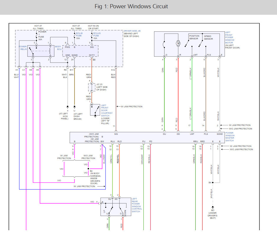
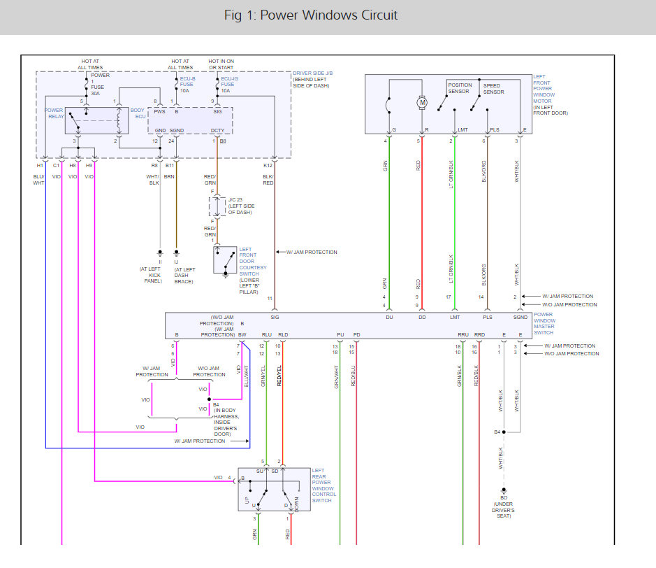
Driver's window at times stops working, won't go up or down. I removed window switch and reinstalled it, has been working since. How do I diagnose whether it is a switch or a regulator problem?
Oct 21, 2012 at 10:44 PM
















