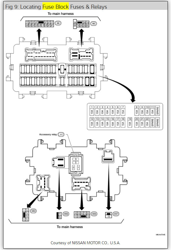
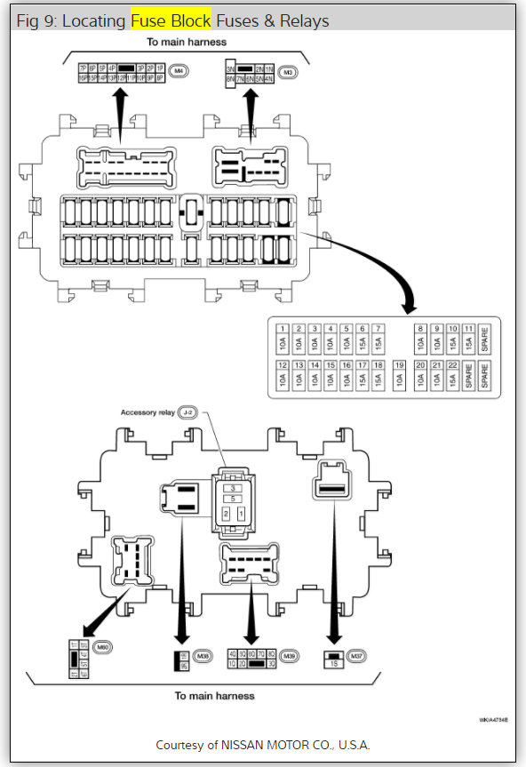
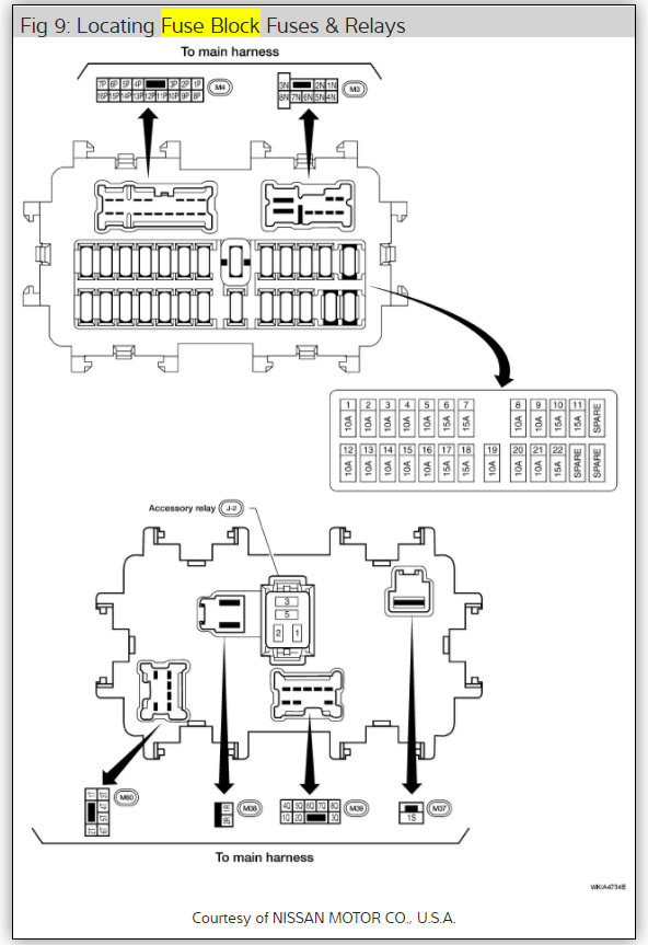
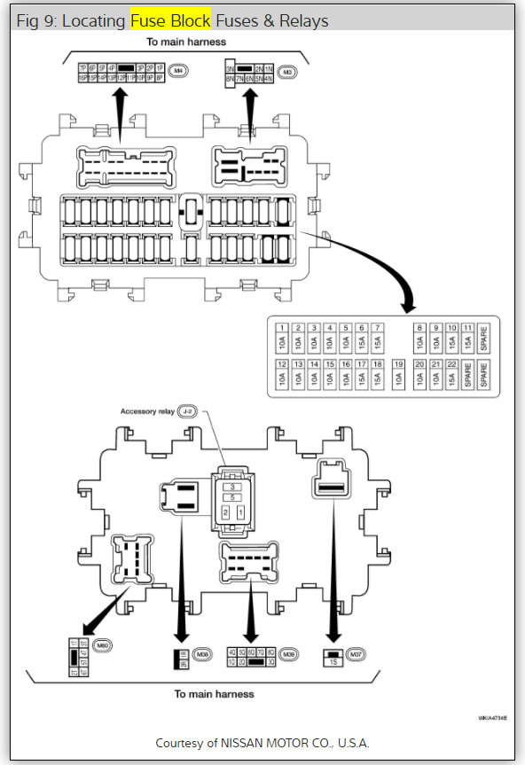
Sunday, October 2nd, 2011 AT 9:56 PM
I have a 2006 nissan titan.I started it up today drove it down the road about 2 mile and got on the hightway. Everything up to now is normal.I get on the highway and it just dies. So I get on the side of the highway and put it in park and try to start it up again, it sounds like it wants to start but never does. The battery icon comes on, the low oil pressure comes on and the check engine light comes on.I have to get it towed back home. I get it and try again to start it and it turns over and sound terrible, like a bogging sound and putters out and dies again. Do you know what is wrong?
















