Air suspension

Tiny
MARINOPERNA
  • MEMBER
  • 8 POSTS
  • 2005 LINCOLN NAVIGATOR
  • 5.4L
  • V8
  • 2WD
  • AUTOMATIC
  • 125,000 MILES
Started where upon exiting the front would drop to the bumpers. For about a month I just shut the system off before shutting off the key. Worked like a champ until it did not. Intermittently the front would drop and not come back up. Only one time did the rear drop. I could hear the pump come on but nothing. Got it to raise after what I will say was a click. If I shut the suspension switch off it will usually stay level for several days. One time it dropped over the weekend this weekend it stayed up. Had the bags checked and could not find a leak. Suggestion was to replace the dryer. I replaced the whole unit with an Arnott. At the same time I read it could be the ride height sensors so replaced those too with Dorman units which I was told are OEM equivalents. Unfortunately pump comes on rear is up but front on the bumpers. Pump comes on like it should but nothing. I did not check the pump output but do feel suction on the inlet side. Seems like only a few expensive things left. The solenoids or the suspension computer. Can you advise how to check. My shop with his snap-on tool could not locate a problem. He did clear a code C1725. At that time the dash indicated no suspensions issues. Since he cleared the code now I get "check air suspension"
Thanks for any help you can offer.
Was this
answer
helpful?
Yes
No
Thursday, January 3rd, 2019 AT 6:28 PM (Merged)
Tiny
STEVE W.
  • MECHANIC
  • 15,688 POSTS
C1725 - Air Suspension Front Pneumatic Failure

Solenoids are easy to test. Apply twelve volts to open them and if air goes in/out they are okay.
For testing you really need the DRBIII factory tool. It has all of the items in it including tests that cycle the suspension and that can read all of the factory data. Very few of the aftermarket units can do that, especially with the air suspension because it is not a real common failure item. In this case a dealer or shop that has the DRBIII would be the best thing, even if you only pay them to diagnose the system.

Dorman = OEM is like saying Rosie O'Donnel is the same in a boxing match as Mike Tyson.
Was this
answer
helpful?
Yes
No
+1
Thursday, January 3rd, 2019 AT 6:28 PM (Merged)
Tiny
MARINOPERNA
  • MEMBER
  • 8 POSTS
Thank you for responding.

I will check the solenoid.

Is there another brand of ride height sensors that are reliable that you could recommend? The Ford OEM's are outrageous at $800.00 for the pair locally. Any way to bench test them as now the Truck is no longer driveable as it is on its bumpers. If I take it somewhere I would need a round trip flatbed then I am stuck for sure. Hard to find a reliable reasonable trustworthy shop that knows this stuff anywhere close to where I am.

Unfortunately now the pump too is not reliably coming on. What are the chances its the computer?

Marino
Was this
answer
helpful?
Yes
No
Thursday, January 3rd, 2019 AT 6:28 PM (Merged)
Tiny
STEVE W.
  • MECHANIC
  • 15,688 POSTS
I would test those sensors first, I doubt that both went bad at the same time. I would suspect the wiring or the VDM. The best way to test it is with the proper scan tool.

I misspoke about that tool though, It is not the DRBII for the Ford/Lincoln/Mercury line, Had a different vehicle on my mind, Sorry. F/L/M uses the IDS tool.

The scan tool can make the VDM enter a self test mode where it tests the sensors and itself.

To test the sensors on the vehicle you will need a multi-meter and either some back probe pins (dressmaker T pins work good for this) or some insulation piercing probes (just seal the tiny hole with some liquid electrical tape)

Disconnect the actuator levers from the arm. You will be moving the sensor arm itself. Remove fuse 111 (powers the compressor, you do not want the thing to suddenly pop into the air while you work on it)

Pick a sensor. Both sides use the same colors for ground and power. Ground is a black wire with a pink stripe and power is the red wire with a black stripe.
The left side uses a pink wire with a black stripe as the signal wire, the right side uses a Tan wire.

On the ground wires you should see no voltage when the system is on.
On the power wires there should be a constant five volts.

When you test the signal wires, connect one side of the meter to ground and the other to the wire. As you move the sensor arm the voltage should smoothly increase and decrease from about.50 volts to about 4.5 volts.

If you lack the power signal verify that fuse 30 and fuse 27 are OK. If they are then locate the VDM and test the same colors there, That way you can find out if it's a broken wire between the VDM and the sensors.
If you lack the ground side check the ground connection for the VDM, it is behind the left kick panel in the drivers foot-well. Check it at the VDM as well.

If the sensors test okay re-connect the arms and move to the air solenoids.

These are nothing but simple coils. The black wire grounds the front ones at the right side of the radiator (where the compressor also grounds so maybe check that first as rust/broken wires could be causing both issues) and the other wire powers them. To test them, unplug them and simply run a pair of jumper wires down and touch the terminals on the solenoids. Do not hold the wires on them, you are just testing them, a quick click should mean they are Okay.

If they test okay re-connect them and move to the compressor relay, From it you can test the compressor. Plug fuse 111 back in. Check the relay, it should have twelve volts at the light blue with pink stripe, ground at the black wire. The gray wire with a red stripe carries power to the compressor. The dark blue with yellow stripe is the on/off signal from the VDM. If you apply twelve volts to the gray wire with red stripe the compressor should engage and pump air.

You have now tested every part but the VDM, Hopefully you found the bad ground or power connection causing the problem. Otherwise you will need to get to a dealer and see if they can scan and test the VDM.
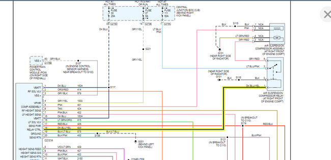
The wiring diagram might help.
Was this
answer
helpful?
Yes
No
+1
Thursday, January 3rd, 2019 AT 6:28 PM (Merged)
Tiny
MARINOPERNA
  • MEMBER
  • 8 POSTS
Thank you for this second note. I will test as you say. I would like to bench test the original sensors but do not have a 5 volt power source. Any damage using a 12 volt battery? If not what should the new values be?

I would certainly consider a donation but see you only do cards. Any way to send by pay-pal or maybe a check by post as your kindness is appreciated?
Was this
answer
helpful?
Yes
No
Thursday, January 3rd, 2019 AT 6:28 PM (Merged)
Tiny
STEVE W.
  • MECHANIC
  • 15,688 POSTS
I wouldn't use 12 volts. They are a simple position sensor and 12 volts might burn the actual potentiometer. 3 common 1.5 volt D/C/AA batteries in series would give you a 4.5 volt source. That should work for testing. What you are looking for is a smooth rise/drop in voltage as you move the arm.
Was this
answer
helpful?
Yes
No
Thursday, January 3rd, 2019 AT 6:28 PM (Merged)
Tiny
PAINTER54
  • MEMBER
  • 1 POST
  • 1999 LINCOLN NAVIGATOR
  • V8
  • 4WD
  • AUTOMATIC
  • 148,000 MILES
I have a 1999 Lincoln Navigator with air ride suspension. It now looks like a "low rider"! Just got in one morning and the compresser won't come on and interestingly enough, the rear wipers quit at the same time. I have checked all the fuses both inside the vehicle and also under the hood and they all are good. I don't know about the relay because I don't know how to check that. Any thoughts as to what the problem might be?
Was this
answer
helpful?
Yes
No
Thursday, January 3rd, 2019 AT 6:28 PM (Merged)
Tiny
2CARPRO JACK
  • MECHANIC
  • 11,533 POSTS
The suspension compressor is run by the relay near the right headlamp, the wire colors are- lt blue/pink, lt grn/red, gray/red, dk blue/yellow. Find the relay and test for power at lt blue/pink, gray/red, if ok then test for ground at lt grn/red, dk blue/yellow. If all ok then check for power at the red at the motor and ground at the black and get back to me
Was this
answer
helpful?
Yes
No
Thursday, January 3rd, 2019 AT 6:28 PM (Merged)
Tiny
MARINOPERNA
  • MEMBER
  • 8 POSTS
Good thinking. Great Idea. Thanks
Was this
answer
helpful?
Yes
No
Thursday, January 3rd, 2019 AT 6:28 PM (Merged)
Tiny
MARINOPERNA
  • MEMBER
  • 8 POSTS
I want to test my originals. It's together and back on the ground with the Dormans. Not sure if a potentiometer is polarity sensity. If looking at the podded side would you know if the positive on the right or left?
Was this
answer
helpful?
Yes
No
Thursday, January 3rd, 2019 AT 6:28 PM (Merged)
Tiny
STEVE W.
  • MECHANIC
  • 15,688 POSTS
Look at the connector on one on the truck, then the wiring diagram to tell which pin is power in. I would say you could do a resistance check as well but I don't see the specs for good/bad
Was this
answer
helpful?
Yes
No
Thursday, January 3rd, 2019 AT 6:28 PM (Merged)
Tiny
SUGAR
  • MEMBER
  • 1 POST
  • 2004 LINCOLN NAVIGATOR
Suspension problem
2004 Lincoln Navigator V8 Four Wheel Drive Automatic

Just replaced both front struts and vehicle still rides rough. Cannot tell if front suspension is even inflating.
Suspension air pump makes unbelievable noise when engaged. Dealer said that was normal.

Any ideas?
Was this
answer
helpful?
Yes
No
Thursday, January 3rd, 2019 AT 6:28 PM (Merged)
Tiny
MERLIN2021
  • MECHANIC
  • 17,250 POSTS
Need to know if the check air suspension light is on? How many miles are on the truck?
Was this
answer
helpful?
Yes
No
+1
Thursday, January 3rd, 2019 AT 6:28 PM (Merged)
Tiny
WRENCHLADY
  • MEMBER
  • 12 POSTS
  • 2006 LINCOLN NAVIGATOR
  • 5.4L
  • V8
  • 2WD
  • AUTOMATIC
  • 175,000 MILES
I replaced all front suspension parts from airbag struts with sensors. New suspension compressor. Ride height sensors. Now, I check the relay and there is power. I have removed the junction box replaced new fuses. I did have a 10 amp fuse blow when I was checking the relay plug( this is next to the air compressor, 70amp 12vt relay). I checked the fuse box and it is for the right amber light and signal. I had to replace the bulb there as well. Now we are back to what is making this not start when it should?
I saw where the doors all have to be closed in one forum. I'm wondering if this means the hood to has to be closed at the same time or put to sleep by closing the hood latch?
The only other possibility I see here is the air suspension control module. I have no clue where this is located on my 2006 Lincoln limited.
Was this
answer
helpful?
Yes
No
Tuesday, January 15th, 2019 AT 6:20 PM (Merged)
Tiny
ASEMASTER6371
  • MECHANIC
  • 52,796 POSTS
Good morning,

Do you have a voltmeter to do some checks?

I attached the wiring diagram for you to view. You have thrown a lot of parts with no results here so it is time to do a diagnostic to verify the failure.

You need to go to the relay and verify power to the relay. The diagram I attached has three powers for the system. Verify power on both side of the fuses at the fuse block.

Yes, the car door has to be closed. When you start it, the compressor should kick on as a self test for the system.

Roy
Was this
answer
helpful?
Yes
No
+1
Tuesday, January 15th, 2019 AT 6:20 PM (Merged)
Tiny
WRENCHLADY
  • MEMBER
  • 12 POSTS
HI Roy,
I have tried a few other things too. I just looked in my system and checked it out. That door

ajar and more computer reads out okay and if not it will tell you what to fill IE: wiper fluid low.

I did a video on mine, and my suspension is "OK" that is strange as now before it read out I had a suspension issue.

I moved the car to put jacks under it; I lost all the air from front to back. Being careful I got it back to flat surfaces and noticed an extra relay in my fuse box and some open wires that were cheaply fixed and left with a little tape.

Grrr! People will sell others something they can't be honest very often. I want to fix my ride, as I am afraid to buy another ones junker. Even if it is a newer car, they still have problems bug time.
Was this
answer
helpful?
Yes
No
Tuesday, January 15th, 2019 AT 6:20 PM (Merged)
Tiny
ASEMASTER6371
  • MECHANIC
  • 52,796 POSTS
I understand.

Taped wires are never good and need to be repaired correctly.

When you went to level ground, did the suspension pump back up?

Roy
Was this
answer
helpful?
Yes
No
Tuesday, January 15th, 2019 AT 6:20 PM (Merged)
Tiny
WRENCHLADY
  • MEMBER
  • 12 POSTS
HI Roy:

No, when I start the car all components work except the suspension compressor.
I am going to repair those wires with shrink tubing.

I heard the wire harness that goes to the top of the fuse box into the firewall can be defective. This happens at the junction box and plug area. What is stranger is the wires all have heat to them.
I just turned 60/female, will not give up now! I cannot get the compressor to start by itself at all; though it will run only by means of jumping straight to the positive side of the battery.

I thought about doing this long enough to see if the car will raise this way. I know it has to air up.98 of 1", above my tires. If it works maybe I can stop it to see if it stays up and time it.

The other possibilities are that air suspension module you spoke of, under my dash and/or the back switch in the rear of the SUV.

This all became worse after a bad rain near Dallas. Water gets into the vehicle by the windshield, back vent side windows, and possible door seals which are high dollar if you can get them.
I repaired my windshield, and lift gate in June last year.
God this is a mess for many SUV owners.
Now, what about the readings I have seen. Statements that people must take the car to get the system calibrated? I just cannot seem to figure out, why others never show this as a must do afterward. Thank you very much, Roy and your team.
Was this
answer
helpful?
Yes
No
Tuesday, January 15th, 2019 AT 6:20 PM (Merged)
Tiny
ASEMASTER6371
  • MECHANIC
  • 52,796 POSTS
I doubt reprogramming the module will help.

You need to have someone look at this with a scan tool that can turn the system on and off and monitor all the data. I cannot tell from here what is going on unless I am there to physically check it.

Roy
Was this
answer
helpful?
Yes
No
Tuesday, January 15th, 2019 AT 6:20 PM (Merged)
Tiny
BRUIN-805
  • MEMBER
  • 1 POST
  • 2003 LINCOLN NAVIGATOR
  • V8
  • 2WD
  • AUTOMATIC
  • 73,000 MILES
I just replaced a faulty air compressor, connected power and air hose. I truned on car and air suspension switch in rear, and nothing happened. Is there another switch or somthing that needs to be reset?
Was this
answer
helpful?
Yes
No
Tuesday, January 15th, 2019 AT 6:20 PM (Merged)

Please login or register to post a reply.