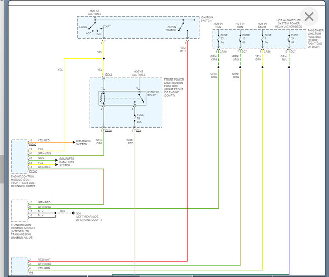
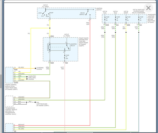
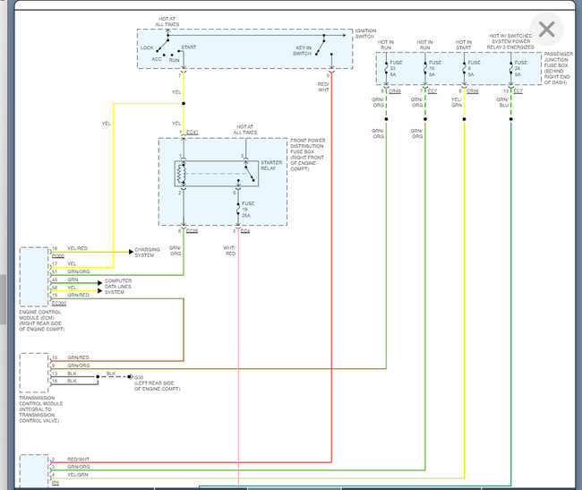
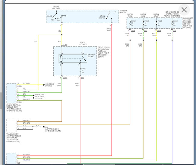
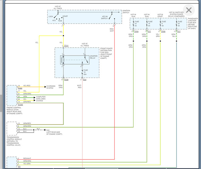
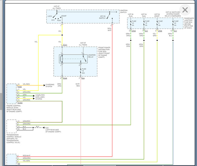
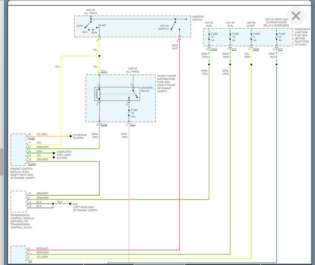
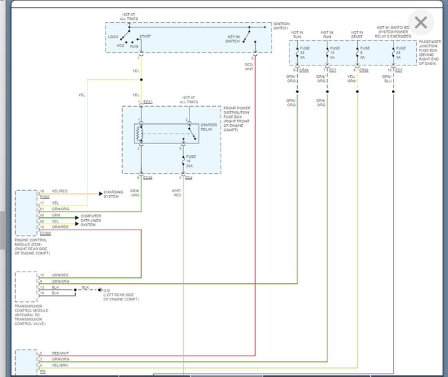
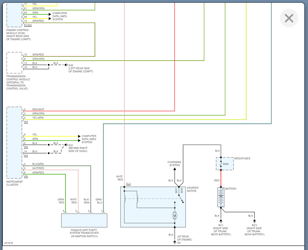
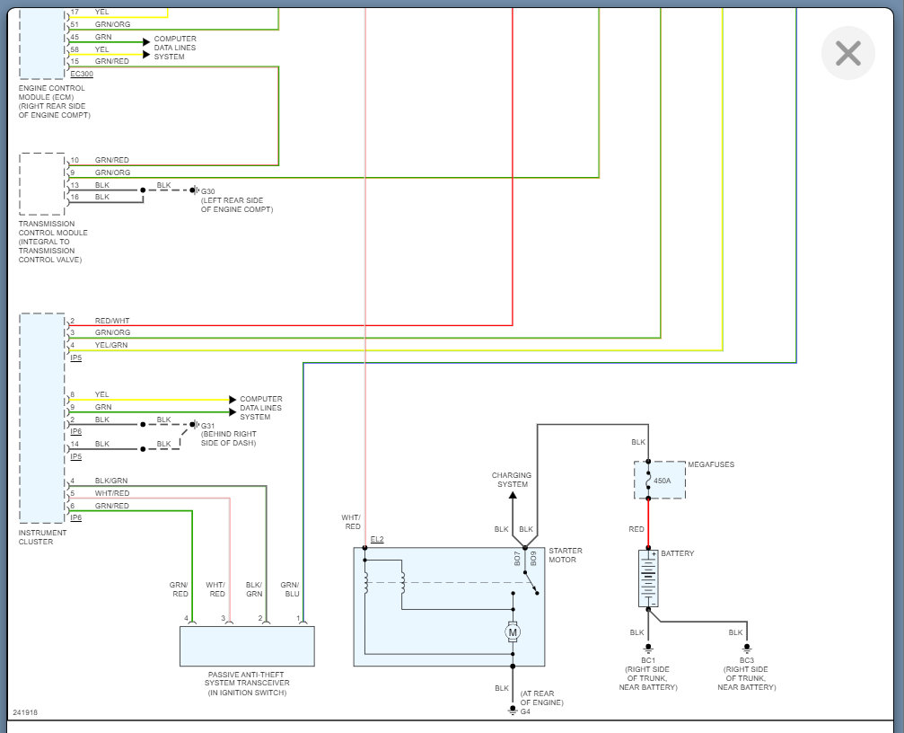
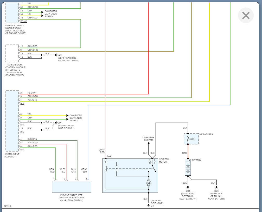
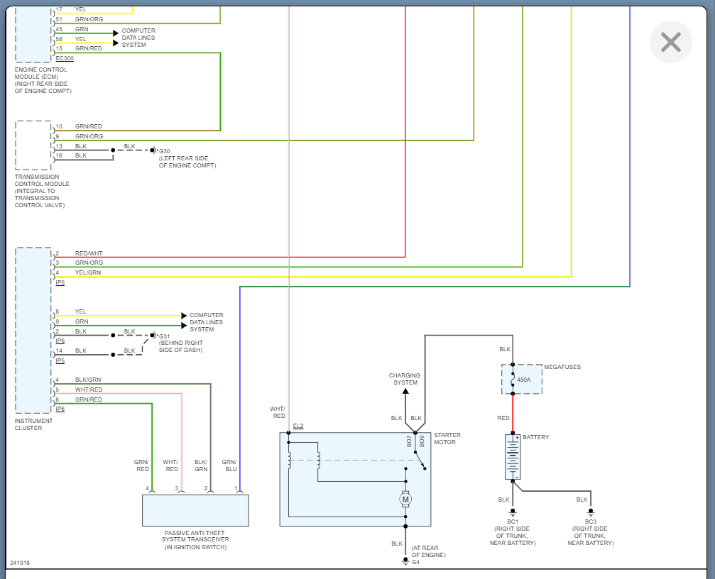
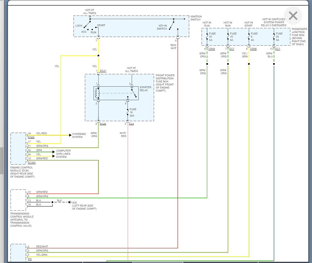
I disconnected the battery and left it for a few days, when I reconnected no fan (great) except I now had the following warnings on the message center:
1. Gearbox fault.
2. DSC not available.
3. Air suspension fault.
4. ABS fault.
5. Park brake and foot brake fault.
6. Cannot apply park brake.
7. Limiter not available.
8. Cruise not available.
Also the following warning lights were on:
1. Battery.
2. Oil.
3. Engine malfunction.
4. Engine temperature.
I have replaced the battery with a new one and replaced the earth leads behind the headlights, my problem is that along with the above warnings now the car will not crank at all. When I turn the ignition key to crank the engine the only thing that happens is that the information/radio screen goes blank but the dash remains fully lit? What's going on? The EGR valves were replaced recently and along with some other work (£2500) the car has been fully maintained by jaguar specialists and has only 71,000 miles on the clock and at the moment is a beautiful ornament in my garage. Do I take it back to a specialist, try to fix it myself or send it to the great car park in the sky i.E. Scrap it?
regards,
John
Sunday, February 23rd, 2020 AT 4:20 AM









