HOME
ASK A QUESTION
REPAIR GUIDES
BECOME A MEMBER
LOG IN
Login with Facebook
OR
Remember me
NOT A MEMBER?
FORGOT PASSWORD?
CONTACT US
PRIVACY POLICY
TERMS AND CONDITIONS
☰
Home
Dodge
Ram
Engine
Symptoms
Not Running
Not Starting
JOELESCAYLACSON
MEMBER
2006 DODGE RAM
V8
4WD
AUTOMATIC
88,000 MILES
Truck won't start. Clicks but not turning over, no cranks. Cab lights and radio working fine. What seem
to be the problem?
Sunday, July 24th, 2011 AT 12:40 PM
1 Reply
KASEKENNY
MECHANIC
18,907 POSTS
More than likely this is a starter issue. However, we need to start with running through this guide to call out the possible causes of this:
https://www.2carpros.com/articles/starter-not-working-repair
Then we need to go to the starter and check voltage to find out if you have 12 volts on both terminals when cranking the engine.
https://www.2carpros.com/articles/how-to-check-wiring
If you do then we need to replace the starter.
https://www.2carpros.com/articles/how-to-replace-a-starter-motor
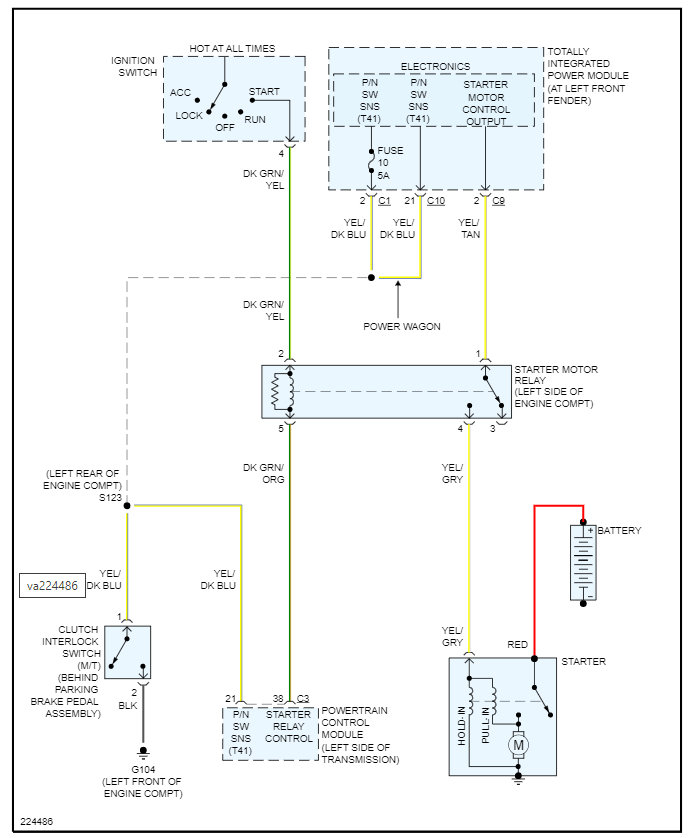
I am attaching the wiring diagram and process from the manual on how to replace the starter so please run through this and let us know what you find.
Thanks
Images (Click to make bigger)
Was this
answer
helpful?
Yes
No
Tuesday, December 7th, 2021 AT 6:51 PM
Please
login
or
register
to post a reply.
Related Engine Not Running Content
2006 Dodge Ram It Will Not Start
The Last Time I Drove My Truck I Was Going Around The Corner Then I Heard This Gurgling Noise For The From The Engine And I Pulled Over To...
Asked by
sarahmatt1983
·
2 ANSWERS
2006
DODGE RAM
VIDEO
Car Cranking but Not Starting? Try This
Instructional repair video
GUIDE
Engine Not Starting
Over the past 20 years at 2CarPros we have identified the top problems that are easily fixed. This guide can save you a trip to the repair garage or calling a tow truck and...
2006 Dodge Ram 2006 Dodge Ram 1500 Will Not Start...
My Dodge Ram Died Out On Me Today While Pulling Away From A Stop. It Would Not Fire Back Up. It Seemed Like It Wanted To But It Would Just...
Asked by
roboneill
·
1 ANSWER
2006
DODGE RAM
Not Start Or Crank From Time To Time
Dodge Ram Pick-up Do Not Start Or Crank From Time To Time After 1000km Trip And 1000mts Altitude Only After Battery Is Disconnect For...
Asked by
lucas04041997
·
1 ANSWER
2006
DODGE RAM
2006 Dodge Ram Won't Start
Electrical Problem 2006 Dodge Ram Four Wheel Drive Automatic 42000 Miles I Just Bought A Ram 1500 With 42k Miles. On The Way Home...
Asked by
shredman
·
1 ANSWER
2006
DODGE RAM
2006 Dodge 1500 Ram
Vehicle Was Fine Until This Morning, Turns Over With Really Good Power Sputters But Will Not Start. Checked Anti Freeze Overflow Container...
Asked by
tjmaslar
·
4 ANSWERS
2006
DODGE RAM
VIEW MORE
Ask a Car Question. It's Free!
How to fix an engine that wont start
Car Cranking but Not Starting? Try This
Crankshaft Sensor Symptoms