A/C started blowing hot air, took it to a friend of mine, he noticed the A/C light on the climate control was on and green, he plugged in A/C gauges from AutoZone and notice the system was charged but same pressure on low and high (150 PSI).
Stage 2.
He tried to add a can of Freon but I notice instead of the the refrigerant going in the system the can got pressurized from the systems into the can.
Stage 3.
He checked the fuses and relays and wondered why the A/C clutch was not engaging this whole time so he said he needed a relay bypass switch to send power directly to clutch to se if it even engages at all.
Final stage of problem.
He got a piece of wire disconnected the A/C compressor relay and jumped the bottom slot into the negative battery terminal. That's when the fans stopped working and the A/C climate controls lost power.
Now my vehicle is sometimes overheats when it idles, my blower motors does not blows.
He checked the fuses underneath the steering wheel and in the engine compartment and only was was blown (20 amp fan) after replacing nothing was fixed.
Friend told me it was probably a fuse somewhere.
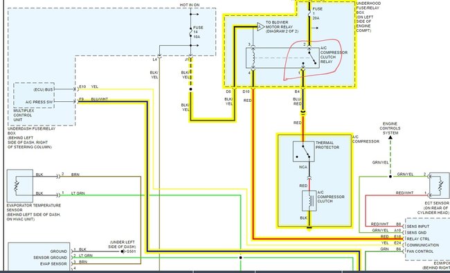
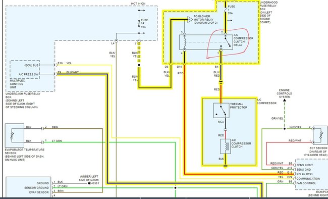
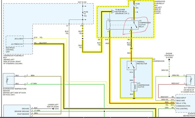
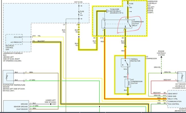
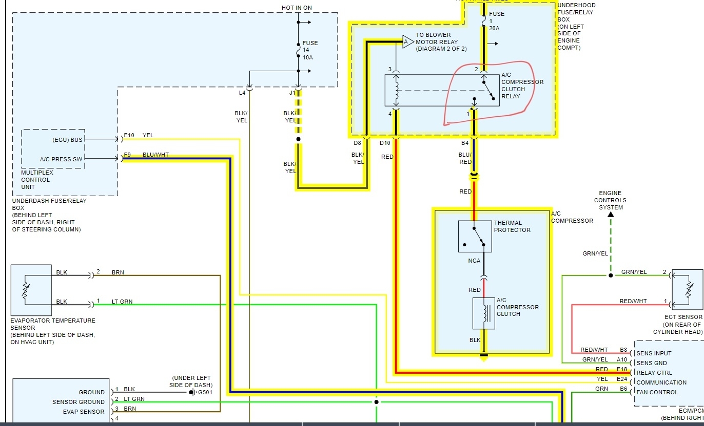
I found a diagram of the relay that was shorted to ground
Vehicle listed above is an SE model.
Tuesday, June 15th, 2021 AT 1:05 PM




