Wipers stopped working?

Tiny
WWAKEFIELD
  • MEMBER
  • 2006 CHRYSLER PT CRUISER
  • 4 CYL
  • AUTOMATIC
  • 35,000 MILES
Wipers stopped working. When the switch is turned on, the wiper blade will move just a "tick" otherwise, no movement. Is it the switch, the relay or the wiper motor?
Wednesday, January 5th, 2011 AT 3:44 AM

12 Replies

Tiny
CARADIODOC
  • MECHANIC
  • 34,463 POSTS
Turn the switch to "low" or "high", not a delay setting, then check for voltage on the case of the motor or the metal mounting plate. If you find voltage there connect an extra ground wire between the mounting plate/motor and a good ground on the body.

Caradiodoc
Was this
answer
helpful?
Yes
No
+2
Wednesday, January 5th, 2011 AT 3:59 AM
Tiny
JONDSPEN
  • MEMBER
  • 4 POSTS
Might be the turn signal switch.

I have the same problem - 2006 PT Cruiser LE. High front wipers went out, then the lows. Now turn them on and get just a tick movement. Motor works fine when ran directly to the battery, so I went to salvage yard and one at a time replaced (1) wiper switch, (2) pulled a TIPM off another 06 cruiser and installed, and when neither of these worked (3) replaced the front wiper motor. Still had the same problem. Looking at the wiring, you will notice the wiper (right control) plug in (both connectors on top) to the headlight switch (left control), and then from here you have your wires going out from the bottom (to the TIPM?). I found another post on another forum which said the headlight/turn switch might be the issue. I am going back to junk yard tomorrow and pulling the turn signal switch to see if this fixes.
Was this
answer
helpful?
Yes
No
Tuesday, September 24th, 2019 AT 1:20 PM
Tiny
KEN L
  • MASTER CERTIFIED MECHANIC
  • 55,291 POSTS
Please let us know what you find. We are interested to see what it is.
Was this
answer
helpful?
Yes
No
Friday, September 27th, 2019 AT 5:15 PM
Tiny
JONDSPEN
  • MEMBER
  • 4 POSTS
No luck changing out the turn signal either. I finally just got a 20 amp fuse, a couple of switches, and some wire and hard wired the motor directly to battery with the switches zip tied to the ac vent in the cabin. Looks jinky as hell, but cost me less about $15 for all the parts. Wasted 2-3 days and multiple trips to the salvage yard replacing every component that I could see in the system (wiper control, turn signal control, wires between the two, TIPM, and wiper motor) but every replaced part still had the 'tick'. Maybe the salvage yard TIPM was bad or just didn't work, or had the same problem too - but a rebuilt one online is $280, and no way I was going to spend that on a gamble that might not fix. Even the guy online at the company said he would sell me one, but didn't think it was my TIPM after I explained all the electrical problem I was having, not only wipers, but also my horn doesn't work, my radio sometimes will power on, sometimes won't, and my rear hatch will pop open at night if I don't use my battery disconnect to kill power (which I have to do b/c there is a parasitic drain on my battery that kills it after sitting 36+ hours). There's a lot of electrical issues with my POS Cruiser, so who knows what is going on with anything that uses electricity on mine. With key turned to power on, I was getting about 11 volts on the white/orange, and 6 volts on the home set position (all brown). I didn't notice a change in voltage when I turned the wipers off or on - just a constant reading unless the key was in the off position, then things drop to zero as expected. I am thinking that perhaps something is sending constant voltage to all three, when it shouldn't be, thus why it doesn't work and you only get a tick (constant voltage on low/high/park settings causing it to get 'ticked' off), but again, online research implied all this is controlled in the TIPM, and switching to another '06 didn't help, so who knows if I just had bad luck on the salvaged part(s), the PCM needed checked which I didn't do b/c you can't just switch this out (VIN specific), or something else entirely?
Was this
answer
helpful?
Yes
No
Friday, September 27th, 2019 AT 6:18 PM
Tiny
JONDSPEN
  • MEMBER
  • 4 POSTS
BTW - the TIPM cam from another salvage yard. All other components came from a different one, and the guy there said the car was his inlaws before and all good, they just needed the motor out of it for another. So if he was right, both controllers, wires, and motor should have been fine.
Was this
answer
helpful?
Yes
No
Friday, September 27th, 2019 AT 6:21 PM
Tiny
KEN L
  • MASTER CERTIFIED MECHANIC
  • 55,291 POSTS
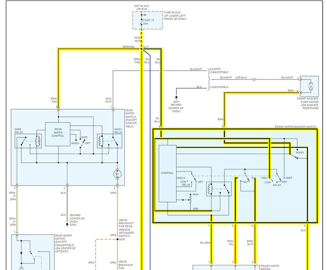
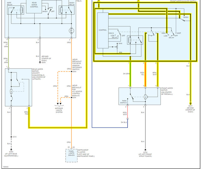
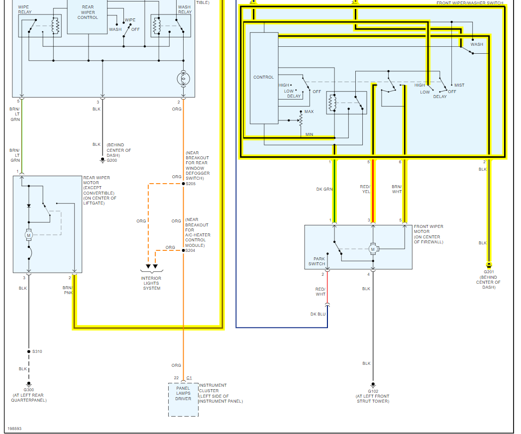
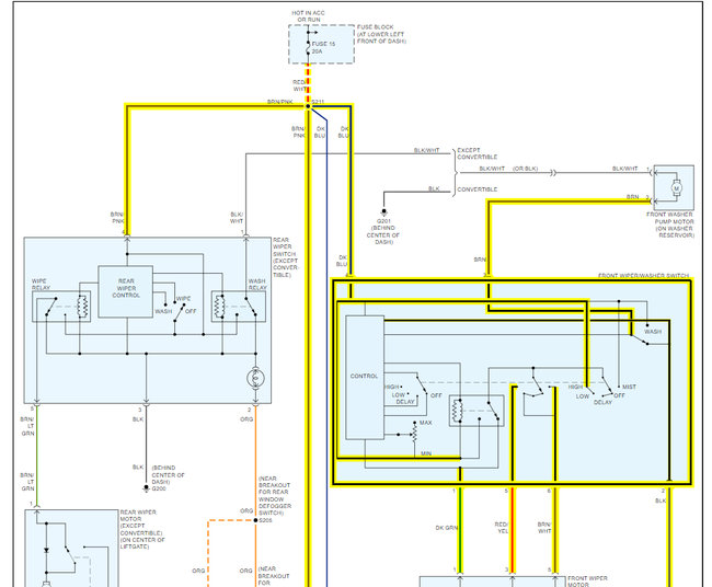
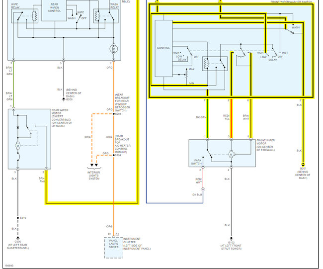
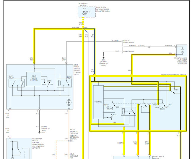
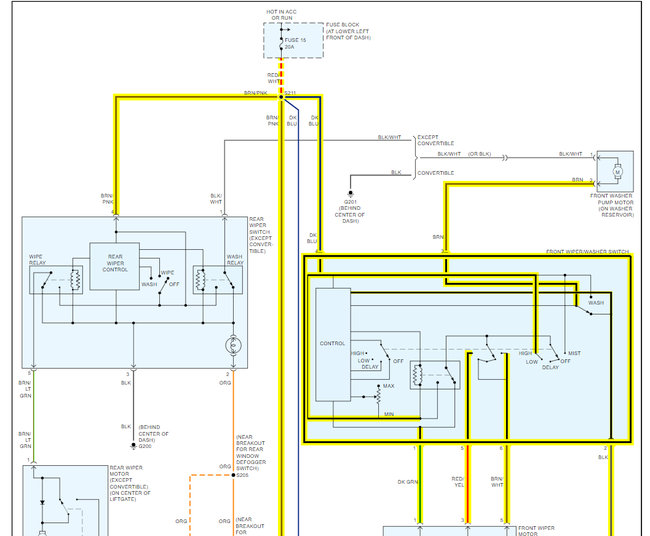
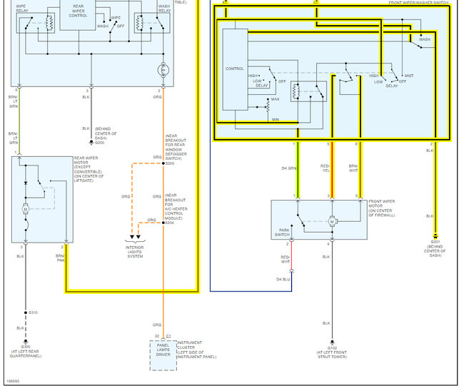
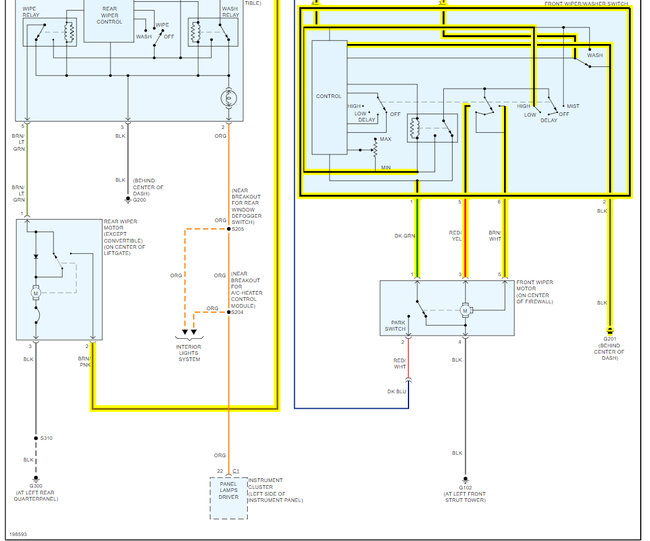
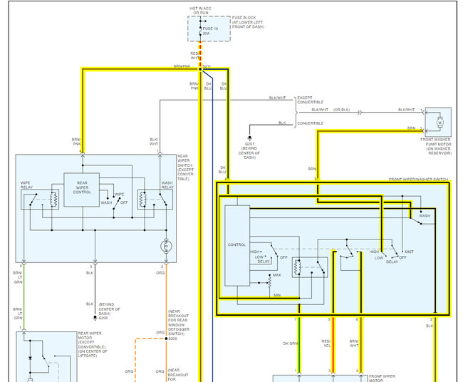
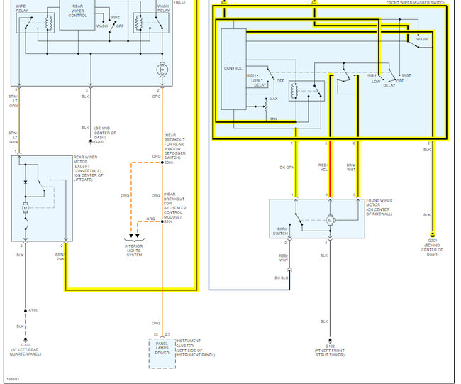
It still sounds like the TIPM is out. To be sure here is the wiring diagrams and a guide to help test for power:

https://www.2carpros.com/articles/how-to-use-a-test-light-circuit-tester

See where you loose power and let me know.
Was this
answer
helpful?
Yes
No
+2
Sunday, September 29th, 2019 AT 9:53 AM
Tiny
JONDSPEN
  • MEMBER
  • 4 POSTS
Thanks! That's the same schematic I got from the guy at O'Reilly's. I'm with you though.I still think it's the TIPM, but (2) $5 switches and some wire is a hella lot cheaper than ordering a rebuilt TIPM for $280, which still might not fix the problem and then I'm out that money for something I didn't need. With sun and no rain in the forecast for the next 10 days, I got to put time to other life stuff that's higher priority for now. If I get to play with it anymore and figure out anything new, I'll be sure to post it on here.

Thanks for the help and input!
Was this
answer
helpful?
Yes
No
+1
Sunday, September 29th, 2019 AT 7:13 PM
Tiny
KEN L
  • MASTER CERTIFIED MECHANIC
  • 55,291 POSTS
Nice work, we are here to help, please use 2CarPros anytime.
Was this
answer
helpful?
Yes
No
+1
Monday, September 30th, 2019 AT 4:56 PM
Tiny
FRIAS
  • MEMBER
  • 1 POST
  • 2006 CHRYSLER PT CRUISER
  • 4 CYL
  • 2WD
  • AUTOMATIC
  • 20,000 MILES
My car was in a wreck I fix everything now my windshield wipers dont work?
Was this
answer
helpful?
Yes
No
Tuesday, July 6th, 2021 AT 3:34 PM (Merged)
Tiny
DANNY L
  • MECHANIC
  • 5,648 POSTS
Hello, I'm Danny.

Here is the information you requested. It's possible the windshield wiper motor-module is defective or failed. Here is a tutorial showing how to replace the windshield washer motor-module I've attached picture steps below on how to replace the component on your car. Hope this helps and thanks for using 2CarPros.
Was this
answer
helpful?
Yes
No
Tuesday, July 6th, 2021 AT 3:34 PM (Merged)
Tiny
DAWNHOPE
  • MEMBER
  • 1 POST
  • 2005 CHRYSLER PT CRUISER
When I turn on my wipers they dont work. When I try to use the sprayer it dont work the wipers just sit there my dad changed the fuse under the dashboard number 15 and it still does not work
Was this
answer
helpful?
Yes
No
Tuesday, July 6th, 2021 AT 3:36 PM (Merged)
Tiny
ASEMASTER6371
  • MECHANIC
  • 52,796 POSTS
Good morning,

This could be several things. I would first verify power to the fuse you replaced. With the fuse installed, you need to test for voltage on both sides.

https://www.2carpros.com/articles/how-to-check-a-car-fuse

Then you need to test for voltage to the switch. The switch controls the operation of the wiper motor and the washer. I attached the connector diagram where you need to test for voltage t the pin I circled.

https://www.2carpros.com/articles/how-to-check-wiring

https://www.2carpros.com/articles/how-to-use-a-voltmeter

If it has power, I would replace the switch. It is a common failure.

Roy
Was this
answer
helpful?
Yes
No
Tuesday, July 6th, 2021 AT 3:36 PM (Merged)

Please login or register to post a reply.