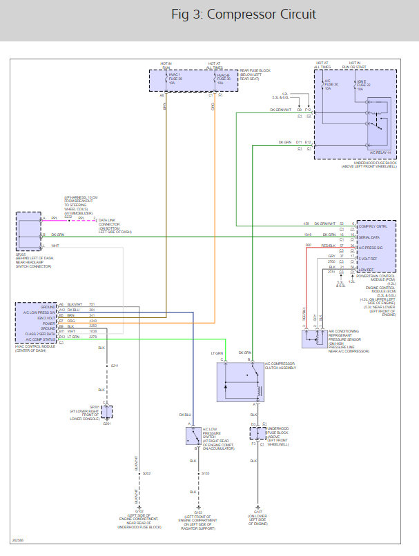
Friday, December 24th, 2010 AT 8:26 PM
I had a burnt electrical smell then the blower stopped working. It works intermittently. Can any one help me diagnose the problem?

















