Tuesday, December 27th, 2011 AT 3:57 PM
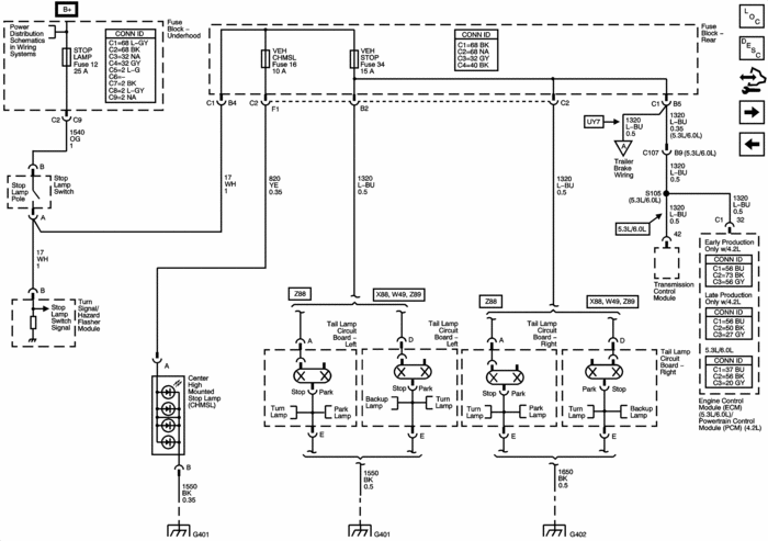
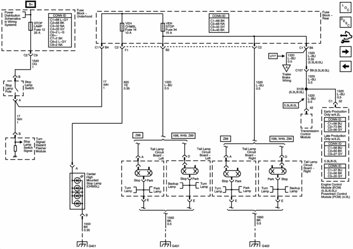
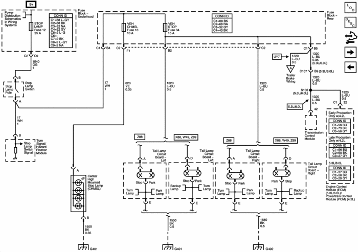
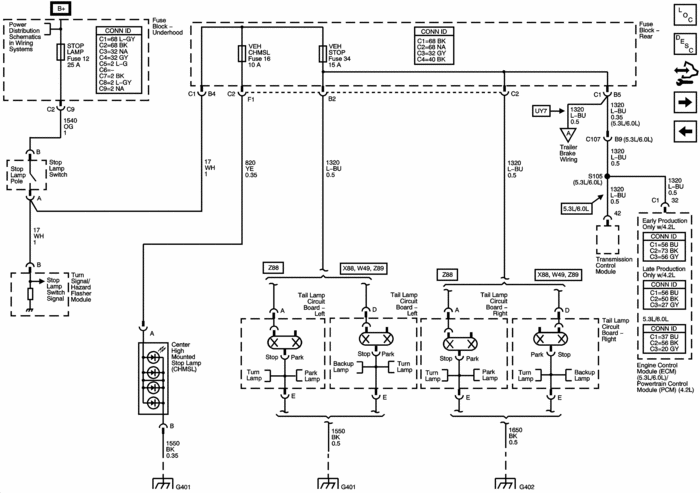
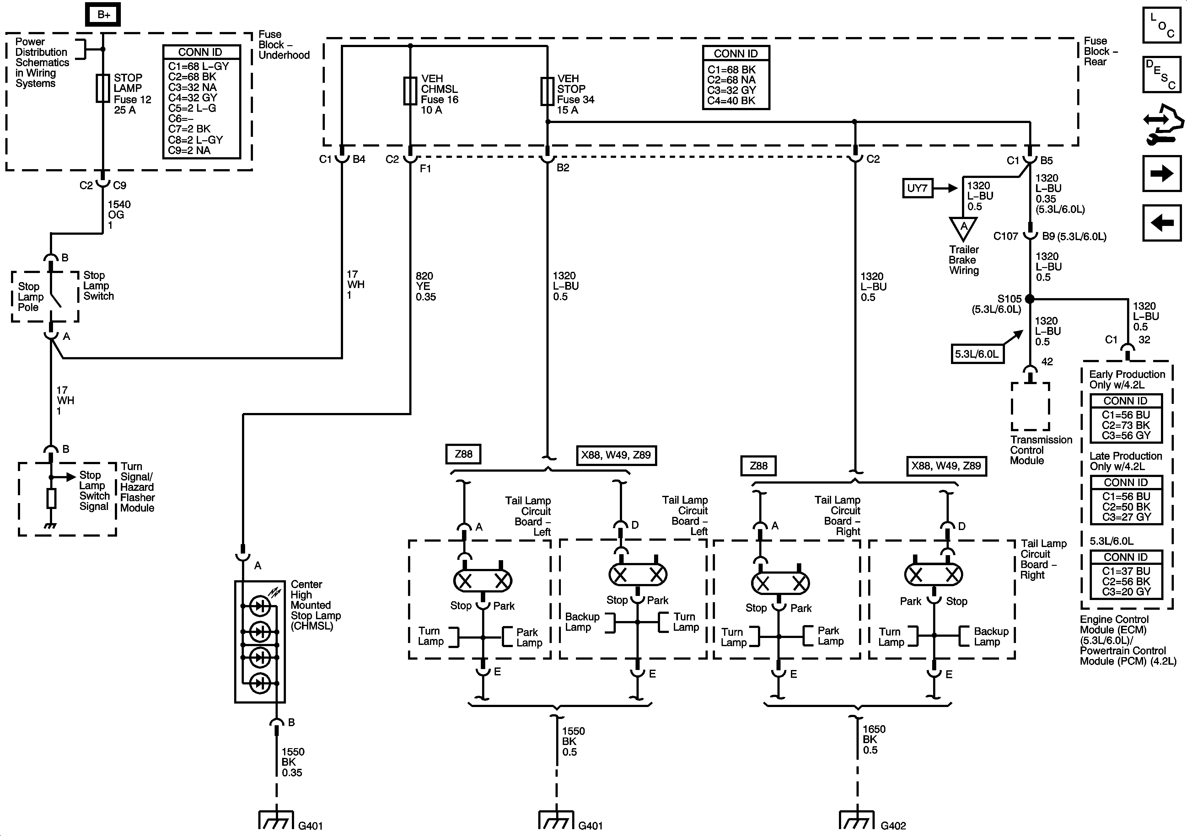
I have a 2006 Chevy Trailblazer LT 4WD. My brake lights do not come on. The roof mounted tailight does come on. I have replaced the bulbs, checked the stop fuse (#12 in the engine compartment), and replaced the brake light switch on the pedal. No luck.


