The ignition key turn all the way back, stuck?

Tiny
KEN L
  • MASTER CERTIFIED MECHANIC
  • 55,538 POSTS
Hello,

It sounds like the battery has gone bad and has a short circuit, Here is a guide to help you get the problem fixed.

https://www.2carpros.com/articles/how-to-replace-a-car-battery

Please let us know what happens.

Cheers, Ken

Was this
answer
helpful?
Yes
No
-1
Monday, July 13th, 2020 AT 6:23 PM (Merged)
Tiny
LYRIC NOLOVE JJAMES
  • MEMBER
  • 1 POST
  • 2004 CADILLAC CTS
  • 17,000 MILES
My key will not turn all the way off and I brought it from dealer with metal key. Now it is not reading anything and will not start or turn off lights in car. I really do not know what to do. I do not nor never had the original key? The key will not turn?
Was this
answer
helpful?
Yes
No
Monday, July 13th, 2020 AT 6:23 PM (Merged)
Tiny
KEN L
  • MASTER CERTIFIED MECHANIC
  • 55,538 POSTS
The way I'm reading this is the ignition switch will not turn all the way off. If this is correct it sounds like you have an ignition switch that has gone out or a shift cable that is coming apart. I would check the cable ends at the transmission and at the shifter. If that looks okay the ignition tumbler is jammed and needs replacement, here are some guide to show you how to do it. It could be the transmission linkage as well.
Was this
answer
helpful?
Yes
No
Monday, July 13th, 2020 AT 6:23 PM (Merged)
Tiny
BIGDANE4985
  • MEMBER
  • 3 POSTS
  • 2004 CADILLAC CTS
The key is stuck in the ignition and wont come out its in park and shut off and have tried to move it and try again and still nothing
Was this
answer
helpful?
Yes
No
Monday, July 13th, 2020 AT 6:24 PM (Merged)
Tiny
BLUELIGHTNIN6
  • MECHANIC
  • 16,542 POSTS
Can you still turn the key?
Was this
answer
helpful?
Yes
No
+1
Monday, July 13th, 2020 AT 6:24 PM (Merged)
Tiny
BIGDANE4985
  • MEMBER
  • 3 POSTS
Yea it still startand everything just wont come out lol
Was this
answer
helpful?
Yes
No
-1
Monday, July 13th, 2020 AT 6:24 PM (Merged)
Tiny
BLUELIGHTNIN6
  • MECHANIC
  • 16,542 POSTS
Try putting your foot on the brake (key in ACC postion) and pulling up the switch on the gear shift lever.
Was this
answer
helpful?
Yes
No
-2
Monday, July 13th, 2020 AT 6:24 PM (Merged)
Tiny
BIGDANE4985
  • MEMBER
  • 3 POSTS
Didnt work and none of the light on the shifter coloum work
Was this
answer
helpful?
Yes
No
-2
Monday, July 13th, 2020 AT 6:24 PM (Merged)
Tiny
CANDICEDISNEY
  • MEMBER
  • 1 POST
  • 2003 CADILLAC CTS
  • 6 CYL
  • AWD
  • AUTOMATIC
  • 46,000 MILES
My key is stuck in the ignition and won't come out. The message is that starter disabled, remove key.
I have tried to unplug the battery cables to reset the computer and that has not worked
Was this
answer
helpful?
Yes
No
Monday, July 13th, 2020 AT 6:24 PM (Merged)
Tiny
DR LOOT
  • MECHANIC
  • 2,311 POSTS
It must not be all the way in park, try turning the key back on and take the shifter out of park to neutral and put it back in park see if the key comes out.
Was this
answer
helpful?
Yes
No
-2
Monday, July 13th, 2020 AT 6:24 PM (Merged)
Tiny
BLUELIGHTNIN6
  • MECHANIC
  • 16,542 POSTS
Okay, disconnect your negative battery cable and reconnect it after a few minutes. Let me know if this helps.
Was this
answer
helpful?
Yes
No
-1
Monday, July 13th, 2020 AT 6:24 PM (Merged)
Tiny
FACTORYJACK
  • MECHANIC
  • 4,159 POSTS
Does it still start, or is that prohibited?
Was this
answer
helpful?
Yes
No
+1
Monday, July 13th, 2020 AT 6:24 PM (Merged)
Tiny
SHAKO BUACHIDZE
  • MEMBER
  • 7 POSTS
  • 2004 CADILLAC CTS
  • 3.6L
  • 6 CYL
  • 2WD
  • AUTOMATIC
  • 130,000 MILES
Hello, please help! I go crazy with my car. I leave in Europe (Georgia, Tbilisi) and we don't have Cadillac dealer, so I only can write you. My problem is: key stuck in ignition, service theft system message, fuel gauge not work, parking position light not work in this time. I can only start engine from starter relay manually (i remove starter relay and start engine from there). I ordered re-manufactured and programmed ECM, but I cannot do key relearn procedure. Seems like I lost something between Keys Off and On Position. Can you please help me?
Was this
answer
helpful?
Yes
No
Monday, July 13th, 2020 AT 6:24 PM (Merged)
Tiny
KEN L
  • MASTER CERTIFIED MECHANIC
  • 55,538 POSTS
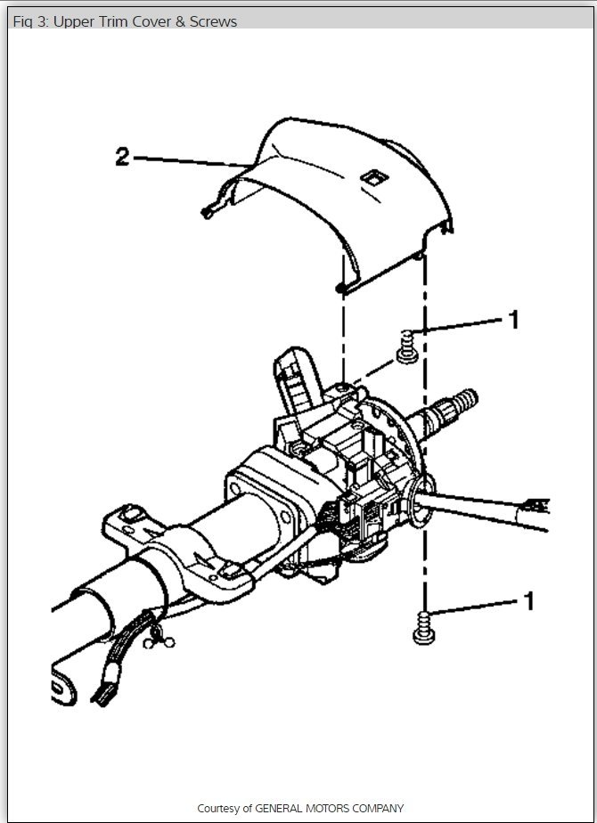
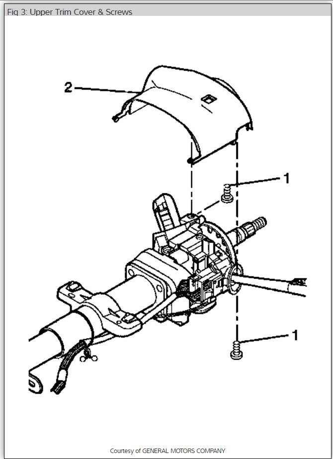
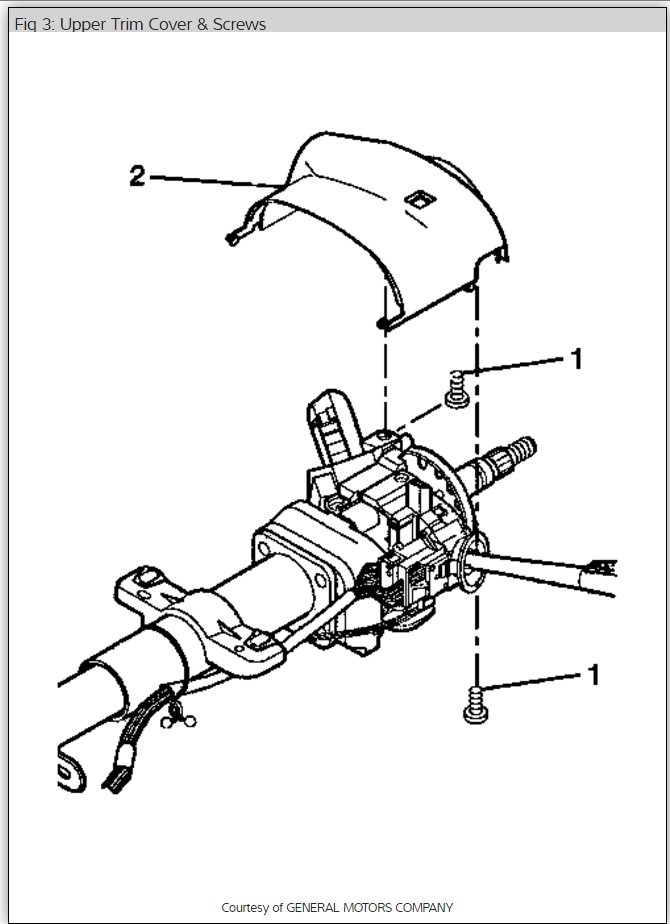
What happens on these cars is the shifter needs to be adjusted causing the ignition key not to be removed. Here is a guide to help you see what you need to adjust. Check out the diagrams (below). Please let us know what you find. We are interested to see what it is.
Was this
answer
helpful?
Yes
No
Monday, July 13th, 2020 AT 6:24 PM (Merged)
Tiny
SHAKO BUACHIDZE
  • MEMBER
  • 7 POSTS
Dear Ken, Thank you very much for fast answer! OMG, i think i also thought about something like this. because, my car have some noise when i shift to parking position. Please explain to me, where is this located? With diagram i do not understand, where it is. is it under gear shifter? or under the car? do you mean maybe transmission linkage like in this video? https://youtu.be/hmLBPin6ggw i am not professional mechanic, but i know many things and hope to fix it myself. So, please, explain me little bit more detailed, what i have to adjust or replace. Thank you in advance! i am big Cadillac fan, but unfortunately we don't have official dealer service in Tbilisi, so i cannot do anything.
Was this
answer
helpful?
Yes
No
+1
Monday, July 13th, 2020 AT 6:24 PM (Merged)
Tiny
KEN L
  • MASTER CERTIFIED MECHANIC
  • 55,538 POSTS
That is exactly what goes wrong it is under the car. here is a guide you can follow to raise the car safety:

https://www.2carpros.com/articles/jack-up-and-lift-your-car-safely

Can you please shoot a quick video with your phone so we can see what's going on? that would be great. You can upload it here with your response.
Was this
answer
helpful?
Yes
No
+1
Monday, July 13th, 2020 AT 6:24 PM (Merged)
Tiny
SHAKO BUACHIDZE
  • MEMBER
  • 7 POSTS
Dear Ken, Thank you very much for helping me. I think, you are my last hope :-) because, everyone was saying ECM, TCM, low voltage, etc. Only you say to me about and after your message I start to think about this noise and this thing. I have now video, I hope it uploads here, when not I will upload it on YouTube to show you everything. Important thing: this happens not exactly every time. For example, yesterday I was trying to shoot video, but car started normally with the key :-)) funny, but true. And after car starts normally, it needs some time, some hours, for problem come back. Today car was not starting and finally I have video now and I will upload it now here. P.S. After starting from starter relay I have two error codes: U0100 (Network) and P0700 (Transmission Control System MIL Request). P0700 is not every time, only sometimes. Hope, this video and my comments helps you to help me. So, can it be Shifter adjustment, what I need for fix this problem? As you know, I do not leave in USA, I am in Europe (Georgia) and we don't have here official Cadillac service. Thank you so much for helping me. Wait for your answer.
Was this
answer
helpful?
Yes
No
Monday, July 13th, 2020 AT 6:24 PM (Merged)
Tiny
KEN L
  • MASTER CERTIFIED MECHANIC
  • 55,538 POSTS
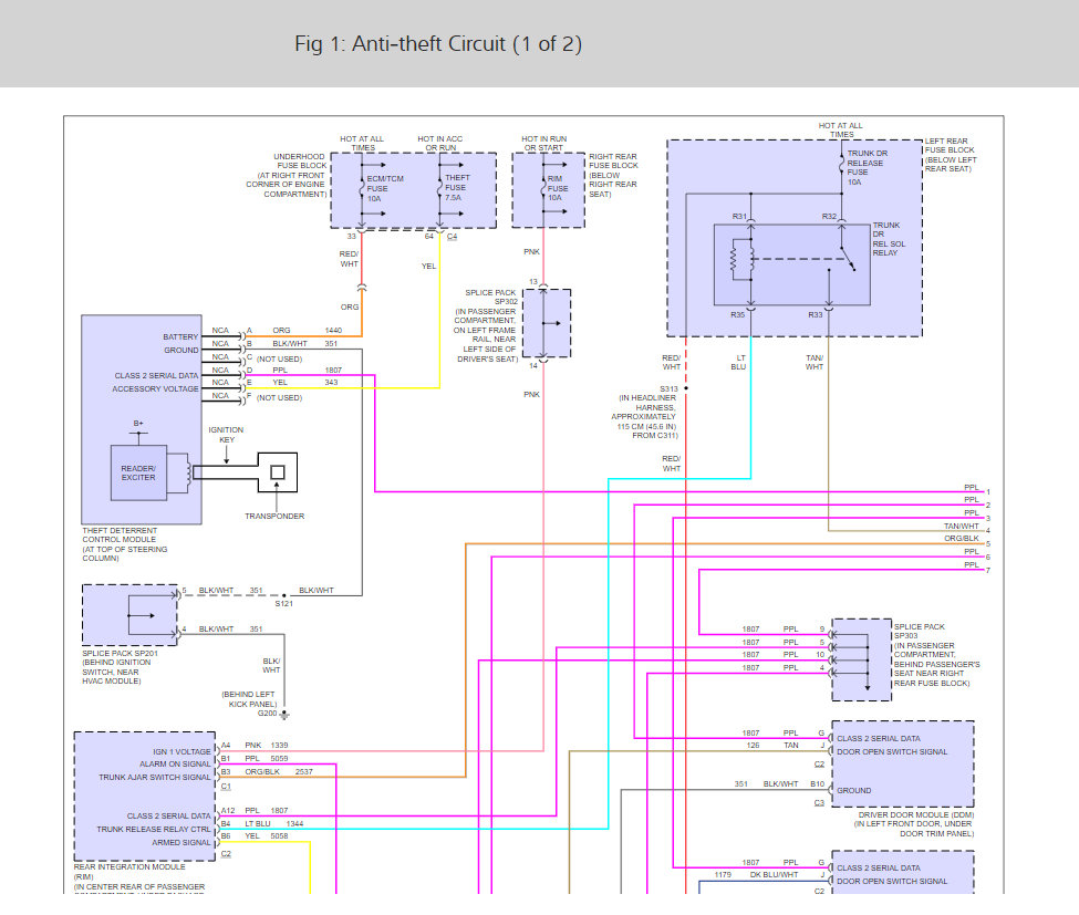
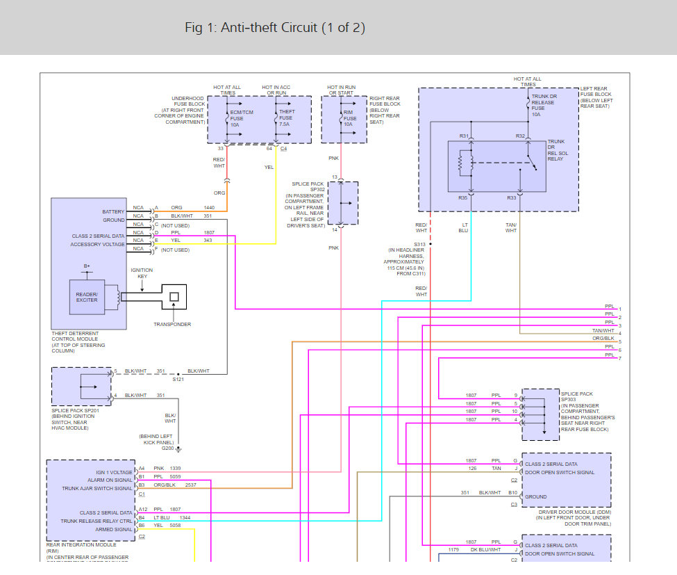
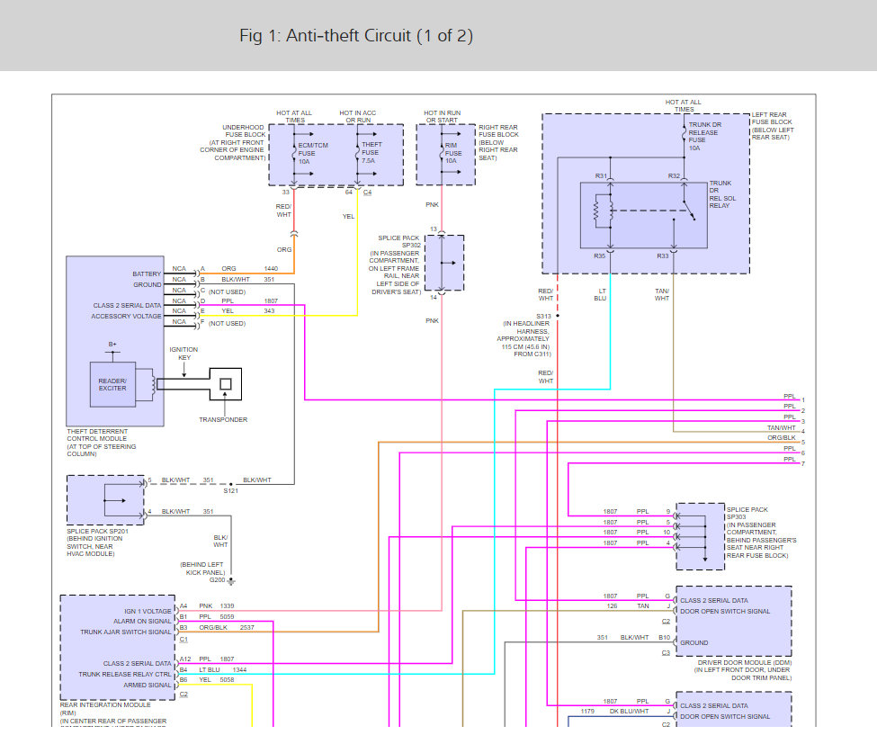
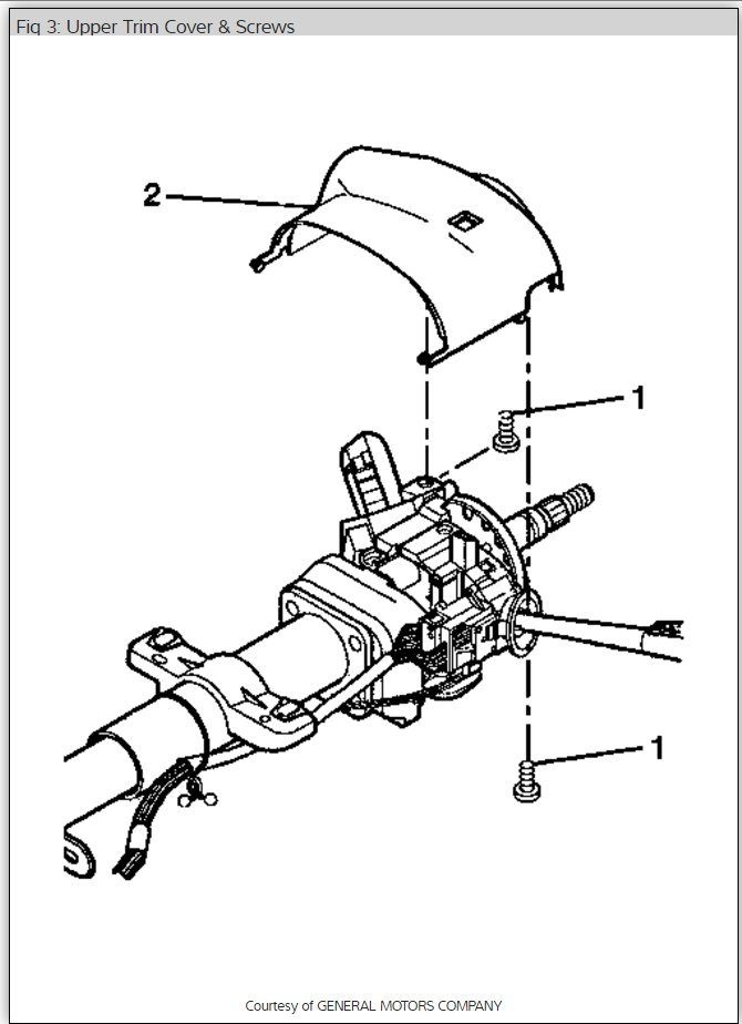
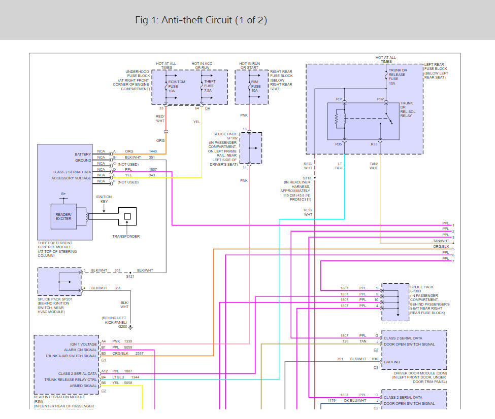
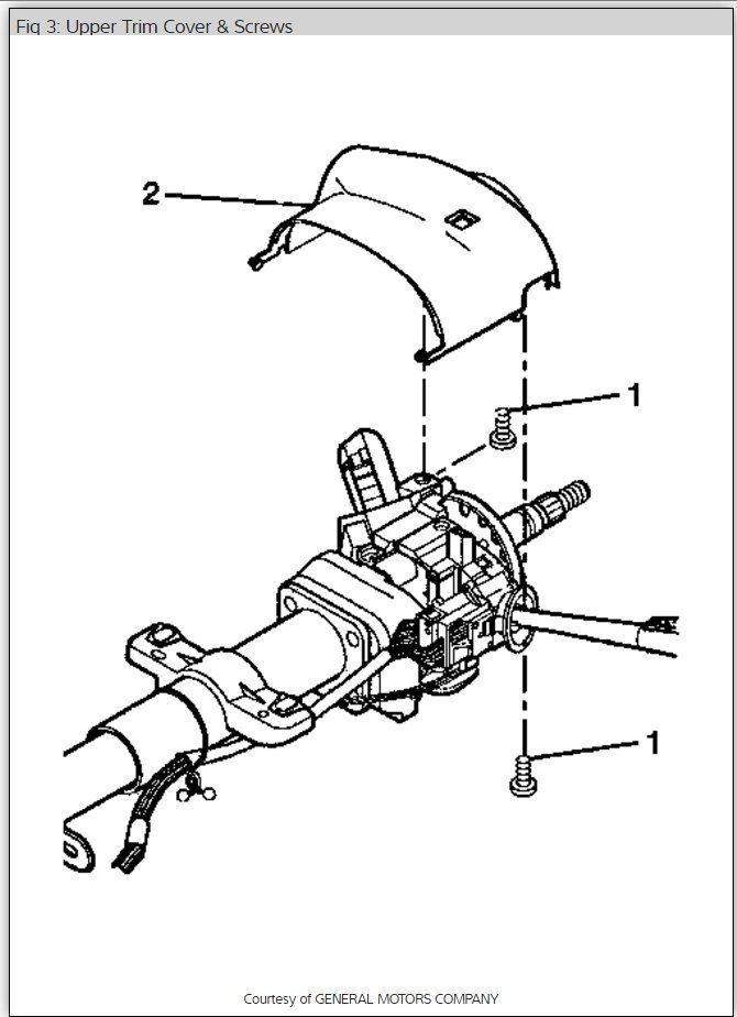
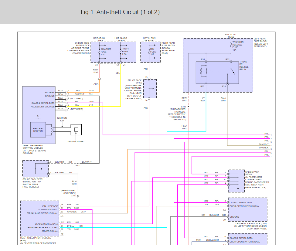
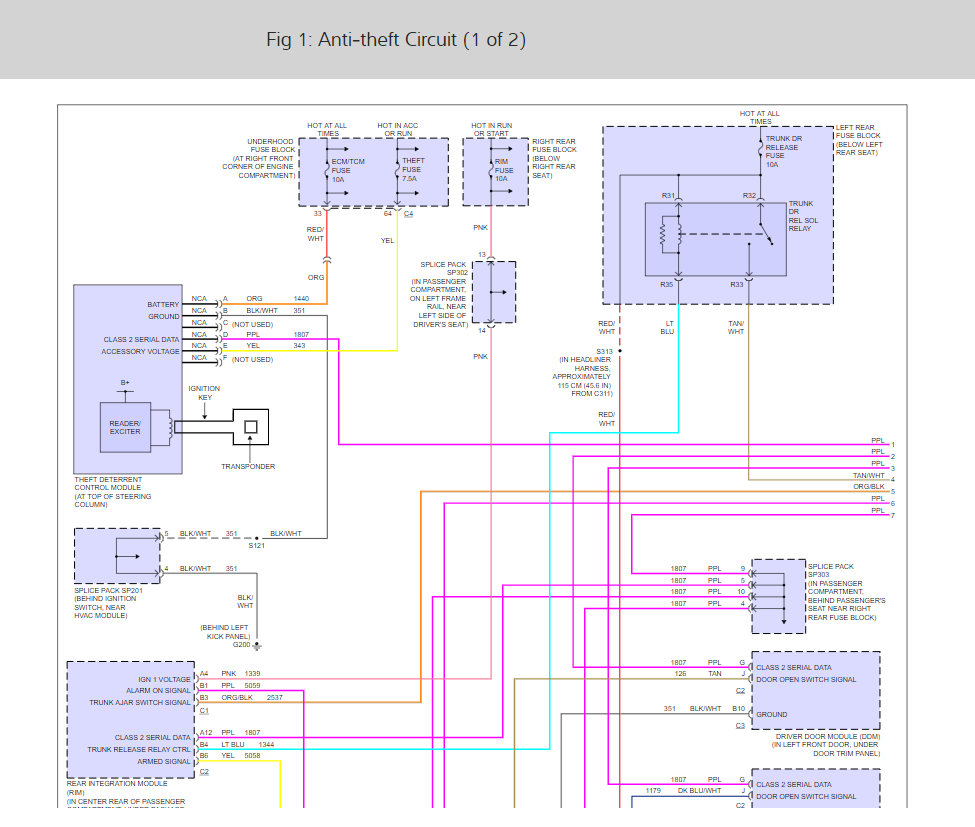
The network code is most likely the PCM, can you remove the electrical connector at the PCM to check for corrosion? Here is the location. Also I have included the security relearn institutions. Check out the diagrams (Below). Please let us know what happens.
Was this
answer
helpful?
Yes
No
Monday, July 13th, 2020 AT 6:24 PM (Merged)
Tiny
SHAKO BUACHIDZE
  • MEMBER
  • 7 POSTS
Dear Ken, no, there is no corrosion at the PCM. Connectors are also okay. We also tried install a new, programmed ECM but key relearn procedure can not be done. But with old ECM sometimes is everything okay. Sometimes Car starts absolutely normally! Did you see my video? One day ago car has started normally with key. Do you think after this video about shifter adjustment? Or no more? I think also about this detail under the steering wheel (please, see Photo, I don't know name of this part). Because, when I try to start and car can not start with the key, sometimes this detail is heated! Or maybe my key is damaged (please, see also key photo).
Was this
answer
helpful?
Yes
No
Monday, July 13th, 2020 AT 6:24 PM (Merged)
Tiny
KEN L
  • MASTER CERTIFIED MECHANIC
  • 55,538 POSTS
Yes I looked at the video and it looks like the immobilizer is broken, here is the security wiring diagrams and a guide to help you test the wiring as well. When it doesn't run is the security light flashing?

https://www.2carpros.com/articles/how-to-check-wiring

Check out the diagrams (Below). Please let us know what happens.
Was this
answer
helpful?
Yes
No
Monday, July 13th, 2020 AT 6:24 PM (Merged)

Please login or register to post a reply.