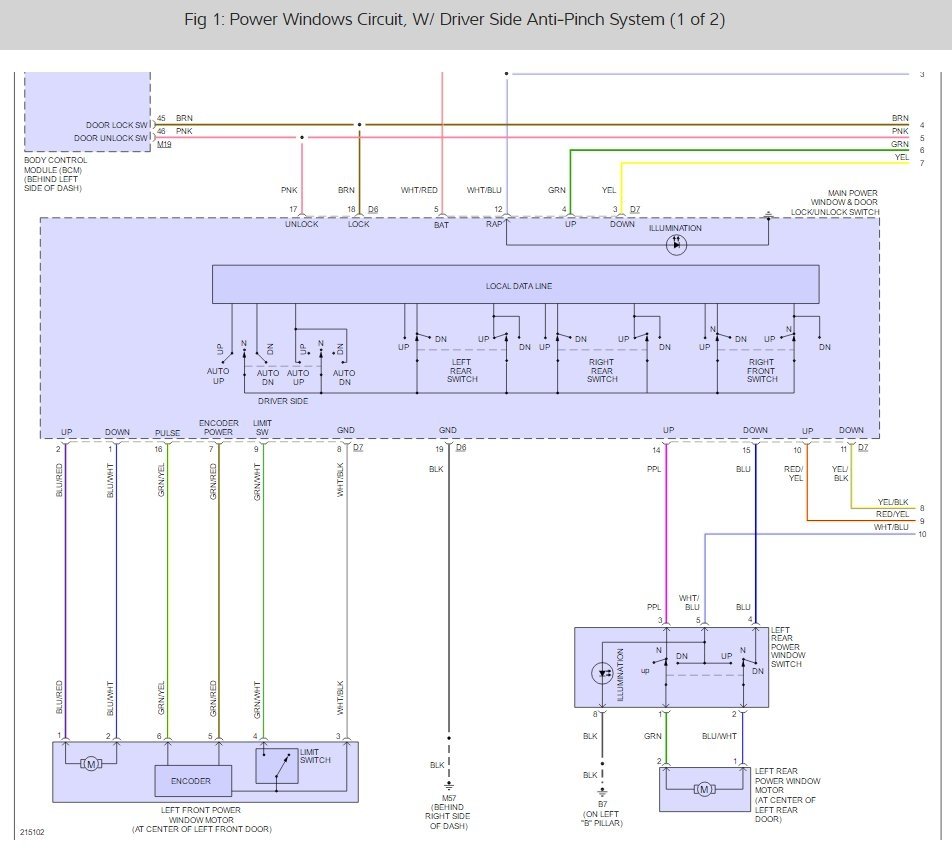
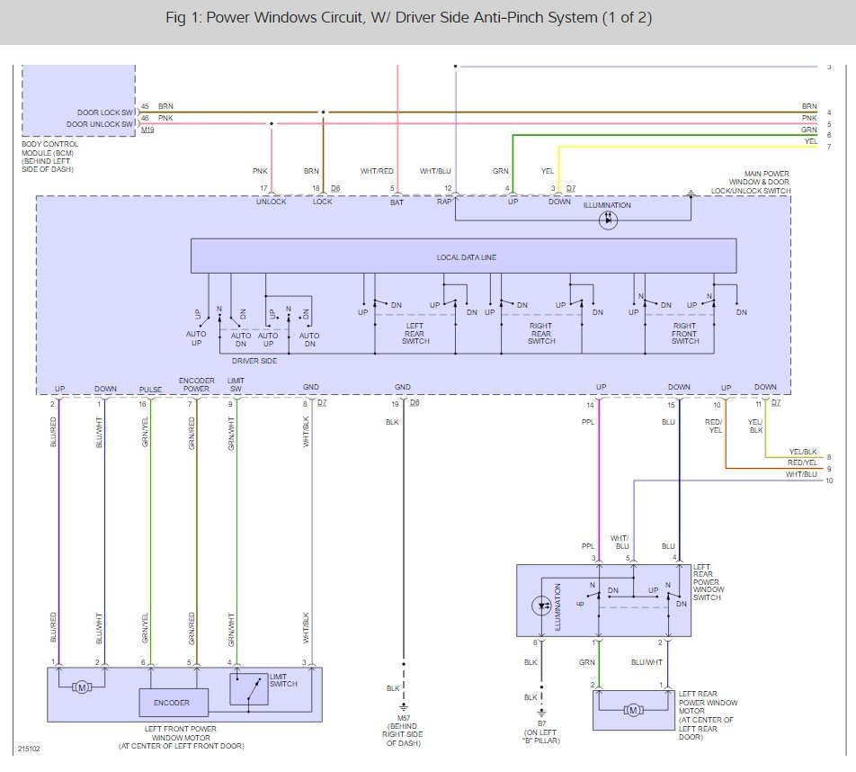
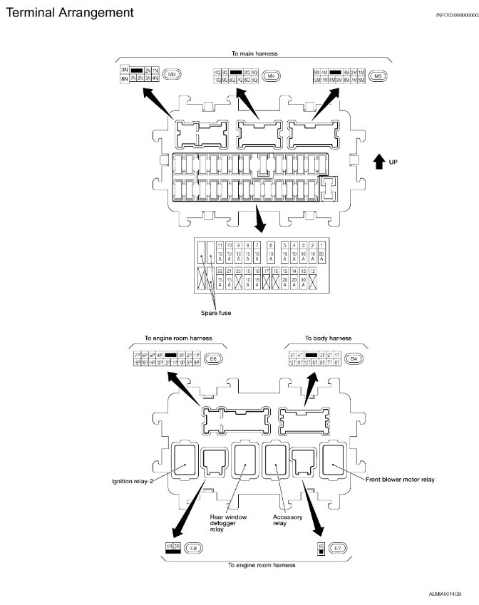
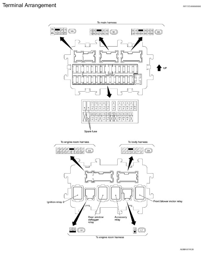
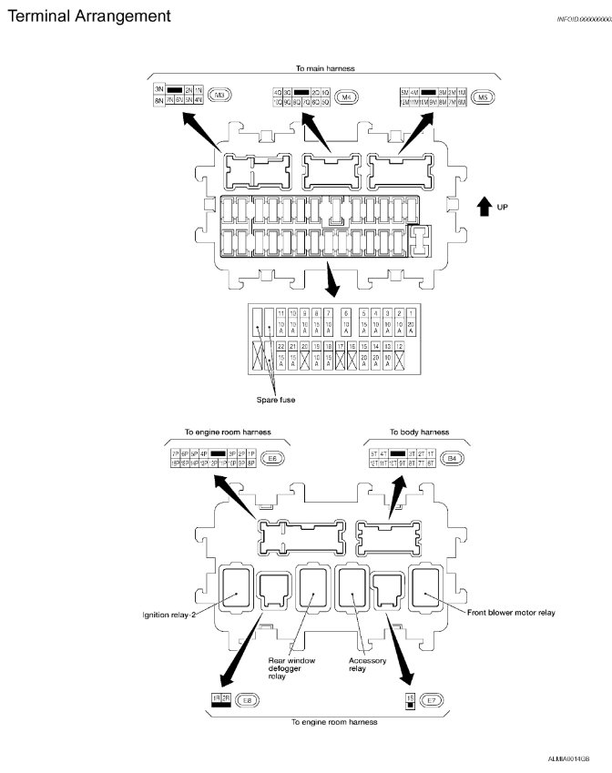
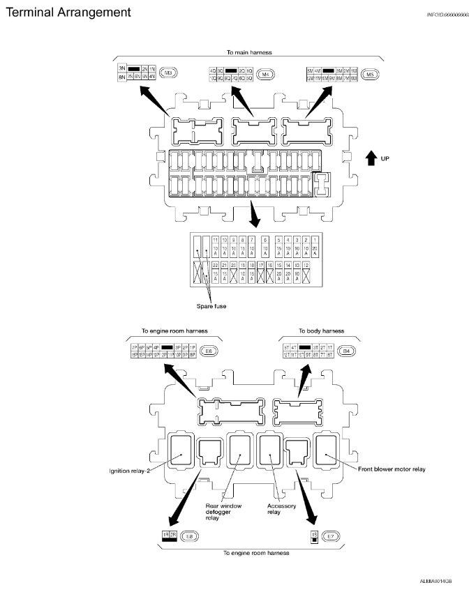
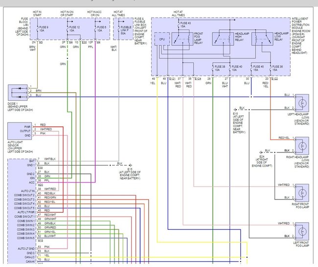
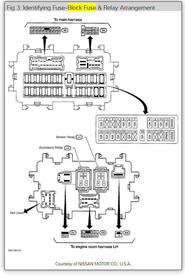
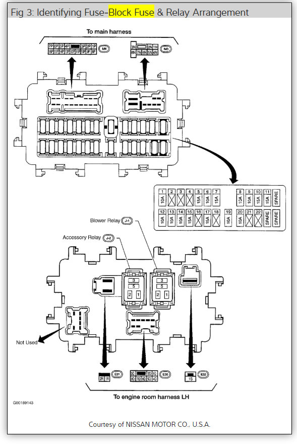
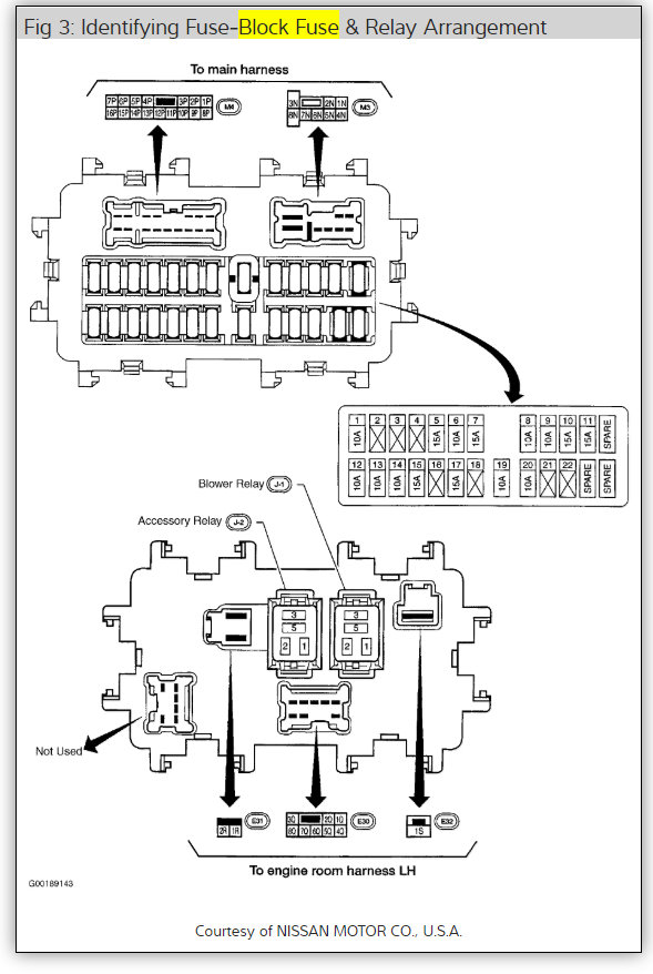
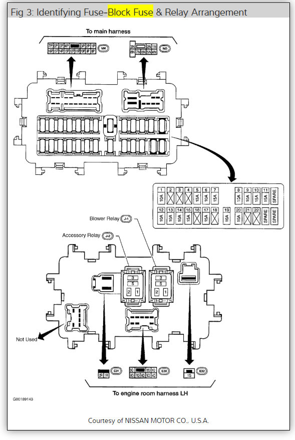
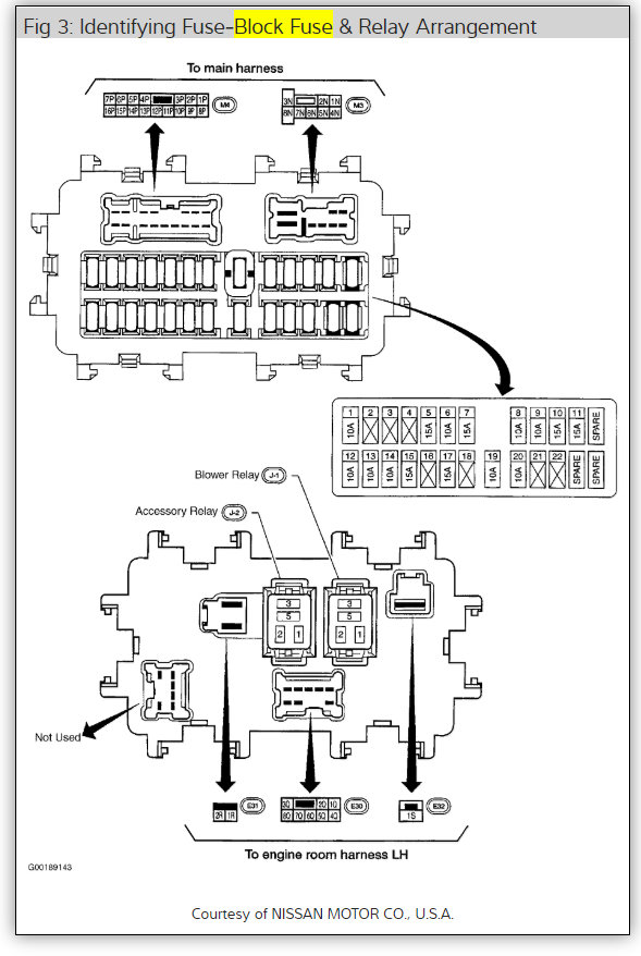
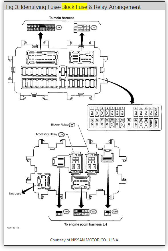
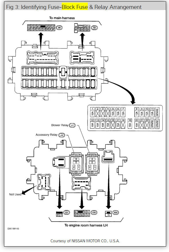
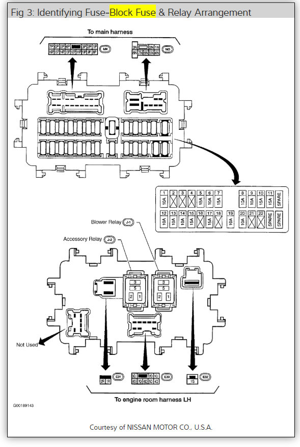
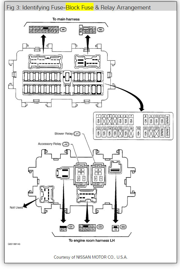
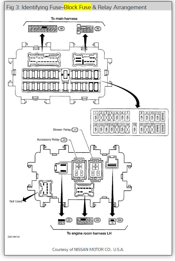
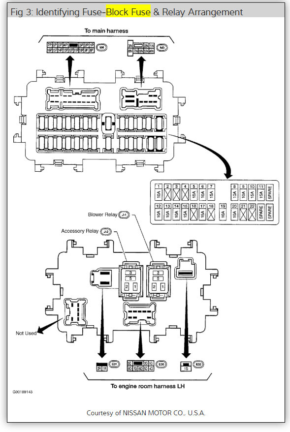
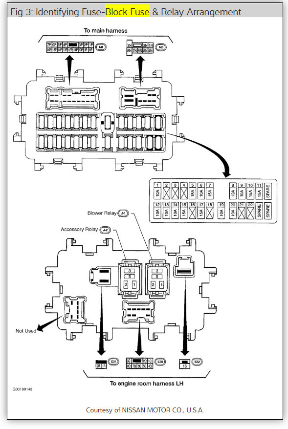
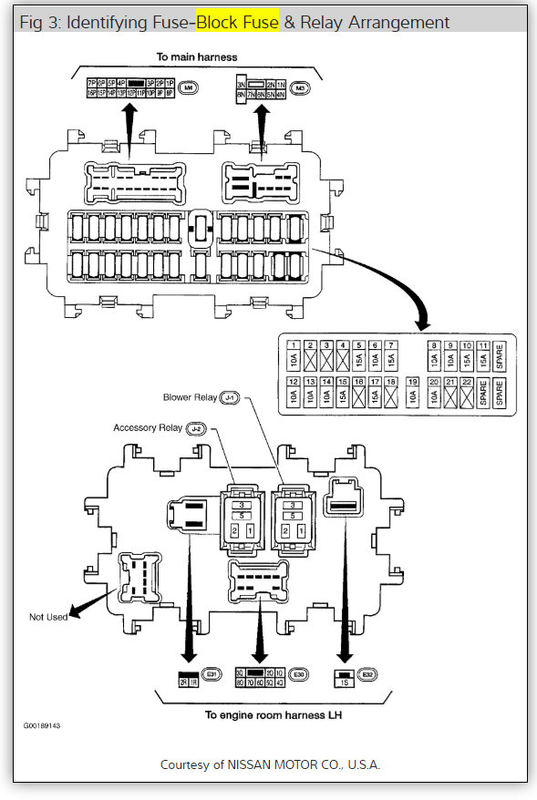
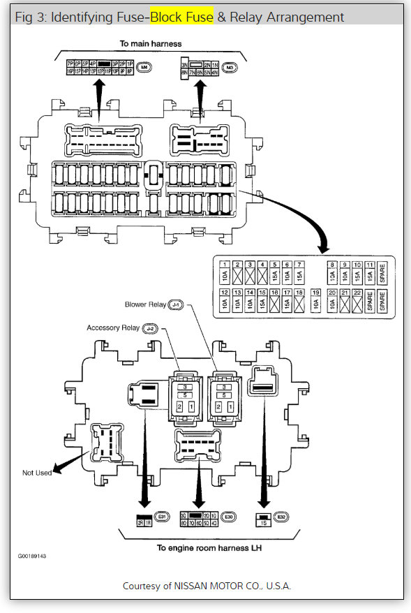
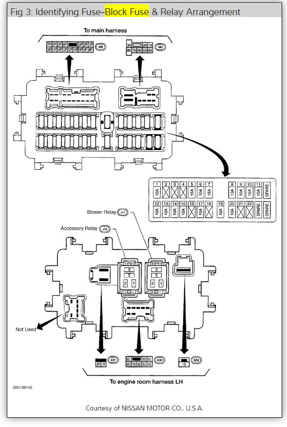
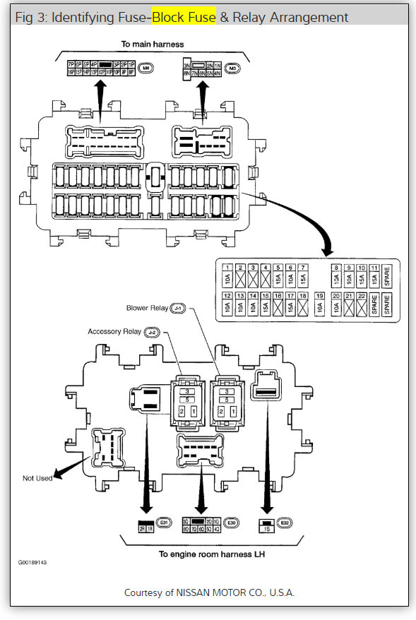
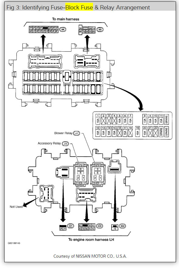
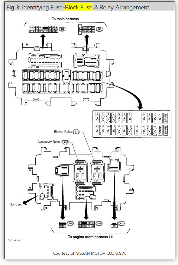
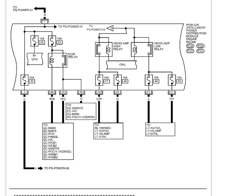
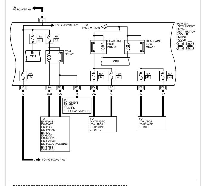
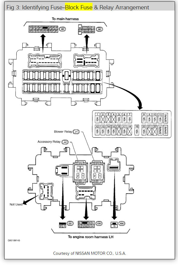
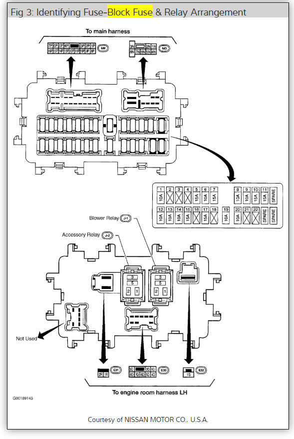
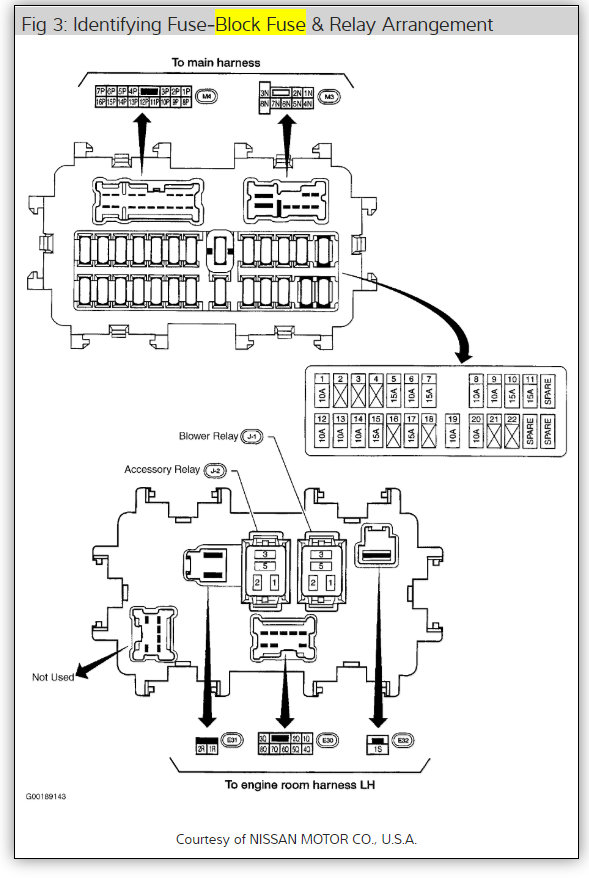
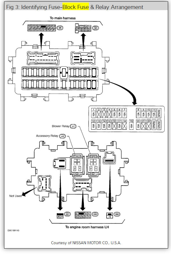
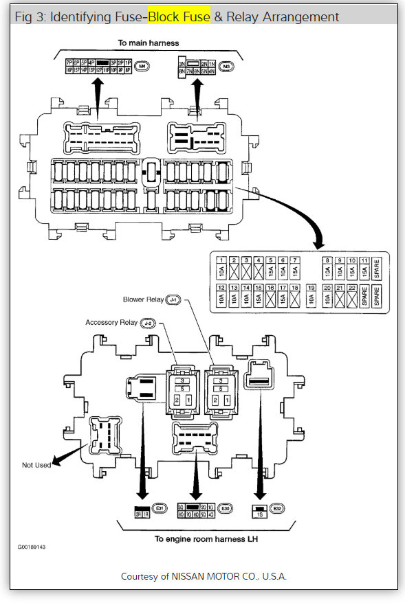
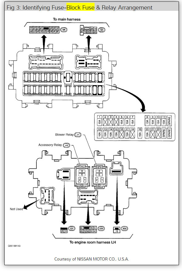
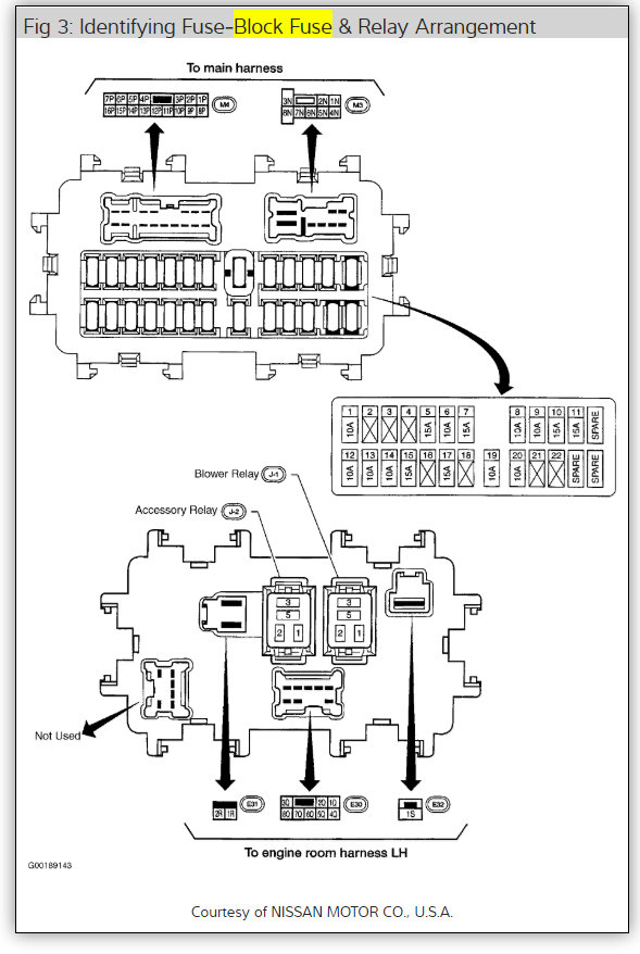
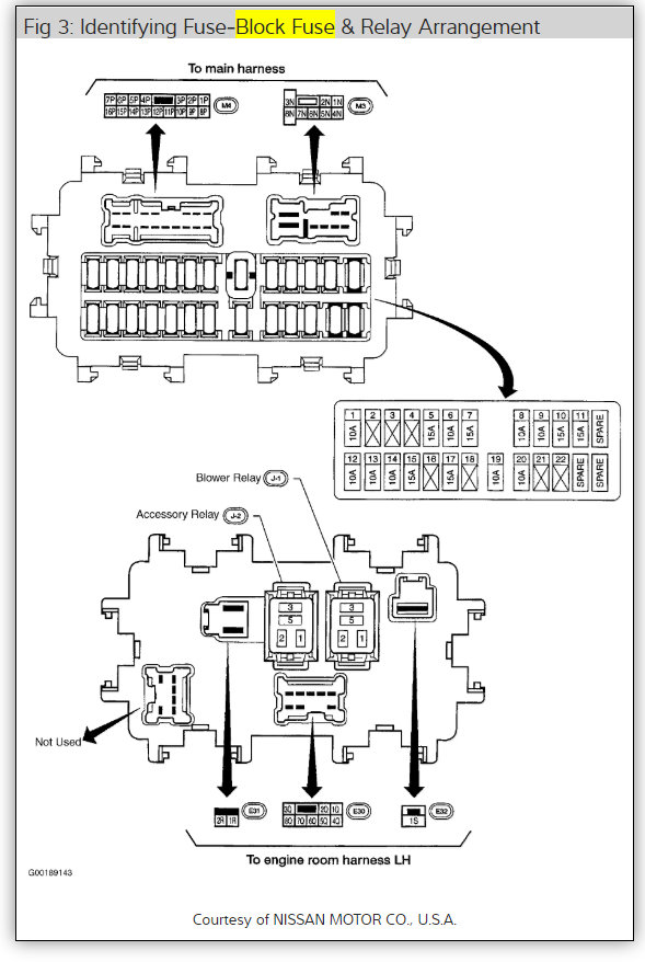
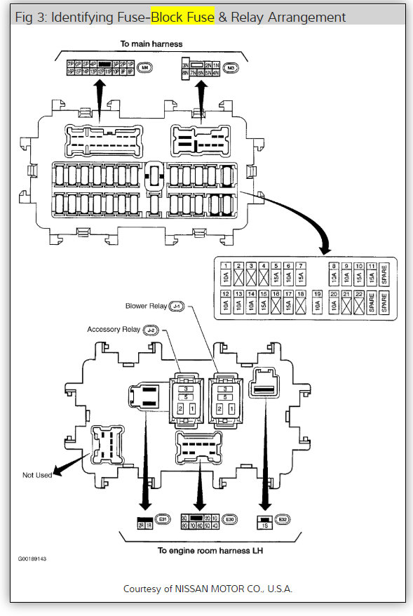
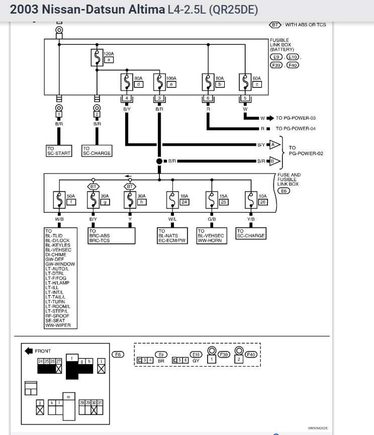
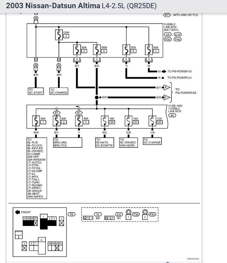
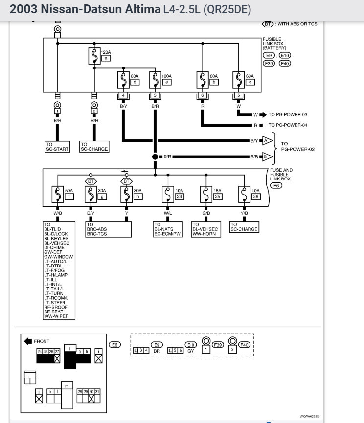
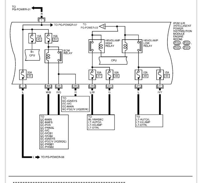
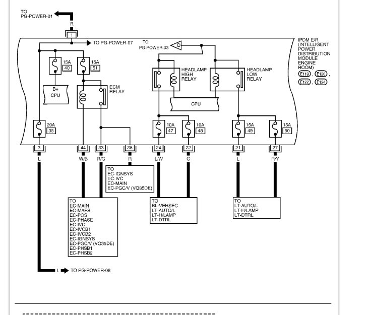
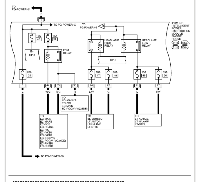
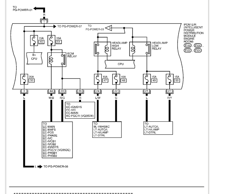
Which fuse controls the power windows and door locks? Or should they all be pulled and inspected? Nissan does not have any fuses on the Altima that are labeled "Windows" or "PW" and there is no fuse box diagram explaining what each fuse is for in the owner's manual.
By the way, the factory installed fuses are not transparent and you cannot see a blown fuse just by looking at it so you will need to replace and test to determine if the fuse is bad. And without knowing which fuse controls the power windows you will NOT be able to determine if you have tested the right fuse.
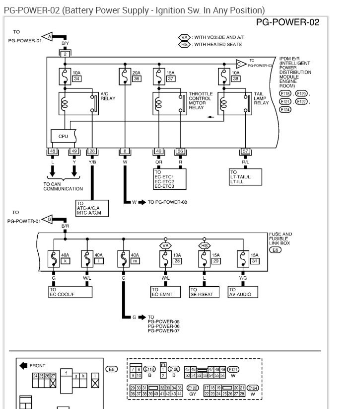
I have the same problem - no power windows or door locks (but power locks work with key fob so power is getting to the locking mechanism) and I am desperate for a real answer.
Sunday, August 25th, 2013 AT 3:48 PM

















































