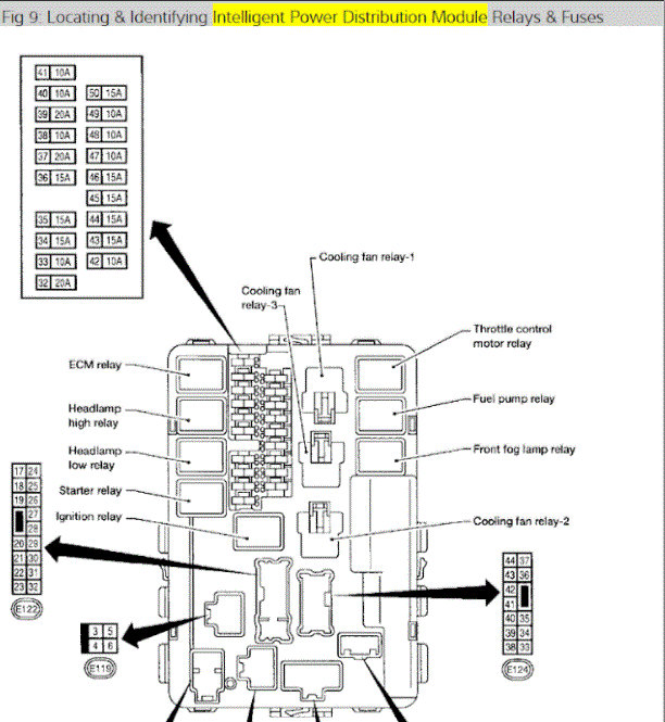
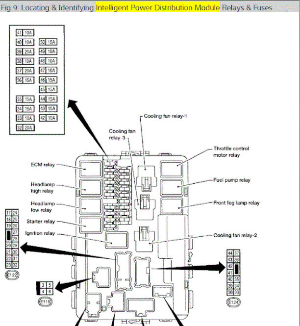
Thursday, February 11th, 2010 AT 5:27 PM
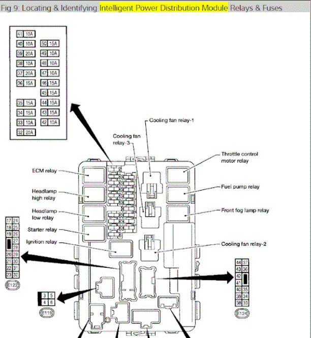
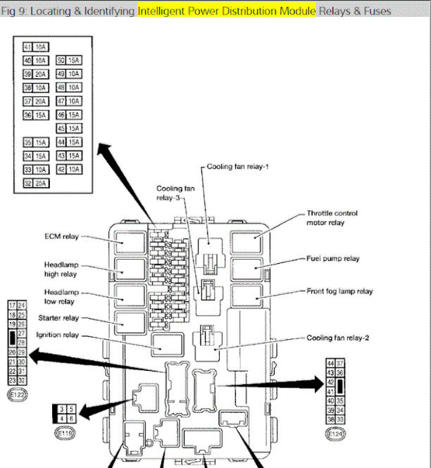
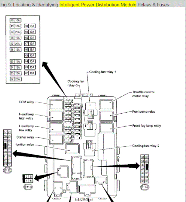
When stopped at a traffic light the lights went out I need to check the fuses but don't know where they are or how to check them can you help me?








