HOME
ASK A QUESTION
REPAIR GUIDES
BECOME A MEMBER
LOG IN
Login with Facebook
OR
Remember me
NOT A MEMBER?
FORGOT PASSWORD?
CONTACT US
PRIVACY POLICY
TERMS AND CONDITIONS
☰
Home
Nissan
Altima
Electrical
Fuse Panel
Location
Where are the fuses for the headlights located?
JAYPREZ
MEMBER
1999 NISSAN ALTIMA
142,437 MILES
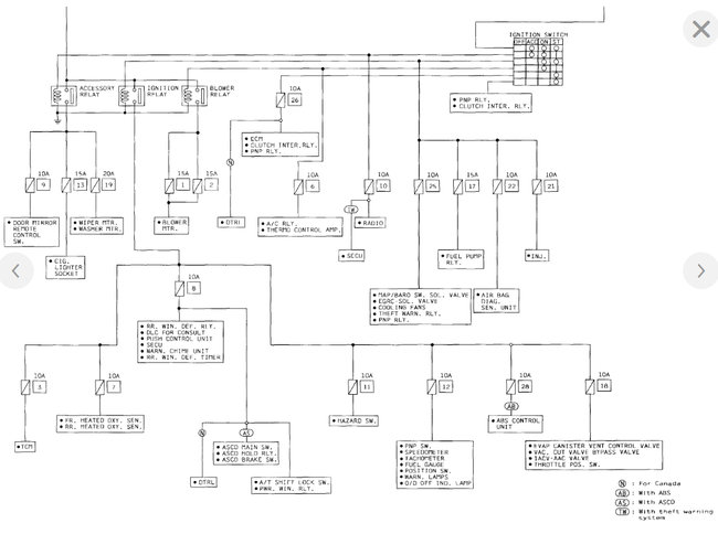
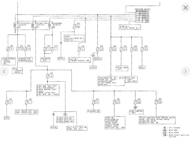
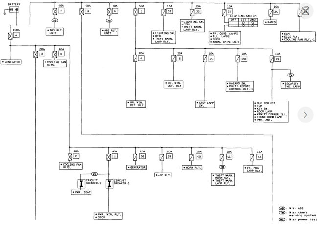
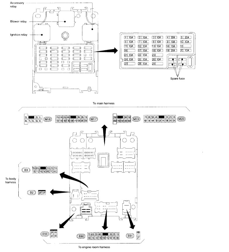
I lost the cap of the fuse box (the one next to the battery) so I can't tell which one is which.
Saturday, October 1st, 2011 AT 5:55 PM
1 Reply
SQM
MECHANIC
6,383 POSTS
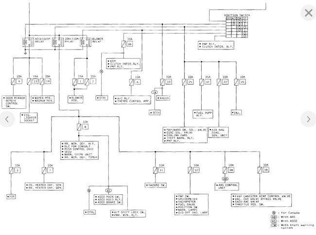
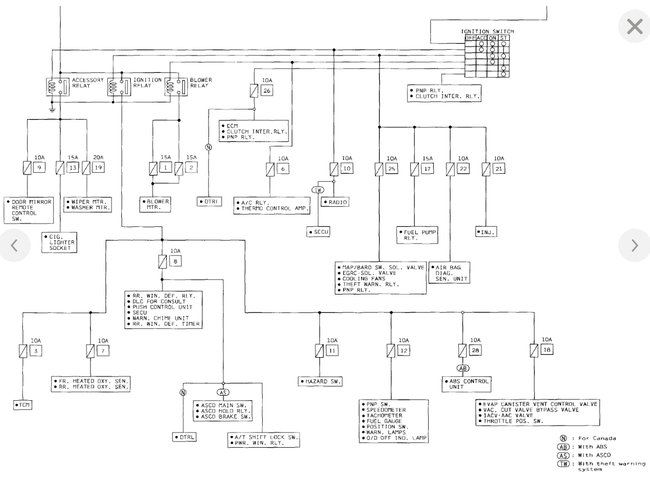
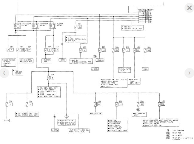
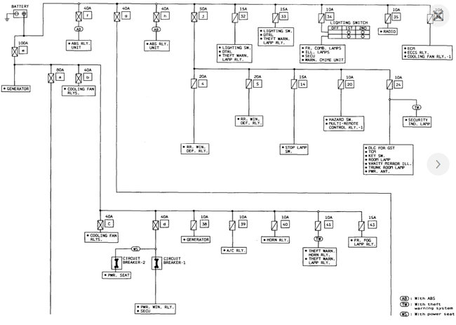
Hello,
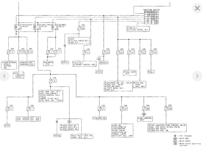
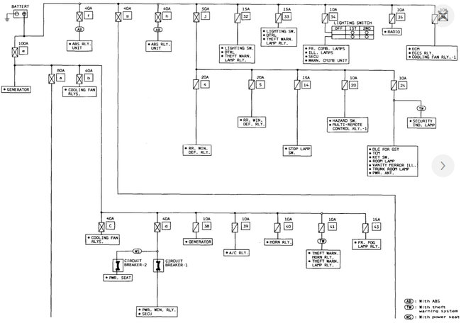
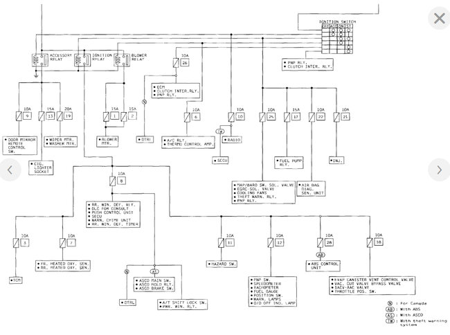
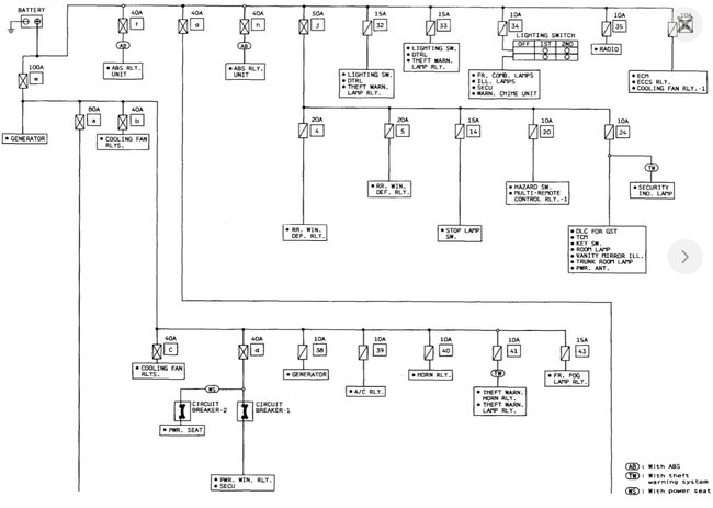
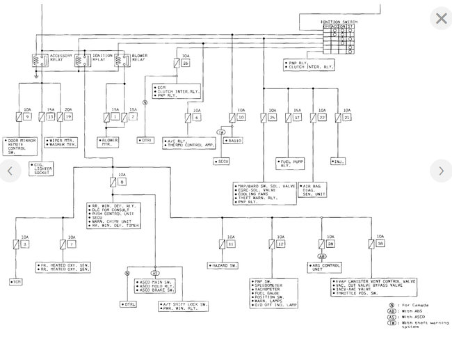
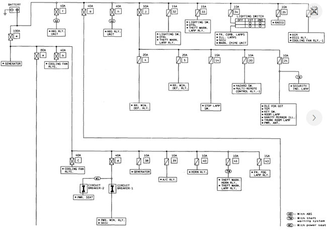
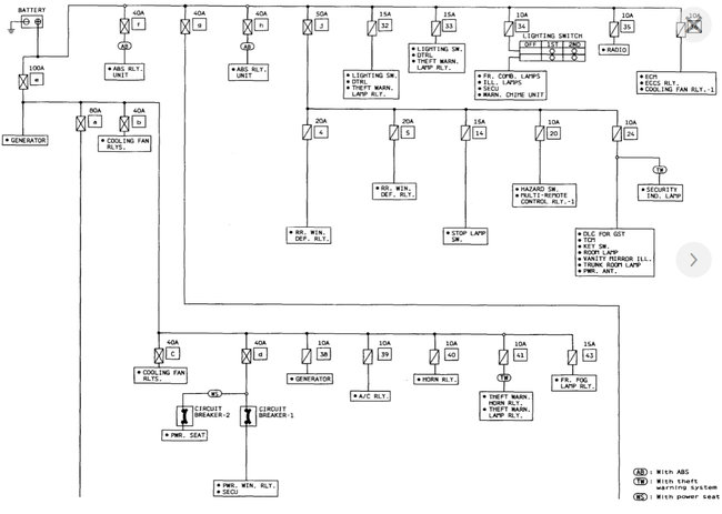
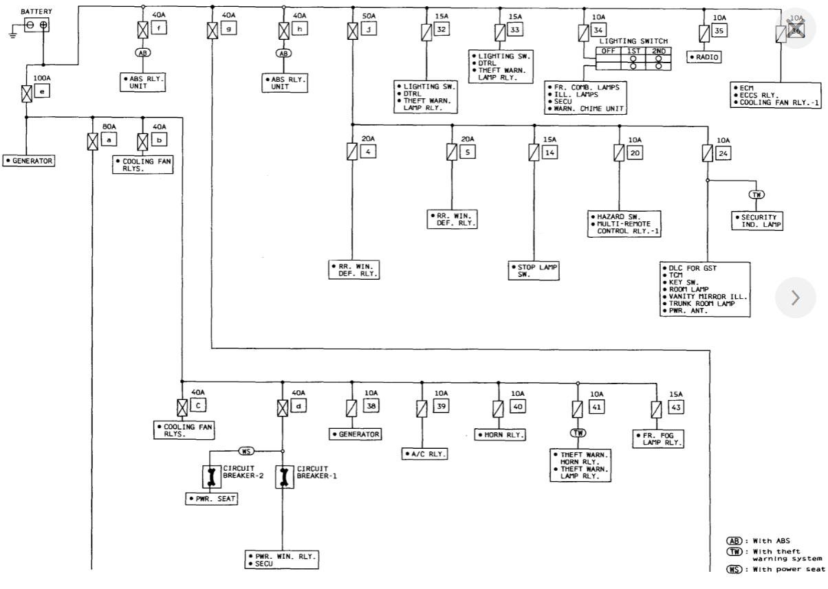
The headlight fuse is located under the hood fuse box. It should be number 32 and 33, 15A fuse.
https://www.2carpros.com/articles/how-to-check-a-car-fuse
I have attached all the fuse diagrams for your reference.
Please let me know of any questions.
Thank you.
Images (Click to make bigger)
Was this
answer
helpful?
Yes
No
Thursday, October 7th, 2021 AT 2:20 PM
Please
login
or
register
to post a reply.
Related Fuse Panel Location Content
Power Window Fuse Location?
My Power Windows And Locks Stopped Working. None Of The Controls On Any Of The Doors Seem To Work Except For The Side View Mirror Controls....
Asked by
gmarra
·
20 ANSWERS
47 IMAGES
2005
NISSAN ALTIMA
Fuses But Don't Know Where
When Stopped At A Traffic Light The Lights Went Out I Need To Check The Fuses But Don't Know Where They Are Or How To Check Them Can You...
Asked by
jcrowe
·
1 ANSWER
6 IMAGES
2005
NISSAN ALTIMA
My Buddy Told Me I Have A Fuse Out
Car Will Start And Idle Fine In P Or N, But Stalls When Put In Gear. My Buddy Told Me I Have A Fuse Out Where Are The Fuses And How Do I...
Asked by
Pwdacorta
·
1 ANSWER
3 IMAGES
2013
NISSAN ALTIMA
I Lost The Door For The Interior Fuse Box And In Turn...
I Lost The Door For The Interior Fuse Box And In Turn No Longer Have The Fuse Box Diagram. Could I Possibly Get A Picture Of That?
Asked by
Anonymous
·
1 ANSWER
1 IMAGE
1997
NISSAN ALTIMA
1998 Nissan Altima Fusebox
Where Can I Get The Under Dash Fusebox Diagram For My 98 Altima. The Sticker On The Fusebox Cover Is Missing. I Went To My Local Nissan...
Asked by
tommycola
·
1 ANSWER
1998
NISSAN ALTIMA
VIEW MORE
Ask a Car Question. It's Free!
How to Use a Test Light
Crankshaft Sensor Symptoms
Spark Plug and Wire Replacement Ford Mustang