No crank no start issue?

Tiny
LUPASMOMMY
  • MEMBER
  • 2005 CHEVROLET EQUINOX
  • 2WD
  • AUTOMATIC
  • 154,000 MILES
New starter, good battery. When I turn the key the dash lights come on, I can jump start using a screwdriver. Fuel pump kicks on as well. Checked fuses and none are blown. Help?
Tuesday, July 4th, 2023 AT 12:13 PM

1 Reply

Tiny
JACOBANDNICKOLAS
  • MECHANIC
  • 110,192 POSTS
Hi,

First, see if it starts if you place it in neutral. If there is no change, we need to confirm the ignition fuse (30 amp) in the
under-hood fuse box is good and has power to and from it.

Here is a link you may find helpful:

https://www.2carpros.com/articles/how-to-check-a-car-fuse

If that is good, we need to check the starter relay. It is also in the under-hood fuse box. If there is a different relay in the box with the same part number, switch them to see if it starts. If there isn't one, here is a link that explains how to test a relay:

https://www.2carpros.com/articles/how-to-check-an-electrical-relay-and-wiring-control-circuit

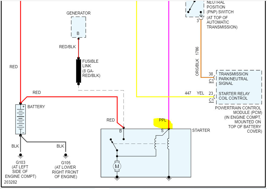
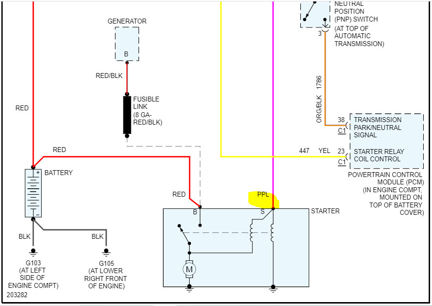
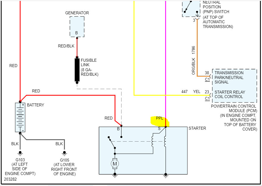
If that checks good, then go to the starter motor. Locate the smaller gauge wire (purple) and have a helper turn the key to the start position while you check for power at that wire.

Let me know what you find. Also, I attached the wiring schematic for the starter circuit below so that you have a reference. I had to cut the page in half to make it readable, but I did overlap the two so you can follow from one to the next.

Let me know what you find or if you have questions.

Take care,

Joe

See pics below.
Was this
answer
helpful?
Yes
No
Tuesday, July 4th, 2023 AT 10:46 PM

Please login or register to post a reply.