No electrical power?

Tiny
MCGEEDERR
  • MEMBER
  • 2005 CHEVROLET SILVERADO
  • V8
  • 2WD
  • AUTOMATIC
  • 79,000 MILES
I have a 2005 Chevy Silverado and the dash cluster, interior lights, radio, and ignition will not work. I have checked several fuses and all are O.K. Is there a power source that handles these?

Thanks.
Sunday, February 13th, 2011 AT 10:08 PM

30 Replies

Tiny
HMAC300
  • MECHANIC
  • 48,601 POSTS
This sounds like the BCM is out but to be sure lets check the fuses first.

https://www.2carpros.com/articles/how-to-check-a-car-fuse

If the BCM is out you will need to have it programs by a shop should run about $130.00.

Check out the diagrams (below)

Please let us know what happens.

Cheers
Was this
answer
helpful?
Yes
No
+4
Wednesday, October 7th, 2020 AT 10:02 AM
Tiny
WSPIRES
  • MEMBER
  • 1 POST
  • 2005 CHEVROLET SILVERADO
  • 105,000 MILES
Went to start truck as soon as key was turned everything went out and will not come on. Battery is new only a month old. Connections seem to be connected properly. Never experienced this before. Voltage showed earlier to be at 14 volts while driving Any suggestions
Was this
answer
helpful?
Yes
No
+3
Thursday, May 13th, 2021 AT 7:58 PM (Merged)
Tiny
HMAC300
  • MECHANIC
  • 48,601 POSTS
Check battery for condition including load test just cause it's new doesn't mean they can be bad. check fuses ign A-B-E and crank fuse underhood fuse box. try resetting anti theft after fuse check it may be that see pic this guide can help as well

https://www.2carpros.com/articles/everything-goes-dead-when-engine-is-cranked

Check out the diagrams (Below). Please let us know what happens.
Was this
answer
helpful?
Yes
No
+2
Thursday, May 13th, 2021 AT 7:58 PM (Merged)
Tiny
CATFISHER1999
  • MEMBER
  • 1 POST
  • 2005 CHEVROLET SILVERADO
  • V8
  • 2WD
  • AUTOMATIC
  • 69,000 MILES
The lights come on but nothing else electrical works and the starter won't turn over. Battery lost charge quickly while flashers were on after the truck died (died going down the road) Alternator passed test and so did the battery. There is a clicking around the fuse box under the hood when you turn on the key.
Was this
answer
helpful?
Yes
No
-1
Thursday, May 13th, 2021 AT 7:58 PM (Merged)
Tiny
RACEFAN966
  • MECHANIC
  • 5,029 POSTS
Hello,

It sounds like you have a weak battery or a bad battery connection here are two guides that will help us fix the problem.

https://www.2carpros.com/articles/car-battery-load-test

and

https://www.2carpros.com/articles/everything-goes-dead-when-engine-is-cranked

Please run down these guides and report back.
Was this
answer
helpful?
Yes
No
-1
Thursday, May 13th, 2021 AT 7:58 PM (Merged)
Tiny
IMJUSTJOE2
  • MEMBER
  • 1 POST
I have a 2003 silverado and just yesterday it shut down in the middle of the road. It was the battery thanks for the guides. I love this site.
Was this
answer
helpful?
Yes
No
-1
Thursday, May 13th, 2021 AT 7:58 PM (Merged)
Tiny
ED.2814
  • MEMBER
  • 2 POSTS
  • 2004 CHEVROLET SILVERADO
  • 120,000 MILES
Cranked fine this morning, now my truck will not start. Acts like a dead battery, no power at all. Charged the battery and still no power.
Was this
answer
helpful?
Yes
No
Thursday, May 13th, 2021 AT 7:58 PM (Merged)
Tiny
KHLOW2008
  • MECHANIC
  • 41,814 POSTS
Check the battery terminals, disconnect and clean them and retest. Check the main fuses and fusible links. Ensure ground circuits are clean and secure. this guide can help us.

https://www.2carpros.com/articles/everything-goes-dead-when-engine-is-cranked

let us know.
Was this
answer
helpful?
Yes
No
-1
Thursday, May 13th, 2021 AT 7:58 PM (Merged)
Tiny
ED.2814
  • MEMBER
  • 2 POSTS
I disconnected the battery for about 30 minutes and reconnected it. Everything seems ok now. Any idea what may have caused this glich?
Was this
answer
helpful?
Yes
No
-1
Thursday, May 13th, 2021 AT 7:58 PM (Merged)
Tiny
KHLOW2008
  • MECHANIC
  • 41,814 POSTS
A poor connection can result in sparking which would cause contacts to fail. That is the reason I suggested cleaning and retightening the terminals.
Was this
answer
helpful?
Yes
No
-1
Thursday, May 13th, 2021 AT 7:58 PM (Merged)
Tiny
JOEK1965
  • MEMBER
  • 1 POST
  • 2000 CHEVROLET SILVERADO
  • V8
  • 2WD
  • AUTOMATIC
  • 73,000 MILES
I have a 2000 Chevy silverado with 73,000 miles. I have not had any problems with the truck until yesterday. While driving down the road the truck shut off completely. I tried to restart it but there was absolutely no power to ANYTHING. The doors wouldnt even unlock. The battery is good. I dont know if it is a fuse or a sensor or maybe a ground. Any suggestions would be helpful.
Was this
answer
helpful?
Yes
No
-1
Thursday, May 13th, 2021 AT 7:58 PM (Merged)
Tiny
DENNYP
  • MECHANIC
  • 1,824 POSTS
Make sure you have good connection at the battery cables. Make sure the cable ends are free of corrosion. Make sure the battery is not leaking acid from the positive terminal.
Was this
answer
helpful?
Yes
No
-1
Thursday, May 13th, 2021 AT 7:58 PM (Merged)
Tiny
JSNJME
  • MEMBER
  • 2 POSTS
  • 1998 CHEVROLET SILVERADO
  • 5.0L
  • V8
  • 2WD
  • AUTOMATIC
  • 250,000 MILES
Went to start truck heard a clunk and now total loss of power when key is turned to on position. All battery cables checked out good. Replaced starter. All relays working. Replaced ignition switch. All fuses check out fine. Tried 3 batteries. Symptoms have not changed. Also with key in ignition and beeping noise applying brakes shuts off all power. Same with turning on lights.
Was this
answer
helpful?
Yes
No
Thursday, May 13th, 2021 AT 7:58 PM (Merged)
Tiny
CARADIODOC
  • MECHANIC
  • 34,463 POSTS
Follow the smaller battery positive wire to the under-hood fuse box and check that connection. That is a real common cause of the symptoms you described on all car brands. Also follow the smaller negative battery wire to where it bolts to the body sheet metal and be sure that connection is tight and not rusty. That wire can also corrode away under the insulation, right by the terminal where you can't see it.
Was this
answer
helpful?
Yes
No
-1
Thursday, May 13th, 2021 AT 7:58 PM (Merged)
Tiny
JSNJME
  • MEMBER
  • 2 POSTS
Thanks for your reply! Took a few days to get parts but I replaced all the cables from the battery and symptoms have not changed. Can't get power with key on and can't read any codes. I am at a loss.
Was this
answer
helpful?
Yes
No
-1
Thursday, May 13th, 2021 AT 7:58 PM (Merged)
Tiny
CARADIODOC
  • MECHANIC
  • 34,463 POSTS
I strongly recommend using a test light for these tests. For this type of problem, that will be more accurate than a digital voltmeter.

Start by turning on the head light switch. If the problem is as you described, they should not work, but we need something substantial turned on so current is trying to flow. That's what makes the missing voltages observable.

To verify the test light is working and that we aren't overlooking something stupid, place the clip on the battery's negative cable clamp, then put the probe on the positive cable clamp. The test light had better light up here.

Now move the clip from the negative clamp to a paint-free point on the body, not on the engine. Look for a rust-free bolt head or an unpainted metal bracket. The test light must still light up. If it doesn't, that smaller wire from the cable clamp to the body has a break in it.

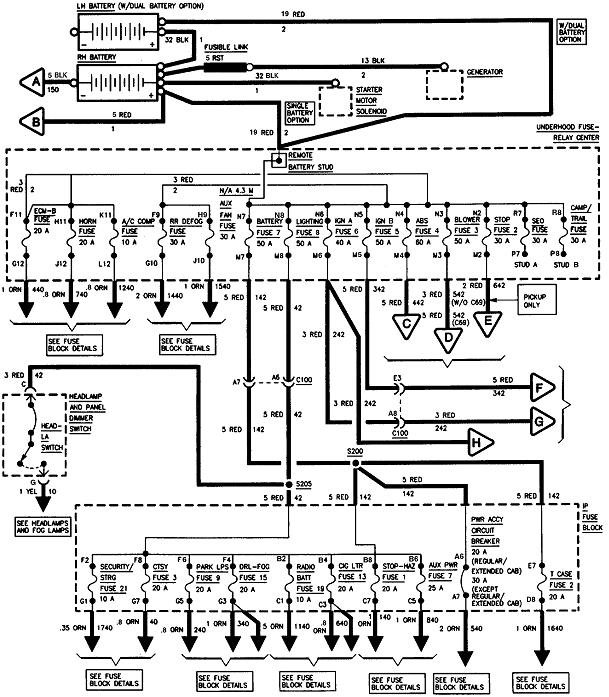
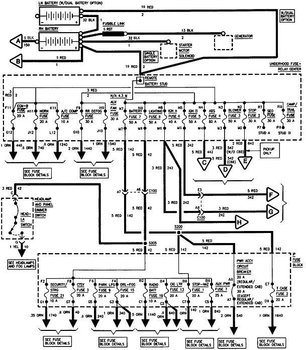
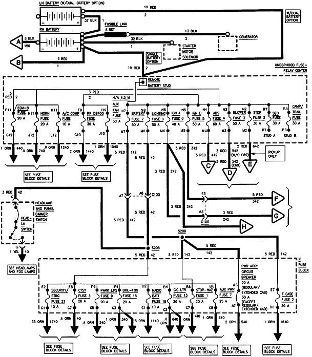
Next, move the probe from the positive cable clamp to the stud on the under-hood fuse box. Look for my nifty red arrow in the third diagram. This is the connection that usually causes the trouble. If this one is bad, the test light will light up when you touch the probe to the terminal on the end of the wire, but not when you move it to the stud itself.

If the test light still lights up nice and bright, leave the clip on the body, then check for voltage on the various fuses. The smaller ones will have two real small holes on top. Those are the two test points. The last diagram is the list of those fuse circuits. If you find voltage on both sides of a fuse, that circuit should be working. Since you say everything is dead, I'm expecting you to find voltage is missing by this point in the tests.

Let me know what you find.
Was this
answer
helpful?
Yes
No
+1
Thursday, May 13th, 2021 AT 7:58 PM (Merged)
Tiny
BYCOUS
  • MEMBER
  • 2 POSTS
  • 1997 CHEVROLET SILVERADO
  • V8
  • 2WD
  • AUTOMATIC
  • 225,000 MILES
Started pickup and drive about a block when truck hesitated a couple of times. I didn't think much about it since there was some ice on road and thought that I might be slipping the tires a little. Then the truck lost all power, no radio, lights nothing. Pulled it home and jumped it to see if it would start. It did and I drove it into the drive. Took off the alt. To have it checked and it was good. Battery needed some charge but it checked out ok also. Reinstalled and it started up fine. Tryed to check connections on block and starter but not sure I got them all, but they all seemed ok.
Was this
answer
helpful?
Yes
No
-1
Thursday, May 13th, 2021 AT 7:59 PM (Merged)
Tiny
MASTERTECHTIM
  • MECHANIC
  • 4,750 POSTS
Its unclear if your trucks starts now and dies, losing electrical power or your truck now has no electrical power. Get back to us.
Was this
answer
helpful?
Yes
No
-1
Thursday, May 13th, 2021 AT 7:59 PM (Merged)
Tiny
BYCOUS
  • MEMBER
  • 2 POSTS
It starts and stays running. I drove it around after reinstallin battery and alt. And everything seems to be working fine now.
Was this
answer
helpful?
Yes
No
-1
Thursday, May 13th, 2021 AT 7:59 PM (Merged)
Tiny
MAYOUNG5119
  • MEMBER
  • 1 POST
  • 1996 CHEVROLET SILVERADO
  • 5.7L
  • V8
  • 2WD
  • AUTOMATIC
  • 90,000 MILES
While driving engine suddenly died. Now there is no lights on dash, when I turn the ignition switch nothing happens. Place voltmeter across ground and hot lead at power distribution box(under hood) I have good power until I turn the key. With key turned to start, power drops almost to zero. I checked all fuses both inside the cab and under hood- good -. Could it be power distribution relay? If so where is it located? If not, where to start looking?
Was this
answer
helpful?
Yes
No
-1
Thursday, May 13th, 2021 AT 7:59 PM (Merged)

Please login or register to post a reply.