Parking lights stay on when the vehicle is shut off

Tiny
RTLATEER
  • MEMBER
  • 2005 CHEVROLET MALIBU
  • 6 CYL
  • FWD
  • AUTOMATIC
  • 79,000 MILES
Car beeps like keys are still in ignition when they are not
Wednesday, April 13th, 2011 AT 9:14 PM

1 Reply

Tiny
KASEKENNY
  • MECHANIC
  • 18,907 POSTS
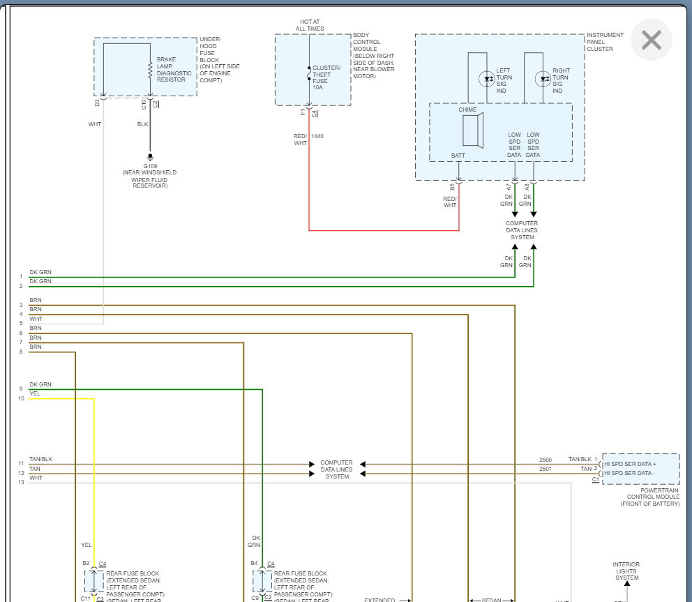
This is going to be due to a short to power in the circuit. So, we are going to have to start checking the circuit using this guide:

https://www.2carpros.com/articles/how-to-check-wiring

Basically, we need to start disconnecting the circuit until the lights go off.

Once we know when the lights go out, we disconnect the short so let's find out where that is in the system, and we can go from there.

However, the most likely cause is the BCM is shorted but we can get to that once we get more info to go on.

Thanks
Was this
answer
helpful?
Yes
No
-1
Wednesday, February 2nd, 2022 AT 7:18 PM

Please login or register to post a reply.