HOME
ASK A QUESTION
REPAIR GUIDES
BECOME A MEMBER
LOG IN
Login with Facebook
OR
Remember me
NOT A MEMBER?
FORGOT PASSWORD?
CONTACT US
PRIVACY POLICY
TERMS AND CONDITIONS
☰
Home
Chevrolet
Malibu
Exterior Light
Running Light
Stay On
1999 Chevy Malibu lights
TOURIESMOM
MEMBER
1999 CHEVROLET MALIBU
Electrical problem
1999 Chevy Malibu 4 cyl Two Wheel Drive Automatic
tail lights will not turn off stays on all the time
Sunday, March 7th, 2010 AT 7:31 AM
1 Reply
MATHIASO
MECHANIC
1,209 POSTS
Touriesmom
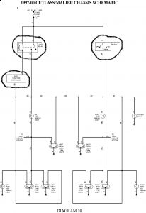
Check for a shorted headlight switch, or a shorted park light relay.
(sending diagram to your email)
Was this
answer
helpful?
Yes
No
Sunday, March 7th, 2010 AT 9:20 AM
Please
login
or
register
to post a reply.
Related Running Light Stay On Content
Why Are My Brake Tail Lights Staying On While I'm...
My Brake Tail Lights Stay On While I'm Driving And When I Step On Brake Pedal They Go Off, And Within Seconds They Go Back On Again. I...
Asked by
mbggru
·
4 ANSWERS
2006
CHEVROLET MALIBU
2003 Chevy Malibu Running Lites Stay On After Car Is...
The Back Red Running Lights And The Yellow Front Lights Stay On After The Car Has Been Shut Off. Also The Interior Chimes Ring Rapidly, As...
Asked by
bzmwx9
·
4 ANSWERS
2003
CHEVROLET MALIBU
Parking Lights Came On With No Key In And Stay On?
Hello, My Cars Parking Lights Came On With No Key In And Stay On. The Car Won't Stay Running Dies Immediately. I Believe There May Be...
Asked by
ejohnics
·
1 ANSWER
1 IMAGE
2001
CHEVROLET MALIBU
Parking Lights Stay On When The Vehicle Is Shut Off
Car Beeps Like Keys Are Still In Ignition When They Are Not
Asked by
rtlateer
·
1 ANSWER
4 IMAGES
2005
CHEVROLET MALIBU
What's Wrong My Car Lost Power Check Engine Light...
What's Wrong My Car Lost Power Check Engine Light Blinks While Driving An Stays On Car Shakes When I'm In Traffic
Asked by
whitey05
·
2 ANSWERS
2000
CHEVROLET MALIBU
VIEW MORE
Ask a Car Question. It's Free!
How to Use a Test Light
Turn Signals Blink Fast
Have a Dim Headlight? - Try Replacing This!