no instrument cluster and interior lights?

2005 BUICK RENDEZVOUS
70,000 MILES • 6 CYL • FWD • AUTOMATIC
Avatar
AMCKENNA
  • MEMBER
  • 1 POST
instrument cluster and interior lights don't work. the fuses are fine.
Jul 21, 2011 at 2:42 PM
Repair Safety Notice: This information is for general instructional purposes only. Vehicle repair can be dangerous. Verify all information, follow manufacturer service procedures, use proper tools and safety equipment, and consult a qualified repair shop when needed.
Advertisement
Avatar
KASEKENNY
  • CAR REPAIR CONTRIBUTOR
  • 18,907 POSTS
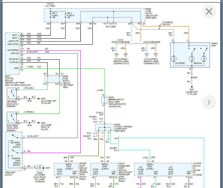
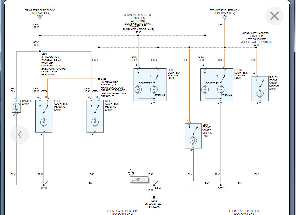
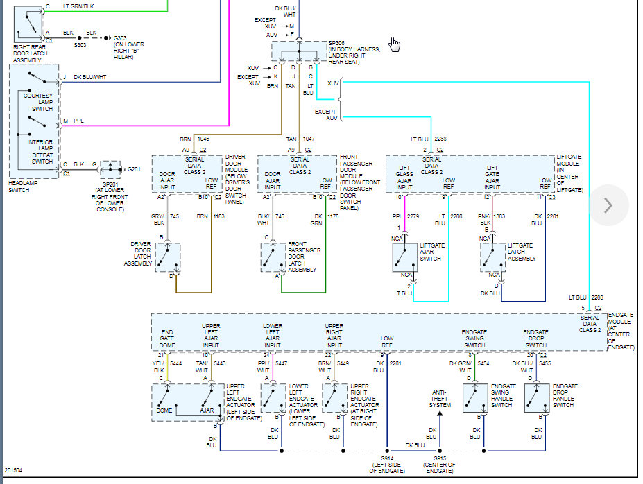
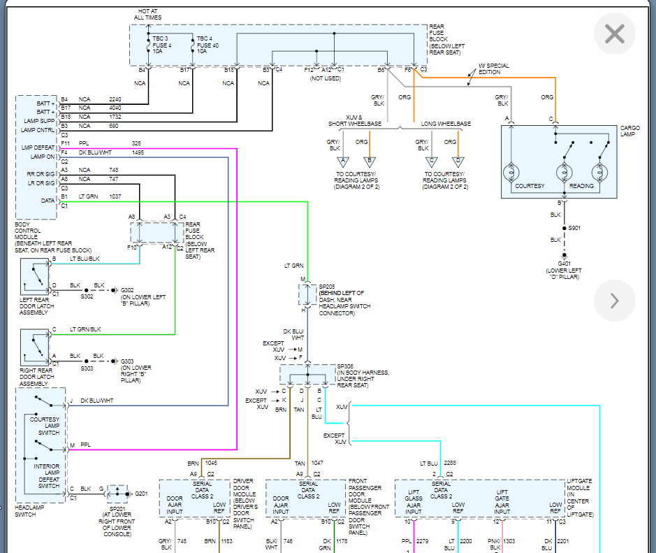
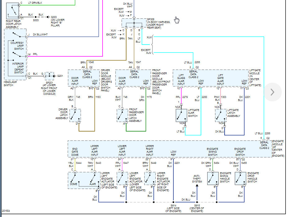
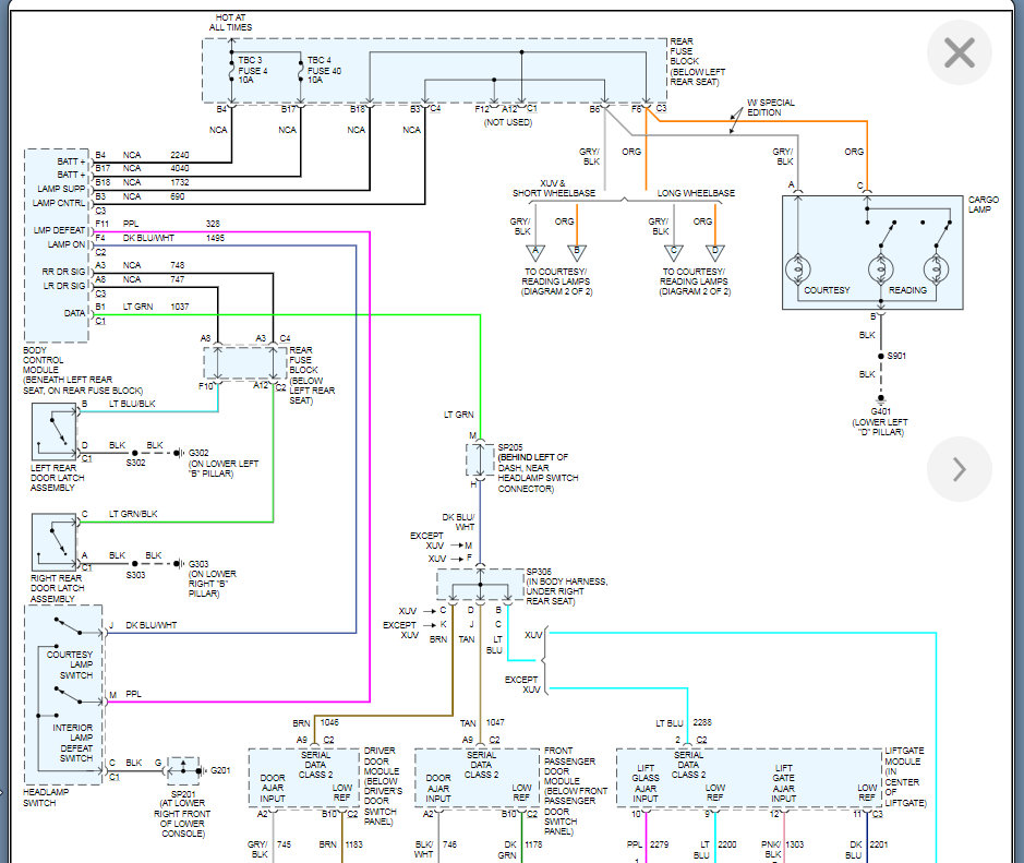
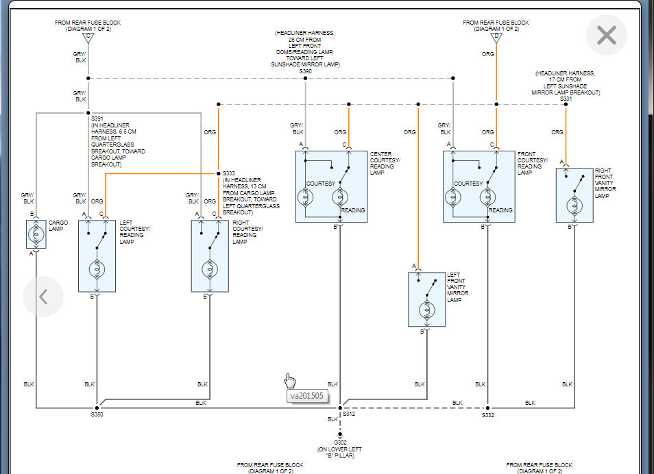
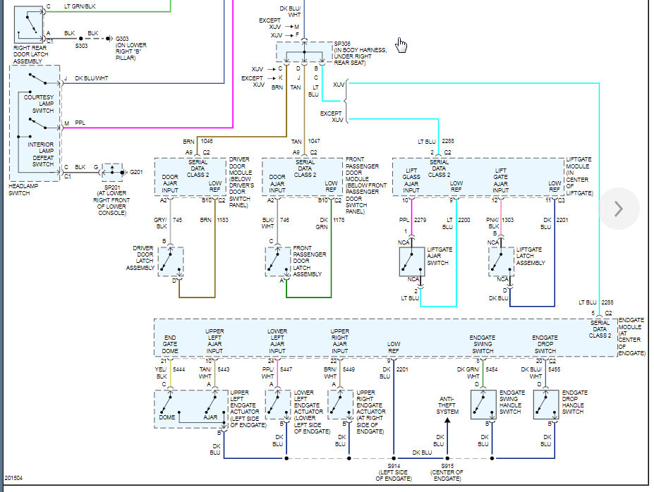
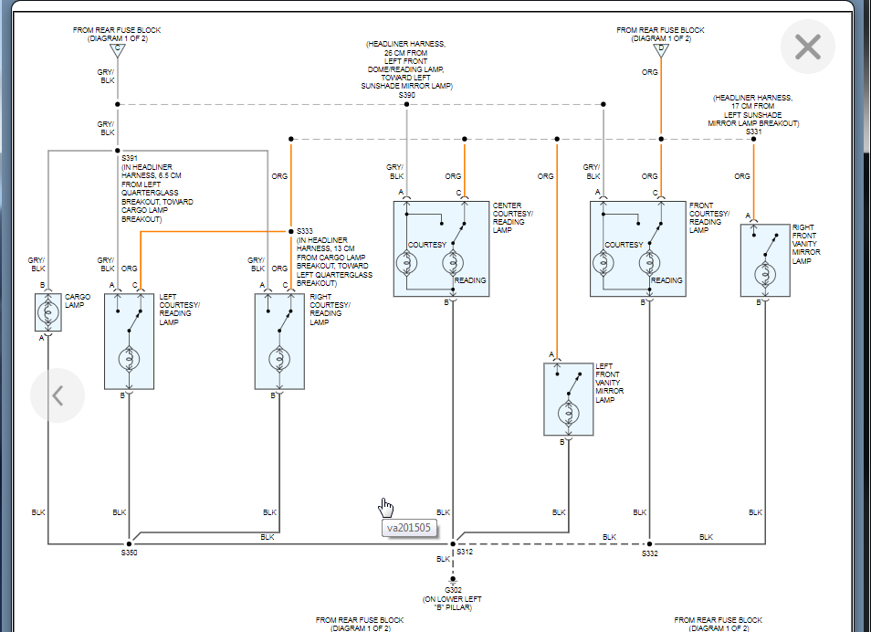
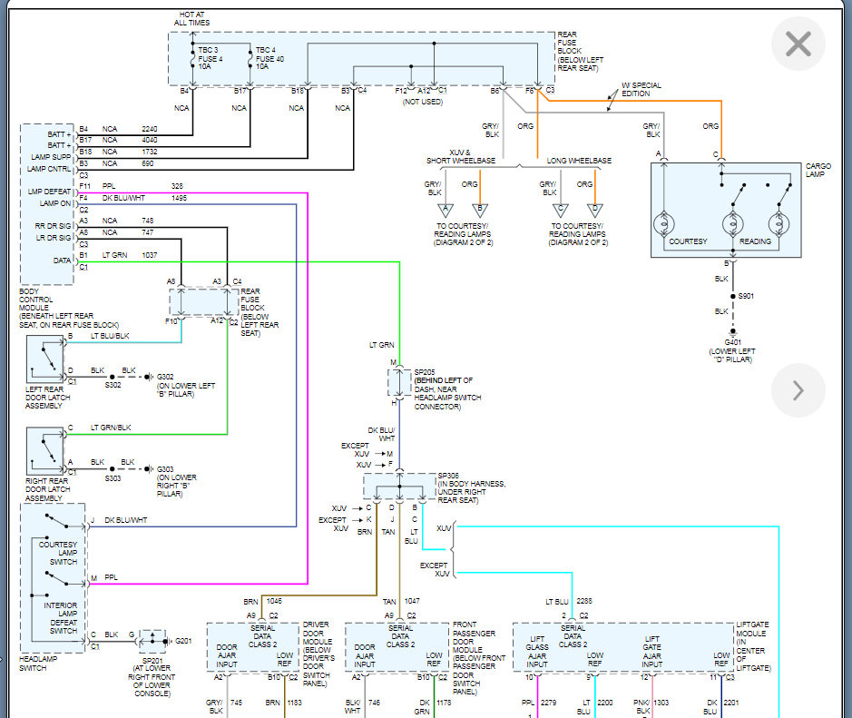
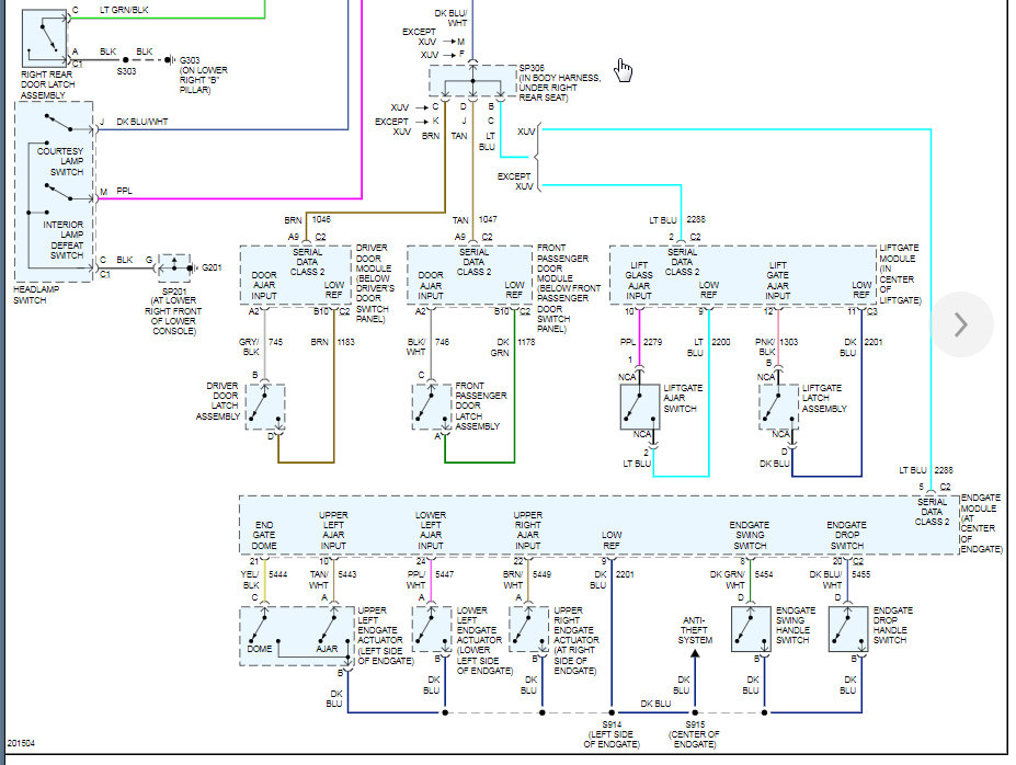
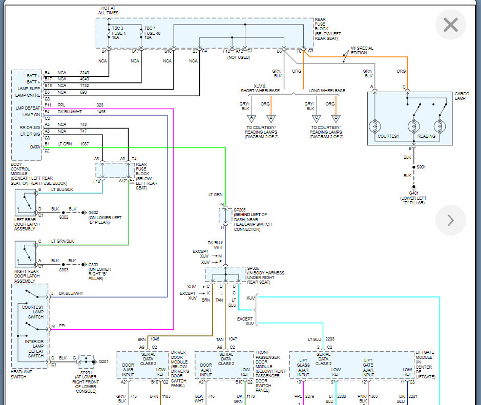
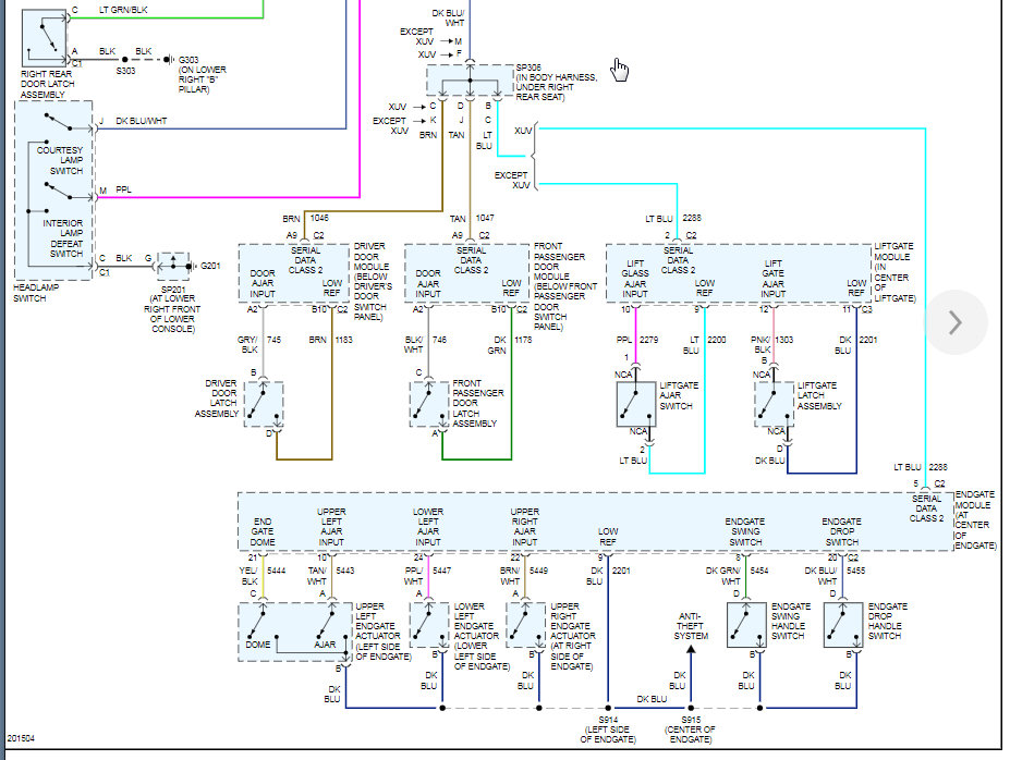
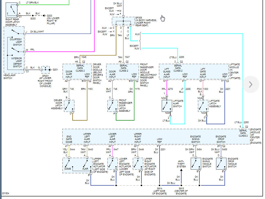
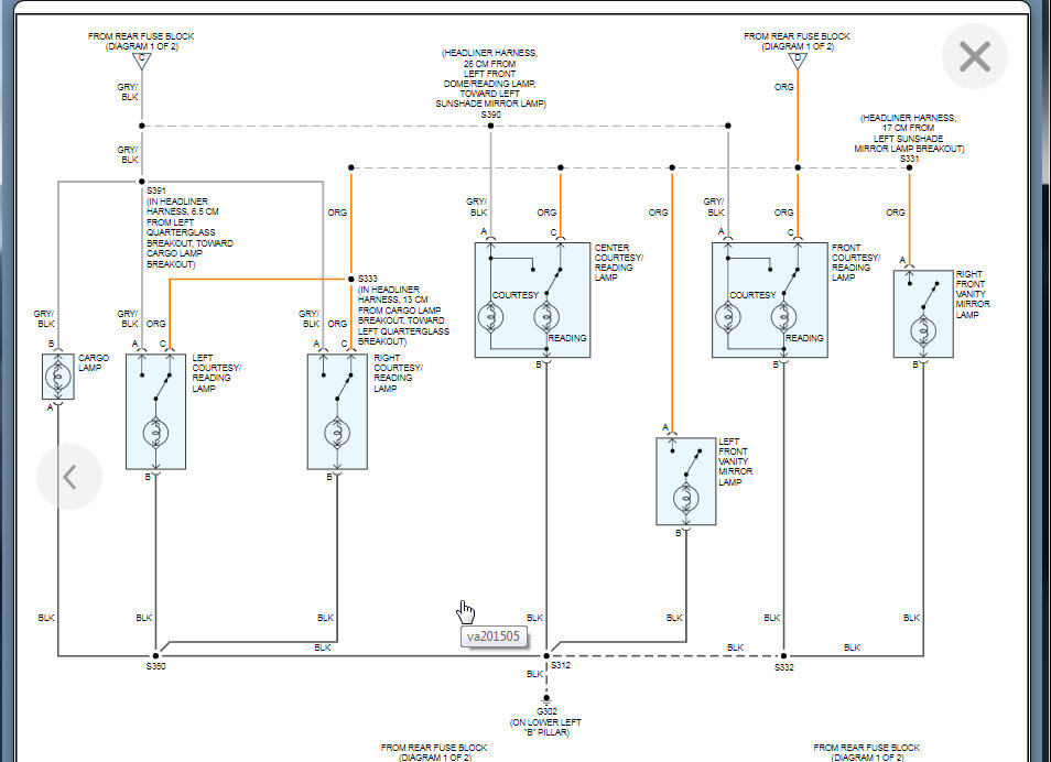
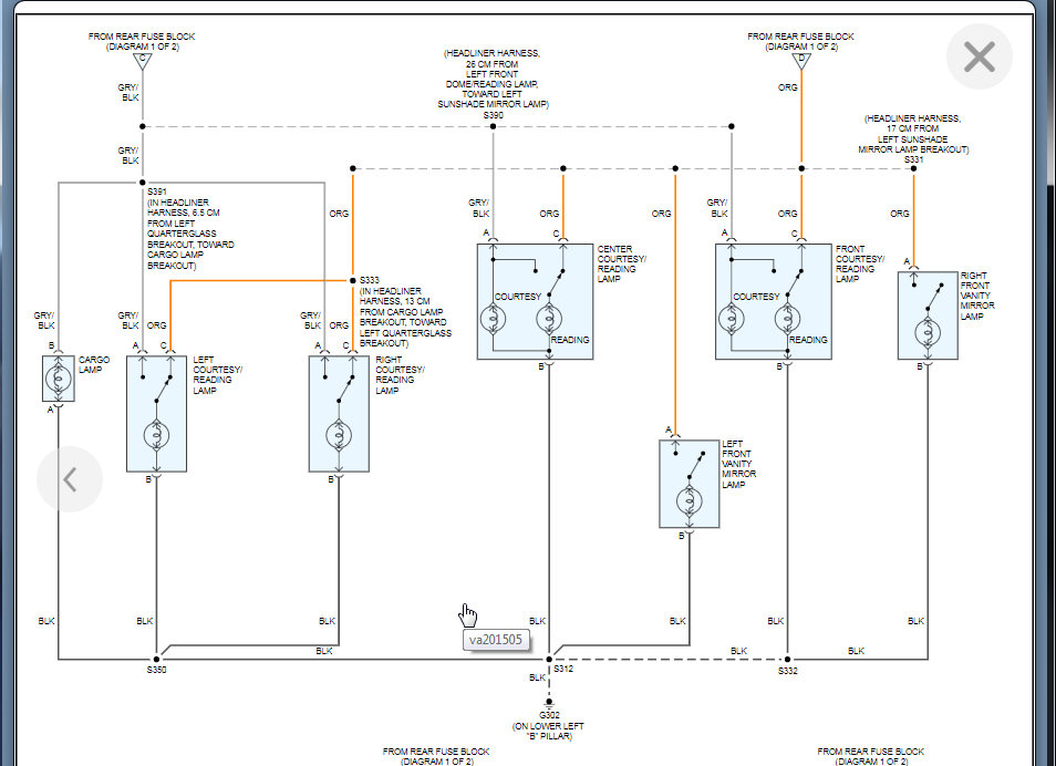
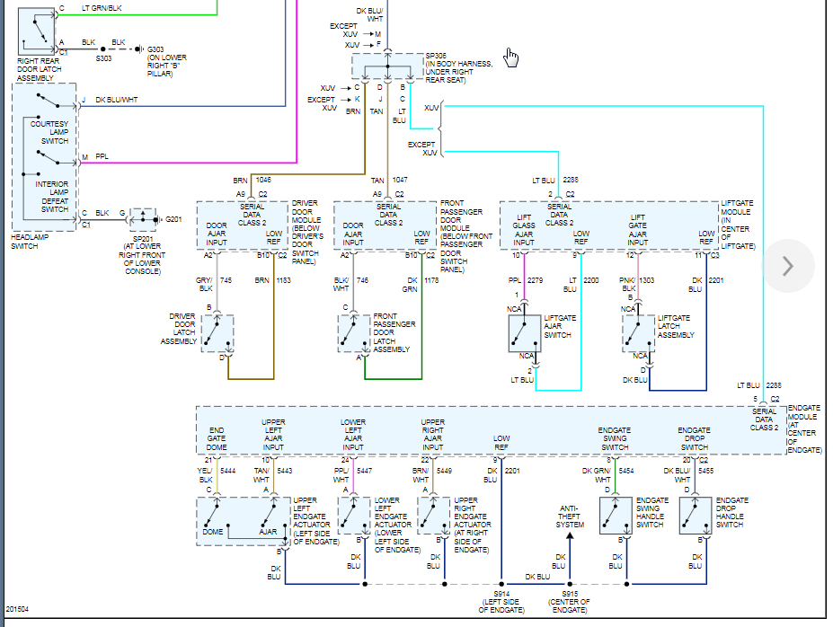
This is normally one of two things. If switch has failed then when you turn them on they will not come on. However, if the courtesy lamps are not coming on when you open the door then the BCM is probably the issue. It needs to see the input from one of the door sensors to turn them on and if it doesn't then the BCM needs replaced.

I included all the info on this. When the lights are turned on let's just check power from the BCM on one of the circuits and go from there.

https://www.2carpros.com/articles/how-to-check-wiring

https://www.2carpros.com/articles/how-to-use-a-voltmeter
Nov 28, 2020 at 6:34 AM
Advertisement