Saturn fuel filter

Tiny
DONBUIE
  • MEMBER
  • 2004 SATURN VUE
How do you change the fuel filter on a 2004 saturn vue with a v6?
Saturday, January 1st, 2011 AT 10:17 PM

3 Replies

Tiny
KEN L
  • MASTER CERTIFIED MECHANIC
  • 55,248 POSTS
Hello,

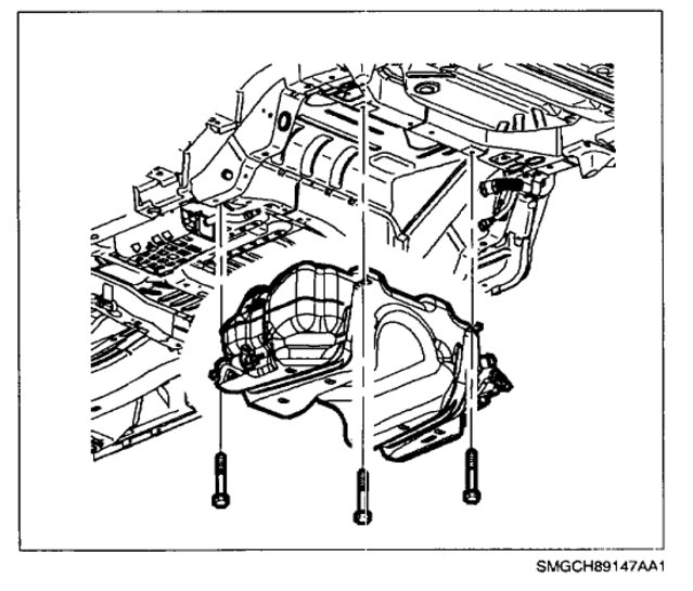
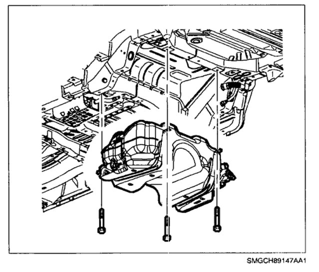
The fuel filter is located in the gas tank in the back. Here are some guides to show you how to change the fuel filter out. This guide will give you an idea of what you are in for when dropping the fuel tank with diagram below to show you how on your car

https://www.2carpros.com/articles/how-to-replace-an-electric-fuel-pump

and

https://www.2carpros.com/articles/how-to-change-a-fuel-filter

Check out the diagrams (Below) on how it is done on your car Please let us know if you need anything else to get the problem fixed.
Was this
answer
helpful?
Yes
No
+1
Sunday, December 3rd, 2017 AT 2:45 PM
Tiny
DONBUIE
  • MEMBER
  • 2 POSTS
  • 2004 SATURN VUE
  • 6 CYL
I asked how to change the fuel filter with a V6 and you responded that the fuel filter is located in the gas tank. Fine, that tells me where it is located but not how to change it, so I ask again, how do I change the fuel filter?
Was this
answer
helpful?
Yes
No
+2
Monday, March 25th, 2019 AT 12:19 PM (Merged)
Tiny
SATURNTECH9
  • MECHANIC
  • 30,869 POSTS
It's located in the fuel tank and is only changed when you change the fuel pump. Is there some reason you wanted to change it because it doesn't get changed as part of any service.
Was this
answer
helpful?
Yes
No
+6
Monday, March 25th, 2019 AT 12:19 PM (Merged)

Please login or register to post a reply.