Six cylinder all wheel drive automatic 97,000 miles.
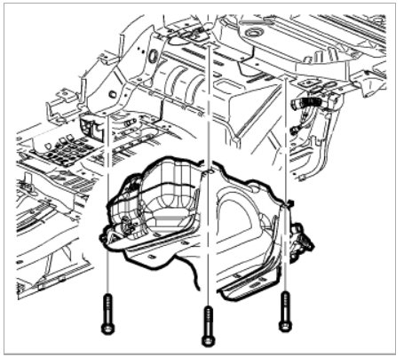
Where is the fuel filter located on my car listed above (red line)?
the 2004's had it mounted in a bracket on the right side of the fuel tank.
the 2005 unit is nowhere in sight. is it inside the gas tank? this makes no sense for a serviceable or replaceable item. My dealers response was, "we do not know, we never changed one". which I find astounding! help please.
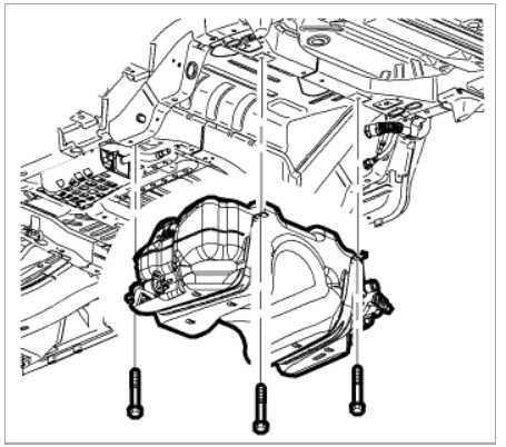
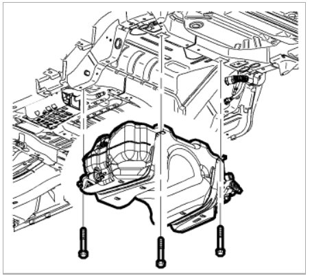
Where is the fuel filter located on my car listed above (red line)?
the 2004's had it mounted in a bracket on the right side of the fuel tank.
the 2005 unit is nowhere in sight. is it inside the gas tank? this makes no sense for a serviceable or replaceable item. My dealers response was, "we do not know, we never changed one". which I find astounding! help please.
Oct 27, 2008 at 1:20 PM







