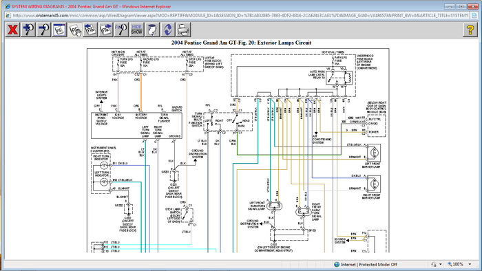
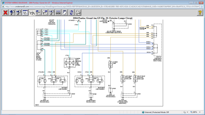
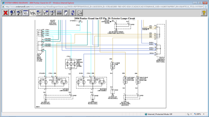
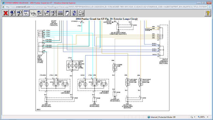
Sunday, December 11th, 2011 AT 3:31 AM
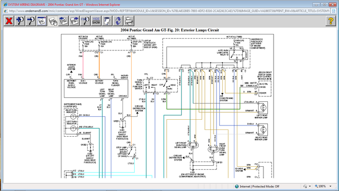
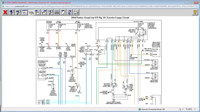
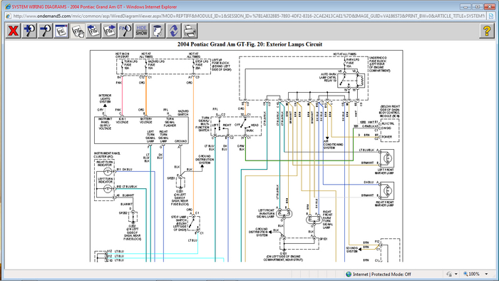
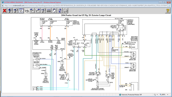
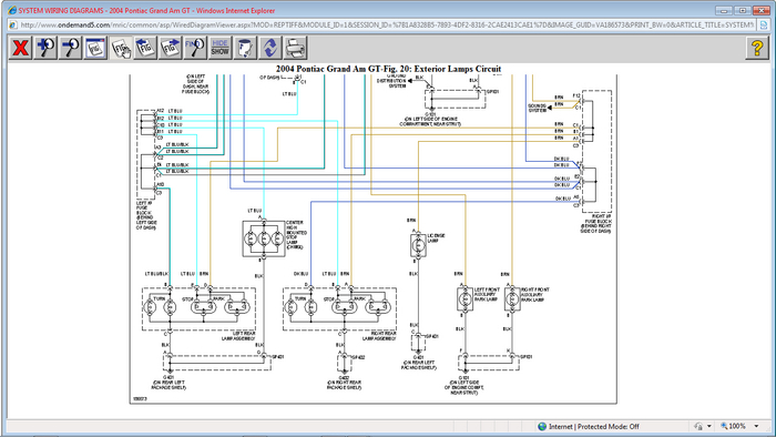
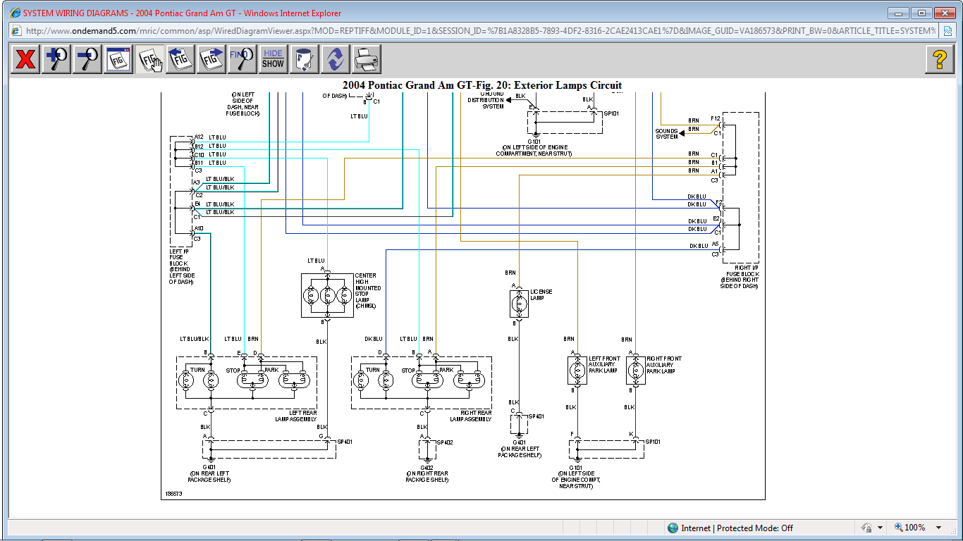
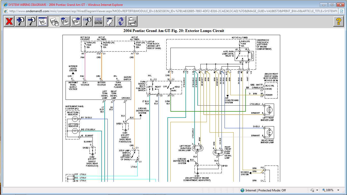
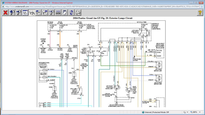
I have a 2004 Pontiac grand am having blinker problems I turn it on and I have no lights on the dashborad and then lights outside the car dont work. I have replaced fuses, hazard switch, I have taken the whole turn signal arm and cleaned it up what is my problem?



