Air conditioner

Tiny
KAYCIE
  • MEMBER
  • 2004 MITSUBISHI GALANT
  • 2.4L
  • 4 CYL
  • 2WD
  • AUTOMATIC
  • 130,000 MILES
My car will not take freon? What could I do without spending alot of money to fix the problem?
Tuesday, June 10th, 2014 AT 9:32 AM

18 Replies

Tiny
TY ANDERSON
  • MECHANIC
  • 719 POSTS
Air conditioning system are particular and these system require special tools to perform repairs or refrigerant charging.
When you cant add any freon into the system there is a problem. Probably due to air within the system. If there is air in the system then there is a leak somewhere.
Inspect all the a/c hoses for any oily residue on the hoses. Sometimes the oil residue will have a green tint to it.
During basic a/c service the freon is pulled out of the system and then a vacuum pump is connected to the a/c system to remove any air in the system. Then you can recharge the a/c system.
Hope this answered your question.
Was this
answer
helpful?
Yes
No
Tuesday, June 10th, 2014 AT 1:55 PM
Tiny
TY ANDERSON
  • MECHANIC
  • 719 POSTS
If you have a vacuum pump and a a/c gauge this repair could be easier but.
Does the a/c compressor kick on when you turn the a/c on?
If it does you can apply a soapy water solution on all the a/c joints and hose connections to check for leaks.
Was this
answer
helpful?
Yes
No
Tuesday, June 10th, 2014 AT 1:58 PM
Tiny
KAYCIE
  • MEMBER
  • 2 POSTS
That was very helpful. The compressor does work, and I do have a vaccum pump just not the right gauge for the pump. But thats not. Hard to. Find! Thank. You so much
Was this
answer
helpful?
Yes
No
Tuesday, June 10th, 2014 AT 2:26 PM
Tiny
TY ANDERSON
  • MECHANIC
  • 719 POSTS
Let me know if you get a manifold gauge or if you have any more questions.
Was this
answer
helpful?
Yes
No
Tuesday, June 10th, 2014 AT 4:08 PM
Tiny
RASANGA99
  • MEMBER
  • 4 POSTS
  • 1999 MITSUBISHI GALANT
  • 250,000 MILES
Dear Sir,

I am trying to convert my manual Air condition system of 1999 Mitsubishi Galant car to a climate control system. I got all the relevant parts but could not found the wiring diagram with colours of wires. Can you help me?

Regards

Rasanga
Was this
answer
helpful?
Yes
No
Monday, July 1st, 2019 AT 7:23 PM (Merged)
Tiny
KHLOW2008
  • MECHANIC
  • 41,814 POSTS
What year and model is the climate control from?
Was this
answer
helpful?
Yes
No
Monday, July 1st, 2019 AT 7:23 PM (Merged)
Tiny
RASANGA99
  • MEMBER
  • 4 POSTS
Dear sir,

I attached an image of the climate control unit. Part number is MR360372. Further I attached images of my manual panel and the panels which is going to be replaced. I have the two connecting plugs also. But need the complete wiring diagram. Please note my car is a diesel.

Thanks & regards

Rasanga
Was this
answer
helpful?
Yes
No
-2
Monday, July 1st, 2019 AT 7:23 PM (Merged)
Tiny
KHLOW2008
  • MECHANIC
  • 41,814 POSTS
If you don't give me the information I asked for, how do you expect me to help you?
Was this
answer
helpful?
Yes
No
Monday, July 1st, 2019 AT 7:23 PM (Merged)
Tiny
RASANGA99
  • MEMBER
  • 4 POSTS
Dear Sir,

This climate control unit was found from 1999 Mitsubishi Galant VR4 petrol car.

Thanks & Regards

Rasanga
Was this
answer
helpful?
Yes
No
Monday, July 1st, 2019 AT 7:23 PM (Merged)
Tiny
KESHARA DORAKUMBURA
  • MEMBER
  • 4 POSTS
  • 2003 MITSUBISHI GALANT
  • 2.0L
  • 4 CYL
  • FWD
  • MANUAL
  • 215,000 MILES
Hi,

I am in the same situation as this following thread which somebody already created in 2013.

https://www.2carpros.com/questions/1999-mitsubishi-galant-convert-manual-ac-to-auto

Please, can you help me on this. I already contacted people who are willing to send required parts, but trouble is we do not know which parts it actually required to do this conversion.

I need your help big time on this.

Thanks.
Was this
answer
helpful?
Yes
No
+1
Monday, July 1st, 2019 AT 7:23 PM (Merged)
Tiny
KHLOW2008
  • MECHANIC
  • 41,814 POSTS
We do not have the model in our database and the closes I could come up with is for the 3000GT-VR4. Hope the wiring are similar.
Was this
answer
helpful?
Yes
No
+2
Monday, July 1st, 2019 AT 7:23 PM (Merged)
Tiny
KEN L
  • MASTER CERTIFIED MECHANIC
  • 54,920 POSTS
Hello,

The biggest thing is all of the electronics, control head and wiring harness. There might be some blower motor changes as far as the speed controller, the best thing is to get all of the parts needed and look at the car now to see what needs to be done.

Please let us know what happens.

Best, Ken
Was this
answer
helpful?
Yes
No
Monday, July 1st, 2019 AT 7:23 PM (Merged)
Tiny
RASANGA99
  • MEMBER
  • 4 POSTS
Dear Sir,

Thank you very much for the wiring diagrams. Diagrams are almost same but there are some differences. Hope I can sought it out. Again thank you very much.

Regards

Rasanga
Was this
answer
helpful?
Yes
No
Monday, July 1st, 2019 AT 7:23 PM (Merged)
Tiny
KESHARA DORAKUMBURA
  • MEMBER
  • 4 POSTS
Thanks for the reply and I indeed appreciate it.

Ok, I already contacted some sellers and they will let me what sort of parts they can arrange for me. In the mean time somebody told me I will need the ECU which support this auto air condition conversion. Is it true that I cannot use my existing ECU?

Thanks.
Was this
answer
helpful?
Yes
No
Monday, July 1st, 2019 AT 7:23 PM (Merged)
Tiny
KHLOW2008
  • MECHANIC
  • 41,814 POSTS
You're welcome.

Good luck
Was this
answer
helpful?
Yes
No
Monday, July 1st, 2019 AT 7:23 PM (Merged)
Tiny
KEN L
  • MASTER CERTIFIED MECHANIC
  • 54,920 POSTS
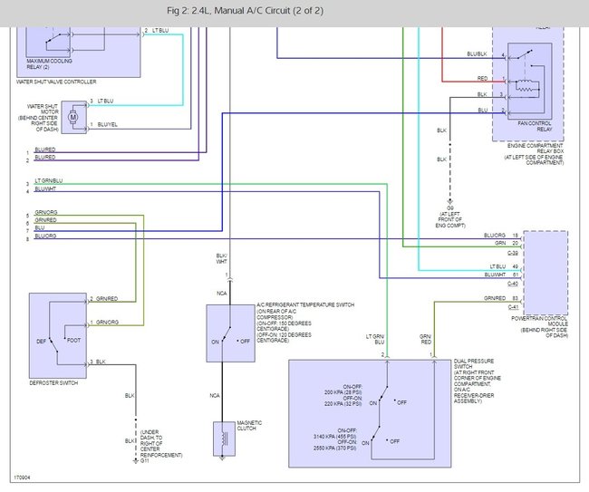
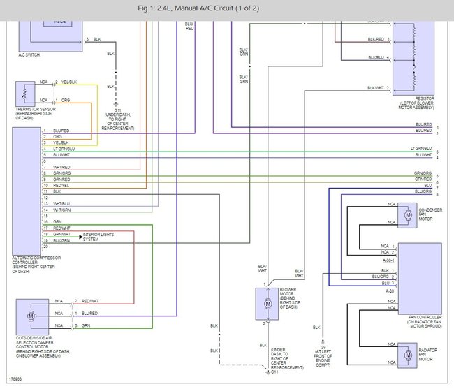
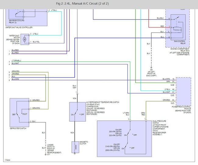
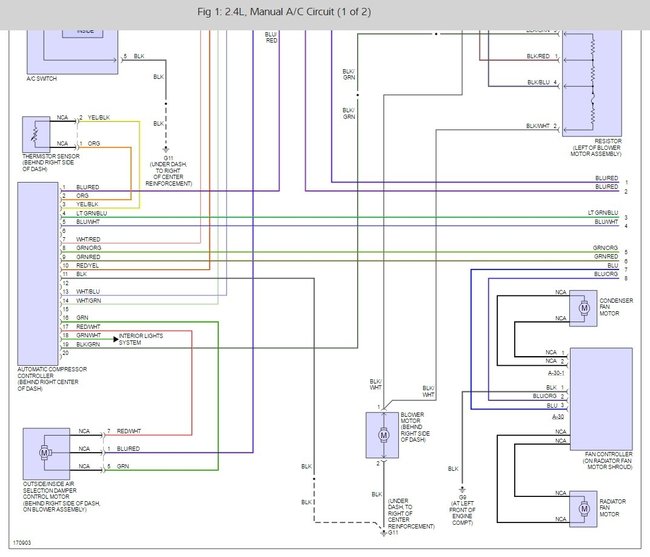
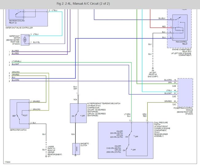
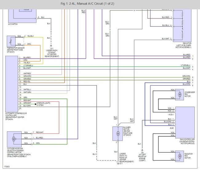
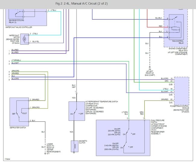
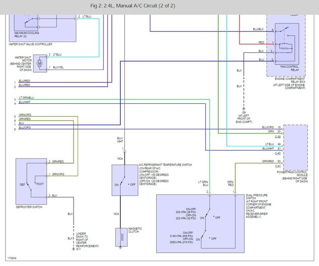
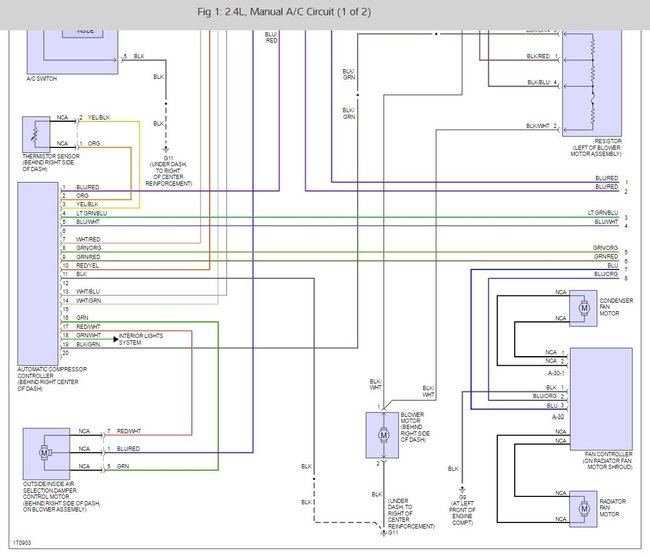
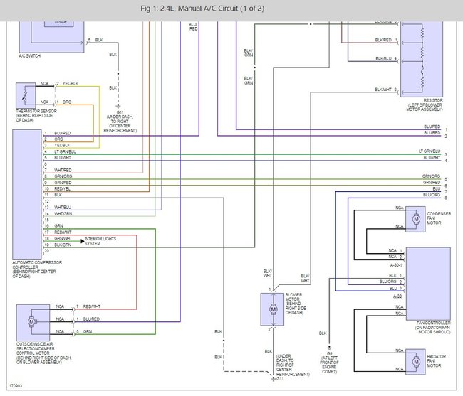
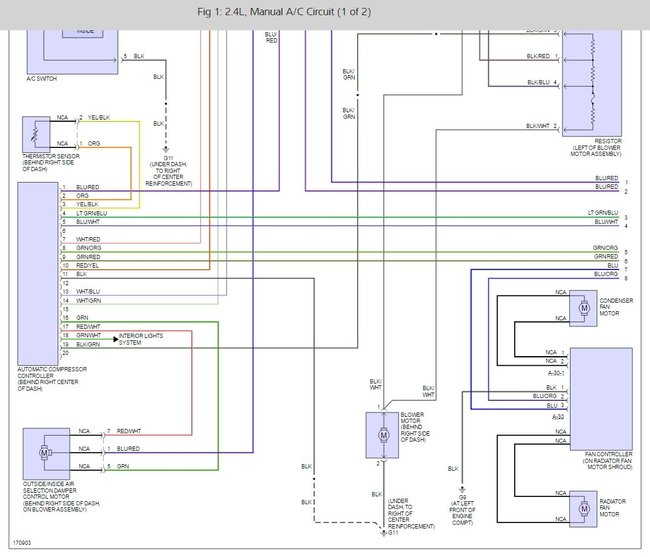
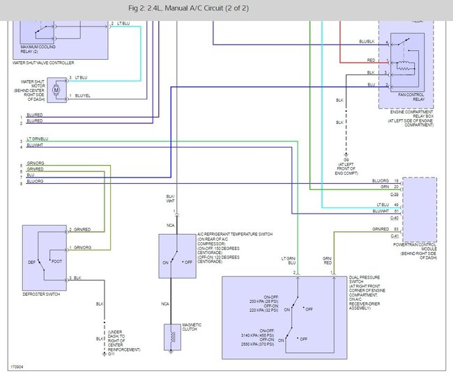
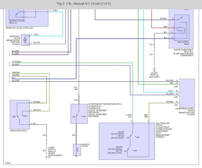
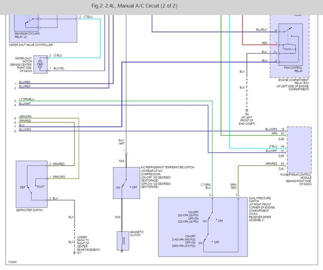
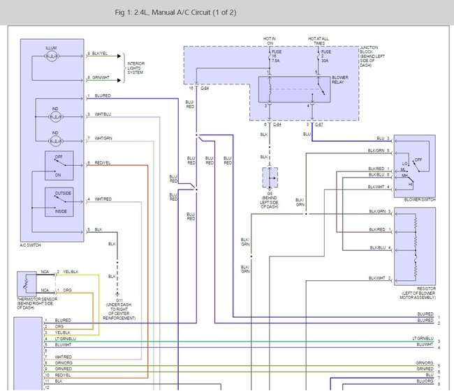
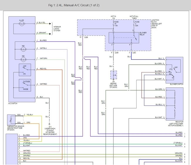
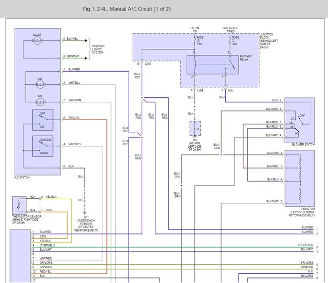
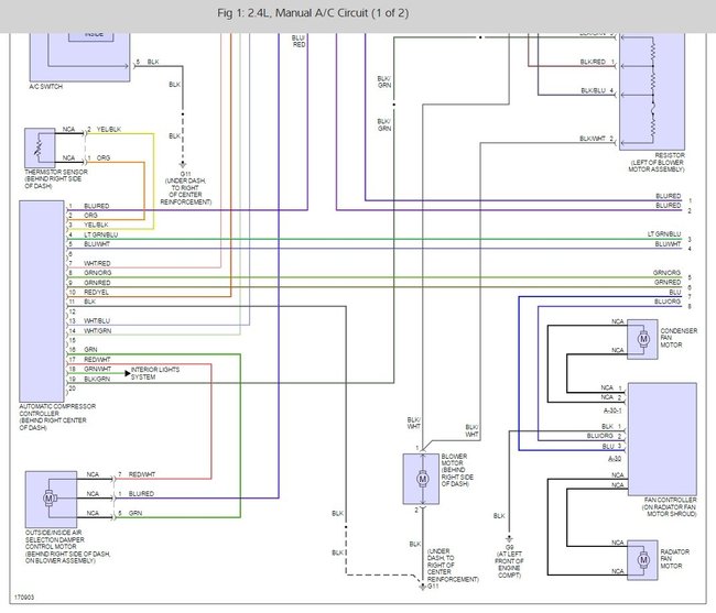
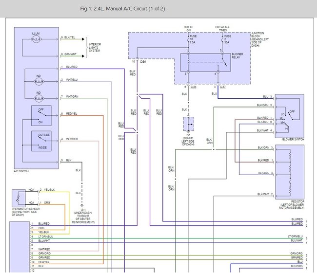
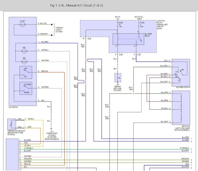
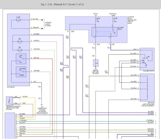
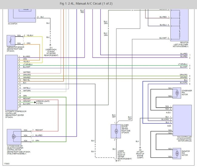
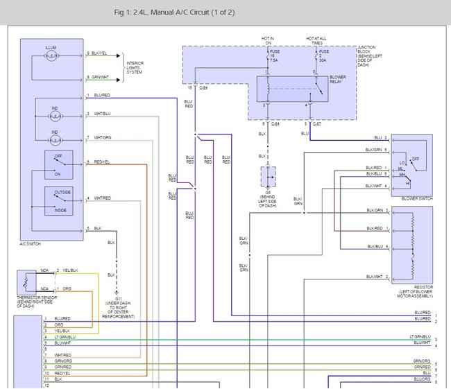
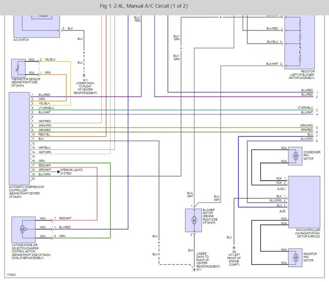
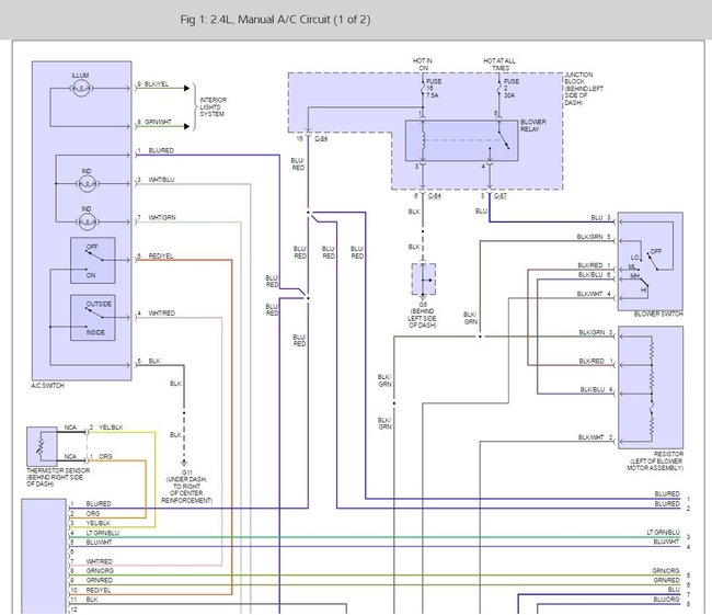
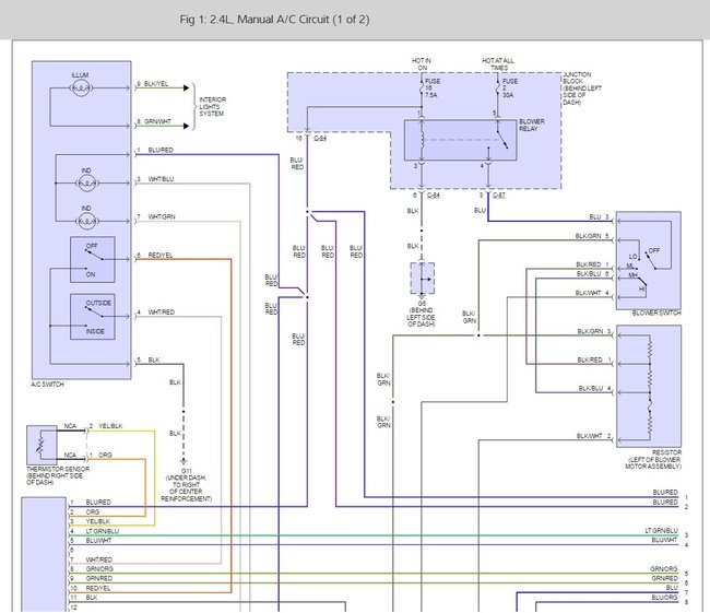
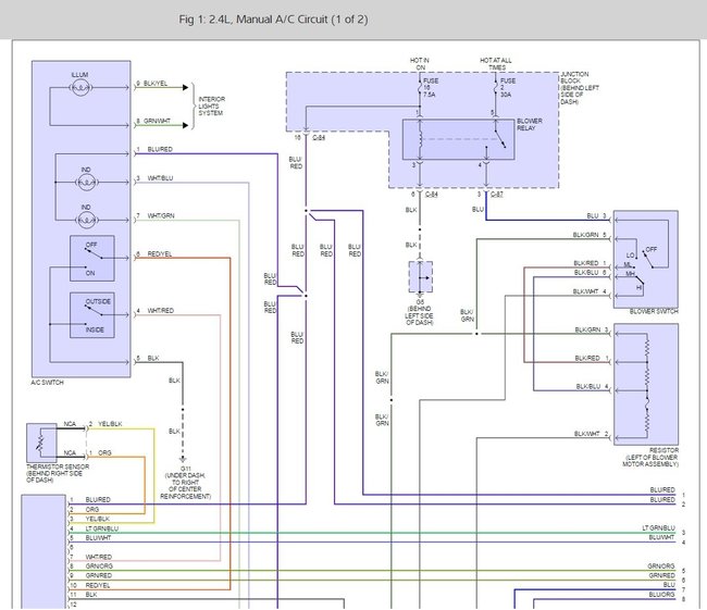
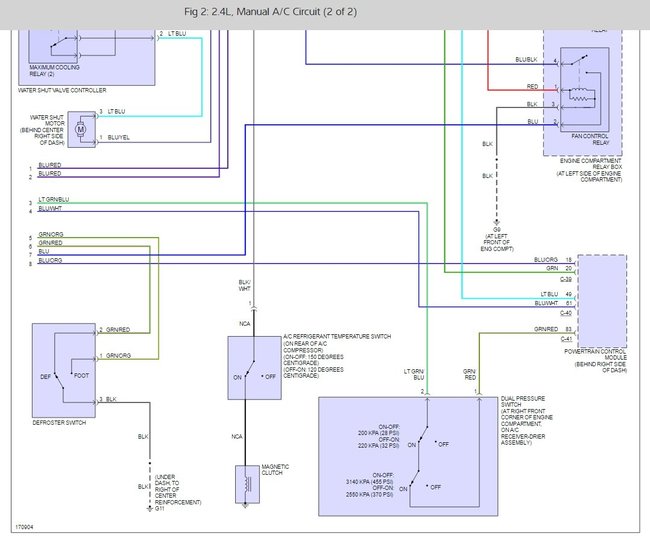
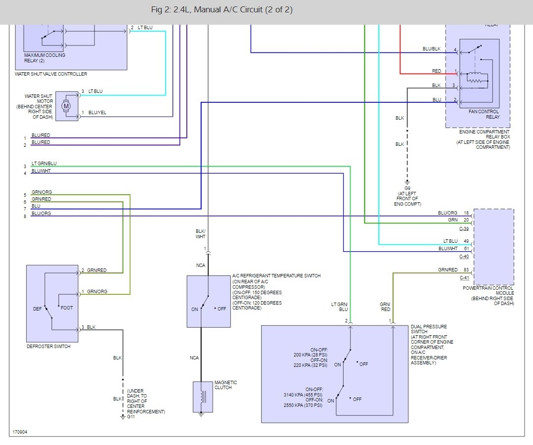
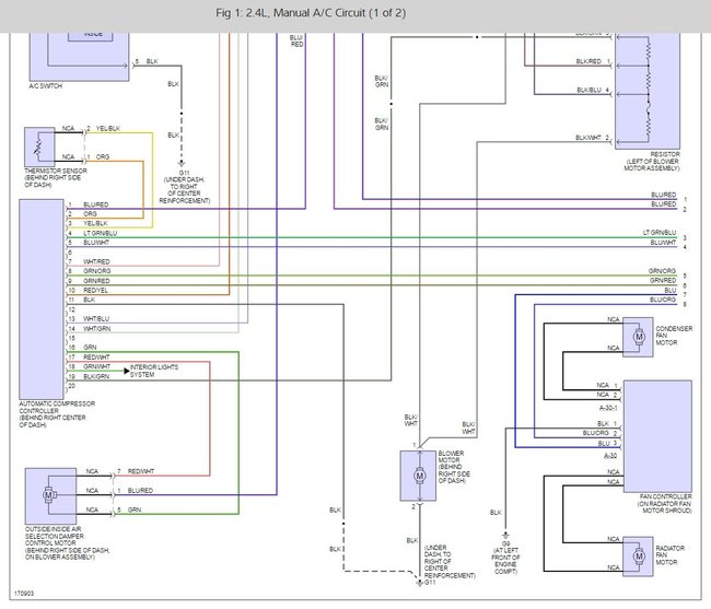
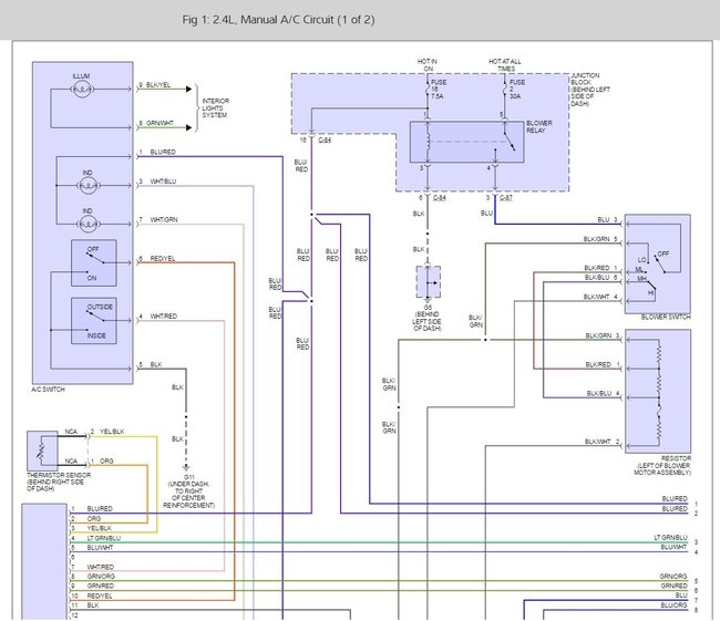
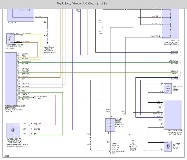
Yes that is true, here are some wring diagrams so you can look to see what wires go the the engine computer.

Please let us know what happens.

Best, Ken
Was this
answer
helpful?
Yes
No
+1
Monday, July 1st, 2019 AT 7:23 PM (Merged)
Tiny
KESHARA DORAKUMBURA
  • MEMBER
  • 4 POSTS
Hi,

Im in a same situation where my existing AC setup is manual, but would like to convert it to a auto/touch system.

Mine's Climate control unit is from 2003 Mitsubishi Galant.
The one I want to swap is to 1999 Mitsubishi Galant - VR4 Climate Control.

I would be really appreciate if you could note down the other parts that I need to have in order to achieve this task.
Was this
answer
helpful?
Yes
No
Monday, July 1st, 2019 AT 7:23 PM (Merged)
Tiny
KESHARA DORAKUMBURA
  • MEMBER
  • 4 POSTS
Hi,

Thanks for the reply.

I indeed would be grateful if you could find and attached Wiring Diagrams for Manual & Auto for 1999 Mitsubishi Galant. If not, even from a equivalent year of Mitsubishi Diamante or Mitsubishi Eclips because these two share most of it parts very same.

Thanks.
Was this
answer
helpful?
Yes
No
Monday, July 1st, 2019 AT 7:23 PM (Merged)

Please login or register to post a reply.