starter location?

2004 KIA SORENTO
120,000 MILES
Avatar
TURKSCREW5
  • MEMBER
  • 2 POSTS
I just replaced the alternator and the camshaft position sensor. Battery holds a strong charge, but when turn the key just get clicking noise. Problem first occluded when driving and all the sudden car just stalled. All lights radio and heat continued to work but car stalled. Put on computer and gave me the code to change the camshaft position sensor.
Oct 3, 2013 at 12:33 PM
Repair Safety Notice: This information is for general instructional purposes only. Vehicle repair can be dangerous. Verify all information, follow manufacturer service procedures, use proper tools and safety equipment, and consult a qualified repair shop when needed.
Advertisement
Avatar
JACOBANDNICKOLAS
  • CAR REPAIR CONTRIBUTOR
  • 110,190 POSTS
Hi,

As far as the starter is concerned, it is located on the right side of the engine where the engine and transmission meet. It will be low on the engine. I attached a pic below showing the starter.

Here is a link that explains how one is replaced:

https://www.2carpros.com/articles/how-to-replace-a-starter-motor

______________________

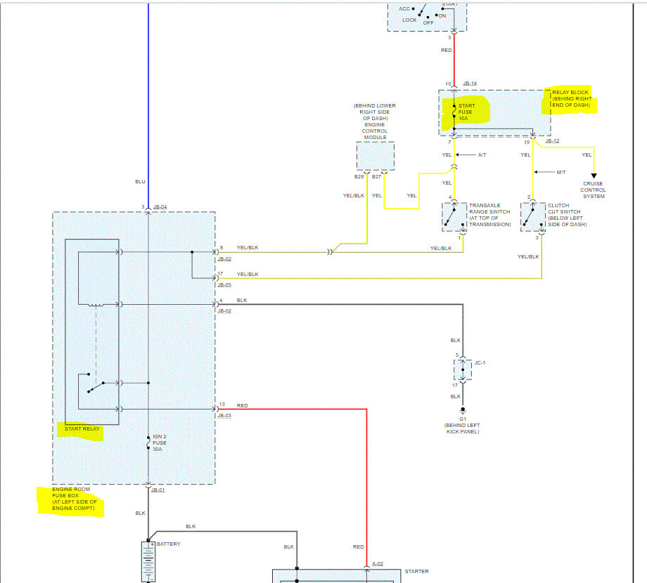
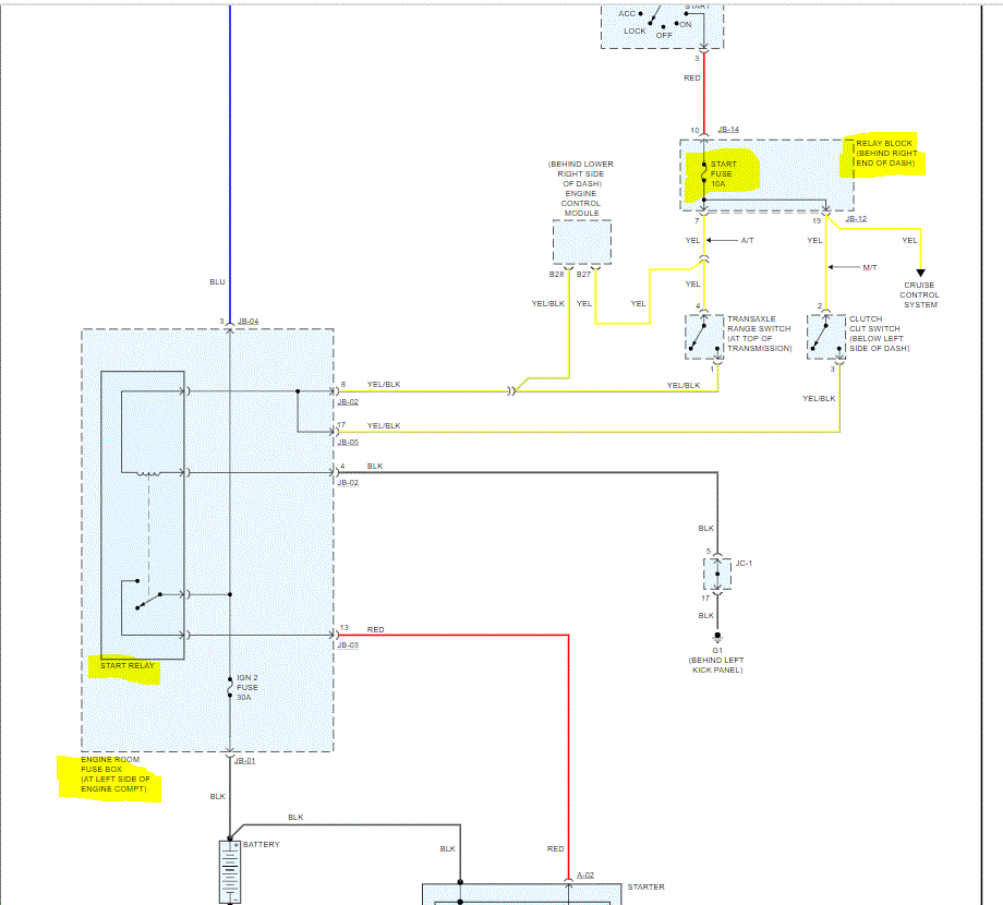
Before replacing the starter, make sure the battery terminals are clean and tight. Also, check the starter fuse and the starter relay. I attached a few pics below to help. Also, here are a couple of links you may find helpful. Pic 3 shows the under hood fuse box. I highlighted the starter relay. The fuse is in the fuse box under the right side of the dash.

https://www.2carpros.com/articles/how-to-check-a-car-fuse

https://www.2carpros.com/articles/how-to-check-an-electrical-relay-and-wiring-control-circuit

Let me know if this helps or if you have other questions.

Take care,
Joe
Nov 28, 2020 at 8:35 PM
Advertisement