HOME
ASK A QUESTION
REPAIR GUIDES
BECOME A MEMBER
LOG IN
Login with Facebook
OR
Remember me
NOT A MEMBER?
FORGOT PASSWORD?
CONTACT US
PRIVACY POLICY
TERMS AND CONDITIONS
☰
Home
Honda
Accord
Exterior Light
Fog Light
Not Working
Fog lights not working it does not come on?
JMONSOUR
MEMBER
2004 HONDA ACCORD
4 CYL
AWD
AUTOMATIC
110,000 MILES
Replace the lower fog light (light beneath the headlight) but it does not come on why?
Wednesday, January 19th, 2011 AT 5:50 PM
1 Reply
JACOBANDNICKOLAS
MECHANIC
110,176 POSTS
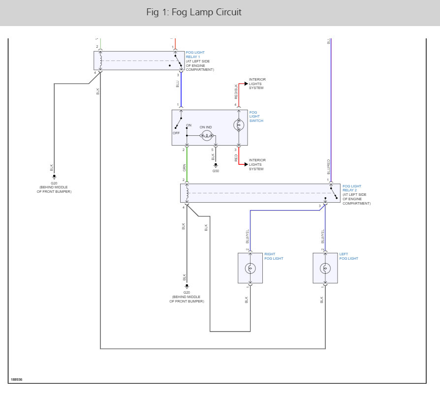
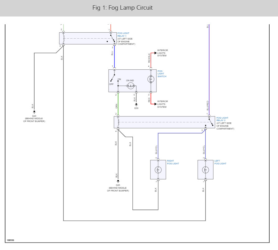
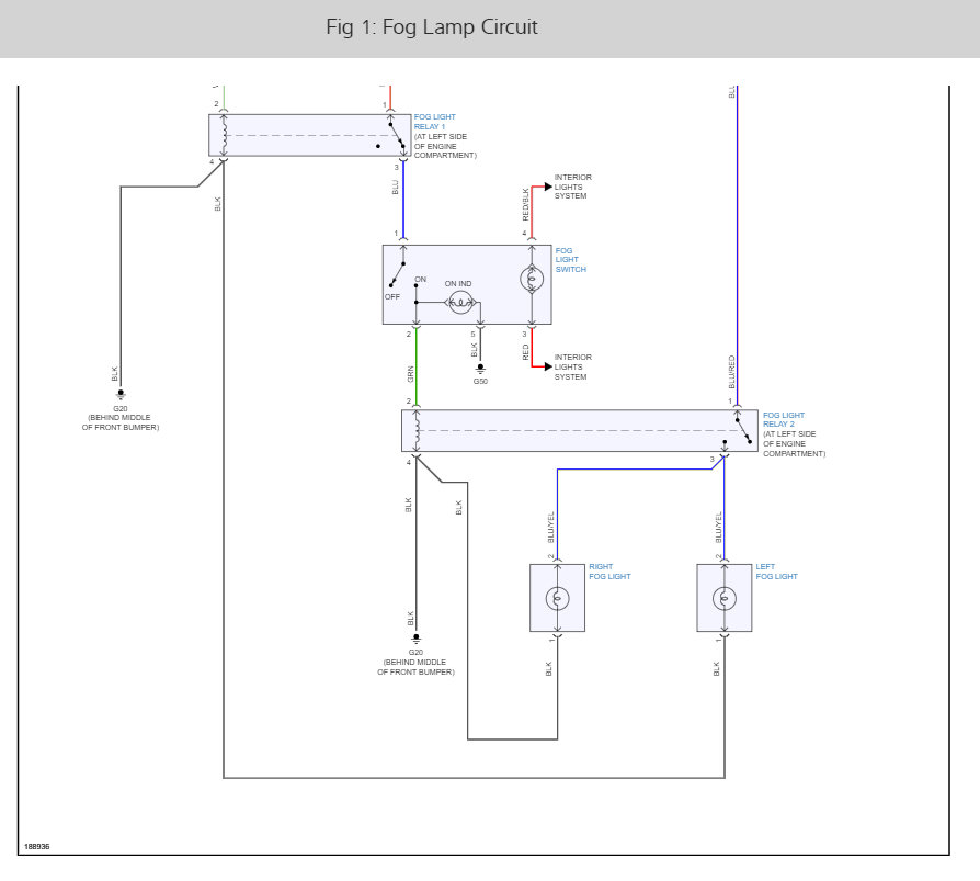
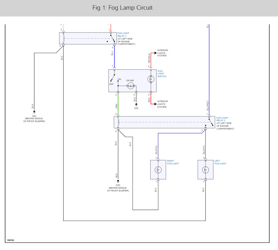
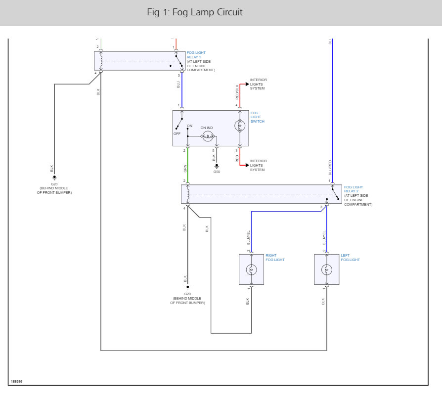
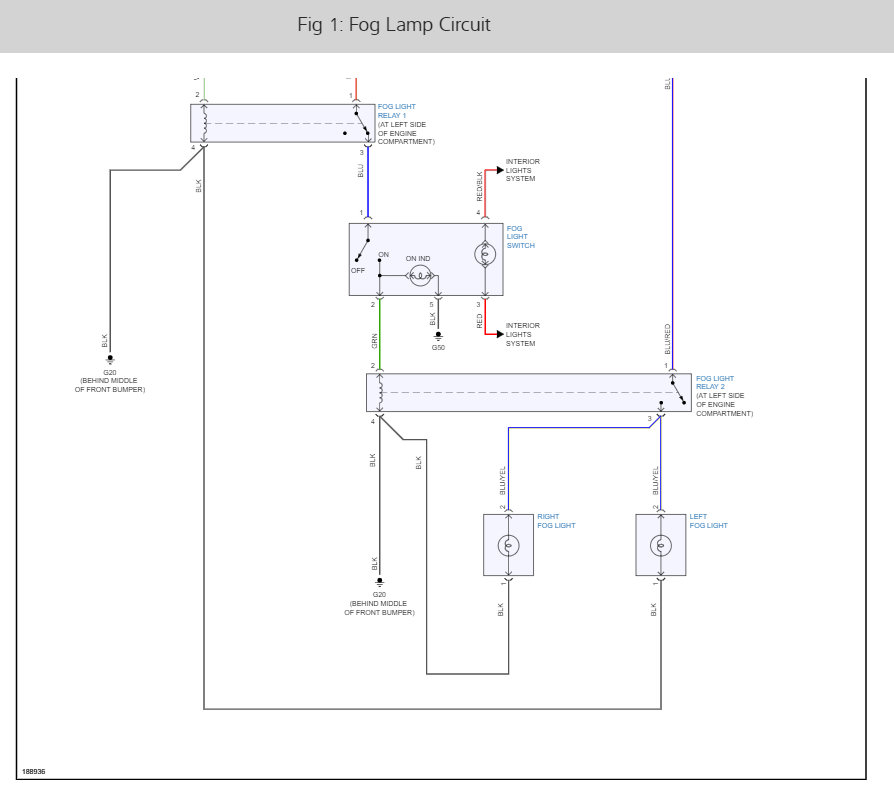
There are two relays and the fuse #6a in the under hood fuse panel these guides can help us find the problem by testing the fuse and relays.
https://www.2carpros.com/articles/how-to-check-a-car-fuse
and
https://www.2carpros.com/articles/how-to-check-an-electrical-relay-and-wiring-control-circuit
here are the fog light wiring diagrams so you can see how the system works. Check out the diagrams (Below). Please let us know what you find.
Images (Click to make bigger)
Was this
answer
helpful?
Yes
No
Thursday, April 4th, 2019 AT 2:17 PM
Please
login
or
register
to post a reply.
Related Fog Light Not Working Content
The Fog Light On My Honda Accord Is Permanently On
The Fog Light On My Honda Accord Is Permnently On, Is There A Relay Some Where Which Controls This, As It Is Suppost To Go Off When You...
Asked by
sean130868
·
2 ANSWERS
1999
HONDA ACCORD
My Fog Lights Stopped Working
I Also Have A Fog Light Connected. About A Couple Of Days Ago, The Fuse For My Radio Died And I Took It In For The Tech To Replace. Then...
Asked by
Jason Black
·
1 ANSWER
1 IMAGE
2001
HONDA ACCORD
Fog Light Bulb Replacement Instructions
How Do I Get The Fog Light Out To Replace It, Not Just The Bulb, The Whole Assembly
Asked by
Bern
·
1 ANSWER
2 IMAGES
2010
HONDA ACCORD
2001 Honda Accord Brake Light
Brake Light Comes On When I Apply Brakes I Had The Brake Cap Sensor Repaced Brake System Checked - On 8/11/09 - But This Morning Light...
Asked by
Maria Aguirre
·
2 ANSWERS
2001
HONDA ACCORD
1992 Honda Accord Brake Light
Brakes Problem 1992 Honda Accord 4 Cyl Front Wheel Drive Automatic 218000 Kilometers When I Stepped On The Brake Pedal To Check The...
Asked by
rdykonig
·
3 ANSWERS
1992
HONDA ACCORD
VIEW MORE
Ask a Car Question. It's Free!
How to Use a Test Light
Have a Dim Headlight? - Try Replacing This!
Turn Signals Blink Fast