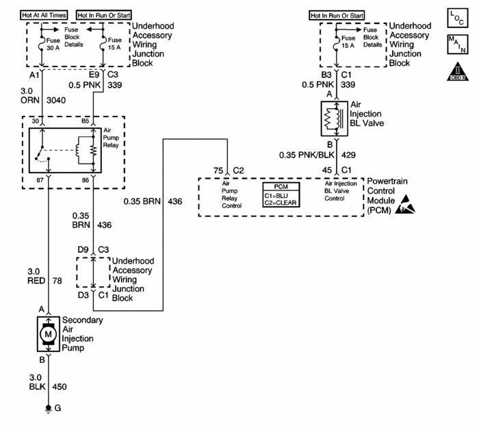
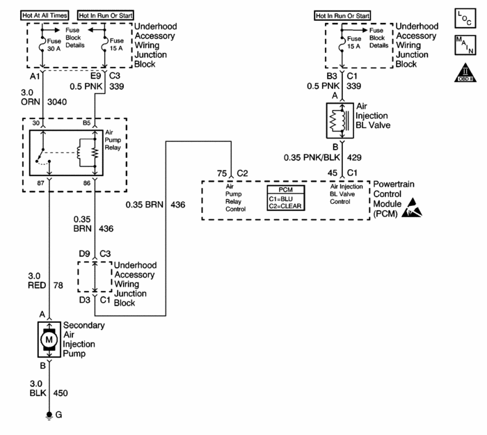
Wednesday, November 6th, 2013 AT 9:59 AM
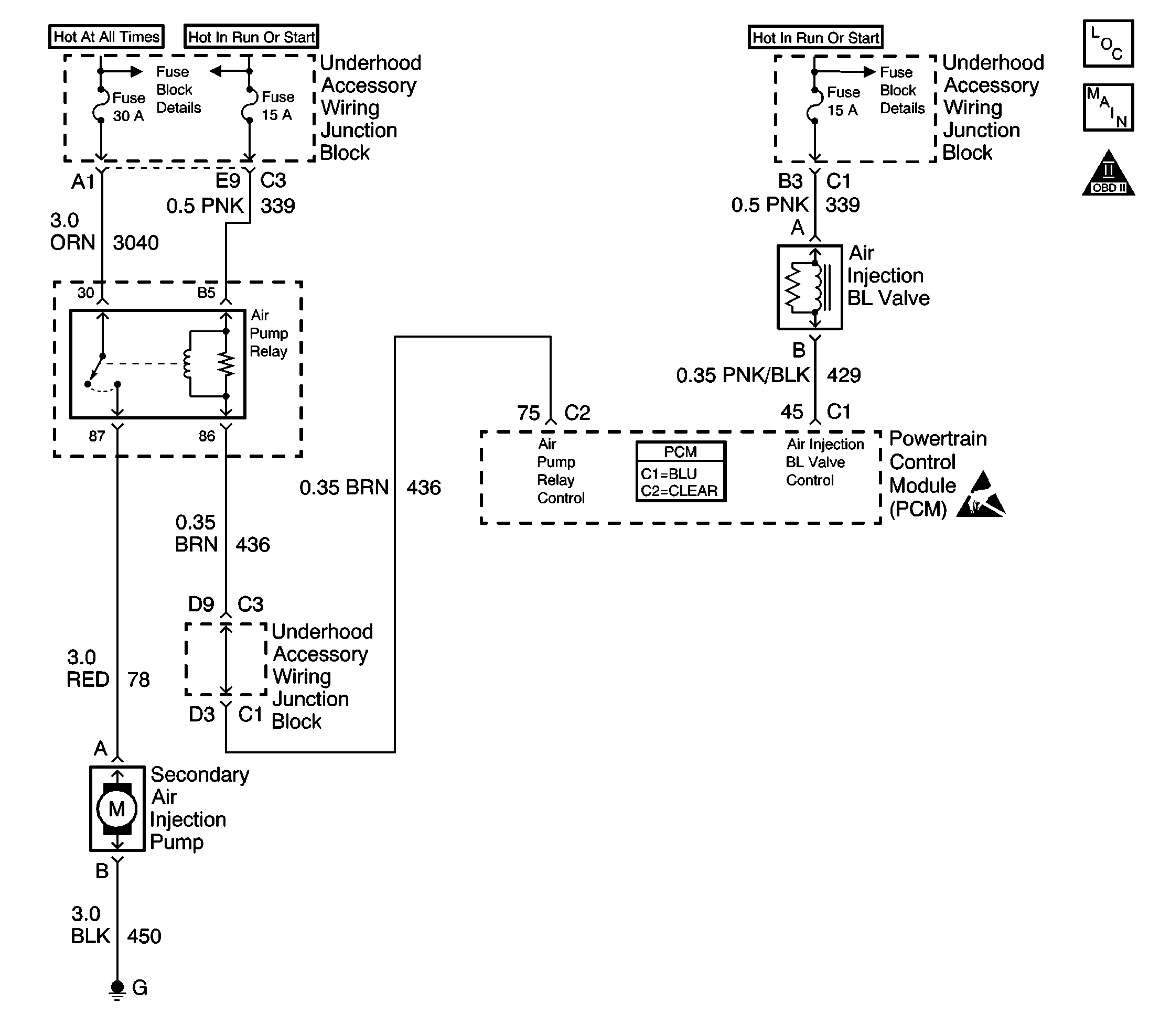
I have an 04 Chevy venture with the 3.4 L and on the passenger side of the manifold there is a nipple that looks as if some sort of line goes to it. Unsure what kind of line. There is one also on the driver side towards the front of the manifold that has a cap over it. Looked at Chilton's and Haynes and cant seem to find what goes to it. If you place your finger over the nipple it causes the motor to die down. (Not completely) At first though it ran to the tranny later realized it can the tranny is all electric. All of the diagrams I look at get me no where. At a lose and this mama needs her van ASAP please help











