Engine won't crank over?

Tiny
MARIAS5
  • MEMBER
  • 2004 CHEVROLET MALIBU
  • 129,000 MILES
Replaced the starter and the engine still won, t turnover.
Tuesday, January 24th, 2012 AT 3:19 PM

31 Replies

Tiny
FIXITMR
  • MECHANIC
  • 9,990 POSTS
Hello,

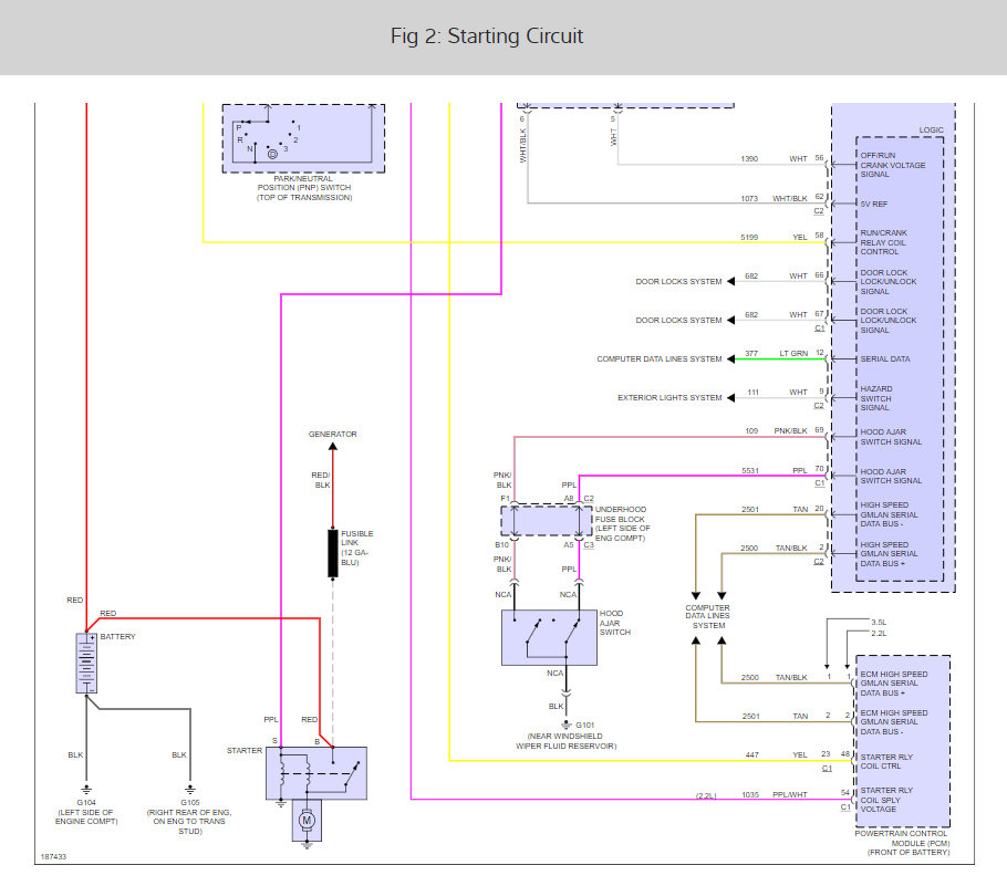
It sounds like you have a starter relay that is not working here are two guides to help us get started and the relay location and starter wiring diagrams so you can see how the4 system works below.

https://www.2carpros.com/articles/how-to-check-an-electrical-relay-and-wiring-control-circuit

and

https://www.2carpros.com/articles/starter-not-working-repair

Check out the diagrams (Below). Please let us know what you find. We are interested to see what it is.
Was this
answer
helpful?
Yes
No
+2
Tuesday, January 24th, 2012 AT 3:46 PM
Tiny
MARIAS5
  • MEMBER
  • 2 POSTS
Yes dash lights come on. There is a picture of the engine that appears when I try to start it. Tried in neutral and still wont start.
Was this
answer
helpful?
Yes
No
+12
Tuesday, January 24th, 2012 AT 5:32 PM
Tiny
FIXITMR
  • MECHANIC
  • 9,990 POSTS
When trying to start, check for voltage at starter solenoid ignition wire.
Was this
answer
helpful?
Yes
No
+2
Tuesday, January 24th, 2012 AT 5:58 PM
Tiny
LADY DRVR
  • MEMBER
  • 1 POST
I got a new relay for $24.00 all fixed.
Was this
answer
helpful?
Yes
No
+1
Tuesday, February 7th, 2012 AT 4:15 PM
Tiny
MADHUR.KR
  • MEMBER
  • 3 POSTS
  • 2004 CHEVROLET MALIBU
  • 2.2L
  • 4 CYL
  • 2WD
  • AUTOMATIC
  • 250,000 MILES
When I try starting my car it won’t start and it makes this spinning noise.
Was this
answer
helpful?
Yes
No
+1
Friday, January 29th, 2021 AT 9:56 AM (Merged)
Tiny
JACOBANDNICKOLAS
  • MECHANIC
  • 110,192 POSTS
The starter Bendix/solenoid is most likely bad and preventing the starter from engaging with the engine flywheel. Is suspect you should replace the starter.

Here is a link that explains how a starter works:

https://www.2carpros.com/articles/how-a-starter-and-solenoid-works

Here is a link that shows in general how one is replaced:

https://www.2carpros.com/articles/how-to-replace-a-starter-motor

Here are the directions specific to your vehicle for replacement. The attached pics correlate with the directions. Make sure before you begin working the battery is disconnected.

_______________________________________

2004 Chevrolet Malibu L4-2.2L VIN F
Procedures
Vehicle Starting and Charging Starting System Starter Motor Service and Repair Procedures
PROCEDURES
STARTER MOTOR REPLACEMENT

REMOVAL PROCEDURE

IMPORTANT: Record all pre-set radio stations.

pic 1

1. Turn the ignition OFF.
2. Disconnect the negative battery cable.
3. Remove the B+ battery cable nut at the starter.
4. Remove the S-terminal nut.

pic 2

5. Remove the lower starter assembly to engine block bolt.
6. Remove the upper starter assembly to engine block bolt.
7. Move the starter right, clearing the engine block, then left and out of the engine block (flywheel housing).

INSTALLATION PROCEDURE

pic 3

1. Guide the starter into the engine block (flywheel housing).

NOTE: Refer to Fastener Notice in Service Precautions.

2. Install the starter mounting bolts.

Tighten
Tighten the starter to engine bolts to 40 N.m (30 lb ft).

3. Install the B+ cable and nut.

Tighten
Tighten the B+ cable to starter nut to 10 N.m (7 lb ft).

4. Install the S-terminal wire and nut.

Tighten
Tighten the S-terminal nut to 5 N.m (4 lb ft).

5. Connect the negative battery cable to the battery.

__________________________________________________________

Let me know if that helps or if you have other questions.

Take care,
Joe
Was this
answer
helpful?
Yes
No
+1
Friday, January 29th, 2021 AT 9:56 AM (Merged)
Tiny
REYNOLDSCLARK
  • MEMBER
  • 1 POST
  • 2004 CHEVROLET MALIBU
  • 3.5L
  • 6 CYL
  • FWD
  • 170,000 MILES
The car will not turn over, battery is good. All the light come on. Turn key light go out in the dash, let go of the switch light back on.
Was this
answer
helpful?
Yes
No
+1
Friday, January 29th, 2021 AT 9:56 AM (Merged)
Tiny
HMAC300
  • MECHANIC
  • 48,601 POSTS
Try a security system reset it may have engaged. See picture and link. attached one of these should work to start it. If not then have an assistant try to start and hit the body of starter with a hammer if it starts the starter is bad.
https://www.2carpros.com/articles/how-to-reset-a-security-system
Was this
answer
helpful?
Yes
No
Friday, January 29th, 2021 AT 9:56 AM (Merged)
Tiny
OKOYA
  • MEMBER
  • 1 POST
  • 2004 CHEVROLET MALIBU
  • 4 CYL
  • FWD
  • AUTOMATIC
  • 98,765 MILES
I just put in a rebuilt starter but the starter starts but car won't crank
Was this
answer
helpful?
Yes
No
Friday, January 29th, 2021 AT 9:57 AM (Merged)
Tiny
PROTECH1980
  • MEMBER
  • 901 POSTS
Very confusing, Is the car a no crank, or a crank no start, go here to assist you:

https://www.2carpros.com/articles/car-cranks-but-wont-start

check these out to determine which you have.
Was this
answer
helpful?
Yes
No
Friday, January 29th, 2021 AT 9:57 AM (Merged)
Tiny
RASMATAZ
  • MECHANIC
  • 75,992 POSTS
Sounds more like your starter overrunning clutch is slipping the fix is starter motor replacement
Was this
answer
helpful?
Yes
No
Friday, January 29th, 2021 AT 9:57 AM (Merged)
Tiny
TRISTAWIND
  • MEMBER
  • 2 POSTS
  • 2004 CHEVROLET MALIBU
  • 4 CYL
  • FWD
  • AUTOMATIC
  • 92,000 MILES
Car ran fine all day, went into the store and came out and it wouldn't start. It has automatic headlights that didn't come on when I tried to start it like normal but when I put them on the on position they did. There was also no lights on my dash and none of the gauges worked. I had clock lights and dome lights and brake etc. When I turned the key the engine rolled over and almost started then just died down like it stalled. There was no clicking like a starter. There was 1/4 tank of gas. No other issues that I know of that would prevent it to start. Sounds like maybe something electrical, maybe the fuel relay or something of the sort?
Was this
answer
helpful?
Yes
No
Friday, January 29th, 2021 AT 9:57 AM (Merged)
Tiny
DOCFIXIT
  • MECHANIC
  • 18,828 POSTS
Check battry voltage should be 12.6VDC also try a jump start
Was this
answer
helpful?
Yes
No
+1
Friday, January 29th, 2021 AT 9:57 AM (Merged)
Tiny
TRISTAWIND
  • MEMBER
  • 2 POSTS
Checked the battery and it's fine, we also checked all of the fuses and relays and they're all fine as well. And we still have no clue what to do.
Was this
answer
helpful?
Yes
No
+1
Friday, January 29th, 2021 AT 9:57 AM (Merged)
Tiny
DOCFIXIT
  • MECHANIC
  • 18,828 POSTS
Get to starter need a test light see small wire on solenoid? Put test light on terminal turn key to start. If it lights then starter at fault if no light possible ignition switch or neutral safty switch.
Was this
answer
helpful?
Yes
No
-1
Friday, January 29th, 2021 AT 9:57 AM (Merged)
Tiny
TIGERCAT
  • MEMBER
  • 2 POSTS
  • 2004 CHEVROLET MALIBU
  • 6 CYL
  • AWD
  • AUTOMATIC
  • 75,000 MILES
I had to replace the battery earlier this month and Sunday 1/10 coming back from town I looked down and the check engine light was on. I took the car in Tuesday and was told that the thermostat was weak which tripped the sensor. I still had heat and it wasn't overheating so I'm holding off on changing that. The light is still on. This morning I opened to door to remote start the car and it locked the doors, and lit the lights but wouldn't start; won't turn over. I tried the other remote and still didn't. I just talked to the mechanic and he said that the check enginge light sensor would not affect the remote start. Do you have any possible idea why this would happen? The temp outside was in the mid-20's. It had started remotely before the engine light came on.
Was this
answer
helpful?
Yes
No
Friday, January 29th, 2021 AT 9:57 AM (Merged)
Tiny
BRIAN 1
  • MECHANIC
  • 1,030 POSTS
It will not remote start with the check engine light on, these are the conditions:The RVS system will not operate if any of the following conditions are present:

"Â A current vehicle DTC that illuminates the malfunction indicator lamp (MIL)

"Â More than 2 remote starts have been attempted.

"Â The hazard switch is in the ON position.

"Â A current hazard switch DTC is set.

"Â The vehicle hood is ajar.

"Â A current hood ajar DTC is set.

"Â The CTD system detects an alarm trigger.

"Â Excessive engine RPM

"Â Excessive coolant temperature

"Â Accelerator pedal position greater than 0 percent

"Â Vehicle not in park

"Â Vehicle theft deterrent malfunction

"Â A current automatic transmission shift lock control system DRC is set.

"Â A vehicle speed sensor signal is detected by the ECM.

"Â The vehicle is in valet mode.

Fix the SES light first and then remote start it.
Was this
answer
helpful?
Yes
No
Friday, January 29th, 2021 AT 9:57 AM (Merged)
Tiny
TIGERCAT
  • MEMBER
  • 2 POSTS
Thank you for the response to my question.
That is what I thought might be the problem.
Was this
answer
helpful?
Yes
No
Friday, January 29th, 2021 AT 9:57 AM (Merged)
Tiny
MICLOU513
  • MEMBER
  • 1 POST
  • 2004 CHEVROLET MALIBU
My car will not crank this morning. The battery is fine, per the radio, lights and auto locks are on. Help! 2004 Chevy Malibu
Was this
answer
helpful?
Yes
No
+1
Friday, January 29th, 2021 AT 9:57 AM (Merged)
Tiny
WRENCHTECH
  • MECHANIC
  • 20,761 POSTS
It takes a lot more power to operate the starter than any of those other things so you still should have the battery checked. Try shifting it into neutral to see if that helps. Otherwise the circuit is going to have to be tested to determine where it is being lost.

Check this guide out

https://www.2carpros.com/articles/how-to-replace-a-starter-motor

and

https://www.2carpros.com/articles/starter-not-working-repair

Please run down these guides and report back.
Was this
answer
helpful?
Yes
No
-1
Friday, January 29th, 2021 AT 9:57 AM (Merged)

Please login or register to post a reply.