My turn signals are not working?

Tiny
FIREATWILL08
  • MEMBER
  • 2 POSTS
  • 1991 BUICK CENTURY
I bought this car used and ever since I bought it the left turn signal wont flash but when I bought a flasher and went to put it in there wasn't a flasher there to replace or any place to put one in. So I went to the store and bought new bulbs and it still doesn't work what should I do? Also I checked the fuses on the car and none were blown what so ever but the right side works fine on it.
Was this
answer
helpful?
Yes
No
Friday, May 21st, 2021 AT 3:25 PM (Merged)
Tiny
LEGITIMATE007
  • MECHANIC
  • 5,121 POSTS
I think the flasher may be in a different location, check, under the steering column, to the left of it almost as far as the dash.
Was this
answer
helpful?
Yes
No
Friday, May 21st, 2021 AT 3:25 PM (Merged)
Tiny
3DGRAHAM
  • MEMBER
  • 10 POSTS
I just fixed a similar problem on my 1994 Buick Century. The flasher was bad. The 1991 and 1994 models may be different but I found the bad flasher unit on the end of a long wire under the dash to the right of my steering column. The wire was long enough to extend down to my brake or gas pedal. My wire was an easy find but perhaps your flasher unit is way up inside the dash. I'm guessing you could trace it from the thick wiring harness or turn signal. Good luck and I hope this helps!
Was this
answer
helpful?
Yes
No
+1
Friday, May 21st, 2021 AT 3:25 PM (Merged)
Tiny
LEGITIMATE007
  • MECHANIC
  • 5,121 POSTS
Excellent input, older GM's usually have them way up on a clip on the side of the steering column, I almost gave up on a corsica because I couldnt find it, until I stuck a mirror and a flashlight under there and caught the reflection of the silver fuse. I never thought it would be up that far.
Was this
answer
helpful?
Yes
No
Friday, May 21st, 2021 AT 3:25 PM (Merged)
Tiny
DESS
  • MEMBER
  • 5 POSTS
  • 1986 BUICK CENTURY
My turn signals will not work. But my emergency flashers do. I checked the fuses which are in the glove box and do not see the flashers for the blinkers. If any one can tell me where the flashers are I would greatly appreciate it. Thank you in advance
Was this
answer
helpful?
Yes
No
Friday, May 21st, 2021 AT 3:25 PM (Merged)
Tiny
JDL
  • MECHANIC
  • 16,098 POSTS
Our info for the turn flasher, says it is mounted to rear instrument cluster support, to the right of steering column.

You can also get at the wiring harness under the dash where the wiring goes into steering column, with key on, turn signal on, check the purple wire for voltage, that voltage comes from flasher. If no voltage you will have to check voltage to and from turn flasher.

If that wire has voltage, check the proper color wire coming from steering column for rear turn signal lamps, if nothing, the problem may be the turn switch.

I realize this is an old post, in the future, hope you don't have any vehicle issues, but, if you do, keep the site in mind. They are always working to improve the site and it's free to ask a question.

Have a good day.
Was this
answer
helpful?
Yes
No
Friday, May 21st, 2021 AT 3:25 PM (Merged)
Tiny
FINCHTHO
  • MEMBER
  • 5 POSTS
  • 1986 BUICK CENTURY
  • 2.8L
  • V6
  • FWD
  • AUTOMATIC
  • 300,000 MILES
My blinkers are really slow, and the lights do not light up in my dash for my signals, but the fuse is good, what else could it be?
Was this
answer
helpful?
Yes
No
Friday, May 21st, 2021 AT 3:29 PM (Merged)
Tiny
HMAC300
  • MECHANIC
  • 48,601 POSTS
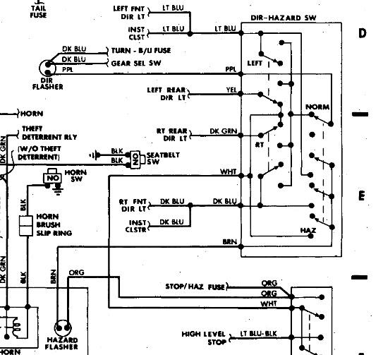
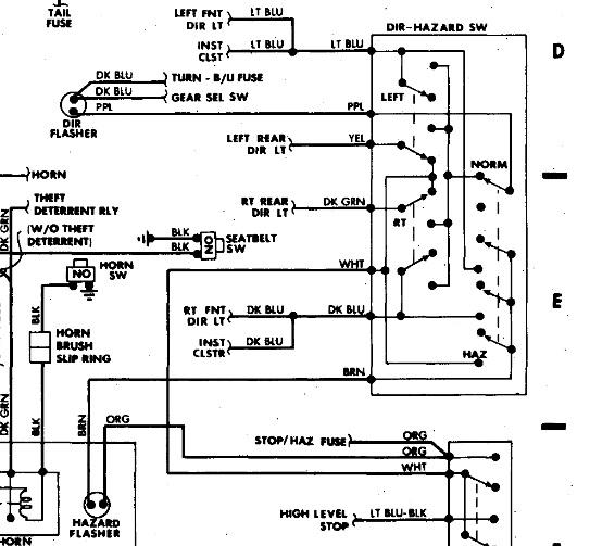
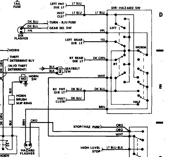
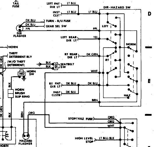
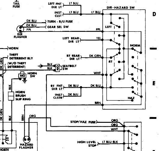
Check the flasher if it continues then check bulbs in dash. See picture
Was this
answer
helpful?
Yes
No
Friday, May 21st, 2021 AT 3:29 PM (Merged)
Tiny
FINCHTHO
  • MEMBER
  • 5 POSTS
Where is that on the car? It is unclear to tell
Was this
answer
helpful?
Yes
No
Friday, May 21st, 2021 AT 3:29 PM (Merged)
Tiny
CJ MEDEVAC
  • MECHANIC
  • 11,005 POSTS
DIFFERENT GUY

I FOUND THE SAME DIAGRAM

IT IS HAZY JUST LIKE HMACs

IT APPEARS TO BE UNDER THE HOOD/ DRIVERs SIDE/ LOW ON THE FIREWALL

(IF NOT, MAYBE IT'S ON THE INSIDE, SAME PLACE)

THIS IS WHAT IT LOOKS LIKE, SEE MY LINK

http://shop.advanceautoparts.com/web/PartSearchCmd?storeId=10151&catalogId=10051&pageId=partTypeList&suggestion=&actionSrc=Suggest&langId=-1&searchTerm=flashers&vehicleIdSearch=7106&vehicle_7106=1986+%3A+Buick+%3A+Century+Limited+%3A+2.8L+173CI+V6+Carb+VIN%3A+X&vehicle_172433=2003+%3A+Ford+%3A+Escape+%3A+3.0L+183CI+V6+FI+VIN%3A+1&vehicle_145199=2002+%3A+Chevrolet+%3A+S10+%3A+4.3L+262CI+V6+FI+VIN%3A+W&searchedFrom=header

KEEP US POSTED ON PROGRESS

THE MEDIC
Was this
answer
helpful?
Yes
No
Friday, May 21st, 2021 AT 3:29 PM (Merged)
Tiny
HMAC300
  • MECHANIC
  • 48,601 POSTS
It is located behind the dash by the steering column.
Was this
answer
helpful?
Yes
No
Friday, May 21st, 2021 AT 3:29 PM (Merged)
Tiny
FINCHTHO
  • MEMBER
  • 5 POSTS
I looked everywhere behind the dash in the engine bay and under the dash it is no where to be found.
Was this
answer
helpful?
Yes
No
Friday, May 21st, 2021 AT 3:30 PM (Merged)

Please login or register to post a reply.