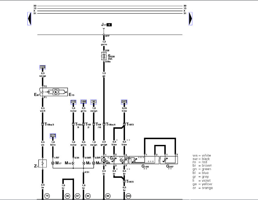
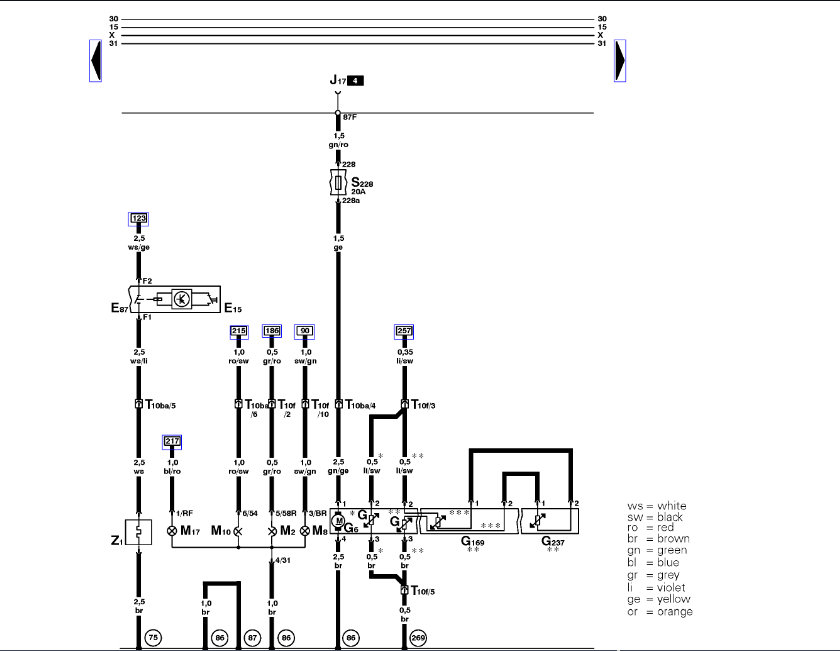
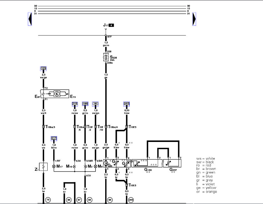
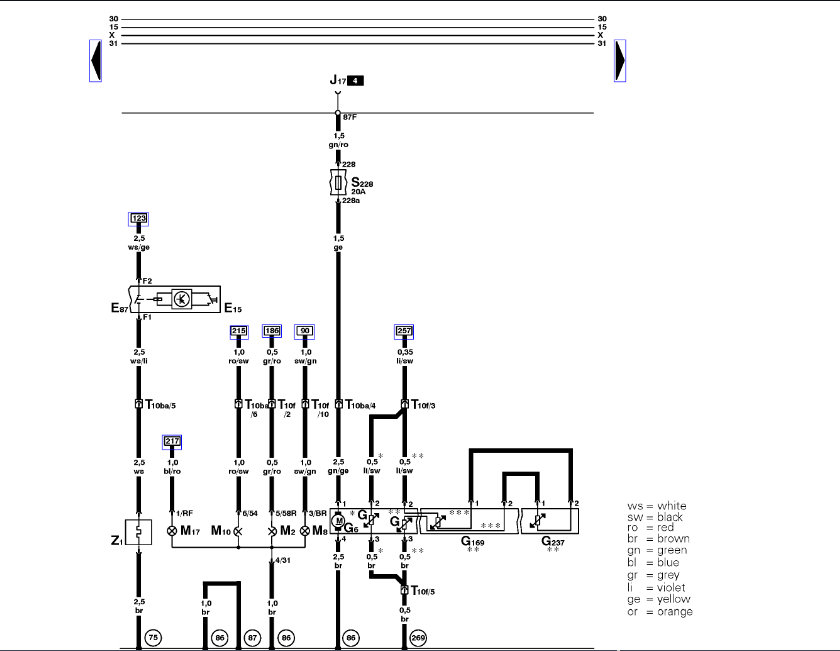
Wednesday, October 9th, 2019 AT 11:26 AM
Was driving fine, rpm's went up then down and shut off, hasn’t started since. Have checked all fuses, all good. Changed fuel pump relay and fuel pump itself. Still nothing. Will start for a minute before shutting off when I use a starting fluid. Is this a wiring issue or ignition control module problem or something else?










