Radiator replacement

Tiny
TODDMORRIS
  • MEMBER
  • 2003 PONTIAC MONTANA
  • 6 CYL
  • 2WD
  • AUTOMATIC
  • 177,700 MILES
How to take out the radiator?
Friday, January 28th, 2011 AT 4:07 PM

13 Replies

Tiny
KEN L
  • MASTER CERTIFIED MECHANIC
  • 55,322 POSTS
Hello,

Here is a guide that should help you see what you are in for when doing the job. You might need to vacuum down and recharge the air conditioner if you can get the condenser unbolted from the radiator before it is removed.

https://www.2carpros.com/articles/re-charge-an-air-conditioner-system

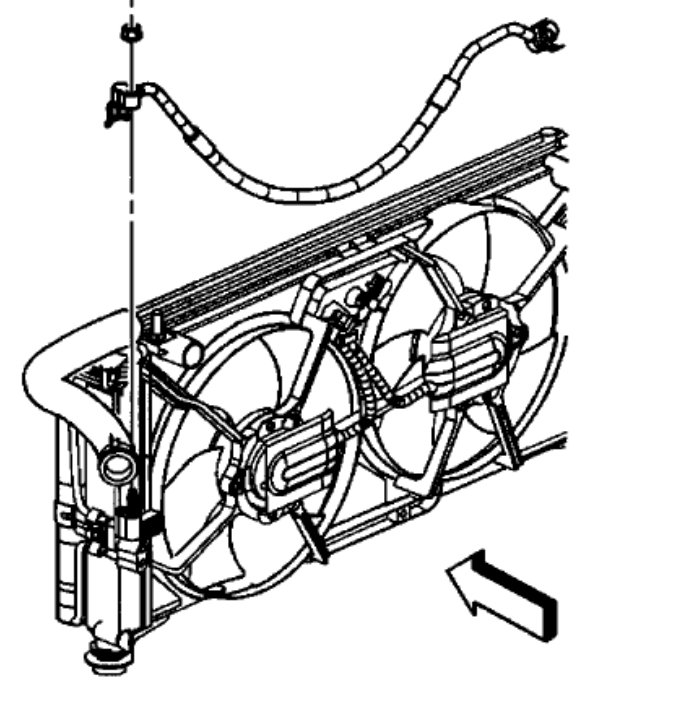
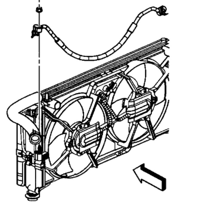
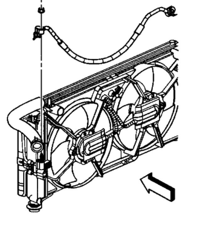
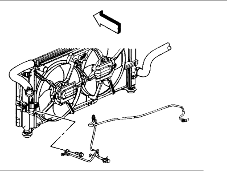
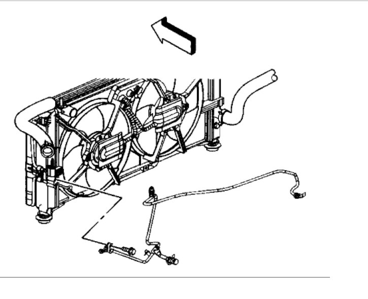
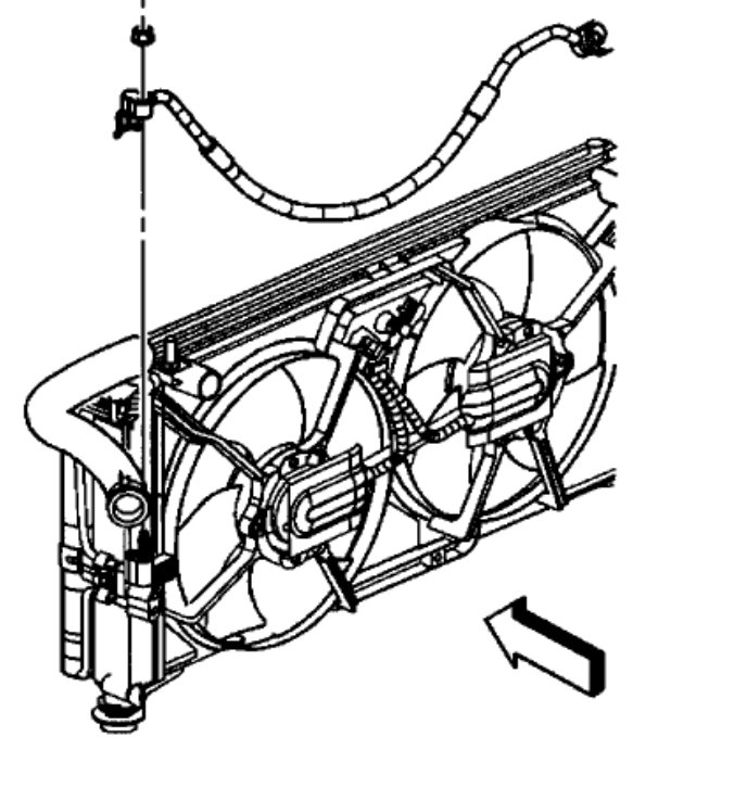
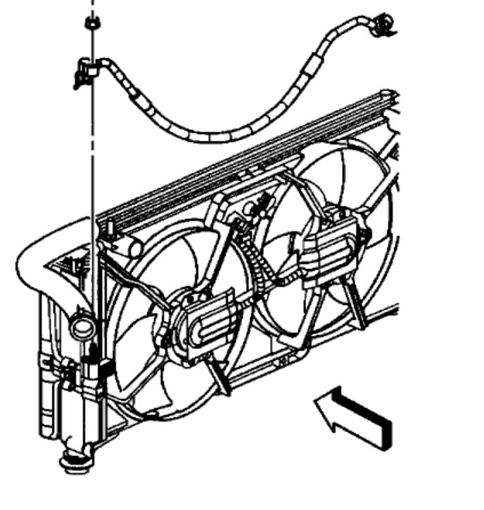
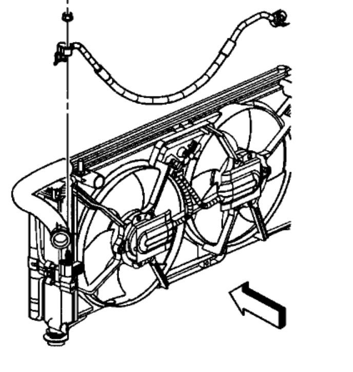
This guide can give you an idea of what you are in for when changing the radiator out with diagrams below to show you how on your car.

https://www.2carpros.com/articles/how-to-replace-a-car-radiator

Check out the diagrams (below). Please let us know if you need anything else to get the problem fixed.
Was this
answer
helpful?
Yes
No
+1
Wednesday, January 10th, 2018 AT 12:49 PM
Tiny
XJSHEN
  • MEMBER
  • 246 POSTS
Hello Ken,
I replaced radiator and all A/C system worked good. But I forgot to install two tetragonal rubber bodies (image attached) after replacement of radiator and battery. I do not remember where it was located. If you instruct me where it should be installed very appreciated.
Thanks for your help!
Was this
answer
helpful?
Yes
No
Friday, April 20th, 2018 AT 3:26 PM
Tiny
XJSHEN
  • MEMBER
  • 246 POSTS
What is the part name?
Was this
answer
helpful?
Yes
No
-1
Friday, April 20th, 2018 AT 3:27 PM
Tiny
STEVE W.
  • MECHANIC
  • 15,682 POSTS
Those look like the two rubber mounts that the locator pins on the bottom of the radiator fit into. If you still have the old one you removed look at the bottom at both ends where the tanks are and see if there are pins sticking down that the holes in those mounts slide over. If you discover that is what they are, look on the vehicle itself and see if the old ones are still installed. Sometimes a replacement part will fit a few models that use slightly different parts. They will include the "other" parts just in case they are needed.
Was this
answer
helpful?
Yes
No
+1
Friday, April 20th, 2018 AT 3:56 PM
Tiny
XJSHEN
  • MEMBER
  • 246 POSTS
Hi Ken,
Thank you so much for your prompt help and answer.
It is the original rubber parts which I had forgotten to install original its location. I already installed all A/C parts and pipes to radiator. Now I can raise a little bit and insert them. But I do not know perfect position. May you instruct me with a picture would be great to help me to install back its location. Thanks a lot for your help!
Steven
Was this
answer
helpful?
Yes
No
Friday, April 20th, 2018 AT 4:15 PM
Tiny
XJSHEN
  • MEMBER
  • 246 POSTS
There was two round rubber mounts already installed at two bottom sides legs. That is rubber mounts when I search online with the term of rubber mount.
Then radiator installed a loose due to the two mount was not installed. But I could find its two small legs on the image and half hole.
Was this
answer
helpful?
Yes
No
Friday, April 20th, 2018 AT 4:33 PM
Tiny
XJSHEN
  • MEMBER
  • 246 POSTS
What is correct name for the parts? Then I can search how to install and where to install. I have repair manual but I could not find the part. Thanks for your instruction and helps!
Steven
Was this
answer
helpful?
Yes
No
Friday, April 20th, 2018 AT 4:35 PM
Tiny
STEVE W.
  • MECHANIC
  • 15,682 POSTS
The problem is that those two parts may not be required for your vehicle. The Montana has a few options that would use rubber isolation mounts like those. The folks selling the radiator include those in the event you need them, but if the radiator is mounted good and is not loose at the top or bottom you should be okay and do not need them.

The issue with the manual is the same thing I have, they do not show every part used on every version.
They also could be the two parts on the top of the radiator supports marked here.
Was this
answer
helpful?
Yes
No
-1
Friday, April 20th, 2018 AT 7:03 PM
Tiny
XJSHEN
  • MEMBER
  • 246 POSTS
That parts were spacer between condenser and radiator in the top and bottom of middle location. I saw it on the YouTube.
Was this
answer
helpful?
Yes
No
Thursday, September 5th, 2019 AT 9:03 PM
Tiny
JBENNETT81183
  • MEMBER
  • 1 POST
  • 2004 PONTIAC MONTANA
  • 14,728 MILES
So my van was over heating and I was due for an oil change. So I went and had the oil change and after it overheated even more than before. So I took it to the mechanic and they said that I had a cracked radiator and because it was overheating I "blew" the head. And they are charging me $2600.00 for those two things. And im trying to find out if I am getting ripped off.
Was this
answer
helpful?
Yes
No
Tuesday, September 10th, 2019 AT 6:49 PM (Merged)
Tiny
JACOBANDNICKOLAS
  • MECHANIC
  • 110,192 POSTS
WOW! That is a lot. A radiator is around 200 + labor. As far as replacing the head gaskets, I would estimate around 600. 2,600 is way too much unless he is using gold plated parts. I strongly recommend getting a second opinion. I would say around 1K for everything should cover it. However, I don't know where you live or the labor rates.
Was this
answer
helpful?
Yes
No
Tuesday, September 10th, 2019 AT 6:49 PM (Merged)
Tiny
MOIELLIS
  • MEMBER
  • 3 POSTS
  • 1999 PONTIAC MONTANA
Engine Cooling problem
1999 Pontiac Montana 6 cyl Front Wheel Drive Automatic

how to replace radiator
Was this
answer
helpful?
Yes
No
Tuesday, September 10th, 2019 AT 6:49 PM (Merged)
Tiny
JACOBANDNICKOLAS
  • MECHANIC
  • 110,192 POSTS
Go to the attached site for directions:

https://www.2carpros.com/articles/mitchell1eautorepair-car-repair-manuals

Let me know if this helps.
Joe
Was this
answer
helpful?
Yes
No
Tuesday, September 10th, 2019 AT 6:49 PM (Merged)

Please login or register to post a reply.