My engine not cranking over - starter not working?

Tiny
ANTHONYR723
  • MEMBER
  • 2003 HYUNDAI SANTA FE
  • 3.5L
  • V6
  • 2WD
  • AUTOMATIC
  • 130,000 MILES
My car all of a sudden wont start. Its not the battery or cables those are fine. When I go to start the car, there is nothing except maybe a faint humming noise. I am not sure if it is the starter, ignition switch, or the neutral safety. I tried putting the car in neutral and starting the car but that didnt work either. Can I diagnose whether the starter is the culprit without removing it? Is it more likely the ignition switch? Any help would be greatly appreciated.

When I turn the headlights on and then try starting the car, the lights dim way down and then when I release the key the go bright again. Actually, this while issue started after I changed the bulb in the front headlight. It could be a coincidence but thought I'd mention it. Also, if this helps, the car has been sitting for about a month since driving.


Thanks.

Anthony
Friday, October 9th, 2015 AT 4:04 PM

19 Replies

Tiny
KEN L
  • MASTER CERTIFIED MECHANIC
  • 55,350 POSTS
This sounds like a classic battery that has gone flat which will cause the problem you are describing. To be sure please follow these two guides so we can get the problem fixed.

https://www.2carpros.com/articles/car-battery-load-test

and if bad

https://www.2carpros.com/articles/how-to-replace-a-car-battery

Please let us know what you find.

Cheers, Ken
Was this
answer
helpful?
Yes
No
-1
Wednesday, September 27th, 2017 AT 4:01 PM
Tiny
PBRIESE1
  • MEMBER
  • 3 POSTS
  • 2003 HYUNDAI SANTA FE
  • 3.5L
  • V6
  • 4WD
  • AUTOMATIC
  • 175,000 MILES
I do not have a key fob with this car so to start the car I have to put the key in the ignition turn in the first setting wait for a chime turn to the second setting wait for another chime and then crank the engine. Tonight when I did this my car started and then it shut off when I went to put it in gear and it will not restart. I put the key in the ignition turn to the first setting wait for the chime turn to the second setting wait for the chime but the dash warning lights do not work the gas gauge shows empty and the windows will not go down and of course the car will not start. I have to assume this has something to do with the ignition or the vehicle immobilizer unit but am lost. Any help would be great.
Was this
answer
helpful?
Yes
No
-1
Monday, January 4th, 2021 AT 10:36 AM (Merged)
Tiny
KEN L
  • MASTER CERTIFIED MECHANIC
  • 55,350 POSTS
When you are turning the engine over does the security light flash?

Cheers, Ken
Was this
answer
helpful?
Yes
No
Monday, January 4th, 2021 AT 10:36 AM (Merged)
Tiny
PBRIESE1
  • MEMBER
  • 3 POSTS
When the car will not start no there are no lights on, on the dash and the power windows will not work.
Was this
answer
helpful?
Yes
No
Monday, January 4th, 2021 AT 10:36 AM (Merged)
Tiny
KEN L
  • MASTER CERTIFIED MECHANIC
  • 55,350 POSTS
This sounds like a bad connection at the battery or the battery is weak and needs to be replaced.

Here are some simple guides to help you get the get the problem fixed:

First check the connections.

https://www.2carpros.com/articles/everything-goes-dead-when-engine-is-cranked

and

https://www.2carpros.com/articles/car-battery-load-test

and if bad:

https://www.2carpros.com/articles/how-to-replace-a-car-battery

Please let us know what happens.

Cheers, Ken
Was this
answer
helpful?
Yes
No
Monday, January 4th, 2021 AT 10:36 AM (Merged)
Tiny
PBRIESE1
  • MEMBER
  • 3 POSTS
I forgot to mention that I just replaced the battery a month ago. So maybe a connection somewhere.
Was this
answer
helpful?
Yes
No
Monday, January 4th, 2021 AT 10:36 AM (Merged)
Tiny
KEN L
  • MASTER CERTIFIED MECHANIC
  • 55,350 POSTS
I would start there becasue it sounds like the car is loosing it electrical connection. Here is a guide to help you see if this could be the problem

https://www.2carpros.com/articles/everything-goes-dead-when-engine-is-cranked

Cheers, Ken
Was this
answer
helpful?
Yes
No
Monday, January 4th, 2021 AT 10:36 AM (Merged)
Tiny
WANDAMCCOMAS
  • MEMBER
  • 2 POSTS
  • 2003 HYUNDAI SANTA FE
  • 175,000 MILES
I stopped by walgreens turned my car off and when I came out to start to leave my Sante Fe wouldn't even click or turn over. All lights and windows work. I tried putting it in neutral to start also tried jumping with no luck. Electric seems fine but car is dead to start. Any ideas?
Thank you
Was this
answer
helpful?
Yes
No
Monday, January 4th, 2021 AT 10:38 AM (Merged)
Tiny
HMAC300
  • MECHANIC
  • 48,601 POSTS
It sounds like you need to replace the battery here is a guide.

https://www.2carpros.com/articles/how-to-replace-a-car-battery

Please run down this guide and report back.
Was this
answer
helpful?
Yes
No
-1
Monday, January 4th, 2021 AT 10:38 AM (Merged)
Tiny
WANDAMCCOMAS
  • MEMBER
  • 2 POSTS
It was the battery Thank you soooo much!
Wanda
Was this
answer
helpful?
Yes
No
Monday, January 4th, 2021 AT 10:38 AM (Merged)
Tiny
HMAC300
  • MECHANIC
  • 48,601 POSTS
Nice work, we are here to help, please use 2CarPros anytime.
Was this
answer
helpful?
Yes
No
Monday, January 4th, 2021 AT 10:38 AM (Merged)
Tiny
FCREPTILES
  • MEMBER
  • 1 POST
  • 2002 HYUNDAI SANTA FE
  • 6 CYL
  • 2WD
  • AUTOMATIC
  • 132,000 MILES
I just got a call from my wife a few hours ago letting me know that our santa fe stalled at a red light and would not start back up. She said that when she attempted to start the car all she got was a solonoid click and nothing else. The timing belt was replaced approximately 6k ago other than that no major maintenance has been done for some time. She put a fresh battery in the car and she is still getting the same solonoid click. I am thinking alternator but with a fresh battery I thought it would at least drain it down and die again. Or starter but that does not explain why it stalled in the middle of the road with no prior stalling problems and would not start back up. Please help me out I am in florida and my wife is visiting family in New jersey so I am not physically able to work on the car myself.

Nick
Was this
answer
helpful?
Yes
No
Monday, January 4th, 2021 AT 10:38 AM (Merged)
Tiny
JACOBANDNICKOLAS
  • MECHANIC
  • 110,192 POSTS
It sounds like the starter is bad. Is there anyone that could remove it and have it bench tested at parts store?

Also, tell her to make sure the battery terminals are clean and tight. Also, the ground to the engine block needs to be checked too.
Was this
answer
helpful?
Yes
No
Monday, January 4th, 2021 AT 10:38 AM (Merged)
Tiny
KSCHUETZE
  • MEMBER
  • 1 POST
  • 2002 HYUNDAI SANTA FE
  • 6 CYL
  • 2WD
  • AUTOMATIC
  • 110,000 MILES
Put new battery in and lights on dash come on but car will not start. Has a continuous clicking nosie.
Was this
answer
helpful?
Yes
No
Monday, January 4th, 2021 AT 10:38 AM (Merged)
Tiny
RASMATAZ
  • MECHANIC
  • 75,992 POSTS
Could be the starter, starter relay, clutch switch/park and neutral switch and ignition switch assuming the battery and connections are good

This guide will help

https://www.2carpros.com/articles/starter-not-working-repair

Please run down this guide and report back.
Was this
answer
helpful?
Yes
No
Monday, January 4th, 2021 AT 10:38 AM (Merged)
Tiny
JIMMYLOU
  • MEMBER
  • 1 POST
  • 2001 HYUNDAI SANTA FE
Engine won't start. Turn key and all indicator lights illuminate including engine check light but doesn't crank, just dead silence. Battery is fully charged. Disconnected and after thirty minutes reconnected battery terminals and no joy. Guessing it might be bad ground or neutral safety switch. Attempted to crank with shift at each position and no joy.

Not familiar with this particular model and short on promissory notes, I've no idea where the neutral safety switch is located, or if it's the problem. Need a general guesstimate on what problem might be and cost to fix (parts & labor).
Was this
answer
helpful?
Yes
No
-1
Monday, January 4th, 2021 AT 10:39 AM (Merged)
Tiny
JACOBANDNICKOLAS
  • MECHANIC
  • 110,192 POSTS
Have a helper turn the key to the start position while you check for power to the smaller wire on the starter. There should be 12+ volts.

Let me know what you find.
Was this
answer
helpful?
Yes
No
-1
Monday, January 4th, 2021 AT 10:39 AM (Merged)
Tiny
EDDYKANE
  • MEMBER
  • 1 POST
  • 2001 HYUNDAI SANTA FE
  • 2.7L
  • V6
  • 4WD
  • AUTOMATIC
  • 221,000 MILES
Changed rubber fuel neck went to start car all lights come on, but no start no crank.
Was this
answer
helpful?
Yes
No
Monday, January 4th, 2021 AT 10:39 AM (Merged)
Tiny
JACOBANDNICKOLAS
  • MECHANIC
  • 110,192 POSTS
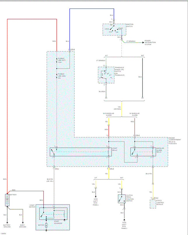
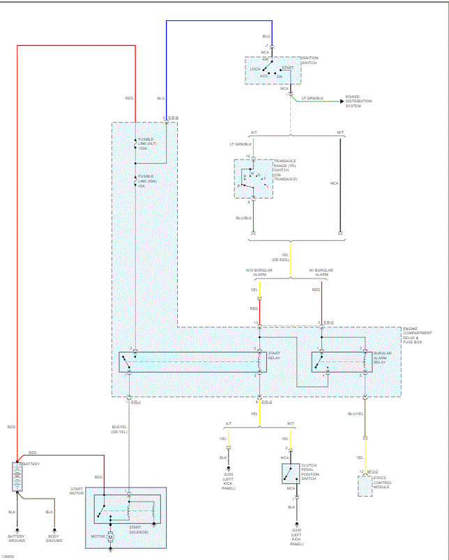
Hi,

I attached a pic below and circled what I believe to be the part you replaced. Please confirm that for me.

Next, if that is correct, there really isn't anything tied into the starter circuit from that point. What I suggest first is to confirm fuses and fusible links are good. Pic 2 shows the entire starter system schematic. Check the fuses and links shown in the pic. In addition to confirming the fuses are good, check to make sure there is power to them. Here is a link you may find helpful:

https://www.2carpros.com/articles/how-to-check-a-car-fuse

Let me know if this helps, what you find, and if you have other questions.

Take care,
Joe
Was this
answer
helpful?
Yes
No
Monday, January 4th, 2021 AT 10:39 AM (Merged)

Please login or register to post a reply.