Interior overhead lights do not come on

Tiny
CARLWREED
  • MEMBER
  • 2003 CHEVROLET SUBURBAN
  • V8
  • 4WD
  • AUTOMATIC
  • 83,000 MILES
Interior overhead lights do not come on in my 2003 suburban whenever I open a door. The overhead map lights do work if you manually turn them on at the light fixture button. Interior door lights on the driver and passenger side still work also. Is it a relay?
Friday, March 4th, 2011 AT 9:46 AM

13 Replies

Tiny
WRENCHTECH
  • MECHANIC
  • 20,761 POSTS
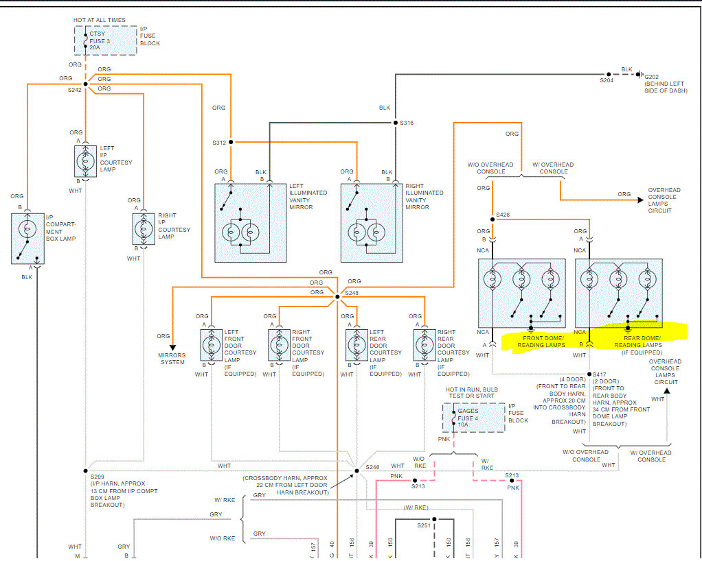
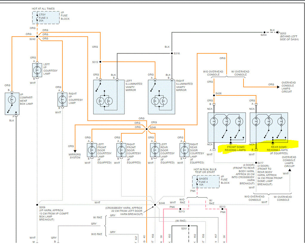
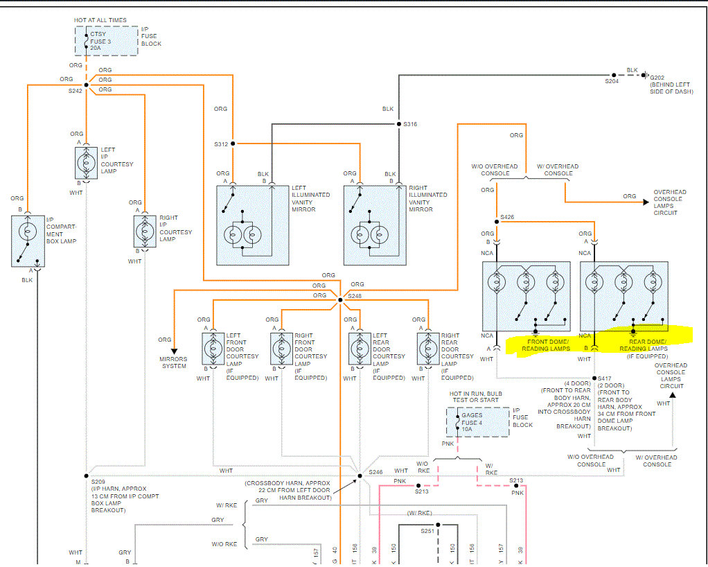
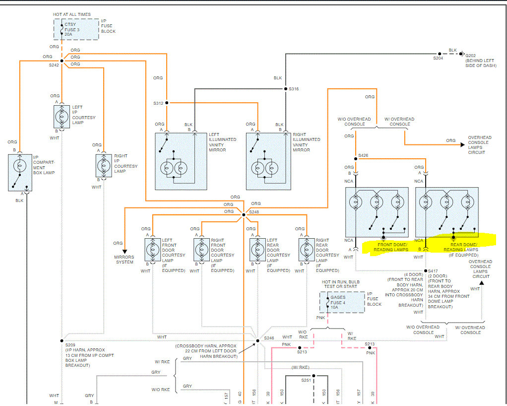
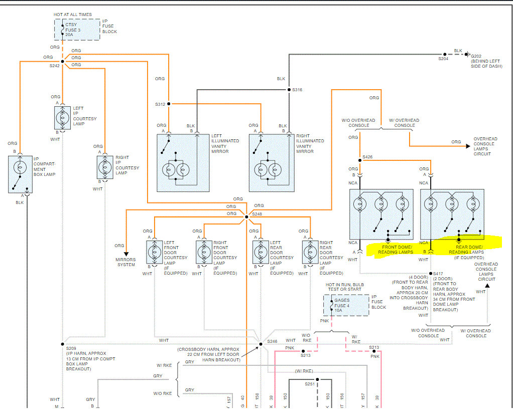
There should be a button near the headlamp switch for "dome override"
See if that button is pushed in, if so the lights wont come on when the door is opened.If the button isn't pushed see the guide below for testing wiring

https://www.2carpros.com/articles/how-to-check-wiring

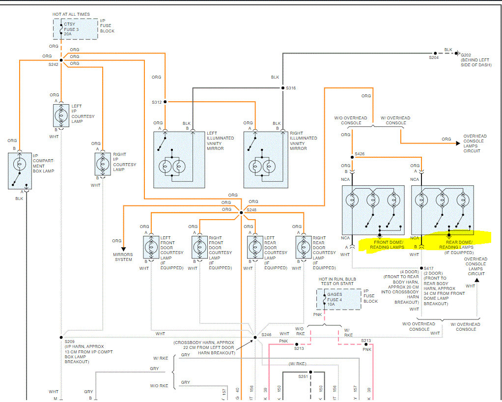
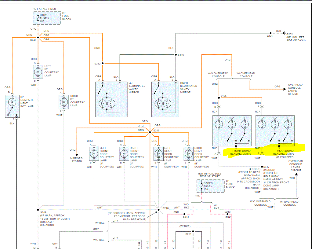
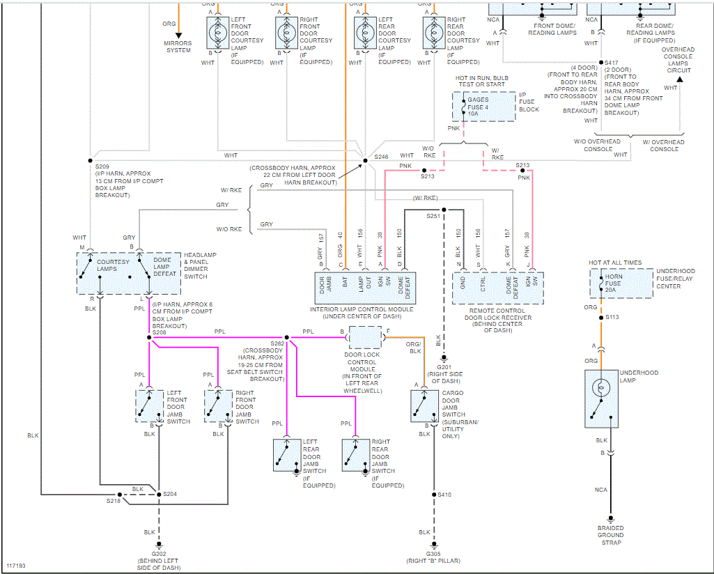
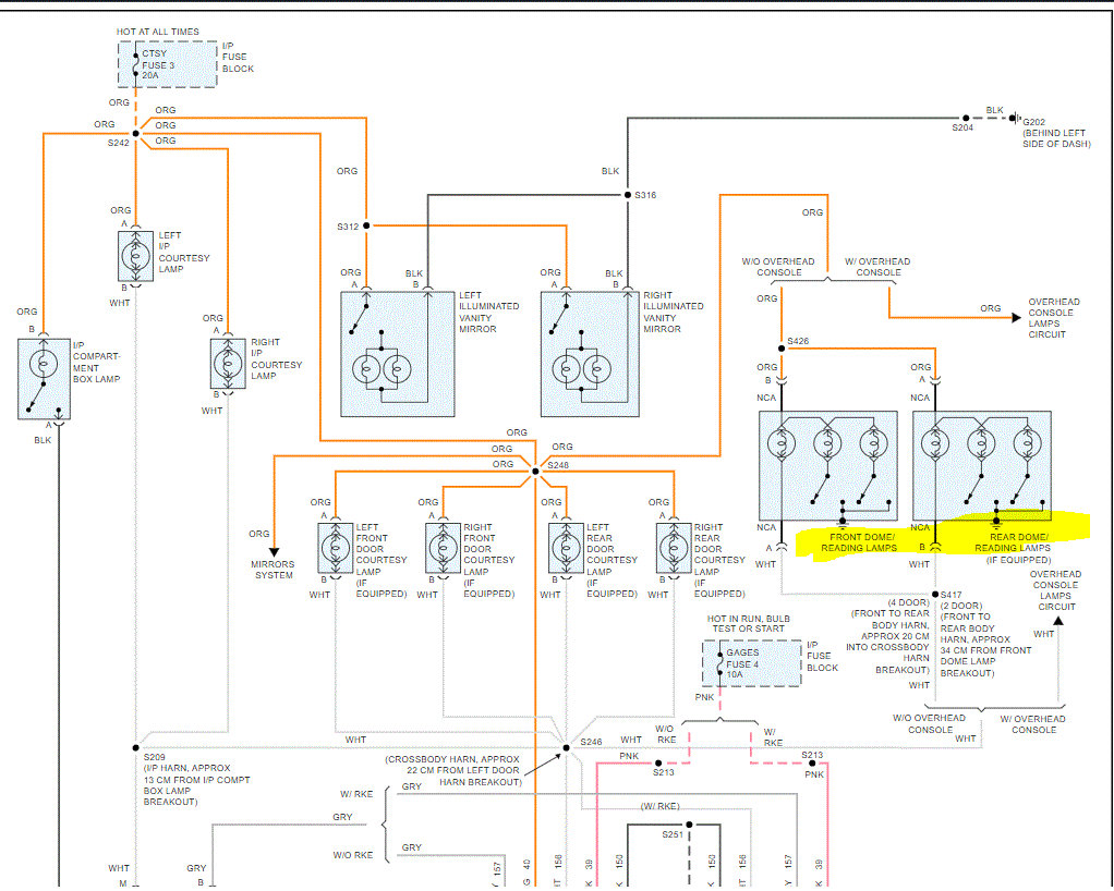
The wiring diagrams for the interior light circuit are attached below

Let us know what you find
Was this
answer
helpful?
Yes
No
-2
Friday, March 4th, 2011 AT 11:10 AM
Tiny
DREHUS
  • MEMBER
  • 2 POSTS
I have the same exact problem. The dimmer, headlight control module was replaced with a new one, and the dome overide switch operates as normal on the sideview mirror courtesy lamps only. The ON position on the dimmer for interior lights does not make the lights go on either. Courtesy lamps turn on no matter what door is opened but nothing else
Was this
answer
helpful?
Yes
No
Wednesday, April 17th, 2019 AT 9:31 PM
Tiny
KEN L
  • MASTER CERTIFIED MECHANIC
  • 55,112 POSTS
Hello,

9 times our of 10 the DDM has gone out causing the dome lights to stay on. Here is the wiring diagrams so you can see how the system works (above post). Here is a guide to help you test the wiring to confirm the failure:

https://www.2carpros.com/articles/how-to-check-wiring

Please run down this guide and report back.
Was this
answer
helpful?
Yes
No
Monday, April 22nd, 2019 AT 3:57 PM
Tiny
1999 BURBAN
  • MEMBER
  • 1 POST
  • 1999 CHEVROLET SUBURBAN
  • 5.7L
  • V8
  • 2WD
  • AUTOMATIC
  • 157,000 MILES
My old body style cargo, curtsey lights come on at night an stay on? Push it in goes off then later it just comes on?
Was this
answer
helpful?
Yes
No
Wednesday, May 26th, 2021 AT 11:42 AM (Merged)
Tiny
JACOBANDNICKOLAS
  • MECHANIC
  • 110,192 POSTS
Hi,

The switch at the dome light is a simple on/off switch. If there was a problem at another point, the light would likely not turn off when you press the on off button.

Based on that theory, I suspect the switch at the dome light is bad and slowly is making a connection internally until you turn it off again.

If you look at the pics below, I attached the entire wiring schematic for these lights. Note the power to the dome light is shared with many other lights. Therefore, if the issue was before the dome light, the others would likely turn on as well.

I would replace the dome light assembly. Or, I would at least remove it from the overhead console and inspect the wiring.

Here are the directions for removal and replacement. Pic 3 below correlates with the directions.

___________________________

1999 Chevy Truck C 1500 Suburban 2WD V8-5.7L VIN R
Dome Lamp Replacement
Vehicle Lighting and Horns Dome Lamp Service and Repair Procedures Repair Instructions Dome Lamp Replacement
DOME LAMP REPLACEMENT

See pic 3

REMOVAL PROCEDURE

CAUTION: Refer to Battery Disconnect Caution in Cautions and Notices.

1. Disconnect the negative battery cable(s).
2. Remove the lens.
3. Remove the bulb.
4. Remove the housing screws.
5. Remove the housing assembly.
6. Disconnect the electrical connector.
7. Remove the bezel.

INSTALLATION PROCEDURE
1. Install the bezel.
2. Connect the electrical connector.
3. Install the housing assembly.
4. Install the housing screws.
5. Install the bulb.
6. Install the lens.
7. Connect the negative battery cable(s).

_________________________________

Let me know if this helps or if you have other questions.

Take care and God Bless,

Joe
Was this
answer
helpful?
Yes
No
Wednesday, May 26th, 2021 AT 11:42 AM (Merged)
Tiny
NICKWA
  • MEMBER
  • 2 POSTS
  • 1996 CHEVROLET SUBURBAN
  • V8
  • 4WD
  • AUTOMATIC
  • 280,000 MILES
My 1996 Chevrolet Suburban LT's dome lights have a mind of their own. They will come on on their own, sometimes turns off correctly or will stay on. In addition the keyless remote no longer works and the lights on the lighted window switch no longer work. Any advice would be appreciated before going to the dealer.
Was this
answer
helpful?
Yes
No
Wednesday, May 26th, 2021 AT 11:43 AM (Merged)
Tiny
BLUELIGHTNIN6
  • MECHANIC
  • 16,542 POSTS
Hello
Thanks for the donation.

The dome light issues sound like a faulty door ajar switch in one of the door jams or inner door panel. You can try spraying some WD40 (or similar product) in all of the door jam latches. This usually is a temporary fix for the issue.

For the keyless remote, does it do anything at all? Lock, unlock, open trunk, panic alarm? If not, I suggest changing the key fob (remote) battery.

Check all fuses for the interior switch lights issue. If these are good, check for loose or broken wires connecting to the switch.

Hope this helps.
Thanks for using 2carpros. Com!
Was this
answer
helpful?
Yes
No
Wednesday, May 26th, 2021 AT 11:43 AM (Merged)
Tiny
NICKWA
  • MEMBER
  • 2 POSTS
I have replaced the door switch, checked the fuses and couldn't find any broken switches. What controls the dimming feature of the dome light?

Both keyless remotes went out the same day. I replaced the batteries and there is nothing, not even a noise. Could the remote module be bad? If so where is it and how do you check it?

Thanks
Was this
answer
helpful?
Yes
No
Wednesday, May 26th, 2021 AT 11:43 AM (Merged)
Tiny
BLUELIGHTNIN6
  • MECHANIC
  • 16,542 POSTS
I dig deeper into my resources and have found that the two components that control the key remote and the dome lights. I believe this will fix all three issues at hand. They are right beside each other and both have wires running into a larger set of wires, pictured below.


https://www.2carpros.com/forum/automotive_pictures/261618_Noname_62.jpg



Ensure that all three connectors are plugged in completely. If they are, you will have to check for power at the connectors to ensure the components are receiving power supply.
Was this
answer
helpful?
Yes
No
Wednesday, May 26th, 2021 AT 11:43 AM (Merged)
Tiny
ARIDDICK
  • MEMBER
  • 2 POSTS
  • 1995 CHEVROLET SUBURBAN
  • 2 MILES
I noticed one day my interior lights was staying on. I disconnected my number 3 fuse in the interior lights shut off. But now my battery is draining.
Was this
answer
helpful?
Yes
No
Wednesday, May 26th, 2021 AT 11:43 AM (Merged)
Tiny
JACOBANDNICKOLAS
  • MECHANIC
  • 110,192 POSTS
Welcome to 2CarPros.

Chances are there is a short to power. When you removed the fuse for the light, it turned off, but the short wasn't repaired. With that, I need you to follow the directions in the following links to locate the affected circuit. Once we determine which one it is, then we can try to pinpoint where the problem is located.

https://www.2carpros.com/articles/car-battery-dead-overnight

Here are a couple links that may be helpful:

https://www.2carpros.com/articles/how-to-use-a-test-light-circuit-tester

https://www.2carpros.com/articles/how-to-use-a-voltmeter

https://www.2carpros.com/articles/how-to-check-wiring

Let me know if this helps or if you have other questions.

Take care,
Joe
Was this
answer
helpful?
Yes
No
Wednesday, May 26th, 2021 AT 11:43 AM (Merged)
Tiny
ARIDDICK
  • MEMBER
  • 2 POSTS
Thank you for the information. I'm going to check everything out today.
Was this
answer
helpful?
Yes
No
Wednesday, May 26th, 2021 AT 11:43 AM (Merged)
Tiny
JACOBANDNICKOLAS
  • MECHANIC
  • 110,192 POSTS
Welcome back:

Let me know the results of your testing. If you need help or have other questions, let me know.

Take care,
Joe
Was this
answer
helpful?
Yes
No
+1
Wednesday, May 26th, 2021 AT 11:43 AM (Merged)

Please login or register to post a reply.